Что за цепь заряда вот у такой BMS?

Автор Serg2020, 04 Май 2021 в 11:42

« назад - далее »

0 Пользователи и 1 гость просматривают эту тему.

Serg2020

Доброго времени суток.

Кто имел дело вот с такой BMS?

На разных сайтах указано ограничение (отсечка) тока заряда 5А, 10А, 20А. Заявлена защита от перезаряда.
Работает ли данная защита (отсечка зарядки при превышении напряжения)?
Чему равно реальное ограничение входного тока (есть ли оно вообще)?
На зарядном входе вылезает напряжение батареи. Не напрямую ли к батарее подключен данный вход (или там двусторонний ключ)?

Спасибо за ответы.

Serg2020

Нашел частично ответ вот здесь: https://electrotransport.ru/index.php?msg=1527905

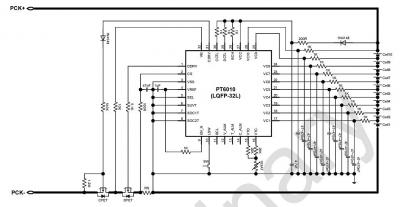
Если эта BMS на микросхеме PT6010 (о чем свидетельствуют снимки пользователей), то там, скорее всего

силовой выход подключен между CFET и DFET, т.е. симметричная BMS превращена в несеммитричную. Т.е., выход защищен по току и от переразряда. А вход защищен как выход, плюс заявленное ограничение от перезаряда по напряжению. А на каком уровне и есть ли отсечка входного тока - не известно. Проскакивающие в некоторых источниках 10А - это предельный ток на 1 входной мосфет, или значение, при котором вход будет отключен? Пока - не ясно.

TRO

Цитата: Serg2020 от 04 Май 2021 в 11:42На разных сайтах указано ограничение (отсечка) тока заряда
Не видел ни одной БМС у которой бы была отсечка по току заряда, обычно пишут только допустимый ток заряда (для выбора подходящего зарядного устройства). Покажите первоисточники где вы увидели именно отсечку (ограничение) по заряду.... Мне кажется вы пытаетесь выдать желаемое за действительное.

Wahoo 2012 29er, +собран складной двухосис на раме"Land Rover" 69er с эл. мотором, и и МОНОКОЛЕСО