Полезная информация


Транзистор TK150E09NE / K150E09NE - аналоги

Автор Ift, 23 Июнь 2021 в 16:39

« назад - далее »

0 Пользователи и 1 гость просматривают эту тему.

AlexS4

судя по тому что горят разные транзисторы проверку я бы начал с источника затворного напряжения ( там есть степдаун 67V ->  14..16V )  надо попробовать нагрузить его током ~0.1A и померить, обязательно проверить/поменять электролит конденсатор на выходе.
если горят только верхние транзисторы (которые замыкают на P+)  - надо проверить диоды и электролиты питания верхних драйверов.  больше там без осциллоскопа и понимания схемы делать нечего.

или датчик тока (усилитель с "шунта") тоже оочень вероятно для таких симптомов!  смотрим напряжение на выходе ОУ и с лабораторника подаем ток через токоизмерительный резистор (который электротранспортники упорно шунтом зовут))).

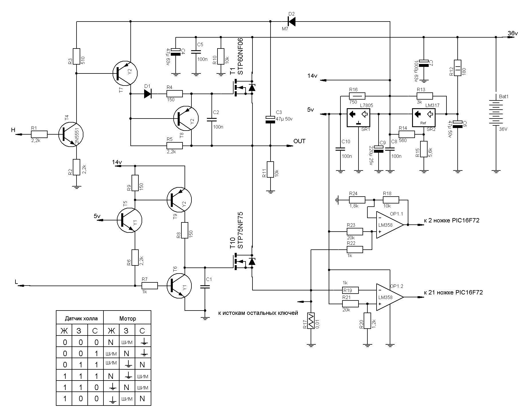
у спайдера вроде на рассыпухе драйвер (не ис) но это неточно. если так то схема будет очень похожа на эту:

здесь по 3 транзистора  драйверы верхнего и нижнего fet  и усилитель датчика тока на оу(если точнее на картинке:  один - усилитель для adc а второй - комаратор). степдаун питания затворов  (LM317 на картинке) в спайдере конечно не 317 а импульсный, D2+C3 - памп-питание верхнего драйвера, это одинаково везде, даж у интегральных.

Flygreen

НУ если там стандартная схема, обычно это мелкие трехногие клопы. Располагаются обычно рядом с фетами. В принципе, можно не глядя их менять . Я так и делаю обычно  ;-) Ток надо знать какие брать. Я их как то пачку взял. С тех пор раза три , разные контроллеры с их помощью чинил. Советую вам подробных фоток сюдым накидать, добрые люди подскажут.

Пока писал, уже меня опередили  ;-D
Катаем на электро багги https://electrotransport.ru/index.php?msg=1762325

Строю самокат https://electrotransport.ru/index.php?topic=61719.0#topmsg

AlexS4

Цитата: Flygreen от 26 Авг. 2021 в 18:31В принципе, можно не глядя их менять . Я так и делаю обычно
сомнительный метод... ;)  если бы всевремя в одном месте фет летел то еще хоть както оправдано ито с натяжкой)  шансов напортить чтотоеще и утонуть в неисправностях при таком подходе имхо выше чем починить.  драйверы обычно чинят либо наблюдая осциллоскопом затворное напряжение, либо подавая статические сигналы на вход обмеряют выходы создавая токи через открытое плечо. на самый край - звонить pn переходы диодным тестером c пониманием как влияет обвязка.

AlexS4

еще напр у irfb3077  емкость затвора 10nF, вдвое больше чем у TK150E09NE.  врядли проблема в этом, драйверы обычно строят с многократным запасом  но надо понимать что ток через затвор при той же крутизне фронтов будет вдвое больше или энергия закрытия (рассеиваемая на канале за 1 закртие) при том же токе разряда затвора  будет ~вдвое больше...    это чисто наброшу на вентилятор)), 80% что проблема в источнике 14V см выше.

Alex H

Это вот эти трехногие смдэшки драйверы? Ну не ребят, я их не смогу поменять  :bn:  у меня паяльник 30вт минимальный и рука трясется слишком. Похоже придется пока отложить в долгий ящик этот контроллер и заказать новый. Кстати LM-ка показал на рисунке, стоит без радиатора, и греется уже сразу при включении до 105 градусов, странное китайское решение.



AlexS4

да неожиданно, даж на кугах давно импульсники...
а напряжение на электролите рядом с lm317 ?

   греться до 100С не должно, похоже чтото продгружает этот источник. вероятно в 1 из драйверов пробился транзистор и засаживает питание затворов - тогда все ясно.  надо найти 6 резисторов которые на схеме обозначены R4 и R8 (на плате конечно у них другие номера) и померить на них напряжение, на том на котором напр не =0V -значит 1 из транзисторов над или под(по схеме) резистором пробит. или оба. скорее всего нижний.   потом выключить питание и диодным тестером найти какой из 2 транзисторов. на живом 0V диодный тестер не покажет.   

95% что менять всего 1 или 2 транзистора из одного драйвера. и скорее всего там где был один из пробитых fet в первый заход.

менять просто: мажем флюсом, шилом зверски отгибаем ножки по одной, грея паяльником, еще мажем место флюсом, кладем новый, выравниваем зубочисткой, прижимаем ею же ,  припаиваем по 1 ноге не задевая соседние точки.

Alex H

Цитата: AlexS4 от 27 Авг. 2021 в 13:59менять просто:
а какие нужны драйверы? там на них насколько вижу только надписи типа Y1, Y2, вроде еще T1 и T2, есть и G1 видел

ps. а все, нашел, они так и маркируются однозначно, а то думал это какая то китайская кодировка локальная  :-)

AlexS4

[user]Alex H[/user], звонил диодным тестером?  еще раз навсяк: наугад всеподряд менять безссмысленно!!!
и драйвер это вся схема управления затвором а это - ее компаненты транзисторы, диоды, резисторы.


по маркировкам : находим smd marking table  напр хорошая: http://www.marsport.org.uk/smd/mainframe.htm
по ней видим Y1 в корпусе sot23 = стабилитрон 11V
Y1    BZX84-C11    Phi    C    SOT23    0.3W zener 11V±5%
Y2    BZX84-C12    Phi    C    SOT23    0.3W zener 12V±5%
G1    MMBT5551    Mot    N    SOT23    2N5551 npn Vce 140V  (npn транзистор)
T1    BCX17Phi N   SOT23    BC327
T2    BCX18 Phi N   SOT23    BC328

user020413

Спросил у Аовезика эти транзисторы, вроде подделками не торгует. TK150E09NE 10pcs 900р.
https://aliexpress.ru/item/1005002290462438.html
Закажу на пробу.

zikmurd

[user]Alex H[/user], не удалось решить проблему? Поменяли контроллер? Просто такая же фигня на таком же контроллере. На одной фазе выгорает два транзистора. После замены тож самое. Мелкие стабилитроны и транзистор проверил - вроде нормальные.

volodiaa

Цитироватьне удалось решить проблему? Поменяли контроллер? Просто такая же фигня на таком же контроллере. На одной фазе выгорает два транзистора. После замены тож самое. Мелкие стабилитроны и транзистор проверил - вроде нормальные.
феты после замены часто горят  если драйвера сгоревшие [b-b](обычно их пробивает если фет пробит на управляющую ногу, берешь его и меришь что бы с другими ногами не было замыкания, если есть, то и драйверу капец. )[/b-b](маленькая микросхема или 3 мелких транзистора), обычно в замыкание пробивает, мерить можно на плате. в чип и дип торгую хорошими, но дорого.

sdenis2017

в ремонте контроллер  ;-D
вот думаю что купить irf4110 или ru6888r(б/у)? или как в шапке темы?

Добавлено 28 Авг. 2022 в 15:54

по даташиту ирф4110 имеют бОльшую ёмкость выхода
1кВт  ДД 273-й + Келли kls-s 7230 + лифер 32700 12s4p + антбмс 8-24S 100А

Борян

Цитата: sdenis2017 от 28 Авг. 2022 в 15:53
в ремонте контроллер  ;-D
вот думаю что купить irf4110 или ru6888r(б/у)? или как в шапке темы?

Добавлено 28 Авг. 2022 в 15:54

по даташиту ирф4110 имеют бОльшую ёмкость выхода
4110 лучше однозначно
Ремонт и сборка li-ion акб любой сложности

Begode Nikola Plus 100v 2021 3100wh

sdenis2017

[user]Борян[/user], купил к150 - 55грн и ирф4110 оригинал - 45 грн
к150 6шт вышло с сопротивлением 6,2-6,4 мОм(эти поставил в контролер)
а 6шт 5,3-5,4 мОм
9 шт ирф 4110 выдают как один 6,6 мОм
родные уцелевшие к150 выдают 3,2 мОм
также в наличии есть ру6888 выдают 6,8 мОм
1кВт  ДД 273-й + Келли kls-s 7230 + лифер 32700 12s4p + антбмс 8-24S 100А