Полезная информация


Попытка создать мощный трёхфазный контроллер на TMS320F28335

Автор gifrom, 21 Нояб. 2017 в 15:52

« назад - далее »

0 Пользователи и 2 гостей просматривают эту тему.

Alex75

"От руин к обсерватории, от олимпа до низин ересь - двигатель истории, а еретики - бензин."

gifrom

#55
на плате с перефирией за 2500р до кризиса, и чисто проц после кризиса за 1200р. Мне для Mex Bios пришлось за 2500 их плату купить, она из коробки поддерживалась, они тогда как компания только зарождались, а когда развернулись потом, я видел что они цену на них до 9000р взвинтили

L.W.N


gifrom

У меня попроще, такие сейчас они не выпускают. На этой и Ethernet и встроенный XDS100, а я его отдельный покупал за 1500р, и даже блок питания в комплекте, ещё бы он 13000 не стоил)))


L.W.N

Тема заинтересовала. есть желание попробовать. Скажите, какие собираетесь использовать датчики тока?

DragonTM

#60
тему читал наискосок, но правильно понимаю что можно купить мозги для управления двигателем, а силовые модули взять от старого контроллера-инвертора? У меня DMOC445, не уверен что смогу запустить его родные мозги...
Мои байки - https://electrotransport.ru/index.php?topic=35001.0
Новый проект электромотоцикла - https://electrotransport.ru/index.php?topic=51461.0

gifrom

Цитата: L.W.N от 03 Дек. 2017 в 12:13
Тема заинтересовала. есть желание попробовать. Скажите, какие собираетесь использовать датчики тока?
у меня уже есть вот такие Три года назад распродажа по 900р попалась, и я их купил, так что не могу сказать хороший ли это вариант, но для больших токов вроде ничего. В векторной программе которую я сделал, их нужно будет калибровать, и я взял на всякий случай четыре датчика, реально же нужно только два, третья фаза просчитывается в программе, т.к векторная сумма токов трёх фаз равна нулю.
Цитата: DragonTM от 03 Дек. 2017 в 19:53
тему читал наискосок, но правильно понимаю что можно купить мозги для управления двигателем, а силовые модули взять от старого контроллера-инвертора. У меня DMOC445, не уверен что смогу запустить его родные мозги...
можно поставить другие мозги, а что с родными мозгами? И если собираетесь управлять BLDC, то вам можно попроще управление выбрать, вроде народ и с ардуино BLDC управляет

gifrom

Цитата: gifrom от 28 Нояб. 2017 в 10:17
Спасибо за ссылки! Заказал и оплатитл модули, заказ прошёл, было написано по 380р за штуку. Вот интересно пришлют по этой цене или нет))) Если прокатит, надо будет по этой цене оставшиеся 700шт скупить)))
Не прокатило, прислали отказы. Прежде чем заказать по нормальной цене, вопрос как грамотно сделать развязку от проца. К сожалению готовой платы с питанием и развязкой я в продаже не нашёл. У Mitsubishi к IGBT вот такая схема

Насколько я понял мне нужно 4 изолированных источника питания по 15в , например такие https://www.chipdip.ru/product/tma2415d подойдут? И какие оптроны лучше выбрать?

L.W.N

Цитата: gifrom от 22 Нояб. 2017 в 09:22у меня сейчас уже три различных прошивки для моей платы управления есть, для постоянника от погрузчика, но там силовая простая, низковольтная, она у меня сразу заработала, но двиг слабый для электромобиля, прошивка для асинхронного со скалярным без датчиков, и векторным с энкодером и без энкодера по вводимым параметрам двигателя. Цифра у меня давно работает.
gifrom  как  проект? Пробую пройти за вами. Много вопросов по цифре. Поможете?  Можно в личку, чтобы не смешить народ.

gifrom

Возникли вопросы по вышеизложенной схеме, может кто подскажет
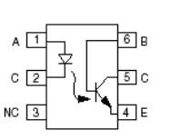
Искал несколько часов, не нашёл какой элемент обозначается вот так

Потом, как я понимаю, это оптрон с транзисторным выходом

, но практически все транзисторные оптопары имеют вот такую схему я нашёл только один транс по каталогам, который имел схему какую нужно, но он ббыл автомобильный и не подходит по характеристикам. Может у такой схемы есть какое-то свое уточняющее название, а не просто транзисторный оптрон? Или они одинаковые, просто схема чуть упрощена ?
И следующий вопрос - это насчёт источника питания

Что это за 5 вольт, относительно чего?


i


электролитический конденсатор, емкостью более 10 микрофарад.


Оптрон с транзисторным выходом, но с фотодиодом. Такие самые быстродействующие.


Так называемый "сухой контакт", то есть гальванически развязанный от устройства. Раньше делалось на реле. Можно рассматривать как контакты реле, только с учетом того, что нужно соблюдать полярность и не подавать на них напряжение более 5В.

gifrom