обсуждение зарядного устройства USB для литиевых аккумуляторов

Автор viiktor07, 22 Янв. 2015 в 16:27

« назад - далее »

0 Пользователи и 1 гость просматривают эту тему.

viiktor07

всем привет.нашол вот такую зарядку http://arduino-ua.com/prod595-Zaryadnoe_ystroistvo_USB_dlya_litievih_akkymylyatorov .хочу использовать для зарядки и восстановления  б.у 18650 из ноутбуков .как думаете это возможно?

magnarum

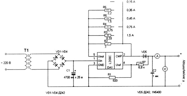
Эти платки не очень- заряжают по разному на разное напряжение, но для быстрой зарядки севших элементов ноутбуков вполне пригодны, только резистор поменять надо который программу задает на выходной ток 500mah. 1а сразу  в полностью разряженный элемент не рекомендуется :-) потом собрать все в блок в параллель и дать постоять сборке сутки , потом догнать напряжение на зарядке на микросхеме l200 оно довольно точно контролирует напряжение и автоматически снижает ток в конце заряда.


viiktor07

Цитата: magnarum от 22 Янв. 2015 в 16:38
Эти платки не очень- заряжают по разному на разное напряжение, но для быстрой зарядки севших элементов ноутбуков вполне пригодны, только резистор поменять надо который программу задает на выходной ток 500mah. 1а сразу  в полностью разряженный элемент не рекомендуется :-) потом собрать все в блок в параллель и дать постоять сборке сутки , потом догнать напряжение на зарядке на микросхеме l200 оно довольно точно контролирует напряжение и автоматически снижает ток в конце заряда.


а что это за зарядка на микросхеме l200 может сразу ее и купить? можно ссылку?

magnarum

#3
Ну я в продаже не встречал , да она простая очень в сборке , есть в онлай калькулятор под нее , там можно посчитать все параметры выходной ток и напряжение все подбирается резисторами, да и собирается на коленке либо  на макетке , либо навесным монтажом , запитать можно от блока питания компьютера на 5-12 вольт тогда диодный мост в схеме нужно  убрать а после конденсатора поставит еще один не полярный о,1мкф.
А чтоб контролировать полный заряд на выход подключить тл431 только номиналы нужно изменить для литий иона,  в этой схеме указанно для свинца 13,8в  тогда при полной зарядке 4,2 вольта  светодиод загорится

magnarum

Можно еще как вариант , зарядить все аккумы платами чина  собрать в блоки по необходимой емкости в параллель , дать отстояться для выравнивание на всех элементах напряжения и емкости,собрать батарею подключить BMS , и зарядить подходящей зарядкой , обязательно контролируя чтоб не было перезаряда в блоках .

viiktor07

Цитата: magnarum от 22 Янв. 2015 в 17:02
Ну я в продаже не встречал , да она простая очень в сборке , есть в онлай калькулятор под нее , там можно посчитать все параметры выходной ток и напряжение все подбирается резисторами, да и собирается на коленке либо  на макетке , либо навесным монтажом , запитать можно от блока питания компьютера на 5-12 вольт тогда диодный мост в схеме нужно  убрать а после конденсатора поставит еще один не полярный о,1мкф.
А чтоб контролировать полный заряд на выход подключить тл431 только номиналы нужно изменить для литий иона,  в этой схеме указанно для свинца 13,8в  тогда при полной зарядке 4,2 вольта  светодиод загорится
спасибо за совет но так как в схемах не очень разбираюсь.все таки решил взять вот такой оригинал http://arduino-ua.com/prod767-zaryadnoe-ystroistvo-balansir-turnigy-accucell-6-50w-6a-1-6s
надеюсь оправдает ожидания.

av404

Цитата: viiktor07 от 22 Янв. 2015 в 16:27
всем привет.нашол вот такую зарядку http://arduino-ua.com/prod595-Zaryadnoe_ystroistvo_USB_dlya_litievih_akkymylyatorov .хочу использовать для зарядки и восстановления  б.у 18650 из ноутбуков .как думаете это возможно?
Давно использую такую для зарядки отдельных элементов. Ничего не переделывал. Зеленый загорается точно при 4.2в.

Если не отключать от USB, то перезаряда не будет. Наоборот, напряжение понемногу снижается.
Сильно длительных испытаний не делал, но на ночь оставлял без опаски. Утром наблюдал напругу 4.13в и зелёный продолжал гореть. То есть - она отрубала ток заряда при 4.2в и не включала его больше. Если выдернуть USB и снова включить - загорается красный и снова идет заряд, недолго.

Вот такие у ней хитрости
Green City Jet New 16''. Мотор - 24в/250вт. АКБ - литиево-ионный 48в/16ач 13s5p 18650

magnarum

Я бы посоветовал такую зарядку, для востановления и теста на емкость бу элементов 16850.
http://ru.aliexpress.com/item/-/1971672037.html?recommendVersion=1

av404

Green City Jet New 16''. Мотор - 24в/250вт. АКБ - литиево-ионный 48в/16ач 13s5p 18650