avatar_alayf78

Использование контроллеров в составе мощного повышающего инвертора

Автор alayf78, 26 Янв. 2015 в 01:51

« назад - далее »

0 Пользователи и 1 гость просматривают эту тему.

alayf78

Долго думал про мощный совместимый с электробытовыми приборами надежный источник резервного питания для дачи от 48в постоянки на 220в 50 гц переменки.
ничего путного в плане надежности из инверторов не нашел,они перегорают можно сказать от каждого чиха или перегрузки,а стоят негуманных денег.
в загажнике нашел тороидальный трансформатор на 1 квт от старого усилителя звука,имеющий 4 выходные обмотки по 45в. и входную на 220в. подумалось вот что.
нельзя ли использовать с подобным трансом для создания мощного инвертора DC--AC контроллера от электровелосипеда?

Нужно  заставить его выдавать на обмотки транса импульсы,чтобы на выходе суммарно было 50 гц. ну а напряжение подгонять ручкой газа.

кто что думает по этому поводу?  мне кажется все должно получиться....

есть ли у кого мысли про схему эмулятора для имитации работы холлов,чтобы обдурить контроллер, и подсунуть ему в качестве нагрузки вместо трехфазного мотора обмотки трансформатора,соединенные или звездой,или треугольником?
Скорость,Дальность,Дизайн,Цена. Выбери только три

dimad63

есть несколько бесперебойников  на 48 вольт за 3 года сжечь не удалось  были и замыкания и чего только не было.
Уходит в защиту включил выключил  дальше работает 

alayf78

ну бесперебойники это понятно. там железо у трансов хреновое :neg: что у арс-шных,что у других. а перематывать качественные советские трансы с хорошим кпд-шным железом неохота.
к тому же есть несколько контроллеров от велов на 50-100а батарейного,никак не используемых. хочется соединить их с качественным трансом имеющимся в наличии и получить девайс довольно нужный в хозяйстве :kidding:
Судя по характеристикам контроллеров,умеющих ограничивать ток от батарей ,должно получиться довольно надежное и простое в эксплуатации устройство,и совсем недорогое по сравнению с VEDA 4500VA например,но которое не вынесет статикой к примеру :pardon:
Скорость,Дальность,Дизайн,Цена. Выбери только три

lmvlmv

Цитата: alayf78 от 26 Янв. 2015 в 01:51

есть ли у кого мысли про схему эмулятора для имитации работы холлов,чтобы обдурить контроллер, и подсунуть ему в качестве нагрузки вместо трехфазного мотора обмотки трансформатора,соединенные или звездой,или треугольником?
на тороидальном трансформаторе Вам не получить трех фаз. Он по определению однофазный. Для трех фаз нужно или трехфазный трансформатор( это оптимальный вариант) либо три однофазных трансформатора.

П.с. прикрутите параллельно обмоткам трансформатора самый мелкий электромотор с датчиками холла. И получите необходимый сигнал с датчиков и стабильно, и с правильным чередованием сигналов. А частоту уж как нибудь подстроите ручкой газа и ли резистором.
Самокат Black One P-600
Yedoo Mezeq 48V 250W от Vladimir ReShar
стоячий, переварен из рамы SF-8, редукторник 36V 250W
odo - 3520km. Пока еще дорого,  24,17 руб/км :)

alayf78

ну  китайский контроллер как бы тоже условно трехфазный,одновременно работает только 2 фазы,и по этой причине должно подойти.
про мотор думал,но это как бы ухудшение кпд,и ухудшение экономичности устройства. к тому же скорее всего частота сети будет гулять из-за наличия обратной связи с нагрузкой.
то есть если запускается насос или холодильник,то частота вращения этого двигателя упадет,и уронит за собой частоту сети.

нужен просто эмулятор последовательности холлов с нужной частотой чередования...
Скорость,Дальность,Дизайн,Цена. Выбери только три

lmvlmv

Тогда просто микросхема  десятичный счетчик. Первые че ыре ноги вместо одного холла, потом ч четвертой по седьмую это второй холл, и с седьмой  по девятую + первая нога это третий холл. Все. А частоту подобрать кварцем с делителем частоты. На самом деле частота сети должна быть 50+-5%. Но это требование не особо и соблюдается.

при подключеном моторе про КПД согласен. А в остальном все нормально будет, от того, что мотор замедлится ничего не случится, ведь для нормальной работы электрических машин переменного тока при снижении питающего напряжения как раз и необходимо соответствующее снижение частоты электросети.
при таком управлении ассинхронники могут стартовать с нуля оборотов с максимальным моментом, а не с 0.8 номинального момента при обычном способе запуска.

Тут интереснее как на это управляющая электроника среагирует. Если таковая имеется ей напряжения может не хватить. А вот релейной схеме дреаних холодильников будет абсолютно все равно.

А нагружочный трансформатор для китайского контроллера можно и в треугольник соединить. И он за счет циркуляции суммарных магнитных полей в сердечнике еще и почище синус на выходе выдест.
Самокат Black One P-600
Yedoo Mezeq 48V 250W от Vladimir ReShar
стоячий, переварен из рамы SF-8, редукторник 36V 250W
odo - 3520km. Пока еще дорого,  24,17 руб/км :)

alayf78

счетчик это все же лучше,чем мотор. и главное- жужжать ничего не будет :-D
Скорость,Дальность,Дизайн,Цена. Выбери только три

alayf78

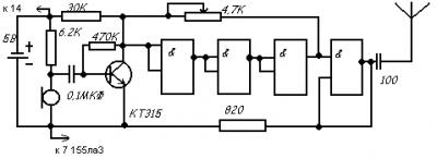
а есть возможность наваять схему,как это может выглядеть? советская  к 155 ие2 может подойти? или есть импортные какие микрухи?

я когда-то на ттл передатчик собирал,других полупроводников тогда дефицит был,особенно вч транзисторы,а 155ла3 целый ящик валялся никому не нужный :-D

Скорость,Дальность,Дизайн,Цена. Выбери только три

mr.Dream

А зачем использовать сложную электронику коннтроллера, если из всего этого будут использоваться только мосфеты по прямому назначению?
Да и инверторы весьма стойки к перегрузкам или КЗ. Вам наверное совсем некачественные попадались.
Цитата: alayf78 от 26 Янв. 2015 в 02:00
ну бесперебойники это понятно. там железо у трансов хреновое :neg: что у арс-шных,что у других.
те тяжелые железные трансформаторы - это автотрансформаторы "подстройки" напряжения сети, обычно в пределах до +-20% от входного, "вторичные" обмотки включаются реле последовательно с сетевым напряженим. Основной же преобразователь там импульсный.
И еще. Не все "железные" сердечники способны транформировать меандр. Трансформаторы типа ОСМ у меня входили в насыщение и сильно врзрастал ток холостого хода. Тороид до сих пор трудится (понижайка на 48В, питается через УПС интерактивный).
Схема классического инвертора будет куда проще и надежней. Принцип у всех похож - в низковольтной цепи импульсные траснформаторы качают MOSFET-ы или IGBT-ы, трансформатор с низкой индукцией рассеяния, выпрямление до 320В постоянки, полномостовое превращение в переменку 220В 50Гц (действующее значение напряжения задается как раз скважностю "тут"). Но если нужен еще и сину на выходе - то схема усложняется накопительным дросселем после повыщающего трансформатора. "чистый синус" задается или процессором, или LC колебательным контуром.

Берете готовый инвертор на 12В, перекомутируете литцендрат (косичку) первинной обмотки в нужное количество витков, меняете ключи, подаете питание на них напрямую, а на слаботочку через понижайку. Радуетесь, если ничего на бахнуло)

alayf78

у инверторов горят в основном выходные полевики,что переменку формируют. 310в постоянки на накопительном конденсаторе после выпаивания трупов остается. я последнее время телевизор питал кстати от отвода этого,постоянным высоким напряжением,так проблемы прекратились,ибо
горят когда включаеш телек или еще какое устройство в розетку,где большой конденсатор в блоке питания стоит. послетний раз бахнуло,когда питальник ноутбука подключили :~-( там бросок под 20-30 а через полевики по моим прикидкам проходит при зарядке этого кондера,и их просто выносит :neg:.
поэтому решил сделать сначала пробный вариант на базе китай-контроллера и трансформатора,а если хорошо будет работать,то и на  на 3-5 квт на мах-е и сварочном трансе потом неубиваемый инвертор можно сваять :exactly:
Скорость,Дальность,Дизайн,Цена. Выбери только три

TRO

В принципе эмулятор холлов можно наваять аппаратно, а можно на микроконтроллере.
Если цеплять однофазный транс между двумя фазами контроллера, то желательно чтобы эмулятор датчиков холла укорачивал по времени интервалы когда напряжение прилагаемое между двумя неиспользуемыми "междофазиями", иначе будем терять 2/3 времени, а сократить нужно до хотябы 1/3 (типа апроксимация как в дешевых инверторах). Можно пойти еще дальше, и если контроллер на сигнал от ручки газа способен реагировать достаточно быстро, то можно туда подать сигнал участка синусоиды засинхронизировав с эмулятором датчиков холла, получив на выходе почти синус. Я правда не уверен что сигнал с ручки газа опрашивается настолько часто, это нужно проверять(подключив вместо ручки газа делитель и замешать туда сигнал с какого нибудь маловольтного сетевого трансформатора, и хотябы послушать гудит ли мотор "пятьюдесятью герцами" под нагрузкой). В общем прошивку для какой нибудь мелкой восьминогой attiny13 написать не проблема, могу попробовать сделать(на работе), но экспериментировать в железе с контроллером пока немогу.

А вообще есть на ебей за вроде 13 баксов мозги с синусом, контролем тока и напряжения для полномостового синусного инвертора, даже с драйверами мосфетов, к нему только феты подключить, питание, и трансформатор. К тому же это цена за версию с экраном отображающим ток и напряжение. Есть ли смысл возится с вело контроллером?

Wahoo 2012 29er, +собран складной двухосис на раме"Land Rover" 69er с эл. мотором, и и МОНОКОЛЕСО