Bms Для Литий Ионных Батарей

Автор KVPiA, 25 Май 2015 в 17:13

« назад - далее »

0 Пользователи и 1 гость просматривают эту тему.

KVPiA

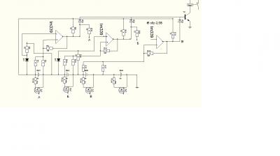
Хочу сделать вот такой Bms на лм339 на рисунке выравниватель батарей итакаяже ципочка по розряду. Батарей 14 штук последовательно питаца лм будет от 4 батарей,будет ли она правильно мереть на остальних 10 батареях розряд и заряд