Хочу соединить Bafang CST + MARK I + LI-ion 36V 10AH

Автор worldown, 22 Май 2017 в 12:08

« назад - далее »

0 Пользователи и 1 гость просматривают эту тему.

Slider

Цитата: Timmons от 26 Май 2017 в 02:58
Раньше выпускались моторы с названием 8FUN, когда хотел брать бафанг я кое-как нашёл один такой мотор в Москве (он кстати должен быть до сих пор в продаже у человека), именно 8FUN и там тоже была своя маркировка, углубился только в маркировку под 26 колёса, так как нашёл именно этот мотор.
Открою вам великий секрет:
По китайски 8 произноситься как "ба" (ba),  FUN - "фанг" (fang), поэтому 8FUN и Bafang это одно и то же ;)
Eltreco TT - компактность и комфорт. 70 в + MaxController + МАС 6Т = 55 км/ч. Электросамокат Е-Twow S2 Booster plus.

Timmons

Цитата: edw123 от 26 Май 2017 в 11:02
Цитата: Timmons от 26 Май 2017 в 09:43
На твоих скринах просто 2 разные модели, одна на 350W, другая на 500W (номинал), оба под кассету.
Вы путаете, кмк, понятия "похожий мотор с кассетой" и "мотор серии CST". Не любой Бафанг с кассетой=Бафанг CST. Теперь у Бафанга новая нумерация серий. Если это просто новая нумерация, то под Bafang CST больше всего подходит G020. Если же это и конструкция новая, то больше CST не существует, но это менее вероятно.

Для простоты сравнения возможно лучше перейти на новую классификацию от Бафанга:

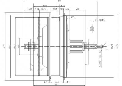
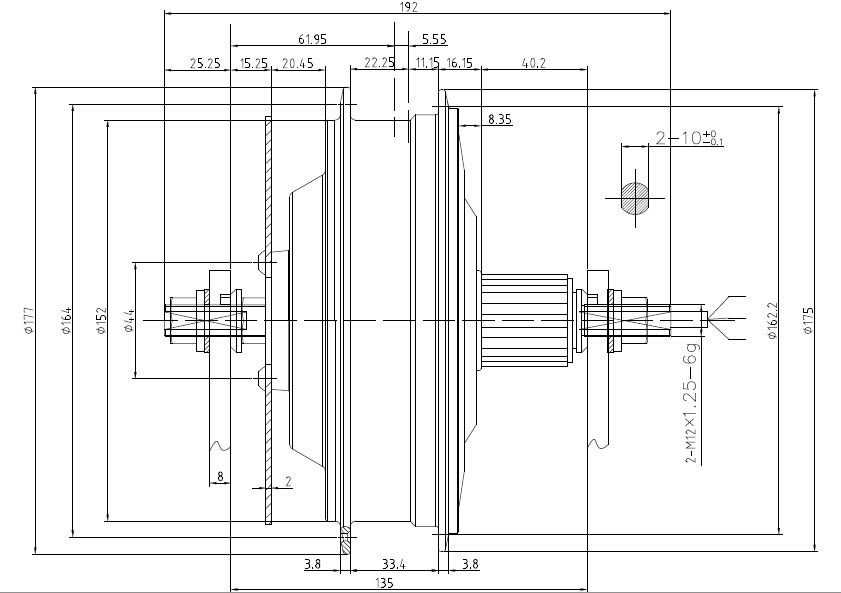
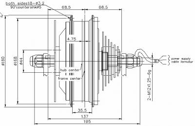
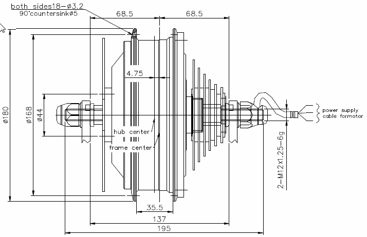
модель G020 - вес 3,6кг, d=145, s=73,    z=1:5,    20 магнитов, м=45Нм. 325рпм   больше всего подходит под старое CST
модель G040 - вес 4,2кг, d=164, s=71,    z=1:5,    16 магнитов, м=48Нм. 315рпм   что-то вроде BPM+casette

модель G070 - вес 4,5кг, d=168, s=73,    z=1:5,    16 магнитов, м=65Нм.  310рпм  трещётка. видимо BPM по старому.

модель G360 - вес 4,2кг, d=158, s=83,    z=1:12,8, 8 магнитов, м=50Нм.  400рпм  Это совсем новый
Слово CST не указывает на параметры мотора, просто раньше использовались приписки BPM - трещотка и CST - кассета, это как телефон с 3G и 4G например. Сейчас они стали обозначать D - трещотка и DC - кассета, никакого сакрального смысла или скрытых возможностей мотора :-) Другие производители используют по сей день те же самые обозначения для простоты описания, посмотрите на том же Али MXUS BPM / MXUS CST или "cassette".
На сайте бафанга куча всего, чего не найти в свободной продаже, в том числе новые дисплеи, которые даже в США не нашёл и про модельный ряд сейчас говорить бессмысленно :-\ правда в том, что купить мы можем из нового только G040, ну и маломощные наверно, мне это не интересно просто. А то что там есть G360 и прочее, дайте мне пожалуйста ссылочку с кнопкой "купить" такой мотор и я вас поблагодарю! :kidding: Я даже версию для 20" колес не могу найти, какие там G360...
Они видимо просто на сайт заливают всё что будет производиться когда-либо в их планах :-D иначе зачем выставлять то, чего нельзя купить? :facepalm:

Slider спасибо, я давно разобрался с переводом 8FUN, но объясни мне, зачем выпускать свой продукт с разными названиями, какой в этом смысл? Можно ведь гнать весь товар под одним брендом, именно на это и нацелен весь современный маркетинг. FORD ведь не выпускает машины "4D" или Apple не делает параллельно "pineApple" для какого-нибудь там азиатского рынка (примеры не точные, но суть должна быть ясна). Судя по сайту http://www.8fun-motor.com созвучное переименование было сделано для европейского рынка, но сейчас 8FUN толком не продают, была какая-то волна этих моторов и теперь можно купить только остатки прошлых лет...  :bn:

edw123

Цитата: Timmons от 26 Май 2017 в 12:31
Слово CST не указывает на параметры мотора, просто раньше использовались приписки BPM - трещотка и CST - кассета, это как телефон с 3G и 4G например.
Теперь вижу - точно путаете. BPM и CST разные по конструктиву, числу магнитов, ширине магнитов. CST не бывает, насколько мне известно, с трещёткой, а BPM изначально не делали под кассету. Так что это не 3/4G, а iPhone3/iPhone4.

Поэтому наверное имеет смысл спрашивать при вопросах не марку, а к примеру вес или диаметр. Иначе начнётся бесконечная путаница в мощностях, напряжениях... CST-250... CST-350... CST-500...  :sorry:

Timmons

#39
Цитата: edw123 от 26 Май 2017 в 12:36
Цитата: Timmons от 26 Май 2017 в 12:31
Слово CST не указывает на параметры мотора, просто раньше использовались приписки BPM - трещотка и CST - кассета, это как телефон с 3G и 4G например.
Теперь вижу - точно путаете. BPM и CST разные по конструктиву, числу магнитов, ширине магнитов. CST не бывает, насколько мне известно, с трещёткой, а BPM изначально не делали под кассету. Так что это не 3/4G, а iPhone3/iPhone4.

Поэтому наверное имеет смысл спрашивать при вопросах не марку, а к примеру вес или диаметр. Иначе начнётся бесконечная путаница в мощностях, напряжениях... CST-250... CST-350... CST-500...  :sorry:
Тогда давайте документацию илм какие-то аргументы про то что моторы разные и сравнивать надо "лоб в лоб" BPM 48V500W и CST 48V500W одной серии (букоффки/цифферки) например. Я тут читаю на форуме много людей пишут типа "вот у меня мотор на киловат редукторник и весит меньше 3 кг", а по факту выясняется что он ездит на 250W форсированным в 4 раза и вводит всех в заблуждение. Не исключаю, что вы читали от кого-то про BPM 36V350W, о котором говорилось как о 48W500W (потому что его действительно можно так использовать) и человек мог говорить про вес меньше 4 кг и другое количество магнитов. Моторы с номиналом 500W от Bafang которые я встречал весят все больше 4 кг, версия под кассету может весить чуть больше из-за барабана (ореха).

Вы даже сами возьмите и сравните на оф.сайте http://www.szbaf.com/en.html моторы под трещотку и кассету, конкретно серию G0 о которой мы сейчас говорим.
Берём моторы RM G040.500.D и RM G040.500.DC - где там у них разница, кроме того что один под трещотку, а другой под кассету?? :fool: :fool: :fool:
Есть моторы одинаковой мощности, но разных серий например G020.250.D и G040.250.D - оба они под трещотку и 250W, но уже разница по магнитам, но это ни какая-то там серия "BPM" или "CST" :bravo:
Я считал и считаю что нет никаких серий "BPM/CST", есть разные серии G0XX.XX, которые видимо раньше выглядели как G0XX.XX.BPM и G0XX.XX.CST, эти 3 буквы просто обозначают тип крепления звёздочки, а не намекают на разницу в моторах.

Тут на форуме устоялось почему-то понятие что BPM это какая-то особенная серия, а CST совсем другая серия с другими параметрами, не такая как BPM... А что, если действительно вся разница в циферках, а не в этих трёх буквах? ;-)
Если есть обратные доказательства - приводите, но тоже с ссылками, а не "где-то что-то" на форуме прочитали... Я могу сам заблуждаться и готов выслушать более опытных пользователей.

Altruist

Цитата: Timmons от 26 Май 2017 в 02:58
Модель называется MXUS01C
По-моему Вы про мотор, который обычно обзывают MXUS BPM (и не факт что сейчас это 01C, но радиус у него миллиметр-в-миллиметр рисуют как у "большого" бафанга), у него тоже красивые картинки про 135mm, в которые мне не верится, как приедет, расскажите, как оно легло в вилку с ротором и где оказалась крайняя звезда кассеты... (смайлик "пальчики крестиком").

edw123

Цитата: Timmons от 26 Май 2017 в 14:06
Если есть обратные доказательства - приводите, но тоже с ссылками, а не "где-то что-то" на форуме прочитали... Я могу сам заблуждаться и готов выслушать более опытных пользователей.
Ну вы недавно на форуме. Поэтому про устоявшуюся тут постоянную терминология вправе не знать. Как и старую систему обозначений. BPM и CST - давно продаваемые отличающиеся торговые (не марки производителя, а именно торговые) модели. У них разное почти всё кроме того, что их причисляли к разряду "самых мощных редукторников". Наверняка у них и раньше был свой код производителя, возможно даже тот же, что и сейчас: Gххх Только в магазинах раньше они фигурировали "по буквам".
Доказывать что-то совсем не хочется в обычной беседе, но самый типичный источник веломоторов в предыдущие годы - это интернет-магазины вроде bmsbattery elifebike с такой классификацией. Конечно, время не стоит на месте, появляются новые моторы, новые магазины... но уж если решили пользоваться "старой" классификацией, то, просто чтобы говорить об одном, стоит использовать и старый же подход. Или переходить на новый. :eureka:

А "прочитал на форуме"... конечно. И ещё сколько! :) Про "мощность", кстати - просто забудьте: её пишут как захотят и ни для кого из "почитавших" это уже ни о чём не говорит.

serg79

#42
Цитата: edw123 от 26 Май 2017 в 11:02
Цитата: Timmons от 26 Май 2017 в 09:43
На твоих скринах просто 2 разные модели, одна на 350W, другая на 500W (номинал), оба под кассету.
Вы путаете, кмк, понятия "похожий мотор с кассетой" и "мотор серии CST". Не любой Бафанг с кассетой=Бафанг CST. Теперь у Бафанга новая нумерация серий. Если это просто новая нумерация, то под Bafang CST больше всего подходит G020. Если же это и конструкция новая, то больше CST не существует, но это менее вероятно.

Для простоты сравнения возможно лучше перейти на новую классификацию от Бафанга:

модель G020 - вес 3,6кг, d=145, s=73,    z=1:5,    20 магнитов, м=45Нм. 325рпм   больше всего подходит под старое CST
модель G040 - вес 4,2кг, d=164, s=71,    z=1:5,    16 магнитов, м=48Нм. 315рпм   что-то вроде BPM+casette

модель G070 - вес 4,5кг, d=168, s=73,    z=1:5,    16 магнитов, м=65Нм.  310рпм  трещётка. видимо BPM по старому.

модель G360 - вес 4,2кг, d=158, s=83,    z=1:12,8, 8 магнитов, м=50Нм.  400рпм  Это совсем новый
G020  не подходит сильно мелкий .  G040 вот этот  точно  CST . у них разница с бпм  в диаметре  ротора и статора  в 6 мм .  количество магнитов одинаковое  фривил  одинаковый  шестерни   одинаковые . не  путать с  бпм2 .  есть  тема  на сфере  с потрохами  этих моторов . и в канадский калькулятор раздел  где спицы там  видно разницу в размере . так что  G020 не подходит .
для сравнения  BPM и CST
Спойлер



edw123

Цитата: serg79 от 26 Май 2017 в 15:29
G020  не подходит сильно мелкий .  G040 вот этот  точно  CST ...
Может... может... Интересный ещё факт: CST стоит как-то сильно больше BPM. :bn:

илс

Цитата: edw123 от 26 Май 2017 в 22:47
... Интересный ещё факт: CST стоит как-то сильно больше BPM. :bn:
Дык,  вроде это очевидно.
Барабан/орех - оч. сложная и технологичная часть МК. Причем на качестве  - никак нельзя экономить.
Если этот узел выйдет из строя, придется все МК менять/выбрасывать.

Цена на CST действительно высока, но зато можно экономить на трещетках.
Ломающейся трещетки   -это бич любого МК BPM. Т.к. велотрещетки проектируются для нагрузок в 20-25кмч, а не в 30-50, как на МК.  :-)

edw123

Цитата: илс от 26 Май 2017 в 22:56
Цитата: edw123 от 26 Май 2017 в 22:47
... Интересный ещё факт: CST стоит как-то сильно больше BPM. :bn:
Дык,  вроде это очевидно.
Барабан/орех - оч. сложная и технологичная часть МК. Причем на качестве  - никак нельзя экономить.
Если этот узел выйдет из строя, придется все МК менять/выбрасывать.

Цена на CST действительно высока, но зато можно экономить на трещетках.
Ломающейся трещетки   -это бич любого МК BPM. Т.к. велотрещетки проектируются для нагрузок в 20-25кмч, а не в 30-50, как на МК.  :-)
Есть кассетная версия ку100, ку128 - они дороже буквально на 10уе. CSt же дороже BPM в пару раз - на 100уе. Тут в чём-то другом дело...

faynuy

#46
Здраствуйте. У меня Bafang CST 48 v 500 w - нет обода и спиц. обод 26" усиленный буду брать. спицы 2.6мм толщина(12Г по паспорту)
подскажите, длину спиц в (мм) для 1 или 2,3 крестов.  а то неразбираюсь, и пощитать трудно. разные результаты
и если можно под конкретный обод.

щитал для обода 26"  530 внутренний диаметр
под 1 крест -л.с. 189.4мм п.с. 188.4мм
под 2 креста -левая сторона 208.3мм правая сторона 207.4мм

Gotuz

Цитата: worldown от 24 Май 2017 в 09:51ходил по сокольникам, там мастер
А по подробнее можно, где там?