Главное меню
avatar_goldenmotor.ru

Magic Pie-5

Автор goldenmotor.ru, 31 Авг. 2015 в 15:52

« назад - далее »

0 Пользователи и 1 гость просматривают эту тему.

sjaovay

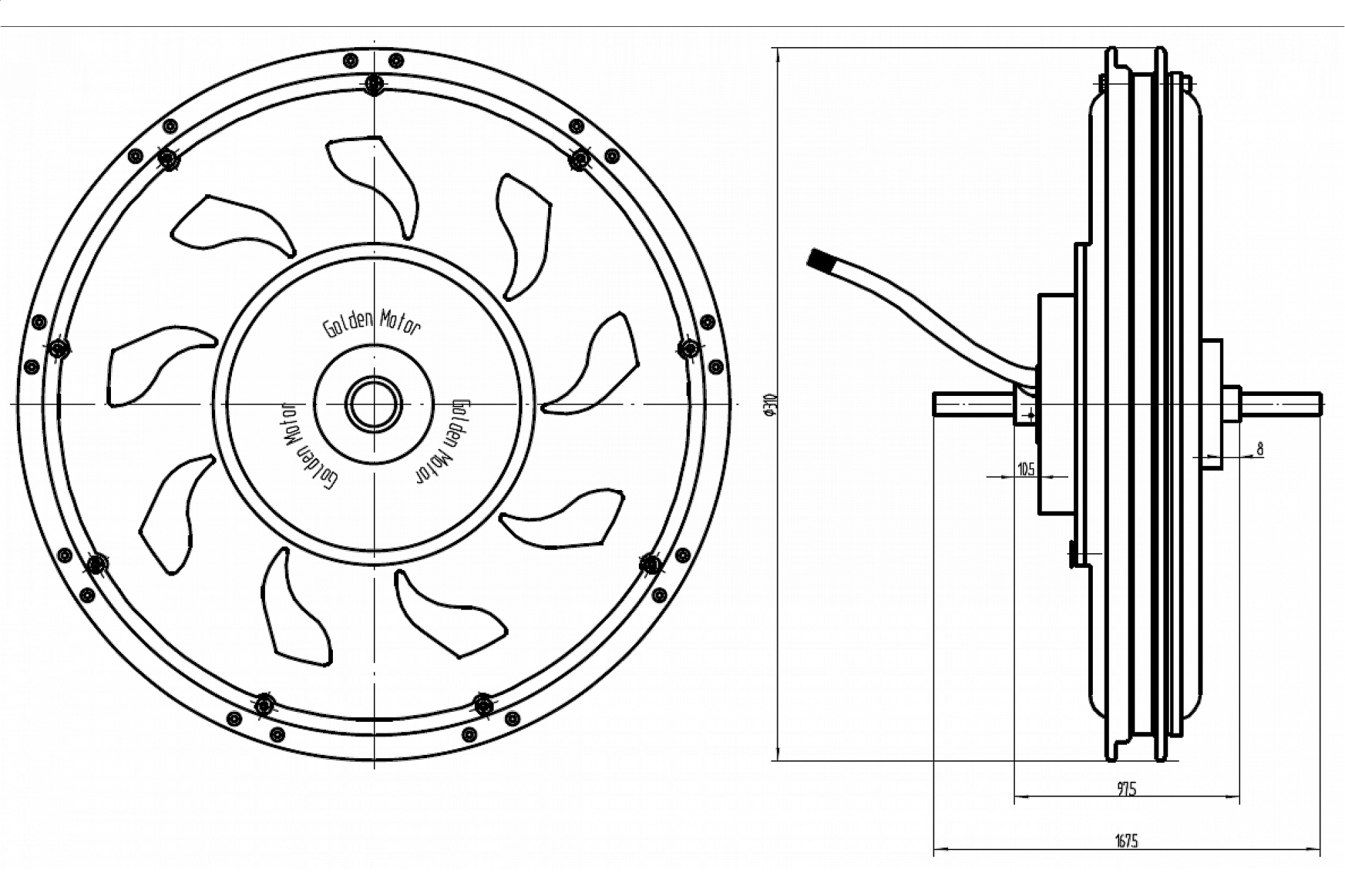
Цитата: goldenmotor.ru от 17 Июнь 2017 в 14:08на сайте есть чертёж мотора.
По переднему приводу встретились вот эти картинки, да и то, видимо, от более ранних версий, но так и не понятно, какой диаметр у оси и какое расстояние от внутренней стенки ротора до внешней стенки мотор-колеса, влезет ли туда гидравлический калипер безо всяких дополнительных прокладок (создающих проблему раскачки ротора на 6-ти крепёжных болтах и неуклонно уводящих своей толщиной в ненужную сторону другой важный размер)?
Также интересно, есть ли для переднего привода уже готовые спицованные в обода 700С скоростные МК полностью чёрного цвета мотор и обод? Какой диаметр отверстий под спицы у МК Magic Pie-5 и какие спицы и обод применяются в версиях с ободами 700С?
Можно ли использовать батарею не на 48v, а 14S на 52v (58,8v после зарядки) или ещё с более высоким напряжением 15S на 55,5v (63v после зарядки)?




Андрей3

Можно ли использовать тормозные датчики Холла, например от Бафанга, для MP-5 при использовании гидравлических тормозов? Разъемы естественно не подходят, но перепаять провода не проблема. Интересует принципиальная совместимость.
Stels Navigator 670D + BBSHD+14S10P (29A*h) *** Wheeler BUDDY 04 +BBS02+14S5P (17.5 A*h) *** UMF HARDY 4X TEAM +BBS02+14S6P (21 A*h)
GT Timberline'03 +SmartPie5+15S5P (16A*h) *** Wheeler UFO +MagicPie5+15S7P (28A*h) *** Wheeler BUDDY Single +MagicPie5+15S8P (24A*h)***Stern VEGA+MagicPieEdge+15S4P (18A*h)*** CityCOCO GT2 (3кВт 60V 40A*h)

игорь1

Как работает ручка тормоза пе5? Там холл регулирует тормоз плавно?

PlayerOne

может кто подсказать диаметр самого мотора? от магнита до магнита можно или от железа ротора до железа ротора. Еще бы ширину статора, так же ширину и количество магнитов...

alayf78

это 273 типоразмер мотора
Скорость,Дальность,Дизайн,Цена. Выбери только три