Полезная информация


avatar_Denzel Motors

IPMSM двигатель Denzel D100

Автор Denzel Motors, 08 Фев. 2022 в 17:19

« назад - далее »

0 Пользователи и 1 гость просматривают эту тему.

Denzel Motors

IPMSM двигатель Denzel D100






Самый мощный двигатель на сегодняшний день в линейки двигателей Denzel.
Номиальная мощность 5кВт
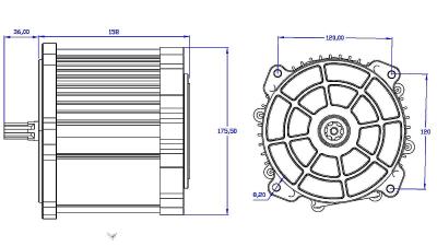
Размер:


Кому нужен 3Д чертеж - скачать можно тут:
https://drive.google.com/file/d/184qHux0LJmQyX17zK49FTZ3fuf8UYwaB/view?usp=sharing

Параметры

Тип двигателя: IPMSM
Напряжние:  72V - 110V номинальная мощность: 5 kw
Пиковая мощность: 15 kw
Максимальный крутящий момент (на валу): 69 Nm!!!!!!
Кол-во слотов: 72!!!
Кол-во полюсов: 8
Диаметр статора: 145 mm
Диаметр ротора: 102.4 mm
Длина ротора (длига магнитов): 60 mm
Сьемная панель холл сенсоров.
Температурный сенсор: KTY84-130
Вес: 9.5 kg

Ротор и расположение магнитов:


Выходной вал:

под стандартную мотозвезду с внутренним диаметром 17 / 14 мм

Data sheet:
Контроллер denzel Orient ECO режим (ограничение батарейного тока 50А, скорость 4000 RPM)


Контроллер denzel Orient SPORT режим (ограничение батарейного тока 100А, скорость 6000 RPM)


Страница сайта:
http://www.denzel.bike/D100.html
Принимаем оплаты в биткоинах

edw123

Цитата: Denzel Motors от 08 Фев. 2022 в 17:19
IPMSM двигатель Denzel D100
Напряжние:  72V - 110V номинальная мощность: 5 kw
Пиковая мощность: 15 kw
Максимальный крутящий момент (на валу): 69 Nm!!!!!!
Какая установившаяся температура при номинальной мощности? При каких оборотах пиковая мощность?

Bobius

А вот это чего такое?  O_O


edw123

Цитата: Bobius от 08 Фев. 2022 в 21:24
А вот это чего такое?  O_O
[img2 thumb=./images
Видимо сброс параметров при окончании нагрузки. Для красоты отрезать бы стоило.

Blik86


Цитата: edw123 от 08 Фев. 2022 в 21:29Видимо сброс параметров при окончании нагрузки. Для красоты отрезать бы стоило.
Это самый смак - ограничение мощности контроллером. А для читабельности график от оборотов строить надо, а не эту абракадабру.

edw123

Цитата: Blik86 от 08 Фев. 2022 в 22:49
А для читабельности график от оборотов строить надо, а не эту абракадабру.
Так там и не от оборотов, а от момента, от нагрузки. Каждый строит что ему больше нравится.

Blik86

Цитата: edw123 от 08 Фев. 2022 в 23:02Каждый строит что ему больше нравится.
Как программа по умолчанию делает, так им и "нравится".

Добавлено 08 Фев. 2022 в 23:29

Цитата: edw123 от 08 Фев. 2022 в 23:02Так там и не от оборотов, а от момента, от нагрузки
И что вы из этого графика увидеть смогли?
На графиках от оборотов видно полку КПД 90+% до 6000. И тот момент где момент 45Нм и почему он падает.

edw123

Цитата: Blik86 от 08 Фев. 2022 в 23:25
Как программа по умолчанию делает, так им и "нравится".

Добавлено 08 Фев. 2022 в 23:29
И что вы из этого графика увидеть смогли?
На графиках от оборотов видно полку КПД 90+% до 6000. И тот момент где момент 45Нм и почему он падает.
Я смог увидеть как меняются параметры от нагрузки. Это понятнее, чем пересчитывать из оборотов.

Denzel Motors

Цитата: Blik86 от 08 Фев. 2022 в 23:25
Как программа по умолчанию делает, так им и "нравится".

Добавлено 08 Фев. 2022 в 23:29
И что вы из этого графика увидеть смогли?
На графиках от оборотов видно полку КПД 90+% до 6000. И тот момент где момент 45Нм и почему он падает.
Вы просто поумничать тут?
Вы ищете двигатель, подбираете и у Вас есть вопросы? Я готов ответить.  Или просто так - вечер свободный?
Принимаем оплаты в биткоинах

on4ip

Раз вы сделали ipm  двигатель можно озвучить параметры ld lq для управления, а ещё лучше зависимость от тока. Сможем поддержать такой двигатель в контроллере из коробки тогда.
В жизни все не так, как на самом деле.

Blik86

Цитата: Denzel Motors от 09 Фев. 2022 в 05:11Я готов ответить.
Сколько стоит контроллер и какой с ним пусковой момент?

on4ip

Цитата: Blik86 от 09 Фев. 2022 в 22:25
Сколько стоит контроллер и какой с ним пусковой момент?
А у контроллера бывает пусковой момент?
В жизни все не так, как на самом деле.

edw123

Цитата: on4ip от 10 Фев. 2022 в 06:06
А у контроллера бывает пусковой момент?
Запросто может стартовый ток ограничивать.

Blik86

Цитата: on4ip от 10 Фев. 2022 в 06:06А у контроллера бывает пусковой момент?
Ну судя по файлам 70Нм мотор выдает при 500А фазного. На сайте цена на контроллеры Orient отсутствует. Максимальный фазный ток комплектных к этому мотору контроллеров Deco не указан, зато есть "Peak current: 275A". Соответственно что же реально будет на выходе ХЗ.

stels

[user]Blik86[/user],
Судя по тишине ничего вы и не услышите вразумительного.
Разве что:
Цитата: Denzel Motors от 09 Фев. 2022 в 05:11Вы просто поумничать тут?
Великие умы обсуждают идеи, обычные — события, а мелкие — других людей.