Как правильно последовательно соединить 2 батареии с БМС?

Автор Demeter, 05 Июль 2012 в 11:03

« назад - далее »

0 Пользователи и 1 гость просматривают эту тему.

kag46

#18
А что бы одновременно параллельно подключенные батареи заряжать, что нужно, если они из одинаковых элементов состоят?
имеется ввиду, что бы один зарядный порт использовать. есть ли нюансы, или можно в параллель?
Варю продаю кашу из Топпера:
magic pie 3 + markII от e4bike, самопальная батарея из lipo пакетов 14-15Ah, пока 13S1P->17S1P, up to tbd км/ч. Смотри восточный базар.

Следи за собой, будь осторожен.

илс

[user]kag46[/user], Особых нюансов нет. Плюсы соединяются на силовом плюсе обеих батарей.
А зарядный минус, коммутируется ключом в БМС. Фактически, это силовой минус, который вы уже соединили ранее.
Основной нюанс, при парарельном объединении - выравнивание потенциала обеих батарей перед соединением.
И... не перепутать полярность, чтобы не получить бабах.  :-)

chek

Особо стараться выравнивать не обязательно, достаточно оба АКБ зарядить
3000 Вт. пик.  48 В 36 А/час LiFePo4 Контроллер Infineon 312, макс скорость - 38 км/час, турбо - 44 км/час, 120% - 55 км/час колесо 16" х 2.5" пробег без педалей 100 км на  скорости 38 км/час, АКБ не сел. Пробег более 14 000 км

Alex_mac

А контроллер то не будет отсекаться по напряжению при срабатывании БМС??
А то еще двиг будет дергать при отсекании- при снижении напряжения.
Там еще токи отсечки надо учитывать. Какой то допилинг чудной.
Поставить все на одну БМС, если конечно батареи идентичные.

димондиман

#22
Цитата: chek от 29 Авг. 2012 в 09:23
Для зарядки батареи разъединять не нужно.

По диодам , поставь диоды ШОТКИ  на напряжение вольт 60 (не меньше ) и ток 30-50 амп. не ошибешься , такие диоды стоят не дорого
диод ставится параллельно АКБ ( плюс диода к плюсу АКБ. , соответственно минус к минусу .
к примеру такие:
http://www.chipdip.ru/product/30cpq060.aspx
минус крайние ноги , плюс- середина.

таких потребуется 2 шт.
крайние ноги можно спараллелить (так как в этом корпусе 2 диода).

А на АКБ 36В 9Ач + 14.4В 4.4Ач, какие диоды шотки поставить?
(Заряжать буду по отдельности)



chek

любые на соответствующий ток и напряжение не менее 60 В
3000 Вт. пик.  48 В 36 А/час LiFePo4 Контроллер Infineon 312, макс скорость - 38 км/час, турбо - 44 км/час, 120% - 55 км/час колесо 16" х 2.5" пробег без педалей 100 км на  скорости 38 км/час, АКБ не сел. Пробег более 14 000 км

Privodchik

Вот за отсутствием альтернативы решил прикупить тихоходное колесико, но для покатуше думаю приспособить литийион со старых аккумов набрав избыточную емкость: большую чем основная батарея.
Основная батарея с БМС литий-полимер на котлетах 12s2p , контроллер 48В (будем дорабатывать и исследовать на предмет возможности работать выше, но здесь вопрос не по нему). БМС тянет до 13s поэтому докупка полимерок влечет траты и на замену БМС, да и надо будет мне скорость не часто, больше по лесу мучать мотор буду.
Так вот надумал добавить 2s6p на литийионках с ноутбука. 6p должны дать запас по емкости, 2s должно поднять скорость до приемлимой по трассе (если будет недостаточно напрягусь в наращивании полимера до 13s)Заряжать буду ионки отдельно имаксомB6китай... После отключения бмс основной батки ехать уже не будет, т.к. мой планируемый тихоходный мотор 48В(, другой рядом найти не могу, а ездить уже пора...
1 Нужны ли мне диоды или и так сойдет?
2  что я не учел?

mr.Dream

[user]Privodchik[/user],  если ёмкость ионок будет больше котлет, то только не забывать заряжать их) если меньше - контролировать разряд. Включать последовательно основной батарее после бмс. Заряжатьь отдельно ведь будете. А ток они смогут в нагрузку отдать?

Privodchik

По отдающему току (КЗ) и провожу отбор(18650 в ноутбуках болеее или менее честные), т.к. по емкости уже бесполезно (сильная разбежка отсюда и постоянная зарядка имаксом), мне вообще это нужно как резервный вариант и больше для эксперимента, поэтому предварительно и интересуюсь в насущной необходимости диодов или других дополнительных элементов защиты. Вариант лишь для пару покатушек в год. Если высокая скорость станет необходимым конечно же займусь наращиванием основной бат-ки.

vovikdn

#27
Вопрос, как подключить параллельно LiFePo4  15А напряжение 43,8вBMS30A и Li-ion 8а напряжение 42В  БМС 20A. Т.к. ватт метр при подключении двух аккумуляторов параллельно показывает при простое что лифер заряжает ли-ион. При езде лифер разряжается намного быстрее, можно сказать что полностью при этом ли ион незначительно. Желательно с схемой подключения (от руки подойдет) т.к. не волоку сильно. Вот купил такой диод сегодня он подойдет?
KraftstOFF, 350w/350w 36B, LiFePo4 15A

илс

#28
[user]vovikdn[/user], соединять аккумы с разной катодной химией, можно, но не нужно.
Не будут они корректно работать, хоть ставь самые распрекрасные диоды.  :-\

felcinger

Из "Обсуждений ЧАВО": https://electrotransport.ru/index.php?msg=848653
Не понятно, куда лучше написать, если что перенесите..

димондиман

#30
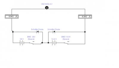
Вопрос как соединить БМС обоих Батарей. Батареи будут заряжаться по отдельности. Шотки пока не ставлю.
Сейчас нарисовал схему но категорически уверен что не вижу всех подводных камней! Что вы об этом думаете?



димондиман


mr.Dream

Если первым сработает отключение 4ес батарейки, то с вероятностю 99% ее ключ расплавится :) так как на него пойдет все напряжение батареи. И если контроллер по падению напряжения не отключится, то ключам бмс придет капут.

димондиман

Цитата: mr.Dream от 13 Авг. 2017 в 20:52
Если первым сработает отключение 4ес батарейки, то с вероятностю 99% ее ключ расплавится :) так как на него пойдет все напряжение батареи. И если контроллер по падению напряжения не отключится, то ключам бмс придет капут.

ну так шотки поставить

mr.Dream

Цитата: димондиман от 13 Авг. 2017 в 20:56
ну так шотки поставить
Проще вообще перемычку :) но и в этом, и в случае с дидом, вы не узнаете о переразряде, потому как ключ будет зашунтирован, и убьете батарейку. По этому не поскупитесь на бмс на нужное количество.
А диод вы в каком месте собираетесь ставить? если параллельно ключам, то в одной полярности в самих ключах уже есть диод, а в другой - ключ перестанет размыкать цепь.

димондиман

Цитата: mr.Dream от 13 Авг. 2017 в 21:02
Цитата: димондиман от 13 Авг. 2017 в 20:56
ну так шотки поставить
Проще вообще перемычку :) но и в этом, и в случае с дидом, вы не узнаете о переразряде, потому как ключ будет зашунтирован, и убьете батарейку. По этому не поскупитесь на бмс на нужное количество.
А диод вы в каком месте собираетесь ставить? если параллельно ключам, то в одной полярности в самих ключах уже есть диод, а в другой - ключ перестанет размыкать цепь.

Я сам видимо не справлюсь с нарисовавшем нужной схемы того чего я задумал.