Li-Force проект всесезонной танкетки - Страница 15
 
avatar_DED

проект всесезонной танкетки

Автор DED, 25 Июнь 2013 в 13:35

« назад - далее »

0 Пользователи и 1 гость просматривают эту тему.

SMILE1

Цитата: DED от 21 Янв. 2016 в 15:16
Реверс нужен однозначно, проверено! На каждой гусе в отдельности. И газ тоже.
Иначе маневренность хреновая. Особенно в рыхлом снегу.
Да и как без заднего хода???
Маневренность в любом случае намного лучше чем у других систем управления т.к. радиус поворота равен ширине машины. Но вот управление у машин с бортовым поворотом самая плохая т.к. мозг пилота планирует поворачивать по дуге, а машина умеет ехать только прямо. В результате поворот состоит из серии коротких остановок и маленьких поворотах на месте.
Это приводит что пилот просто не состоянии контролировать каждый из этих мелких доворотов и как следствие хуже попадает в нужную траекторию.
Реверс при этом только усложняет ситуацию, потому что смена угла еще больше ускоряется, а вестибулярный аппарат продолжает говорить мозгу что поворот даже не начинался.
Нужно или нет, решать вам конечно, но намного проще подогнать технику под пилота, чем натренировать пилота под требования техники.
Non credo quia absurdum

Piramidon

Реверс при  поворотах трогать совсем не нужно, он нужен, если только разворачиваться на одном месте не вокруг гусеницы, а вокруг центра танкетки, ну и для заднего хода, соответственно. Специально для ребят, которые утверждали, что на моей бензиновой танкетке управляемость никакая, снял небольшой ролик, на котором хорошо видно, что управление оборотами моторов вполне адекватное

pchelomor

[user]SMILE1[/user], прав. Что будет если на полном газу дернуть рычаг назад? Можно и за борт вылететь.
Скажите, а что у Вас происходит с отстающей стороной? Если просто перестаете подавать ШИМ, то управляемость действительно может быть плохой. Её нужно ШИМить тормозом, например через Н-мост. Вот или другой похожий вариант.
Мой проект https://electrotransport.ru/index.php?topic=22864.0
Чертежи бесплатно. Информация в шапке.

DED

#255
Так у меня даже в самых первых версиях уже использовался ШИМ раздельно для каждой из гусениц, и их раздельный реверс.
Поворачивать можно с любым радиусом за счет плавно управляемой разности скоростей сторон.
Я же чуть ранее подробно описал возникшие трудности.
Хилость контроллера при даже небольших перегрузках, и отсутствие в нем электронного реверса.

Сейчас и занят разработкой новой версии мостового контроллера, и ручек управления. МОСФЕТы ставлю на суммарные предельные токи около 200А, токовую защиту ставлю на 50-60А с задержкой сработки и звуковой индикацией, и всяко разно еще по мелочам под свои нужды.
Пока недоделанная схемка выглядит так:







pchelomor

Я имел в виду ШИМ тормоз
Мой проект https://electrotransport.ru/index.php?topic=22864.0
Чертежи бесплатно. Информация в шапке.

DED

Цитата: Piramidon от 21 Янв. 2016 в 17:04
Специально для ребят, которые утверждали, что на моей бензиновой танкетке управляемость никакая


На танкетках с управляемостью все нормально. Маневренность по определению гораздо лучше любого колесного варианта.
Про проходимость вообще говорить не стоит. Для офроуд покатушек по кустам и зимним сугробам идеальный вариант.
Однако, весьма существенный и неизбежный недостаток - нельзя ездить летом по красивым парковым газонам. Только по дорожкам.
При маневрировании вырывает газонную траву вместе с землей.
Да и для серьезного взрослого применения слишком малый запас хода. Тут лучше мотособак, или ДВС "Маугли" ничего не придумать.

И второй наиболее важный недостаток электро версии танкетки - цена.
Пара моторов не менее 800Вт, хорошие гуси, аккумуляторы, механика, электрика - на круг в районе полтинника тыр выходит.
Это только для фанатов и гиков.  ( :ah: )
Так что " электро танкеточная" тема обречена на массовую непопулярность.

Тем не менее, я ее бросать не собираюсь, и буду выкладывать все практически наработанные результаты и схемы.
Кстати, схема контроллера вполне сможет пригодиться и для колесных машинок мощностью от десятков Вт до единиц кВт. 

Piramidon

[user]DED[/user],  я, вроде, выше писал, что в Королеве, Виталик,  занимается разработкой, изготовлением опытных образцов и сертификацией гусеничных инвалидных колясок. У него уже решены все вопросы с контроллером, электромоторами и управлением джойстиком, да он, наверное и сам где то здесь шифруется.

DED

Дык, я с самого начала всех приглашал в тему.
Видимо, коммерческие наработки не позволяют делиться.
Тем более в инвалидной технике свои специфические ограничения. Там скорости и виражи не требуются.

DED

По мере проработки схемы управления гусями приходят все новые и новые хотелки.
Например,  с просто зуммерной или световой сигнализацией уже становится не очень удобно следить за возможными нештатными ситуациями. Куда, как удобней речевой информатор.
В каждом случае (устройстве) набор речевых сообщений может быть различным.
Для своего варианта танкетки я пока выбрал такой перечень:
1. превышение допустимого тока;
2. превышение температуры;
3. включена ручная блокировка;
4. включена блокировка по радиоканалу;
5. пониженное напряжение питания;
6. аварийное напряжение питания;
7. включена блокировка по питанию.

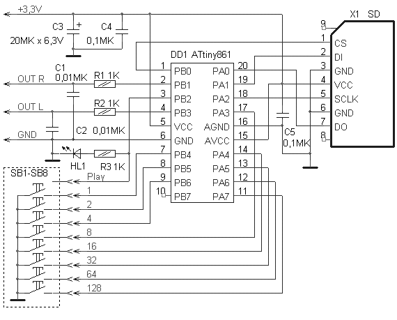
Схема речевого информатора известная и многократно повторенная многими.


Подробно описана тут  http://rfanat.ru/s22/muz-pr_ATtiny861.html
Речевые сообщения заранее записываются на микро СД на любом пишущем аудио плеере.

FUNTICK

[user]DED[/user],
По схеме:
1) Какой диапазон регулирования ШИМ? Как при 100% ШИМ будут питаться верхние драйверы?
2) Номиналы пассива "от балды" поставили и схема не закончена?
3) Зачем параллельно ключам "выпрямительные" медленные диоды?
Это Вы сами "с нуля" разрабатываете?

DED

[user]FUNTICK[/user], спасибо, что подключились! А то мне ранее не приходилось мостовые схемы с МОСФЕТами окучивать.
Схему делаю с нуля, руководствуясь даташитами. Пока только сделал джойстики на тензо датчиках. Остальное надо подгонять.

1. Диапазон ШИМ определяется  TL494. Питание верхних ключей моста обеспечивается штатным режимом HIP4082. Она специально под это заточена. Выдает на затворы токи до 2,5А, поэтому пришлось ставить ее питание 12В 3А.
2. Схема не закончена в части "бижутерии", силовая часть нарисована начисто. А что не так с обвязкой?
3. С диодами параллельно ключам у самого есть вопросы: нужны ли там быстрые и мощные диоды?
Кстати, хочу работать с ШИМ 50-100Гц. Писк меня не волнует никак. Даже наоборот, создает для внука некоторый "шарм" электромашины.

FUNTICK

#263
[user]DED[/user], Я, конечно, дико извиняюсь (с), но у Вас там полный бардак!
1) Это не ответ на вопрос, сама TL494 обеспечивает макс DUTY CYCLE -45%, но диапазон должны задать ВЫ, это значит, что 5 процентов мощности на максимуме вы теряете и нажать "тапку в пол" не получится - на мотор будет поступать неполное напряжение питания. Еще один минус - транзисторы всегда переключаются, а это дополнительные потери и снижение КПД.
2) Много чего не так: защита по току медленная как черепаха, если произойдет КЗ или кратковременная значительная перегрузка, ваши транзисторы спекутся. При превышении тока при такой реализации, у Вас начнёт выть движок, из-за "отрицательной" обратной связи через вывод DIS. Такой режим называется HICCUP и его нужно избегать. Вам нужно с шунта снять сигнал и в аналоговом виде подать на вход усилителя ошибки TL494. Тогда будет плавное ограничение.
3) Никогда не работал с такой частотой ШИМ, но подозреваю, что ваша механика пойдет в разнос и гудеть будет очень сильно. Примерно как насос "Малыш", лежащий на суше  :laugh:
Диоды параллельно ключам вообще не нужны, тем более такие. В BUCK регуляторе диод шоттки у Вас на пределе по напряжению.

Serj

Написал в личку..
много чего надо переделать

DED

Большое спасибо уважаемым [user]FUNTICK[/user] и [user]Serj[/user], за конструктивные замечания!
Увы, в первоначальном виде силовая часть схемы пойдет на помойку. :ah:
Хотел по-быстрому все набросать, но не учел множество специфических "мелочей". Буду переделывать.
Хорошо еще, что всего лишь на бумаге.

Serj

TL 494 в данном приложении может дать  97% , судя по даташиту. Это хорошее свойство, но надо придумать как сделать так чтобы ШИМились только верхние ключи.

DED

#267
Так вроде HIP4082 и так может это делать. Выбором входных управляющих сигналов.

Только по даташиту вроде TL494 только до 96% (а не 97) от максимума может открывать ШИМ.

Решил в качестве токоизмерительного истокового резистора заюзать готовый измерительный шунт 2,5мОма на 30А. При падении 75мВ при токе 30А это всего лишь 2Вт мощности.

Serj

В 1 % разница не велика.. :)
Может производители даташитов разные..
микросхема популярная, копируют все кому не лень..

Вроде,это родной техас  http://www.ti.com/lit/ds/symlink/tl494.pdf
на 12-й странице говорит

9.3.5
Pulse-Width Modulation (PWM)


The output pulse width varies from 97% of the period to 0 as the voltage present at the error amplifier output
varies from 0.5 V to 3.5 V, respectively.


DED

Согласен, не принципиальное расхождение.

Зато спарка TL494 и HIP4082, и при них всего четыре МОСФЕТа позволяют сделать тот самый дешевый "народный" контроллер с реверсом для любого коллекторника от 12 до 60В и мощностью до 1кВт. Вполне достаточно для любых простых самоделок.
И главное - с себестоимостью в пределах 1тыр.