Li-Force электрические схемы детских электромобилей - Страница 4
 

электрические схемы детских электромобилей

Автор ТОХА33rus, 17 Март 2014 в 18:41

« назад - далее »

0 Пользователи и 1 гость просматривают эту тему.

pchelomor

[user]serz55[/user], последовательное соединение складывает напряжение оставляя емкость на месте. Параллельное, наоборот, оставляет напряжение, складывая емкость. Если вас не устраивает время катания нужно докупить такую же 6В батарею и воткнуть её параллельно первой
Мой проект https://electrotransport.ru/index.php?topic=22864.0
Чертежи бесплатно. Информация в шапке.

serz55

Цитата: pchelomor от 08 Март 2016 в 22:12
[user]serz55[/user], последовательное соединение складывает напряжение оставляя емкость на месте. Параллельное, наоборот, оставляет напряжение, складывая емкость. Если вас не устраивает время катания нужно докупить такую же 6В батарею и воткнуть её параллельно первой
ну эт понятно! хочу сделать три таких батареи! просто есть новые бесплатно! тут вопрос если я поставлю две новые а одну оставлю ту что была с машинкой как это скажется на новых батареях?

Александр CRV

[user]serz55[/user], стоит ли так сильно переживать о батарейке ценой в 250-300 рублей? Дети быстро растут и на 2-3 года их хватит если не разряжать часто в ноль. Батарея в китайских машинках не самое слабое звено. Скорее сломается пластиковый редуктор и выкинете его.

Дмитрий_ЕКБ

Цитата: serz55 от 09 Март 2016 в 19:33
хочу сделать три таких батареи! просто есть новые бесплатно! тут вопрос если я поставлю две новые а одну оставлю ту что была с машинкой как это скажется на новых батареях?
[/quote]
разные батареи не следует ставить параллельно, из-за разницы в емкости они будут высасывать друг друга. И родным зарядником вы не сможете зарядить этот блок батарей

serz55

Цитата: Дмитрий_ЕКБ от 09 Март 2016 в 20:13
разные батареи не следует ставить параллельно, из-за разницы в емкости они будут высасывать друг друга. И родным зарядником вы не сможете зарядить этот блок батарей

производитель разный а емкость 4.5ah  у всех.зарядник уже ищю чтоб мог 12ah заряжать.

Цитата: Александр CRV от 09 Март 2016 в 19:53
[user]serz55[/user], стоит ли так сильно переживать о батарейке ценой в 250-300 рублей? Дети быстро растут и на 2-3 года их хватит если не разряжать часто в ноль. Батарея в китайских машинках не самое слабое звено. Скорее сломается пластиковый редуктор и выкинете его.
у нас такие стоят 950 в ДНС ! так что тож деньги! ну вот с редуктором это да но я так понимаю можно будет поставить на 12в из шуроповерта! ну или бум искать 6в !

Александр CRV

#59
у нас такие стоят 950 в ДНС ! так что тож деньги! ну вот с редуктором это да но я так понимаю можно будет поставить на 12в из шуроповерта! ну или бум искать 6в !
[/quote]

Это грабеж какой то  :kidding:
Вот магазин возле моего дома.
http://csb72.ru/231-Akkumulyatory
и это еще подорожало я до нового года брал свинец дешевле на 15-20%.
А редукторы с моторчиками тоже продаются только их подобрать труднее чем аккумулятор.
http://electromobili.su/reduktori-i-motori-dlya-detckix-ielektromobilei/

serz55

ну РОСТОВСКАЯ обл одна из самых дорогих хотя зарплаты ............................  так подскажите а где или что именно ломается в редукторе! если можно то подробней!  что можно придумать недорогое на колеса чтоб меньше трясло? и есть ли вариант установить плавный запуск на 6 вольт?

Дмитрий_ЕКБ

Цитата: serz55 от 10 Март 2016 в 19:44
а где или что именно ломается в редукторе! если можно то подробней!  что можно придумать недорогое на колеса чтоб меньше трясло? и есть ли вариант установить плавный запуск на 6 вольт?
плавный пуск https://electrotransport.ru/index.php?topic=22646.0
шестерни ломаются чаще всего

максим 1978

помогите найти схему для этого авто

adig05

[user]максим 1978[/user],  брат, нет схем для подобной техники. не рассчитана она на ремонт. Но! если что-то надо отремонтировать или заменить/изменить - любой электрик разберется или телемастер. и схему за 5 минут нарисуют, но нужна ли она?

Дмитрий_ЕКБ

#64
Цитата: максим 1978 от 12 Март 2016 в 20:47
помогите найти схему для этого авто
если ремонтировать, то надо разбираться с проводкой и схемой. А если проводить модернизацию, то всю проводку лучше сделать по новой. Схемы этих машин примерно одинаковы, отличаются платой управления и коммутацией. Ваша машина 6 вольтовая с приводом на одно колесо.

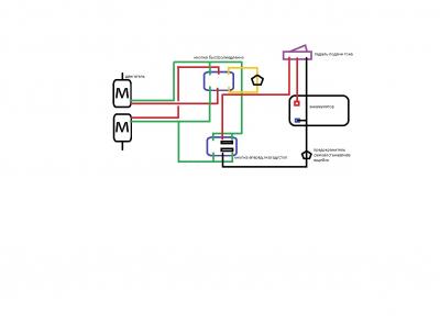
ДядяЖеня

Доброго дня! Заглючил детский китайский электромобильчик. Перерисовал схему, но прежде вроде как напутал с контактами кнопки вперёд / назад. Поправьте схему - кто разбирается. Я уже мозг сломал  :facepalm:, а авто, то едет назад и больше ни куда, то еле ползёт вперёд, а назад и быстро не едет. Прошу помощи!


Дмитрий_ЕКБ

с первого взгляда вижу что реверс неправильно собран, зеленые провода должны быть крест на крест для смены полярности

pchelomor

[user]ДядяЖеня[/user],  быстрая и медленная скорость у Вас скорее всего за счет параллельно-последовательного соединения моторов.  Подойдет моя схема. Ссылку на неё можете найти в первом сообщении моей темы. Вам будет интересна правая часть. Что идет после контроллера.
Мой проект https://electrotransport.ru/index.php?topic=22864.0
Чертежи бесплатно. Информация в шапке.

ZaNuDa01

Добрый день. Подскажите пожалуйста кто, что знает. Друг отдал старый детский электромобиль. Питается от 6в аккумулятора. Еле-еле волочит колеса от этого аккумулятора. Решил сделать немного помощнее и поставил аккумулятор на 12в. Некоторое время ездил, потом перестал. Разобрал, на плате нашел неисправность - сгорел транзистор SS8050, который как я посмотрел в даташите рассчитан на 1,5А. решил заменить его на более мощный. В магазине нашел другой транзистор на 5А (2SD965) в таком же корпусе ТО-92. Заменил, при первичном включении он задымился и лопнул. Как я понимаю - тоже не подходит для питания от 12В. Подскажите, что сделать чтоб на 12В перевести? Поставил 6В аккумулятор и новый транзистор 2SD965, колеса крутятся, но еле-еле и под нагрузкой машина не едет. Заранее благодярю ,если найдется энтузиаст, который подскажет решение.

если нужно фото машины, редуктора, микросхемы и тд сделаю

Дмитрий_ЕКБ

выкинуть плату, поставть плавный пуск согласно схеме, ну и редуктор с двигателем на 12 вольт

ZaNuDa01

Цитата: Дмитрий_ЕКБ от 29 Апр. 2016 в 21:15
выкинуть плату, поставть плавный пуск согласно схеме, ну и редуктор с двигателем на 12 вольт



Регулятор пуска вентилятора повышенной мощности РПВ-2 для автомобилей LADA подойдет как вариант плавного хода электродвижка?
а двигатель на 12В есть от шуруповерта, где то читал что он подойдет для электромобиля.
и уточни пожалуйста, что за модуль на твоей картинке нарисован.
и да, БОЛЬШОЕ СПАСИБО  :wow:

Дмитрий_ЕКБ

#71
блок вот этот https://electrotransport.ru/index.php?topic=22646.0
РПВ-2 имеет большое время разгона,порядка 3 секунд, т.к создавался для запуска вентилятора радиатора. Для электромобиля это не подойдёт - ребенок будет недоволен.
можно и от шуруповерта использовать мотор....удачных пример достаточно