avatar_peat

E-TWOW S2 разбираем, собираем, затягиваем болты , делаем апгрейд.

Автор peat, 29 Авг. 2014 в 20:59

« назад - далее »

0 Пользователи и 1 гость просматривают эту тему.

Scooters2

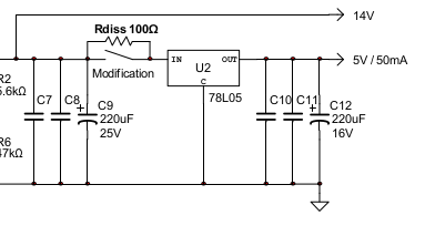
Там на плате наверняка организован фильтр для питания холлов и подрубаться до него с учетом длинного провода и помех не есть корректно.

Scooters2

Итог: если брать напряжение до диода, то при подключении холлов проседания напряжения не происходит и на них тоже 5.02V.
Питание холлов теперь полностью соответствует заводскому, GPS показал нужную скорость. На этом, думаю, можно ставить точку в этом вопросе.

tpc

Цитата: Scooters2 от 14 Март 2015 в 11:12
Там на плате наверняка организован фильтр для питания холлов и подрубаться до него с учетом длинного провода и помех не есть корректно.

Scooters2

#1119
На 200-м км реального пробега(это конец прошлого сезона и 3й день в этом) рассыпалась очередная втулка механизма амортизации. Она тоже была плохо запрессована в гнездо и плюс резьба большого винта и ударные нагрузки. Я знал, что ей должен наступить конец, здесь уже жаловались, что резьба её стирает и крошит, а запрессована она слабо и толщина её стенок 1мм. Еще она тоже с избытком графита в металле.

Это она с нулевым пробегом уже была такой:


lobster

Друзья, кто проводил замену заднего стокового колеса на пневмо, поделитесь опытом, какие колеса ставили, где покупали, общие ощущения от поездки по разными типам поверхностей, какие потери в скорости?

Из того, что нашел на форуме
1. Колесо от micro flex air
https://electrotransport.ru/index.php?topic=23628.msg528969;topicseen#msg528969

Нашел один вариант за 2200 руб.

2. Колесо от A-bike City
https://electrotransport.ru/index.php?topic=23628.msg527747;topicseen#msg527747
где-то вообще его можно купить?

Из того, что можно заказать из Азии
~40$
http://www.passiongadgets.com/pneumatic-tyre-for-passion-e2-etwow-s2-zoom-air-2.html


http://www.passiongadgets.com/silver-pneumatic-tire-tyre-for-passion-e2-etwow-s2-zoomair-2.html


на тао не нашел (

Буду рад вашим советам, спасибо!

Scooters2

#1121
[user]lobster[/user], A-bike City.

tpc

#1122
Цитата: Scooters2 от 14 Март 2015 в 14:51
На 200-м км реального пробега(это конец прошлого сезона и 3й день в этом) рассыпалась очередная втулка механизма амортизации. Она тоже была плохо запрессована в гнездо и плюс резьба большого винта и ударные нагрузки. Я знал, что ей должен наступить конец, здесь уже жаловались, что резьба её стирает и крошит, а запрессована она слабо и толщина её стенок 1мм. Еще она тоже с избытком графита в металле.
И что планируете делать ? Чем заменять будете ?


Добавлено 14 Мар 2015 в 18:39:31

Цитата: Scooters2 от 14 Март 2015 в 16:12
Кстати, у меня теперь акб 10s и надо бы тоже прикупить это колесо, но как быть с камерами при проколах, где их покупать? Заклеивать не хочется.
А почему не заклеивать ? Если клей и заплатки хорошие, то делать это быстро и одно удовольствие.
Да и работает надёжно. У меня на велокамерах бывало по десятку проколов пока не поменяю.
Рекомендую клей и самовулканизирующиеся заплатки Rema Tip-Top.

Кстати, они бывают не только для велосипедов, а бывают для камер мотоциклов, бывают для покрышек и т.п.
Клей бывает и мелких тюбиках 1гр, 2 гр и в больших 50 гр.

А вообще, я давно на безкамерку перешёл, очень удобно. Думаю и для самоката это возможно. Очень удобно,
так как не нужно возиться с ремонтом камеры, прокол просто не замечаешь, да и колесо меньше весит.

Scooters2

#1123
Цитата: tpc от 14 Март 2015 в 18:34
Цитата: Scooters2 от 14 Март 2015 в 14:51
На 200-м км реального пробега(это конец прошлого сезона и 3й день в этом) рассыпалась очередная втулка механизма амортизации. Она тоже была плохо запрессована в гнездо и плюс резьба большого винта и ударные нагрузки. Я знал, что ей должен наступить конец, здесь уже жаловались, что резьба её стирает и крошит, а запрессована она слабо и толщина её стенок 1мм. Еще она тоже с избытком графита в металле.
И что планируете делать ? Чем заменять будете ?
...
А вообще, я давно на безкамерку перешёл, очень удобно. Думаю и для самоката это возможно. Очень удобно,
так как не нужно возиться с ремонтом камеры, прокол просто не замечаешь, да и колесо меньше весит.

Собрал кусочки этой втулки и положил в гнездо ;-D, только не смейтесь сильно. А вообще я либо вновь закажу пару втулок, уже третью пару, либо за счет того, что в узле почти нет движений деталей, только ударные нагрузки, то уменьшу гнездо, благо втулка эта в глубь уходила лишь частично и я могу металлополимером залить и придать форму винтом. Если будет раздалбывать поксипол, тогда втулку закажу.

Наслышан про безкамерки, вот бы сделать из A-bike колеса такую. Нужно будет поинтересоваться и почитать на эту тему.
Посмотрел я видео в соседней теме про самокаты, там у самоката на ходу колесо рвануло, капец сразу заваливается самокат! Самокат ехать не может дальше, замена в полевых условиях - АД!

Чтобы не быть голословным, всего примерно 10-15 км/ч и так опасно:
Пробил колесо
Надеюсь [user]18f46k20[/user] не против, что его видео использую. Здесь же видно как трудно менять покрышку и как трудно докатить самокат до дома/работы и т.д. А у нас будет накачано до 5 атм.

lobster

Цитата: Scooters2 от 14 Март 2015 в 16:12
[user]lobster[/user], Лучше этого(A-bike City) с тао у вас ничего не получится, быстро, просто, удобно и с минимальными потерями ходовых качеств. micro flex air хуже и дороже.
http://item.taobao.com/item.htm?spm=a1z10.1-c.w4004-5613646224.39.ZrcUDC&id=37223734489

Спасибо за ссылку, пожалуй закажу. А пневмо моторколесо на сабж бывает? Хочу понять на сколько профит будет если заменить только заднее, а переднее оставить текущее. К примеру пробовал в дождь ехать на стоковых колесах, не вариант, постоянно соскальзывает и теряется равновесие, не говоря уже про зубодробительную езду по плитке.

Scooters2

Цитата: lobster от 14 Март 2015 в 20:31
Цитата: Scooters2 от 14 Март 2015 в 16:12
[user]lobster[/user], Лучше этого(A-bike City) с тао у вас ничего не получится, быстро, просто, удобно и с минимальными потерями ходовых качеств. micro flex air хуже и дороже.
http://item.taobao.com/item.htm?spm=a1z10.1-c.w4004-5613646224.39.ZrcUDC&id=37223734489

Спасибо за ссылку, пожалуй закажу. А пневмо моторколесо на сабж бывает? Хочу понять на сколько профит будет если заменить только заднее, а переднее оставить текущее. К примеру пробовал в дождь ехать на стоковых колесах, не вариант, постоянно соскальзывает и теряется равновесие, не говоря уже про зубодробительную езду по плитке.

Нет. МК устроено особым образом, просто так покрышку и камеру не натянешь. Там литая резина зажата зубцами силуминовых крышек и ими же центрируется и эта же резина изолирует от влаги/пыли.
Замена заднего колеса более чем достаточная мера. Переднее колесо итак мягче заднего, и там иной амортизатор. Про плитку соглашусь с вами полностью, насчет езды по мокрой поверхности, на асфальте разницы не заметил, на мраморе и подобных ровных поверхностях да, соскальзывает, но лишь на поворотах. В дождь нужно аккуратно поворачивать.

tpc

Цитата: Scooters2 от 14 Март 2015 в 19:02
Посмотрел я видео в соседней теме про самокаты, там у самоката на ходу колесо рвануло, капец сразу заваливается самокат! Самокат ехать не может дальше, замена в полевых условиях - АД!
Не, неграмотно поменял  :-D Вынул камеру, воткнул другую. Всё соберёт, поедет, через 100 метров опять.
Потом окажется, что там стекло или тонкая стальная проволчка в покрышку воткнулась.
Нужно очень тщательно проверить покрышку изнутри. Кстати, удобно, например провести куском ваты.
Если что-то из покрышки торчит, то она обязательно за это зацепится и покажет место.


Добавлено 14 Март 2015 в 22:28

Цитата: lobster от 14 Март 2015 в 20:31
Спасибо за ссылку, пожалуй закажу. А пневмо моторколесо на сабж бывает? Хочу понять на сколько профит будет если заменить только заднее, а переднее оставить текущее. К примеру пробовал в дождь ехать на стоковых колесах, не вариант, постоянно соскальзывает и теряется равновесие, не говоря уже про зубодробительную езду по плитке.
Ну, если осилите почитать эту тему и тему про предыдущую версию, то там писали про это.
Будет заметно комфортнее, но упадёт пробег. Заметно упадёт. Чтобы не падал, народ качает
колесо аж до 5 атмосфер. Но тогда всё равно на плитке зубодробильно. И страшно, что колесо рванёт.

Scooters2

Цитата: tpc от 14 Март 2015 в 22:25
Цитата: Scooters2 от 14 Март 2015 в 19:02
Посмотрел я видео в соседней теме про самокаты, там у самоката на ходу колесо рвануло, капец сразу заваливается самокат! Самокат ехать не может дальше, замена в полевых условиях - АД!
Не, неграмотно поменял  :-D Вынул камеру, воткнул другую. Всё соберёт, поедет, через 100 метров опять.
Потом окажется, что там стекло или тонкая стальная проволчка в покрышку воткнулась.
Нужно очень тщательно проверить покрышку изнутри. Кстати, удобно, например провести куском ваты.
Если что-то из покрышки торчит, то она обязательно за это зацепится и покажет место.

Меня волнует в пневмо то, что кроме самого прокола, с точки зрения аварийности и травмоопасности, по дороге, к примеру, на работу я в любом случае попадаю конкретно по времени с заменами и ремонтами. А вот про безкамерку мне еще несколько лет назад кто-то рассказывал. Если бы такое было 200 мм с нужной шириной, тут бы все переобулись давно уже.

tpc

Цитата: Scooters2 от 14 Март 2015 в 22:39
А вот про безкамерку мне еще несколько лет назад кто-то рассказывал. Если бы такое было 200 мм с нужной шириной, тут бы все переобулись давно уже.
Гы, тут основная фишка в том, что не надо переобуваться. Резину используешь какая есть, просто заливаешь герметик.
Ну у велосипеда обод ещё дырявый, там надо ленту резиновую на обод. Очень удобно. Я как-то колесо проколол,
оттуда бёт струя и тут же колесо самозаделывается. Гвозди втыкать можно  :-D

Scooters2

#1129
Цитата: tpc от 15 Март 2015 в 00:36
Цитата: Scooters2 от 14 Март 2015 в 22:39
А вот про безкамерку мне еще несколько лет назад кто-то рассказывал. Если бы такое было 200 мм с нужной шириной, тут бы все переобулись давно уже.
Гы, тут основная фишка в том, что не надо переобуваться. Резину используешь какая есть, просто заливаешь герметик.
Ну у велосипеда обод ещё дырявый, там надо ленту резиновую на обод. Очень удобно. Я как-то колесо проколол,
оттуда бёт струя и тут же колесо самозаделывается. Гвозди втыкать можно  :-D

Знаю такое, даже рекламу на эту тему видел, но это не безкамерная шина, а шина с камерой и герметиком. Раз бьет воздух при проколе, значит нужно будет накачивать чем-то. С нашим давлением и размерами это недопустимо, а под рукой насоса не будет.
Я представлял себе безкамерку так:
"При проколе бескамерной шины небольшим предметом этот предмет растягивает воздухонепроницаемый внутренний слой резины бескамерной шины и обволакивается ею. При этом воздух из бескамерной шины выходит очень медленно, в отличие от камерной, в которой камера находится в растянутом состоянии, и, следовательно, любое ее повреждение вызывает увеличение образовавшегося отверстия. Поэтому бескамерные шины более безопасны."


нету герметика и камеры.

"Не рекомендуется устанавливать в бескамерные шины камеры, поскольку при накачивании камеры между шиной и камерой могут образоваться воздушные подушки, которые будут мешать отводу тепла и приведут к местному перегреву шины. К недостаткам бескамерных шин следует отнести большую сложность ремонта в пути в случае сильных повреждений, а также необходимость в высокой чистоте и гладкости закраины обода для обеспечения герметичности."

tpc

#1130
Цитата: Scooters2 от 15 Март 2015 в 01:00
Знаю такое, даже рекламу на эту тему видел, но это не безкамерная шина, а шина с камерой и герметиком. Раз бьет воздух при проколе, значит нужно будет накачивать чем-то.
Ну это если напильник словишь в колесо или гвоздь двухсоточку. А так, если просто стекло или волосок стальной от снегоуборочной машины, то такое просто не заметишь.
Туда попадает капля герметика и тут же застывает. Воздуха много не выйдет. И безкамерка велосипедная и автомобильная это "две большие разницы"  ;-)
Кстати, велосипедная бывает двух видов: UST - это настоящая, примерно как вы описывали и бывает на основе герметика. UST хуже тем, что нужно специальные обода,
специальную резину и она тяжёлая. Для варианта с герметиком подходят практически любые покрышки и обода. Принцип в том, что тонкий слой геметика обволакивает
покрышку изнутри герметизируя поры, через которые уходит воздух и стык между ободом и покрышкой. Часть герметика при этом остаётся внутри жидкой и при проколе
выходит наружу заделывая отверстие.

Scooters2

Цитата: Slider от 14 Янв. 2015 в 10:31
Цитата: PeaceHaver от 13 Янв. 2015 в 16:31
Стоп, а А-байк, это случаем не тот треугольный складной недовел?
И как эти колеса сцепление имеют по сравнению со штатным?
Ну да, это типа стриды складной вел...
Сцепление на порядок лучше, учитывая что там нормальная резина стоит, во всяком случае если сравнивать задним колесом S1 (там вообще пластик был). Вообще у меня появилась идея попробовать надеть на родное заднее колесо резиновую покрышку, кажется должна сохраниться приемлимая жесткость, а сцепление должно значительно возрасти...

Попробовали покрышку на колесо? Расскажите по прошествии времени, как колесо от A-bike City, на сколько стерся рисунок протектора покрышки, были ли проколы, на сколько атм. накачиваете? Насколько накачанное колесо A-bike больше родного от S2? У меня просто крыло поближе к колесу, чем на оригинале.

Slider

Я на свой S1 ставил колесо от A-bike. Колесо по размерам совпадает с оригинальным. Максималка упала на 2 км/ч, но комфорт возрос значительно, особенно на плитке и льду. Катал около месяца, никаких проблем нет, камера держит хорошо, проколов нет и стирания протектора не заметно, хотя там его почти нет. Так что доволен.
Eltreco TT - компактность и комфорт. 70 в + MaxController + МАС 6Т = 55 км/ч. Электросамокат Е-Twow S2 Booster plus.

Slider

Можно и в таком виде брать. В качестве оси нормально подходит крепежный болт M8x65. Подшипники на подшипник.ру можно заказать, внешний диаметр 22 мм.
Eltreco TT - компактность и комфорт. 70 в + MaxController + МАС 6Т = 55 км/ч. Электросамокат Е-Twow S2 Booster plus.