Полезная информация


avatar_Abos

Трехфазный синхронный двигатель с параметрами сериесного ДПТ.

Автор Abos, 17 Фев. 2015 в 14:51

« назад - далее »

0 Пользователи и 1 гость просматривают эту тему.

Abos

Цитата: TRO от 20 Фев. 2015 в 15:37
[user]Abos[/user], Вы сами ответили на то что спросили.

Мне же просто интересно, человек просто заблуждается, или имеет что то другое ввиду.

TRO, я не совсем понял последнюю фразу. Это адресовано DIVAS(у) или мне?
Если я в чем-то не прав, Ваши аргументы, пжалста.

Abos

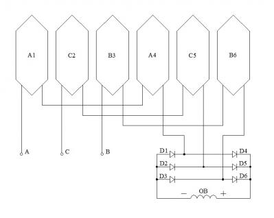
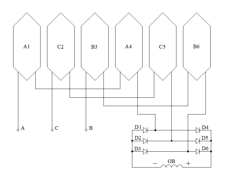
Загружаю картиночки высокоскоростного бесконтактного двигателя с последовательным соединением обмоток якоря и возбуждения.





Добавлено 21 Фев 2015 в 02:27:54

Этот двигатель по параметрам соответствует ДПТ с последовательным возбуждением с 4-мя главными полюсами возбуждения.

Abos

Плюсом еще является то, что ротор практически не нужно балансировать, так как на нем нет обмоток - что особенно важно для высокоскоростных электродвигателей.

NUBITO

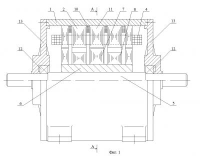
Судя по рисунку, ротор разделён на 3 части и на каждой части по 2 полюса. Почему 2? Почему не 4? Вы же в моменте теряете. А так вообще похож на ВРД с подмагничиванием ротора, он же БЛДЦ :-D

бурелом

уважаемый Abos не могли бы вы нарисовать направление магнитных по потоков, как постоянных, так и переменных на вашей схеме.

Abos

Цитата: NUBITO от 21 Фев. 2015 в 16:46
Судя по рисунку, ротор разделён на 3 части и на каждой части по 2 полюса. Почему 2? Почему не 4? Вы же в моменте теряете. А так вообще похож на ВРД с подмагничиванием ротора, он же БЛДЦ :-D
Вообще-то ротор разделен на 4 части. Вы не учли 2 крайних пакета, которые создают 4-ю часть (по вашему).
Если Вы имеете в виду вентильное подмагничивание по ссылочке http://www.dissercat.com/content/elektromekhanicheskie-preobrazovateli-energii-s-modulirovannym-magnitnym-potokom, то могу Вам сообщить, что с Шевченко А.Ф. я работал 1,5 года, начиная с ноября 1990 года. Он, собственно говоря, научил меня азам технологии изготовления вентильных электрических машин (штамповка листов железа, обмоточные работы, намагничивание и клейка постоянных магнитов, сборка двигателей, испытания) и немножечко теории. Благодарен ему за это.

Abos

Цитата: бурелом от 21 Фев. 2015 в 23:01
уважаемый Abos не могли бы вы нарисовать направление магнитных по потоков, как постоянных, так и переменных на вашей схеме.
Можно, конечно и нарисовать, но там все просто. Надеюсь, что понятно будет и со слов.
Вращающееся магнитное поле якоря организуется так же, как и у всех многофазных синхронных и асинхронных электрических машин (в данном случае, как у ВРД или БЛДЦ). Магнитное поле возбуждения организуется как у классических униполярных машин (в аксиально-радиальном направлениях).

бурелом

постоянное магнитное поле должно вращаться вместе с якорем(ротором), но поскольку оно у вас наводится со статора, этого не получится, мне так кажется. И поскольку обмотка возбуждения у вас находится внутри фазной обмотки, то на ней наводится переменный ток. Что из этого получится не понятно.

Abos

Цитата: бурелом от 22 Фев. 2015 в 10:38
постоянное магнитное поле должно вращаться вместе с якорем(ротором), но поскольку оно у вас наводится со статора, этого не получится, мне так кажется. И поскольку обмотка возбуждения у вас находится внутри фазной обмотки, то на ней наводится переменный ток. Что из этого получится не понятно.
Постоянное магнитное поле может вращаться вместе с ротором, а может и не вращаться. Главное, чтобы ротор охватывался кольцеобразно этими катушками возбуждения. Если Вы подадите на эти катушки постоянное напряжение, то получите тот же эффект, что если бы на роторе между пакетами были установлены кольцеобразные магниты.
В обмотке возбуждения никак не может наводится переменная ЭДС, поскольку магнитное поле, созданное трехфазной обмоткой действует в радиально - тангенциальном направлении в каждом пакете, т.е. параллельно расположению кольцеобразных катушек возбуждения, и потокосцепление через эти катушки от врвщающегося поля будет равно нулю. Вот если бы на полюсах параллельно катушкам якоря были бы расположены такие же катушки возбуждения, тогда бы - да. Наводилась бы переменная ЭДС и почти двойное напряжение прошивало бы эту обмотку возбуждения. Уже проверено опытным путем.

бурелом

Как это может не вращатся . Все эл машины работают на одном принципе. Создается вращающееся магнитное поле, а постоянный магнит вращается за ним. ( Ну за исключением асинхронных, там магнит почти постоянный.)

mr.Dream

Чтобы построить моментный двигатель, важна магнитная редукция не в понимании количества пар полюсов на каждую фазу, а величина магнитной индукции в зазоре между ротором и статором. Если в классическом ДПТ 4 полюса ОВ, то "дроблением" хоть на 200 полюсов увеличение помента мы получим не значительное - на каждом "зубе" ОВ у увеличением количества полюсов будет падать сила магнитного поля при одинаковой общей величине подмагничивания. Не знаю даже, какие потери будут на нагрев ОВ при сравнимой с редкоземельными магнитами индукии. Этот геморой не стоит свеч (с).
Моментные моторы, и сириесники и ассинхронники имеют КПД ниже и размеры больше по сравнению с оборотистыми.
Ну а если делать подмагничивание ротора за счет статора, то это еще большие потери. Лучше смотреть в сторону ВРД, если есть какая то боязнь перед постоянными магнитами :)

Abos

Цитата: бурелом от 22 Фев. 2015 в 18:14
Как это может не вращатся . Все эл машины работают на одном принципе. Создается вращающееся магнитное поле, а постоянный магнит вращается за ним. ( Ну за исключением асинхронных, там магнит почти постоянный.)
О том поле, о котором Вы говорите - это вращающееся поле, созданное системой переменных токов (а не постоянного тока).
Про асинхронник - не понял.

Abos

Цитата: mr.Dream от 22 Фев. 2015 в 20:17
Чтобы построить моментный двигатель, важна магнитная редукция не в понимании количества пар полюсов на каждую фазу, а величина магнитной индукции в зазоре между ротором и статором. Если в классическом ДПТ 4 полюса ОВ, то "дроблением" хоть на 200 полюсов увеличение помента мы получим не значительное - на каждом "зубе" ОВ у увеличением количества полюсов будет падать сила магнитного поля при одинаковой общей величине подмагничивания. Не знаю даже, какие потери будут на нагрев ОВ при сравнимой с редкоземельными магнитами индукии. Этот геморой не стоит свеч (с).
Моментные моторы, и сириесники и ассинхронники имеют КПД ниже и размеры больше по сравнению с оборотистыми.
Ну а если делать подмагничивание ротора за счет статора, то это еще большие потери. Лучше смотреть в сторону ВРД, если есть какая то боязнь перед постоянными магнитами :)
Ув. mr.Dream! Это все понятно, на счет индукции в магнитном зазоре и линейной нагрузки (плотности тока в проводах).
Вы сможете сделать эл. двигатель на момент 10 000 Нм и скорость 1500 об/мин на постоянных магнитах? Думаю, что собрать его будет оччень проблематично. Думаю, что ни с одним гаечным ключом Вы к нему не подойдете, не удержите в руках (разве, что с алюминиевым :-)). Да и впихнуть ротор внутрь статора просто так не удастся. Сосредоточить около 200 кг постоянных магнитов в небольшом объеме - не так просто. Да и как такое мощное постоянное поле повлияет на здоровье сборщиков - вопрос. Думаю, не очень благоприятно. Так что не везде и не всегда двигатели с постоянными магнитами применимы.
А здесь мы теоретически рассматриваем вопросы, связанные с физическими явлениями, происходящими в этих двигателях, и возможные сферы применения. К примеру, их еще можно применять в ветроэнергетике. Нет первоначального момента залипания (трогания с места). Особенно интересно рассмотреть такие двигатели обращенного исполнения, когда статор с обмотками находится внутри , а безобмоточный зубчатый (полюсной) ротор вращается снаружи. Можно применить самовозбуждение. Получится интересный вертикальный ветрогенератор прямого действия (без всяких механических редукторов), который будет запускаться при незначительной силе ветра.

NUBITO

[user]mr.Dream[/user], на сколько я знаю, электромагниты сильнее чем постоянные(даже редкоземельные) магниты. Так что смысл в этом есть. Конечно ЭМ создаёт дополнительные потери, но и у него есть плюсы в виде управляемости и дешевизны.

бурелом

В двигателях ПТ вращающееся поле создается коллектором. Просто в них все наоборот, магнит не подвижен,а обмотка вращается. Но относительно друг друга все тоже самое. Ну а в асинхронниках все очень просто. На беличьей клетке наводится переменный ток с частотой равной скольжению. Это примерно 5-10 гц, по отношению к 50гц это почти постоянный ток, по этому все работает. Я сам давно думаю как избавиться от токосемных колец, но пока получается труднореализуемая заумь. Тут у когото были сомнения  по поводу магнитной редукции. Пусть не сомневаются, так и есть, обороты падают момент растет. Попробую объяснить. Если вспомнить физику то А=F*l/t (A-работа, F-сила,l-расстояние,t-время), и А=Р/t, подставляем F*l/t=P/t,время сокращаем и получаем P=F*l. По скольку l у нас пропорционально углу поворота, то чем меньше обороты тем больше сила, а значит и момент.

Babylon4

Цитата: бурелом от 23 Фев. 2015 в 08:43
Тут у когото были сомнения  по поводу магнитной редукции. Пусть не сомневаются, так и есть, обороты падают момент растет.

  По увеличению момента при магнитной редукции уже было не одно обсуждение, рост момента небольшой(не больше 10-15%) и то при определённых условиях которые у большинстве случаев не выполняются, я могу предположить  наибольший рост возможен при равенстве магнитов и катушек на сердечнике, но такую компоновку реализовано только компьютерных кулерах, другой пример удачной компоновки 12пазов/14полюсов реализовано довольно широко в модельных моторчиках, именно на них можно проследить рост момента и изменение КПД, есть вертолётные с соотношением 12 пазов/8 полюсов, так при размере двигателя 2830 вертолётный имеет прим. 900 ват мощности при 3500об/вольт при этом первый вариант намного скромнее при КВ 1400об/вольт мощность примерно 400 ват такая разница в мощностях говорить о КПД  для двигателя с редукцией он составляет ( по данным производителей и тестам любителей 75-83%, если допустить что одинаковый типоразмер рассевает одинаковую мощность то можно сделать вывод что вертолетный вариант имеет КПД выше 90%. С увеличением количества магнитов до 16(личный опыт) КПД падает ещё больше.

   Я привел эти примеры что бы показать что не стоит сильно увлекаться магнитной редукцией, за неё нужно платить, и это не всегда оправдано.
   По моему мнению достоинство  магнитной редукции в том что можно для определённых оборотов уменьшить количество витков в катушке при этом уменьшается её сопротивление что в свою очередь  приводит к меньшему выделению тепла при прохождении тока, это не трогая магнитных полей, там есть свои нюансы.

Abos

Цитата: Babylon4 от 23 Фев. 2015 в 18:35

  По увеличению момента при магнитной редукции уже было не одно обсуждение, рост момента небольшой(не больше 10-15%) и то при определённых условиях которые у большинстве случаев не выполняются, я могу предположить  наибольший рост возможен при равенстве магнитов и катушек на сердечнике ...

Ага. Если взять за основу 3-х фазный элементарный двигатель с соотношением 3/2, то на 24 полюса статора нужно 16 постоянных магнитов. Получим один момент.
Если взять за основу 12-ти фазный двигатель элементарный двигатель с соотношением 12/11, то на те же 24 полюса статора нужно уже 22 постоянных магнита. Затем перекоммутировать катушки статора так, чтобы можног было питать от 3-х фаз. Получим другой момент, на 37% больше, чем в первом случае. Естественно при прочих равных условиях - диаметр расточки статора, активная длина статора и пр.

SolarRay

#53
Тогда получается, что парочка однофазных двигателей это идеальный вариант.  :-D
Только нужно определиться с оптимальными размерами магнитов и электромагнитов.