Li-Force Электровелосипед за 1$
 
avatar_Linkov1959

Электровелосипед за 1$

Автор Linkov1959, 01 Окт. 2015 в 19:08

« назад - далее »

0 Пользователи и 1 гость просматривают эту тему.

Linkov1959

Давно хотел  моторчик поставить, но ничего не мог придумать, пока нужда не заставила. Заболело колено, а на работу ездить нужно и горка не слабая. Первым делом  выточил звездочку на 9 зубьев под старую растянутую цепь 25.8мм на звено.  Прикольно, что звездочка весит 2г.
Открутил со старой советской дрели патрон, а на вал одел звездочку под шлиц и закрутил тем же патроном, что бы гайку не искать. Закрепил дрель на багажнике и одел цепь на большую звездочку трещетки. Получаем 600об*9/28=193об/мин =25км/ч. Включил дрель в розетку и поехал. 1$ придется потратить на переноску.:)

ra6fnq

Сколько кругов по комнате сделал?!  ;-D
У дрели ПВ10% или 25%?
Евгений
http://fotki.yandex.ru/users/ra6fnq/
https://yadi.sk/d/8wi9CuXnvvFRh - инструкции на Bafangs

Linkov1959

Дрель старая  в металле на 600об/мин 500вт, должна выдержать по нагрузке.
Вот заказал детальки для переноски:) http://www.e-voron.dp.ua/catalog/irf3205-irf-international-rectifier
Транс и вч диоды снял с БП АТХ от компа. 400вт должно хватить. В будущем будет ШИМ, а пока отводы со вторичной буду переключать.
Аккумы 24в, 14а/ч ферумполимер.

kag46

Цитата: Linkov1959 от 01 Окт. 2015 в 20:32
Аккумы 24в, 14а/ч ферумполимер.
мб аккумы LiFePo4(литий железо фосфат)?
Варю продаю кашу из Топпера:
magic pie 3 + markII от e4bike, самопальная батарея из lipo пакетов 14-15Ah, пока 13S1P->17S1P, up to tbd км/ч. Смотри восточный базар.

Следи за собой, будь осторожен.

DIVAS

Это уже получается не электровелосипед, а дрелесипед...
Kugoo M4 Pro 18Ah (2020)

ra6fnq

я, для использования электротриммера, просто использовал 500-600 ваттный ИБП.
Евгений
http://fotki.yandex.ru/users/ra6fnq/
https://yadi.sk/d/8wi9CuXnvvFRh - инструкции на Bafangs

Linkov1959

Парочку ИБП нашел  на чердаке, открыл, а там кусок железа! Габариты и вес не устраивают. Получил сегодня транзисторы и понял, что протупил. На 24в инвертор нужны 100в, не меньше, а мои 55в. Теперь придется полумостовой огород городить или параллелить два аккума по 12в, или среднюю точку задействовать.

edw123

Цитата: Linkov1959 от 01 Окт. 2015 в 19:08
Давно хотел  моторчик поставить, но ничего не мог придумать, пока нужда не заставила. Заболело колено, а на работу ездить нужно и горка не слабая. Первым делом  выточил звездочку на 9 зубьев под старую растянутую цепь 25.8мм на звено.  Прикольно, что звездочка весит 2г.
Открутил со старой советской дрели патрон, а на вал одел звездочку под шлиц и закрутил тем же патроном, что бы гайку не искать. Закрепил дрель на багажнике и одел цепь на большую звездочку трещетки. Получаем 600об*9/28=193об/мин =25км/ч. Включил дрель в розетку и поехал. 1$ придется потратить на переноску.:)
Дрель на долговременную работу не рассчитана, думаю. Перегреется на полных оборотах и мощности очень быстро.

Linkov1959

Надеюсь, колено заживет раньше, чем  сгорит дрель. У меня еще без дела лежит неубиваемый бошевский перфоратор.  ;-)
Решил все таки делать на 12в. Аккумы у меня с разбросом по емкости, а две банки будет проще собрать. Вспомнил, что у меня есть готовый задающий на 20кгц от электроудочки и транс намотанный с отводами 100, 150, 220в. Добавлю тиристор и можно рыбу ловить. :wow: 

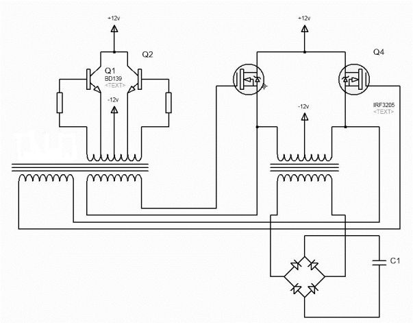
Linkov1959

Собрал такую схему инвертора 12в\220в. Ток ХХ 0.5А. Завтра буду нагружать.


Linkov1959

500вт держит без нагрева, хотя я это знал давно. Помню, когда делал первую электроудочку на  полевиках, то поставил на инвертор большой радиатор с обдувом,... смешно. Раньше стояли 24 штуки КТ818 и грелись офигенно, а задающий на трансе пережил всех.:)

sans360

Попробуйте эксперементально высчитать кпд инвертора. Надо вводить регулятор выходного напряжения.

Linkov1959

#12
КПД инвертора очень высокий, я бы сказал рекордный, но это не принципиально. Мощность ХХ  500 ваттной дрели около 100вт, инвертора 6вт. Отсюда вывод, напряжение двигателя не критично, главное его  эффективность. Регулятор нужен, но не хочется трогать  отлаженный инвертор, можно поставить ШИМ после выпрямителя на одном ключе,  тогда уже точно получится электроудочка.  :-)

sans360

Цитата: Linkov1959 от 06 Окт. 2015 в 20:18
Собрал такую схему инвертора 12в\220в. Ток ХХ 0.5А. Завтра буду нагружать.

Дайте намоточные данные трансформаторов и номинал резисторов.

Linkov1959

Колечко ЗГ 14х9х5  , 6000-10000НМ. 36х2 витков в коллектор, 12х2 в базу, 28х2 выход. R =75ом и подтяжки для запуска 910ом.
Частота 14-16 кГц. Силовое 42х26х18 6х2 витков.

Linkov1959


Вот такой ШИМ придумал.

Linkov1959

Лиха беда начало, решил сделать апгрейд и потратить еще 2$ на фривал, но 16 зубьев не 9, потому решил слева на заднее колесо поставить стартоновскую переднюю звезду на 51 зуб. Получаем 600об/мин* 9/51=188об/мин=25км/час. Звезду закрепил на спицы, вот думаю, выдержит или нет. В пятницу буду пробовать.

Linkov1959

Испытания прошли успешно, все сомнения рассеялись.
1. Дрель не греется.
2. Преобразователь не греется.
3. Скорость и тяга ожидаемая. На ровном 25км\час, с легким подкручиванием 30. На горку 6% 15, с легким подкручиванием 20.
4. Легко снимается и ставится.
5. Фривил отлично без шума работает, если мотор выключен.
6. Звезда 51 надежно держится на спицах в трех точках.
7. Не вижу необходимости ставить ШИМ, достаточно кнопки пуска и переключателя на два напряжения 150 и 200в.
Очень доволен, вот только колено стало заживать, придется звезду на 34 ставить.:)