avatar_Crimeans

Гироскутер "СверчЁк Гиро"

Автор Crimeans, 18 Дек. 2015 в 00:55

« назад - далее »

0 Пользователи и 1 гость просматривают эту тему.

VVK

Цитата: Crimeans от 24 Дек. 2015 в 19:45
[user]VVK[/user],В общем, выпаял я все неисправные ключи в БМС без резисторов. Оказалось, что ключи идут по два, но как-то хитро...

К -В подключался минус батареи, к -С выходной разьем... А вот что такое -P???
Вот те два транзистора, что над мосфетами, один, слева, управляет двумя левыми мосфетами, а второй, правее, правыми. Нужно понять-где силовые ключи, а где зарядные... Скорее всего два левых сила, а два правых-зарядка. Мосфеты 80 Ампер при 27 вольтах, а так 80 вольт и 40 А... Это один, а тут их по паре.
Ключи можно определить, проследив дорожки. По рисунку я это сделать не могу.
Выпаивать феты не нужно было, достаточно сигнал с затвора снять.

Crimeans

[user]VVK[/user], Выпаял просто потому , что битые были.... да и без них лучше видно разводку платы...  Судя потому, что к левым мосфетам, припаян провод прямо от батареи, это и есть зарядные ключи... а правые силовые, так как от них отходит провод к разьему. Но тогда получается, что ток идет через две пары ключей последовательно. Напряжение на двух затворах левых мосфетов 36,6 в( т.е напряжение батареи) , напряжение на затворах правых мосфетов почему-то только 16, 3 вольта...
Лужу, паяю,электротранспорт починяю..... Электросамокаты серии "СверчЁк" - это удобно и комфортно для передвижения по городу и паркам!

VVK

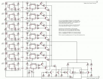
Вот схема простой BMS, может будет полезна:



Она хоть и старая, но схемотехника у всех похожа.

Crimeans

[user]VVK[/user],  Да, это она...правда ключей у меня по два. И где какой ключ?
Лужу, паяю,электротранспорт починяю..... Электросамокаты серии "СверчЁк" - это удобно и комфортно для передвижения по городу и паркам!

Crimeans

Колеса для следующего варианта "Сверчёк Гиро":




Лужу, паяю,электротранспорт починяю..... Электросамокаты серии "СверчЁк" - это удобно и комфортно для передвижения по городу и паркам!

Crimeans

[user]VVK[/user], Сигнал на затворе никак не ТТЛ уровня... 36в и 16... Видимо, нужно еще цепочку ставить...но реле механическое не особо хочется-ток потребляет сравнительно большой...да еще если оно работает во время нормального режима...
Лужу, паяю,электротранспорт починяю..... Электросамокаты серии "СверчЁк" - это удобно и комфортно для передвижения по городу и паркам!

EcoDrift

[user]Crimeans[/user], а сравните обмотку мотора на старых и новых моторах =)

VVK

Цитата: Crimeans от 26 Дек. 2015 в 22:27
[user]VVK[/user],  Да, это она...правда ключей у меня по два. И где какой ключ?
Q52 - ключ нагрузки. Q40 - ключ зарядки. Эти ключи на схеме показаны в одном экземпляре, а на плате их устанавливается по несколько штук в параллель.

Цитата: Crimeans от 27 Дек. 2015 в 13:31
[user]VVK[/user], Сигнал на затворе никак не ТТЛ уровня... 36в и 16... Видимо, нужно еще цепочку ставить...но реле механическое не особо хочется-ток потребляет сравнительно большой...да еще если оно работает во время нормального режима...

Да, он не TTL и реле там неудобно ставить. Можно параллельно Q52 поставить еще один фет, стоком которого через дополнительный инвертор подтягивать измерительный вход процессора к минусу.


болгарин

По видео двухместного заметил, что в нём есть ещё балансировка всего корпуса с крёслами относительно оси колёс, по крайней мере при торможении, тоже прибавка к сложности.

Crimeans

[user]болгарин[/user], Это и есть механизм управления ... Т.е управляется сие чудо именно подвижностью кабины, изменением ее балансировки, как и в обычном скутере...
Лужу, паяю,электротранспорт починяю..... Электросамокаты серии "СверчЁк" - это удобно и комфортно для передвижения по городу и паркам!

болгарин

Цитата: Crimeans от 28 Дек. 2015 в 09:39
[user]болгарин[/user], Это и есть механизм управления ... Т.е управляется сие чудо именно подвижностью кабины, изменением ее балансировки, как и в обычном скутере...
Надо Вячеславу попробовать сделать электронику, на такую двойную балансировку. Меньше можно тратиться на мощность движков, всё легче двигать платформу туда-сюда, чем колёсами балансировать. А привод можно поразмыслить.

Crimeans

[user]болгарин[/user], Дык, колесами-ми все равно осуществляется балансировка...платформой просто задаешь направление движения и скорость....Потому как сидя телом управлять затруднительно.Вы видео тщательнее посмотрите.Т.е это , по сути, тот же гироскутер, только большой и ДВУХМЕСТНЫЙ... так как ДВА человека не смогут синхронно изменять центр тяжести для управления, движется вся платформа.
Лужу, паяю,электротранспорт починяю..... Электросамокаты серии "СверчЁк" - это удобно и комфортно для передвижения по городу и паркам!

болгарин

Цитата: Crimeans от 29 Дек. 2015 в 13:42
[user]болгарин[/user], Дык, колесами-ми все равно осуществляется балансировка...платформой просто задаешь направление движения и скорость....Потому как сидя телом управлять затруднительно.Вы видео тщательнее посмотрите.Т.е это , по сути, тот же гироскутер, только большой и ДВУХМЕСТНЫЙ... так как ДВА человека не смогут синхронно изменять центр тяжести для управления, движется вся платформа.
Мне кажется, что платформа двигается во время троганья с места и торможении, тут точно двоём, да и в одного, сложно сидя координировать.

Алексей М.

Здравствуйте.
Тут спрашивали, зачем разрабатывать подобные аппараты, причин множество, если вкратце, мы разрабатываем аппарат со своей оригинальной концепцией - не повторяя ошибок ранее произведенных (у нас более удобный, надежный и безопасный), это складывается из следующего:

- более безопасный, благодаря смещенной в сторону рулевой стойки, водитель в экстренной ситуации может спрыгнуть, а не перелететь через руль как у  Сигвея (данную особенность в этом году начнут копировать китайцы), они следят за проделанной работой, так как это не только безопасно, но и удобно, освобождается одна рука;
- аппарат более надежный, предназначен для массового применения, антивандальный, сломать крайне тяжело (очень важно для проката) со сменными аккумуляторами;
- стальная рама практически не сильно влияет на вес конструкции обладает значительным запасом прочности, удобной ручкой для переноса и дешевой в изготовлении оригинальной конструкцией;
- да и еще несколько небольших преимуществ;
- да это не финальная стадия, работы все еще продолжаются!

К сожалению, в России не производят ни мотор-колеса ни аккумуляторы, в результате цена на аппараты  сильно привязана к курсу доллара.
Занятие это крайне не выгодное, было потрачено большое количество собственных средств (закупка комплектующих, оборудования).

Поддержки как таковой практически нет (в основном это грамоты и редкие выставки), хотя инновационных организаций в нашем регионе полно, неизвестно, правда, чем они занимаются, решают видимо  какие то свои проблемы, что печально.

На данный момент это не коммерческий, а научный проект, который поможет создать в будущем более серьезный аппарат.
Сейчас подобные аппараты в России не будут покупать из-за обнищания населения и застоя в производстве и в сфере развлечения.
А так информация о проекте в нашей группе: http://vk.com/starus36

ferum

А на сколько актуальна подвеска на таких аппаратах? Вид сзади натолкнул, как на авто, задние независимые рычаги. Сделать вроде не оч сложно. Есть такое в природе?

Dromik

Добрый день!
Задумался над своим проектом самобалансирующейся платформы. В интернете уже есть много проектов подобных устройств. В мой проект я хочу заложить определенные особенности, но для этого нужно применять двигатели, установленные в корпусе. Мотор-колесо мне не подходит по определенных соображениям. Хочу узнать совета у специалистов:
1. Пробовал ли кто-то создать устройство, работающее по такой схеме?
2. Не усложнит ли работу балансирующего ПО наличие редуктора между двигателем и колесом?

Crimeans

[user]ferum[/user], Подвеска на этих аппаратах не актуальна совсем. Во первых, препятствия серьезные, для компенсации которых служит подвеска, этот аппарат и так не преодолеет самостоятельно. Во вторых, лишние железяки сильно утежеляют аппарат, в третьих, для нормальной работы электроники необходимо жесткое крепление всех комплектующих и их неподвижность относительно друг=друга...
Лужу, паяю,электротранспорт починяю..... Электросамокаты серии "СверчЁк" - это удобно и комфортно для передвижения по городу и паркам!

Crimeans

#71
[user]Dromik[/user], Большая часть китайских  гироскутеров с большим диаметром колес как раз и приводятся в движение не мотор-колесами, а отдельными движками через редуктора. Если редуктор собран без больших зазоров и холостых ходов шестерен, (важно отсутствие люфта при прокручивании вперед-назад) то электроника управляет ими вполне адекватно, единственное, двигатели используются не бесколлекторные, а стоят обычные коллекторные движки. Это несколько упрощает контроллеры управления. Но отрицательно сказывается на весе и долговечности.
Лужу, паяю,электротранспорт починяю..... Электросамокаты серии "СверчЁк" - это удобно и комфортно для передвижения по городу и паркам!