Li-Force Зарядные устройства для моноколес. - Страница 14
 

Зарядные устройства для моноколес.

Автор LEE4ER, 01 Май 2016 в 22:39

« назад - далее »

0 Пользователи и 1 гость просматривают эту тему.

Sergius.Media

[user]LEE4ER[/user], мне казалось, я не раз повторил, что потери небольшие. В процентах, хм...
Типичный рабочий диапазон напряжений батареи: 67,2V - 55V = 12,2V
Тогда просадка батареи на 1.2V - это около 10%.
И надо заметить в верхнем диапазоне напряжений эти 10% более увесистые, чем в нижнем.
Контроллер MW 30B4 30км/ч, мотор 500Вт MW 14" 35км/ч, батарея 370Втч 16s2p + 5000мкФ 25км, вес 11кг, мой 75кг
С внешним питанием +270Втч +16s2p 40км. Опыт: KS-18A = 770км; KS-18S = 300км; MW = 2650км

LEE4ER

Сообщение из другой темы, дабы не потерялось и для удобство поиска по топику:

Цитата: Small-1972 от 31 Март 2017 в 04:30
Продолжение про зарядные устройства для Inmotion.
До недавнего времени у меня было два колеса, Noname и Gotway MCM 4. Я приобрел еще дополнительную зарядку от Kingsong на 67 вольт. У Экодрифта она была дешевле готовской и зарядный ток был выше.
Недавно, когда я выбирал новое колесо, меня беспокоило такое соображение: в случае приобретения Inmotion V8, зарядок на 67 вольт у меня будет три, а на 84 - одна. Таким образом, чтобы заряжать и дома и на работе, придется таскать зарядку с собой.
Теперь у меня есть три зарядки на 67В, и две зарядки на 84В, но общее количество ЗУ не изменилось. Просто одно ЗУ у меня теперь заряжает и на 67В и на 84В. Кому неинтересно как именно это сделано, далее могут не читать.
Для решения этой проблемы я заручился поддержкой двух гениальных электронщиков, по сравнению с которыми я просто лопух, и решил переделать кингсонговскую зарядку на 84 вольта. Разобрал, обнаружил, что напряжение там регулируется. Попробовал порегулировать - получилось только до 72В. Просто не хватило диапазона регулировки. В нижнем плече делителя, с помощью которого определяется напряжение для обратной связи, там стоят последовательно два резистора, постоянный на 5.8К и многооборотный подстроечный на 1К. Чтобы сместить пределы регулировки, необходимо уменьшить постоянный резистор. Не вопрос, напаяли параллельно ему резистор на 17.8К - все стало попадать в пределы регулировки. Получили 84В. Стали нагружать током - 0.8А - все отлично, выше 1.1.А - срабатывает защита. Вырубается "горячая часть" и встает в режим запуска. Внешне это выглядит, так как недавно описывал один из пользователей. Включение, Зеленый-красный - отключение, пауза 1 сек, все снова. Была найдена причина - при нарастании напряжения и тока в выходной обмотке, расширился импульс и в первой вторичке изменилось напряжение. Причем, та защита, что предусмотрена в микросхеме ШИМ, в данной реализации задавлена стабилитроном, а предусмотрена своя защита, которая подводится туда же, но порог срабатывания определяется другим стабилитроном. Порог срабатывания был выставлен на 30В в первой вторичке, а при увеличении тока до 1.5 А реально вылетало до 32В. Поставили последовательно еще один стабилитрон, поменяли маленький кондерчик , параллельный этой цепочке, на такой же, но с напругой 50В - все заработало при токах до 2.2А. Причем, защита от коротыша не пострадала, работает. Но появился высокий нагрев. Пришлось с помощью замены токоизмерительного резистора уменьшить зарядный ток до 1.5А. Вместо резистора на 0.05 Ом была поставлена параллельная сборка из резисторов 0.1 Ом и 0.22 Ом с общим сопротивлением 0.0688Ом. Выходные конденсаторы с номиналом 330мкф 100В были заменены на 100мкф 160В.  Далее были мероприятия по получению двух выходных напряжений.  Был отпаян резистор на 17.8К и делитель вернули в заводское исполнение. Поставили то напряжение, которое и было, грубо 67В. Далее припаяли на место резистора 17.8К многооборотный резистор на 20К и настроили с его помощью выходное напряжение на 84В. Установили выходной разъем Gx16-4 на 4 контакта.  На два контакта вывели + и -, одну ножку многооборотного резистора на 20К пропустили через два оставшихся. Получилось, что при замыкании свободных контактов блок выдает 84В,  при оставлении их свободными - 67В. Изготовили два шнура, для Готвея и для Инмо, без перемычки и с перемычкой соответственно. Все было поставлено под активное охлаждение. Эту переделку за меня описал  [user]Vitamin-B[/user] на 175 странице. На фото там именно устройство на 2 напряжения. Родная зарядка от Инмо выглядит теперь также, так что в том посте разница непринципиальна. Следует отметить, что устройство на два напряжения при зарядке им колеса Инмоушен греется все таки меньше, чем родное.
Выводы делайте сами, но мне кажется, что родное ЗУ от Инмо имеет кучу конструктивных недочетов и очень слабую элементную базу.

Вывод бесспорный - мои друзья Александр и Сергей - гениальные электрощики и вообще молодцы. Огромное им спасибо!

Спасибо за внимание. Будет интересно, можно отфотать побольше и поближе.

В общем я за порядок, но начинать с себя не вижу смысла :pardon:

Small-1972

Цитата: Ripido от 13 Март 2017 в 22:45
[user]WaveCut[/user], ну, на картинке же видно по ссылке:


Обратите внимание, на зарядном устройстве нарисовано ГНЕЗДО!!! То есть то, что на колесе. На проводе все зеркально, хотя номера контактов совпадают. Я только что сделал такой шнур.
Gotway MCM4 HS 520Wh, Inmotion V8

Small-1972

[user]Sergius.Media[/user],  У меня недавно снизилось напряжение на зарядке Inmotion V8. Там причиной было начавшееся подыхание выходных конденсаторов.  После замены на свежие на большее номинальное напряжение все вернулось в норму. Ничего не хочу навязывать, но может рано переделывать делитель в обратной связи?
Gotway MCM4 HS 520Wh, Inmotion V8

WaveCut

[user]Small-1972[/user], спасибо! Думаю распечатать вилочку на 3d принтере, ибо фиг найду такого размера :)
Rockwheel GR16 (труп) / Inmotion V8 (740Wh) / IPS i5+ / Inmotion K1 (электроскейт) / Fastwheel U0 (моносигвей)
Монокатчики Беларуси - объединяйтесь!

Small-1972

Цитата: WaveCut от 31 Март 2017 в 16:14
[user]Small-1972[/user], спасибо! Думаю распечатать вилочку на 3d принтере, ибо фиг найду такого размера :)

Вот мой ответ на вопрос о вилке для вышеописаной зарядки:

Gx16. Но GX16-3, который там родной и есть, в моем городе в продаже отсутствует, так что взял GX16-4 и доработал напильником, вернее дремелем с алмазным бором. Речь идет о стороне колеса. На стороне зарядки  GX16-4 без изменений.
Gotway MCM4 HS 520Wh, Inmotion V8

WaveCut

[user]Small-1972[/user], я понял. Но всетаки хочется решить со стороны кастомизированной зарядки.
Rockwheel GR16 (труп) / Inmotion V8 (740Wh) / IPS i5+ / Inmotion K1 (электроскейт) / Fastwheel U0 (моносигвей)
Монокатчики Беларуси - объединяйтесь!

Sergius.Media

Цитата: Small-1972 от 31 Март 2017 в 16:09
[user]Sergius.Media[/user],  У меня недавно снизилось напряжение на зарядке Inmotion V8. Там причиной было начавшееся подыхание выходных конденсаторов.  После замены на свежие на большее номинальное напряжение все вернулось в норму. Ничего не хочу навязывать, но может рано переделывать делитель в обратной связи?
Зависит от ситуации. В Вашей не надо, а в моей напряжение всегда было ниже нормы с самого начала. Задача ставилась для случая без подстроечного резистора.
Контроллер MW 30B4 30км/ч, мотор 500Вт MW 14" 35км/ч, батарея 370Втч 16s2p + 5000мкФ 25км, вес 11кг, мой 75кг
С внешним питанием +270Втч +16s2p 40км. Опыт: KS-18A = 770км; KS-18S = 300км; MW = 2650км

S@turn

Заряжать колесо в 2 раза быстрее?
Заказывать на али быструю шумную зарядку за 5К?
Вот ответ!






300 рублей + провод + паять уметь
Без шума, быстро заражает.
Колесо 680 заряжает за 3 часа!
Freewheel / MCM4 HS 340 / MCM4 HS 260 / IPS i240+ / Luffy / GTR14

GIROTRON

#243
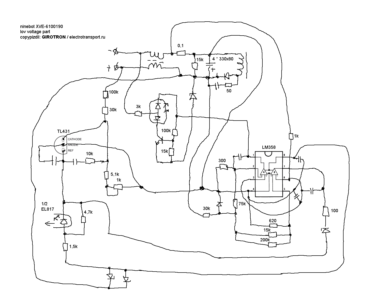
Схема низковольтной части зарядки ninebot one (ninebot XVE-6100190 lov voltage part schematic diagram):

вот такой зарядки:

на схеме только нижняя часть показанного на фото, то есть того, что после трансформатора преобразователя, потому что высоковольтная сетевая часть меня мало интересовала, там обычный флэйбэк на LD7575, обратная связь по оптрону, в общем схема считайте с даташита.

Неточности которые на схеме могут быть:
** транзистор в узле светодиода может быть не NPN, а PNP и ноги его могут быть попутаны, так как транзистор SMD и не понятно какой и цоколёвка не понятна.
** светодиод может быть повёрнут не в ту сторону, аноды с катодами повёрнуты, т.к. я выпаивать и определять где у него какая сторона не стал.
** стабилитрон какой ни будь может быть повёрнут не в ту сторону или быть не стабилитроном а диодом, так как они SMD и маркировка на них ни о чём, но всё же скорее это стабилитроны так как на плате подписаны ZD а не VD.
** резюки включенные впараллель я объединял и прописывал результирующее сопротивление, в частности это относится к двум резюкам впараллель выходному напряжению, реально там 2 штуки по 30кОм, я прописал как 1 на 15кОм, так как два там для увеличения рассеиваемой мощности типоразмера 1206.
** конденсаторы понятное дело не спаивал и не замерял, они SMD так что номиналы увы и ах, но угадать и так можно. Конденсатор снаббера (впараллель диоду шоттки выпрямителя повёрнут не удобно не считать на сколько он, но и не особо важно).

Срисовывать начал так как зарядка моего найнбота оне гонимая в каком то месте: пока заряжает током от которого горит красный светодиод, всё нормально, как ток падает и начинается режим удержания напряжения, зажигается зелёный светодио, то он горит минут 5 и гаснет и ничего уже не горит, хотя как выяснилось напряжение удерживает.

Ну и фото блока питания с другой стороны со стнятым EMI экраном и изолятором:

найнбот оне е+

Dobrik21

Всем привет, купил сегодня б/у роквил gtr14, и у меня в первый же день украли зарядку((((((((((((( пока счастливый осваивал колесо - оставил ее без присмотра, ее и сперли( Даже характеристик ее не знаю. Лазил в инете, вроде бы на 72 вольта.
У меня дома есть 2 зарядки, одна от найбота е+, вторая от найнбота S2, они на 63 вольта. Теперь вопрос - можно ли от них зарядить роквил? И как это сделать - у них четырех-пиновые контакты, а у меня трех-пиновый на роке. Какой контакт с каким соединить  :bn:  У кого-то есть раз-пиновка зарядки найнбот(где плюс, где минус)? Или как самому замерить тестером, а то я полез, словил искру и понял что кроме одной украденой сейчас добавится одна згоревшая((((((  Помогите, рок стоит мертвый(

Dennis

[user]Dobrik21[/user], Зарядки от бота отличаются от других моноколес.......в большинстве сборка 16s (67.2 вольта) в боте 15s, соответственно зарядка вам не подойдет (и судя по вашему вопросу вы вряд ли сможете переделать её на большее напряжение). Значит надо искать подходящую на 67.2 вольта.......разъем вроде у всех стандартный, а у бота по этому и другой, так как напряжение другое, защита от дурака.
MSX 1600 - мой транспорт.
KS-16S 820wh - у дочки.

Dobrik21

Посмотрел в гтр14 на батареи -стоят 2 штуки 67,2V 343WH.

Насколько я понял 67,2 это номинал батареи на 18 элементов, и зарядка должна быть на 72В+(вроде-бы такая была родная). В моей глуши оказалось вообще тяжело с зарядками на 72В((( Зато очень дешево предлагают зарядку от инмоушн в8 - на 84В.

Вопрос к знающим людям - внутри инмоушн зарядки нет понижающей напряжение "крутилки"? Видел что в некоторых зарядках бывает внутри ручка с небольшой коректировкой напряжения - может и в этой есть?

volk0001

[user]Dobrik21[/user], зарядка вам нужна на 67,2В Отчего вы решили, что нужно 72, ума не приложу.
Моноколесо не игрушка, а всесезонное утилитарное средство передвижения.

Люблю Собянина. И жену Собянина. И маму Собянина. Желаю этим замечательным людям всяческого удовлетворения от Собянинской тротуарной плитки.

veniamin81

#248
привет переделкинам и прочим.
подскажите такое дело взял ninebote one с+  без зарядки вот  думаю взять такую http://vitalyolesik.ru/shop/zaryadnoe-ustrojstvo-dlya-monokolesa-67-2v-bolshoe
но там такое дело  там штекер питания специфический
вот и думаю пределать в блоке питания штекер 
вопрос где подобрать такой чеб не вскрывать сам бот 
и еще скажите раскладку питания на штекерее питания в самом боте там 4 пина (отверстия)

http://www.zip-2002.ru/razyemy/2rm_2rmg_2rmt_rmg_onts-rg/count_200/ 
вот может какой порекомендуете

Alexp74

[user]veniamin81[/user], для Вашего колеса нужна специфическая зарядка на 63В (если только у Вас не модифицированный найнбот).
то ли мне надеть одежду, то ли мне одеть Надежду...

LEE4ER

[user]veniamin81[/user], в 9б1 используются разъем LEMO  4пин, который по цене как пол зарядки обойдется. Когда колесо идет без зарядки, это странно и есть вероятность что краденое.
В общем больше времени потеряете на поиск разъема, чем на замену. Если менять прям сильно не хочется, то ищите оригинальную зарядку с этим разъемом (по деньгам выйдет +/- тоже)

Зарядку на любое напряжение на али найти не проблема и даже искать иной раз не обязательно, а достаточно выбрать на 58В или 67В и узнать о возможности переделать на нужное напряжение прям в заказе, до его оплаты.
В общем я за порядок, но начинать с себя не вижу смысла :pardon:

veniamin81

нашел разъём  :kidding: :run: :wow: :wow:
значит вот ссылка может каму надо бы такой ну мало ли
https://ru.aliexpress.com/item/redel-lemo/32832282299.html?spm=a2g0v.10010108.1000013.8.3012699bEQbxkd&traffic_analysisId=recommend_2088_4_-1_shotall&scm=1007.13339.99728.0&pvid=88cd259c-c502-4319-ab42-318366cb3662&tpp=1
и есще вот что какуюзарядку все таки посоветуете на 63 в или 67
да благадарю за подсказку про lemo 4 pin помогло найти осталось заказать  и подождать
ну может на митинском найду если повезет))