avatar_inetchik

Балансир для LTO.

Автор inetchik, 16 Март 2017 в 19:50

« назад - далее »

0 Пользователи и 1 гость просматривают эту тему.

BigAleksey

Цитата: VladNSK от 30 Янв. 2018 в 09:03Таким образом, при использовании микросхем  c RON ~1 Ом можно получить t=303•1=12.6 суток. Т. е., если вы заводите автомобиль не реже раза в двенадцать суток, то, используя пассивный балансир, вы будете иметь на момент запуска заряд в батарее больше, чем при использовании активного балансира типа «конденсаторная помпа».

Годный расчет :-) На уровне интуиции ожидал примерно такого-же результата.


В моём варианте использования (работа фугасов в ИПБ при напряжении содержания ~2.5В на банку и редкими отключениями питания) картина с ChargePump выглядит повеселей.
Кстати, интуиция подсказывает что на авто при использовании SCIBов (если SCIBы попались ну очень кривые) 5S картина с ChargePump будет не такая пессимистическая

Во вложении таблица заряда/разряда фугасов малыми стабилизированными токами (при t около 25 градусов), снимал для себя - может еще кому пригодится.

rusmax

Только не всем понятно  :-D
Мой мозг отключился на 2RON, что это?
Приус 20 (Tosiba SCiB 60Ah 3p5s;Бинар-5Б-Компакт) + i-miev (титатантка)

VladNSK

#362
Цитата: rusmax от 31 Янв. 2018 в 05:262RON, что это?
Виноват. Забыл в тексте указать.
Ron - сопротивление открытого ключа. Двойка появляется, т.к. ток один раз проходит через Ron,
чтобы зарядить конденсатор помпы, а второй раз - протекает из конденсатора помпы (через Ron) в слабую банку.
(Возможно, в даташитах, эта двойка иногда сразу учтена.)

VladNSK

#363
Цитата: BigAleksey от 30 Янв. 2018 в 21:28Во вложении таблица заряда/разряда фугасов малыми стабилизированными токами (при t около 25 градусов), снимал для себя - может еще кому пригодится.
Может, кому-то пригодятся графики, построенные по Вашим данным.
Начало разряда



Конец разряда



Общий




BigAleksey

Цитата: VladNSK от 31 Янв. 2018 в 07:07Может, кому-то пригодятся графики, построенные по Вашим данным.
Уточнение t = +25

VladNSK

#365
Цитата: BigAleksey от 31 Янв. 2018 в 07:23
Уточнение t = +25
Исправил.

unwellcome

К вопросу о стоимости и месте покупки ОУ TSX7191A.
Нашел на сайте arrow.com по цене $1,05 за штуку в партии от 1 шт.
Больше - дешевле.
И, что самое интересное, сайт бесплатно отправляет FedEx'ом в Украину!
В итоге заказал - через неделю получил. Был очень удивлен.
Проверил другие товары, в том числе довольно габаритные солнечные панели - бесплатная доставка сохраняется. Так что если кому интересно - рекомендую!


VladNSK

#367
Цитата: unwellcome от 15 Фев. 2018 в 10:25сайт бесплатно отправляет FedEx'ом
Мне выставляет 40$ за доставку.

VladNSK

Цитата: unwellcome от 15 Фев. 2018 в 10:25ОУ TSX7191A
ИМХО, лучше ставить TSX711AIYLT. Сам не проверял, но этот ОУ устойчив до коэффициента усиления =1.
Я об этом уже упоминал, но где-то потерялось. Сейчас поправил в исходном сообщении.
(https://electrotransport.ru/index.php?topic=44472.msg1222694#msg1222694)

unwellcome

Цитата: VladNSK от 15 Фев. 2018 в 12:04Мне выставляет 40$ за доставку.
Доставка бесплатная от 20 баксов - проверьте.
TSX711AIYLT тоже есть по 1,15.

rusmax

Цитата: VladNSK от 22 Янв. 2018 в 10:06
     Кроме того, в такой схеме можно установить функцию  выключения балансировки (уменьшения тока до уровня менее 1 мА)
при напряжении на элементе менее 1.4В.   (Опция, бесплатно.)
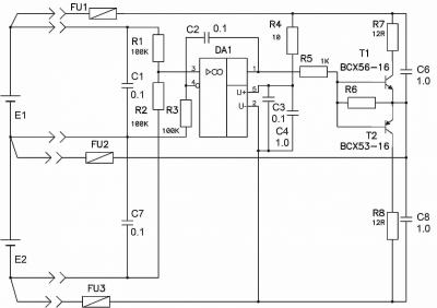
     Принципиальная схема одного канала балансировки показана на рисунке.

На каком принципе работает эта опция и соответственно почему нельзя сделать на полевиках?
Может придумать отсекатель питания ОУ при снижении питающего напряжения допустим до 1,8В на элемент или 3,6В на паре?
Приус 20 (Tosiba SCiB 60Ah 3p5s;Бинар-5Б-Компакт) + i-miev (титатантка)

VladNSK

Цитата: rusmax от 21 Фев. 2018 в 21:28
На каком принципе работает эта опция и соответственно почему нельзя сделать на полевиках?
Может придумать отсекатель питания ОУ при снижении питающего напряжения допустим до 1,8В на элемент или 3,6В на паре?
На полевиках не получается из-за относительно меньшей крутизны.
Отсекатель пока придумать не удалось. Навертеть схему, конечно, можно, но это будет стоить.
Изящного решения пока не вижу.

aleksejx

Цитата: xeus от 29 Янв. 2018 в 06:27
+1 еще слой изолятора лишним не будет особенно если качает музяка xD

Подскажите какой усилитель и динамик?

VladNSK

#373
Цитата: unwellcome от 15 Фев. 2018 в 12:36Доставка бесплатная от 20 баксов - проверьте.
Проверил. Вместо микросхем - гнилая отписка:
Hello,

Your order WEB-SOA0089565 has been shipped via FedEx, tracking number : 429610690068

Please see the following link:

https://www.fedex.com/apps/fedextrack/?tracknumbers=429610690068&commit=Track%21

FedEx has returned the package to us. For further information about the reason of return please contact FedEx.

Once we process the returned order our RMA team will arrange the refund for you.

Sorry for the inconveniences.

Best Regards,
If you have questions, contact us. You can also find answers in the Customer Service FAQ section on our website.

Sincerely,
Anita | Arrow Digital Group
Domestic: 1-855-326-4757
International: 1-303-305-5700

Обещают вернуть деньги.

P.S. Деньги вернули 7.03.2018.

unwellcome

Мда, лажа. Я как-то и не подумал, что у Вас федєкс заблокирован...
https://www.vedomosti.ru/business/articles/2014/01/23/dhl-fedex-i-ups-prekratili-dostavku-v-rossiyu-tovarov-dlya

Посредником, наверное, дорого будет.
Разве что в сборную партию.

rusmax

[user]VladNSK[/user], плату получили неделю назад. Спасибо. В связи с отъездом и проблем со здоровьем сразу проверить не было возможности. Планирую на днях подключить, поэтому интересуют вопросы:
1.
Цитата: VladNSK от 22 Янв. 2018 в 10:06
4.   Предусмотрена возможность переключения 6S -> 5S перерезанием перемычки и подключением туда (через разъём)  тумблера заказчика.
Какую дорожку перерезать и куда лепить разъём?
Я думаю бессмысленно ставить разъём для тублера, т.к. на балансире нет необходимости постоянно переключать режимы 5s/6s. При очень редком (а кому-то никогда) изменении режима проще и надёжней запаять/отпаять перемычку.

2. С подключением 6s вопросов не возникает
Спойлер
Цитата: VladNSK от 24 Май 2017 в 06:00
На всякий случай привожу схему подключения нового балансира к батарее.

хочу подтверждения правильности схемы подключения в режиме 5s
Нужно ли объединять незадействованные K7 и P7?
Цитата: rusmax от 01 Янв. 2018 в 18:03
Подключал по этой схеме.

3.
Цитата: VladNSK от 10 Янв. 2018 в 12:20
Вполне возможно.
Микросхема новая. Вначале на ней была небольшая болтанка, но полностью ушла при установке дополнительных резисторов. Правда, я проверял в режиме 6S и при напряжении 2.4 В.
...
Есть варианты решения проблемы.
1. Вы высылаете балансир и я попытаюсь настроить его для устойчивой работы в режиме 5S при напряжении порядка 2.8 .. 3.0 В. Может, придётся довесить ещё резисторы.
Удалось ли разобраться с возращённой платой на TSX7191A? Очень уж любопытно, что в ней может быть не так.
Приус 20 (Tosiba SCiB 60Ah 3p5s;Бинар-5Б-Компакт) + i-miev (титатантка)

VladNSK

#376
Цитата: rusmax от 05 Март 2018 в 21:36
[user]VladNSK[/user], плату получили неделю назад. Спасибо. В связи с отъездом и проблем со здоровьем сразу проверить не было возможности. Планирую на днях подключить, поэтому интересуют вопросы:
1.Какую дорожку перерезать и куда лепить разъём?

Смотрим на фото: https://electrotransport.ru/images/4/1llavhg.jpeg
слева, на половине высоты, цифра 5, справа от неё перемычка, режем.


2. С подключением 6s вопросов не возникает
Спойлер
хочу подтверждения правильности схемы подключения в режиме 5s
Нужно ли объединять незадействованные K7 и P7?3.

Лучше объединить.

Удалось ли разобраться с возращённой платой на TSX7191A? Очень уж любопытно, что в ней может быть не так.
При работе на высоковольтном участке зарядной кривой не хватило устойчивости интегратора. Микросхема TSX7191A
устойчива с коэффициентов усиления не менее 10. Поставил последовательно конденсатору резистор 1 МОм, который зашунтировал конденсатором 1000 пФ, на выходе ОУ поставил резистор 510 Ом, между базами и эмиттерами подпаял
ёмкость 1000 пФ. Работа стала устойчивой, хотя переходной процесс содержит 6 колебаний при 2.9В. Думаю, что в таком
состоянии этот балансир теперь вполне работоспособен.


При напряжении 2.8 В всё гораздо цивильней



Сейчас пришли 10 шт. TSX711AIYLT (Устойчивы с единичного коэффициента усиления). Будет время, проверю на них.

rusmax

Спасибо Владимир, отлично, но первые два вопроса остались незамеченными :exactly:
Спойлер
Цитата: rusmax от 05 Март 2018 в 21:36
1.
Цитата: VladNSK от 22 Янв. 2018 в 10:06
4. Предусмотрена возможность переключения 6S -> 5S перерезанием перемычки и подключением туда (через разъём)  тумблера заказчика.
Какую дорожку перерезать и куда лепить разъём?
Я думаю бессмысленно ставить разъём для тублера, т.к. на балансире нет необходимости постоянно переключать режимы 5s/6s. При очень редком (а кому-то никогда) изменении режима проще и надёжней запаять/отпаять перемычку.

2. С подключением 6s вопросов не возникает
Цитата: VladNSK от 24 Май 2017 в 06:00
На всякий случай привожу схему подключения нового балансира к батарее.

хочу подтверждения правильности схемы подключения в режиме 5s
Цитата: rusmax от 01 Янв. 2018 в 18:03
Подключал по этой схеме.

Нужно ли объединять незадействованные K7 и P7?
Приус 20 (Tosiba SCiB 60Ah 3p5s;Бинар-5Б-Компакт) + i-miev (титатантка)