avatar_inetchik

Балансир для LTO.

Автор inetchik, 16 Март 2017 в 19:50

« назад - далее »

0 Пользователи и 2 гостей просматривают эту тему.

Tymmmi

[user]S_Kov[/user], а у вас нет возможности разработать балансир, пусть даже не умный, но чтобы работал до напряжения 3,45В а потом выключался? ))

VladNSK

#937
Добрый день!
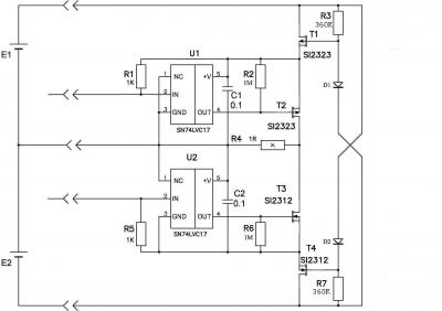
Наконец дорисовал схему усилителя тока балансировки.
В деле защиты от переполюсовки, при переходе к токам 2 А, возникла
трудность. А именно - большое (до 0.5 В) падение напряжения на диодах,
с помощью которых планировал защищать.
Решить удалось с помощью идеи, изложенной  в работе: Jeff Falin,
"Reverse Current/Battery Protection Circuits".

Защита выполнена на полевых транзисторах.
Очередная (3-я) версия схемы приведена на рис.



Диоды в цепях затворов защищают от превышения напряжения
ЗИ при разрыве межбаночных соединений под нагрузкой.
Применение триггеров Шмитта привело к автоматическому переходу
усилителя в ШИМ режим при подходе к равновесию, что существенно
снизило нагрев печатной платы.
Ток потребления в пассивном режиме менее 10 микроампер.

Вот так выглядит усилитель в сборе с балансиром:  :-)


S_Kov

Цитата: Tymmmi от 13 Дек. 2018 в 04:12S_Kov, а у вас нет возможности разработать балансир, пусть даже не умный, но чтобы работал до напряжения 3,45В а потом выключался? ))
А в чем проблема?
Все цифры порогов, которые я упоминал, меняются программно за пару минут. Максимальные напряжения ограничиваются стабилитроном в цепи питания МК (5.1V), который начинает "протекать микроамперами" при приближении напряжения к 5 вольтам.
Проблема может быть только в том, что вам надо именно 3.45. А если будет 3.44 или 3.46, то уже не подойдет.  Точность, к сожалению, в районе 0.6 %, так что сами смотрите. Если подойдет, то записывайтесь в бета-тестеры. Пришлите в приват адрес, вышлю тестовый образец. Только уточните остальные пороги.
А на счет "не очень умный", то зря иронизируете. Да, пока приборчик не использует свои мозги на всю катушку. Да, там есть главный МК и два подмастерья, между которыми работает сеточка. Каждый МК обслуживает свой канал из двух банок.  С оптронной сеточкой пришлось повозиться, т.к. в оптрон желательно выдавать не менее 1мА и, очень желательно, на очень короткое время. Пришлось отказать от стандартного UART-а и придумывать свое время-импульсное кодирование, чем-то напоминающее IrDA, только еще более экономичное. Но пока эта умная система используется только для навязывания Мастером своей временнОй сетки подмастерьям, что необходимо для синхронного отключения нагрузки на время измерения текущих напряжений на всех банках.  А это нужно  в свою очередь для того,  чтобы не путаться в 14-ти тонких и толстых проводах, а ограничиться только 7-ю тонкими. Ну и еще подмастерья сливают информацию Мастеру о своих текущих состояниях, т.к. только у мастера есть звоночек, в который он может звонить при убегании какой-либо из банок. А в перспективе эта система вполне может адаптироваться под текущий режим работы аккумулятора (заряд или разряд), запоминать , какая банка имеет тенденцию к убеганию или наоборот, и всю эту информацию можно использовать на пользу балансировки. До всего просто руки не дошли.. Сессия накатывает, туды ее в качель! ;)
На фотке процесс отладки сетки.
На верхнем луче запрос Мастера к одному из подмастерьев. На нижнем луче - ответ подмастерья в режиме эхо-повтора принятого кода.

 

Tymmmi

ЦитироватьА на счет "не очень умный", то зря иронизируете.

Это была не ирония, просто "разум" БМС как правило добавляет стоимости, а у меня  поточное производство батарей и значительно увеличивать стоимость не хотелось бы(

S_Kov

Цитата: VladNSK от 13 Дек. 2018 в 05:45Ток потребления в пассивном режиме менее 10 микроампер.
Весьма сомнительная цифра. Ее хорошо бы увеличить раз в пять.  Она стала бы похожей на правду.
Там только компаратор кушает 10 uA. А еще и полевички при 55градусах протекают на 10uA. Я уж не говорю про делители 100к/200к , которые сами по себе берут более 30uA. (при 3-х вольтах на каждой банке - ровно 40 uA от двух банок). Так что "осетра" надо бы урезать ;)

VladNSK

Цитата: S_Kov от 13 Дек. 2018 в 11:50
Весьма сомнительная цифра. Ее хорошо бы увеличить раз в пять.  Она стала бы похожей на правду.
Там только компаратор кушает 10 uA. А еще и полевички при 55градусах протекают на 10uA. Я уж не говорю про делители 100к/200к , которые сами по себе берут более 30uA. (при 3-х вольтах на каждой банке - ровно 40 uA от двух банок). Так что "осетра" надо бы урезать ;)
На схеме старые значения резисторов. Новые были подобраны из условия длительности импульса 300мкс. 330/680 кОм.
Компараторов в схеме нет. Буфер (ТШ) при питании 2.45 столько не ест. Там при напряжении 2.45 меньше 1 микроампера. Транзисторы при таких
напряжениях утекут совсем чуть. Вы для своих аргументов взяли негодные цифры.

S_Kov

Цитата: VladNSK от 13 Дек. 2018 в 12:22На схеме старые значения резисторов.
Зачем публиковать старые схемы, которые не соотвествуют заявленному потреблению?
Тренировка читателей на внимательность?
ЦитироватьВы для своих аргументов взяли негодные цифры.
Я взял цифры для делителей из вашей схемы. Потребление (максимальное) для ТШ взято из
даташита на этот прибор. Там написано, что при питании выше 1.65вольта потребление не выше 10uA. Если у вас есть ТОЧНЫЕ сведенья, что оно заметно меньше, обязательно поделитесь этим знанием с фирмой-производителем микросхем . "Мужики-то не знают!" ;)

VladNSK

Цитата: S_Kov от 13 Дек. 2018 в 12:50
Зачем публиковать старые схемы, которые не соотвествуют заявленному потреблению?
Тренировка читателей на внимательность? Я взял цифры для делителей из вашей схемы. Потребление (максимальное) для ТШ взято из
даташита на этот прибор. Там написано, что при питании выше 1.65вольта потребление не выше 10uA. Если у вас есть ТОЧНЫЕ сведенья, что оно заметно меньше, обязательно поделитесь этим знанием с фирмой-производителем микросхем . "Мужики-то не знают!" ;)
Не Вам учить меня, как публиковать мои схемы. Вначале научитесь публиковать свои. Что-то их
совсем не видно.
А даташиты читать научитесь. Цифра 10 мкА приведена для всего диапазона.
А микросхема работает при питании ниже половины от максимального. Понимаете - нет? При питании 3 В приведено потребление меньше 1 мкА.
Вообще-то, даже если бы и было так, как Вы ошибочно считаете, то и 30 мкА гораздо лучше, чем
у многих. Получите хотя бы 30.

S_Kov

Цитата: VladNSK от 13 Дек. 2018 в 18:01
Не Вам учить меня, как публиковать мои схемы.
И в мыслях не было никого учить. Я просто спросил, зачем публиковать старые схемы, а описания характеристик давать к другим схемам.  Адекватного ответа не получено.
Цитировать
Вначале научитесь публиковать свои. Что-то их совсем не видно.
Явная попытка перевести диалог в базарный стиль. Со мной это не прокатывает.
Вообще, казалось бы, ситуация кристально прозрачная. Если бы я ошибочно выложил  старую схему, и описания параметров не соотвествовали бы выложенной схеме, и мне бы кто-то на это указал, то я бы с легким сердцем сделал следующие шаги:
а) Извинился бы перед читателями за невольное введение в заблуждение старой схемой.
б) Искренне поблагодарил бы бдительного товарища за то, что он заметил мою ошибку.
с) Исправил бы свою ошибку в новом посте.
И все.
Цитировать
А даташиты читать научитесь.
Опять попытка базара. Это не ко мне.
Цитировать
Цифра 10 мкА приведена для всего диапазона.
А микросхема работает при питании ниже половины от максимального. Понимаете - нет? При питании 3 В приведено потребление меньше 1 мкА.
Ну, ту хоть какая-то конкретика, о которой можно говорить предметно.
Вполне возможно, что я где-то что-то не так посмотрел. Или, например, мы смотрим разные даташиты.  Давайте разберемся.
Я смотрел вот этот документ: http://www.ti.com/lit/ds/symlink/sn74lvc1g17.pdf
Там на 6-й странице ближе к концу таблицы есть две строчки, касающиеся тока потребления Icc. В первой написано, что при питании от 1.6 вольта до 5.5 вольта в диапазоне температур от -40 до +85 максимальное потребление не более 10 uA. И строчкой ниже написано, что при питании от 3вольт до 3.6 вольт и температуре 25 гардусов потребление не более 1.5uA.  Как из этого следует, что при трех вольтах питания в диапазоне температур от -40 до +85 ток потребления " меньше 1 мкА", я не могу понять. Или я не туда смотрю? Или вы говорите только про комнатную температуру? Или вообще надо смотреть в другой документ? Буду вам чрезвычайно признателен за науку, если вы мне укажете, где в даташите написано про " меньше 1 мкА".
      И вообще, не стоит так горячиться. У меня нет намерения вас задеть. Если это вдруг у меня невольно получилось, то готов принести вам свои извинения. Без обид.

VladNSK

Цитата: S_Kov от 13 Дек. 2018 в 20:50Я смотрел вот этот документ: http://www.ti.com/lit/ds/symlink/sn74lvc1g17.pdf
Там на 6-й странице ближе к концу таблицы есть две строчки, касающиеся тока потребления Icc. В первой написано, что при питании от 1.6 вольта до 5.5 вольта в диапазоне температур от -40 до +85 максимальное потребление не более 10 uA. И строчкой ниже написано, что при питании от 3вольт до 3.6 вольт и температуре 25 гардусов потребление не более 1.5uA.  Как из этого следует, что при трех вольтах питания в диапазоне температур от -40 до +85 ток потребления " меньше 1 мкА", я не могу понять. Или я не туда смотрю? Или вы говорите только про комнатную температуру?
Вот.
По умолчанию всегда понимаются нормальные условия.
Ток приведён при комнатной температуре.

Попутно внёс изменение в схему. Главное в нём - некоторое увеличение напряжения на затворах транзисторов,
следовательно, уменьшение их Ron. Побочный эффект - дальнейшее уменьшение потребляемого тока.

S_Kov

Продолжаю описание работ по созданию Balansir_RU.
Прежде всего еще раз проверил синхронизацию каналов. Система там простая. 2-х секундное окно режется на 16 интервалов по 125mS. Начало первого интервала навязывается Мастером всем остальным МК путем выдачи команды в сеть. После этого и Мастер и подмастерья отключают балласт и выжидают порядка 25mS, пока истинные значения напряжения не установятся на конденсаторах низкочастотного фильтра на входе АЦП. После этого в каждом канале происходит оцифровка сначала нижней банке в канале, потом верхней. После этого каждый МК разбирается с результатами оцифровки и выбирает номер интервала, в котором отключится балластный резистор. В третьем интервале подмастерья пересылают Мастеру информацию о результатах оцифровки.
Главный изюм сейчас заложен в зависимости разрядного тока балансира от напряжения на банке. Разрядный ток естественным образом зависит от напряжения на банке в силу закона Ома. Но вмешательство МК изменяет эту зависимость в сторону усиления. Ток повышается не только из-за повышения напряжения, но и в силу увеличения числа интервалов, когда балласт подключен к банке.  Это означает, что, чем выше "убежала" банка, тем бОльшие усилия будут приложены балансиром для скорейшего возвращения банки в пределы неопасного напряжения.
В этом, пожалуй, главное отличие Balans_RU от известных мне аналогичных приборов.
Это отличие базируется на уверенности, что главная задача балансира заключается не в выравнивании всех напряжений на банках (после заряда), а в предотвращении длительного превышения допустимого напряжения на убежавшей банке.  Например, если банка убежала от 2.70 до 3.00, то естественное увеличение тока через балласт составит около 10%, а поднятие числа активных интервалов с (минимальных) 7  до (максимальных) 15 даст еще 100% прироста тока балансировки. Обычно убегает одна, ну две банки, поэтому общее выделение тепла балансиром при этом остается в разумных пределах за счет небольшого тока балансировки в большинстве слабо убежавших банках.
На следующем фото показана временнАя синхронизация каналов. Верхняя осциллограмма - Мастер, нижняя - подмастерье. Первый пик указывает начало измерительного интервала (первый интервал из 16-ти) и отключение всех балластов. Второй пик показывает начала оцифровки нижней банки в канале. Третий пик показывает окончание оцифровки второй банки. Далее идет некий интервал времени, в течение которого МК обрабатывает полученные данные. И четвертый пик показывает момент включения балластных резисторов , если оно необходимо. Как видно, синхронизация вполне четкая.
Спойлер

Теперь перейдем к описанию испытаний балансира , которые с некоторой натяжкой можно назвать натурными ;)
Для испытаний были взяты 6 банок фугасов 40Ач, которые лежали у меня с начала сентабря. Они  за эти месяцы почти не изменили напряжение. Как были все 2.19 три месяца назад так и остались сейчас все 2.18.
ИМХО, вполне приличные экземпляры попались.
Пришлось все делать на скорую руку. Прошу не судить строго эту конструкцию батареи, все знаю про гальванические пары, алюминий уже нарезан и просверлен, но надо было срочно сделать 6S . Причем мне для лодочного мотора надо будет 2P3S.  Но просили потестировать для авто, так что пошли в ход проводники медные (6 квадратов) и стальные гайки и переходные стойки. Для подключения балансира просто накрутил несколько витков медного посеребренного провода и к нему припаивал провода от балансира. Вообще, столярно-слесарные работы - это мое слабое место, сразу признаю свою слабую компетентность в этом вопросе ;)
В результате получилась такая конструкция:
Спойлер
К батарее был поключен слегка доработанный стандартный зарядник (маленький вентилятор заменен на два больших, провода удвоены по толщине и добавлен сетевой выключатель на переднюю панель), который легко держит ток до 20 А. Заряжал сначала напряжением 15 вольт, потом поднял слегка, а в конце отключил балансир и поставил 16.5  с целью получить гарантированное убегание хотя бы одной банки. Получил. Все банки были в районе 2.70-2.73, а одна улетела на 2.89.
Спойлер
Подключил балансир. Результат порадовал. Тут надо немножко отойти в сторону от основного повествования и рассказать о звуковых сигналах. Когда балансир находится в активной фазе, т.е. подключает балласт, то он раз в 4 минуты издает короткий двухсекундный писк. Не очень громкий, думаю, в работающей машине он будет практически не слышен. Но в тишине я его хорошо слышу сквозь закрытую дверь лоджии (где проходили эксперименты с аккумулятором). Короткий писк говорит о том, что напряжение по крайней мере на одной банке больше 2.60вольта. А вот если напряжение выше 2.72- 2.73, то это уже считается попыткой к "бегству", и балансир играет целую мелодию. Три коротких писка, три длинных, три коротких. Известная комбинация сигналов даже для тех, кто не знает азбуку Морзе ;)
Оказалось, что звуковая сигнализация - это очень удобная вещь, которая позволяет не бегать каждые пять минут с тестером на холод. По звуку сразу ясно, в каком состоянии батарея и балансир. Если с батареей все хоршо, то даже моргающий балансир не должен пугать - все под контролем. А вот если вы слышите "SOS" , то самое время поинтерсоваться, что там с аккумулятором происходит.
Короче говоря, результат порадовал, тем, что всего через 15 минут я услышал, что SOS перешел в короткий писк. Померял напряжение - получил от 2.69 до 2.71. Подождал еще час и писк прекратился. Вышел, померял напряжение. На пяти банках было 2.60, на одной 2.59. решил, что это неплохо. Оставил все на ночь - утром ничего не изменилось в напряжениях.
Поставил на разряд током 18 ампер до напряжения 11.5, провоцируя банки на убегание вниз.
Спойлер
Получил убежавшую банку до 1.4. Удивился, что вниз убежала та банка, которая убегала вверх. Поставил опять на заряд повышенным напряжением, но балансир уже не отключал. Получил напряжения на банках опять в районе 2.73 плюс/минус единичка, и одну убежавшую банку (2.82), причем это была уже другая банка, не та которая убежала вверх (и вниз) в прошлый раз! Я понял, что ничего не понимаю в закономерностях и причинах убегания банок ;)
Опять отключил зарядник и получил через пятнадцать минут короткие звонки, что говорило о том, что в принципе с батареей все в порядке. Еще через час балансир отключился. На 4-х банках 2.60, на двух 2.59. Меня это устраивает.
Завтра попробую пристроить приборчики на пару автомобилей с титанатом. Это будет уже совсем честное тестирование. О результатах доложу общественности.

Яков93

Цитата: S_Kov от 17 Дек. 2018 в 03:07
Продолжаю описание работ по созданию Balansir_RU.
...
Главный изюм сейчас заложен в зависимости разрядного тока балансира от напряжения на банке. Разрядный ток естественным образом зависит от напряжения на банке в силу закона Ома. Но вмешательство МК изменяет эту зависимость в сторону усиления. Ток повышается не только из-за повышения напряжения, но и в силу увеличения числа интервалов, когда балласт подключен к банке.  Это означает, что, чем выше "убежала" банка, тем бОльшие усилия будут приложены балансиром для скорейшего возвращения банки в пределы неопасного напряжения.
В этом, пожалуй, главное отличие Balans_RU от известных мне аналогичных приборов.
Если я правильно понял, Вы сейчас описали режим ШИМ регулировки разрядного тока. Я такой режим провбовал, ничего особенного он не дает если только у Вас не подразумевается максимальный разрядный ток например в 1С. Ну тогда да, желательно его регулировать.
А если разрядный ток небольшой, то проще начинать давить убегающие банки в самом начале заряда, не дожидаясь пока они далеко вырвутся вперед и придется к ним подключать серьезную нагрузку.
Цитировать
Это отличие базируется на уверенности, что главная задача балансира заключается не в выравнивании всех напряжений на банках (после заряда), а в предотвращении длительного превышения допустимого напряжения на убежавшей банке
Полностью согласен. Выравнивание напряжения как самоцель это бессмысленное занятие. Балансир это не весы, а предохранительный клапан, который не дает котлу взорваться и выводит часть лишней энергии "в свисток".
Цитировать
Удивился, что вниз убежала та банка, которая убегала вверх.
Не стоит удивляться, это как раз самое нормальное явление.
Почему какие-то банки первыми убегают вверх по напряжению? Потому что они имеют самую маленькую остаточную емкость по сравнению с соседними банками, а потому и быстрее "наполняются" и соответственно показывают напряжение, которое бывает только при полном заряде банки.
При разряде та банка у которой емкость меньше остальных естественно разряжается быстрее и напряжение на ней падает ниже соседних.
Все логично.
Задача балансира удерживать верхнее напряжение банки не выше опасного как можно дольше, чтобы общее напряжение сборки не превышало максимальное и ЗУ просто не отключилось бы посчитав, что заряд закончен. При этом оставив остальные банки недозаряженными.
Цитировать
Получил напряжения на банках опять в районе 2.73 плюс/минус единичка, и одну убежавшую банку (2.82), причем это была уже другая банка, не та которая убежала вверх (и вниз) в прошлый раз! Я понял, что ничего не понимаю в закономерностях и причинах убегания банок ;)
Остаточная емкость аккумулятора это не раз и навсегда "Богом данная" величина. Она меняется от каждого цикла разряда/заряда и не всегда в сторону уменьшения. На этом построен принцип лечения аккумуляторов с помощью КТЦ когда получается восстановить былую емкость после нескольких циклов разряда-заряда. Во всяком случае это действует на свинцовых АКБ, насчет титаната не знаю.
Если принцип такой же, то можно предположить, что у прежнего аутсайдера по остаточной емкости от цикла разряда-заряда емкость немного увеличилась и аутсайдером стала другая банка. А может быть и более печальная история - ни у кого ничего не восстановилось, а наоборот одна из банок только потеряла емкость и стала новым аутсайдером  :bn:

Tymmmi

ЦитироватьПолностью согласен. Выравнивание напряжения как самоцель это бессмысленное занятие. Балансир это не весы, а предохранительный клапан, который не дает котлу взорваться и выводит часть лишней энергии "в свисток".

Именно выравнивание предупреждает значительное превышение напряжения на какой-либо банки из за разницы в заряженности элементов. Цель именно выровнять а не ограничить, ибо ограничивать токи в 50-60А идея так себе)

Яков93

Цитата: Tymmmi от 17 Дек. 2018 в 10:59
Именно выравнивание предупреждает значительное превышение напряжения на какой-либо банки из за разницы в заряженности элементов. Цель именно выровнять а не ограничить, ибо ограничивать токи в 50-60А идея так себе)
Вот представьте, что Вы соединили параллельно два аккумулятора (две банки) в одной емкость 100 Ач, в другой 10 Ач. При этом напряжение на них сразу же станет одинаковым. Подержите их соединенными так пару часов, чтоб уровень заряженности полностью выровнялся. Потом соедините последовательно и начните заряжать... В итоге банка с малой емкостью быстренько зарядится и начнет кипеть, а большая будет только в начале процесса заряда. И это несмотря на то, что до заряда их процент заряженности выровняли просто идеально.

Отсюда вывод - выравнивание уровня заряженности на банках разной остаточной емкости при отключенном заряде это бессмысленное мероприятие.

Tymmmi

Хорошо что у нас все банки примерно одинаковы по емкости и ограничение им нафиг не нужно:)

Яков93

Цитата: Tymmmi от 17 Дек. 2018 в 11:33
Хорошо что у нас все банки примерно одинаковы по емкости и ограничение им нафиг не нужно:)
Да, хорошо пока такое есть  :pardon:

xeus

[user]Яков93[/user], после года эксплуатации проводил ктц. Всей сборки отдано 33ач, столько же сколько и год назад. Акб некондиция.

S_Kov

#953
Цитата: Яков93 от 17 Дек. 2018 в 09:00Если я правильно понял, Вы сейчас описали режим ШИМ регулировки разрядного тока. Я такой режим провбовал, ничего особенного он не дает если только у Вас не подразумевается максимальный разрядный ток например в 1С. Ну тогда да, желательно его регулировать.
А если разрядный ток небольшой, то проще начинать давить убегающие банки в самом начале заряда, не дожидаясь пока они далеко вырвутся вперед и придется к ним подключать серьезную нагрузку
Ток 1С я точно не смогу обеспечить. Сейчас я поставил керамические резисторы на 3.9 ома, так что максимальный ток балансировки заметно выше 0.5А, но до 1С очень далеко. Такие большие токи имеет смысл иметь, если вы хотите влиять на процесс заряда. Для пассивного балансира , кмк,  в этом нет смысла. Его область деятельности - работа при выключенной зарядке или когда от нее поступает уже меньше 1А.
Проблема с убеганием в том, что , исходя из моего скромного опыта, заранее невозможно предсказать, кто убежит на финише. Я специально поисследовал этот вопрос и пришел к выводу, что "энергетика" эффекта выбегания удивительно мала! Я думал, что это 1-2Ач, а оказалось на порядок меньше! Иначе я не смог бы током 500мА убрать убегание за 15-20 минут. Поэтому убежавшую банку можно распознать только уже почти на самом финише, когда она за считанные минуты делает финишный спурт ;)
Что касается моего ШИМ, то у него основное назначение - распределение общей мощности балансира по банкам в соотвествии со степенью убегания. Балансир имеет некий ресурс по рассеиваемой мощности. Ну, при моих габаритах платы это ватт 5-8-10 от силы (зависит от степени "укутанности" платы от внешнего мира и внешней температуры). И этот ресурс можно использовать по-разному. Так вот мой балансир кидает 50-70% ресурса на придавливание одной убежавшей банки. Мне кажется, что это правильно.