avatar_Denzel Motors

Асинхронный двигатель ASPP

Автор Denzel Motors, 12 Фев. 2018 в 18:58

« назад - далее »

0 Пользователи и 1 гость просматривают эту тему.

vicar21

Цитата: edw123 от 13 Янв. 2019 в 11:08Цитата: Евгений Митин писал Сегодня в 03:48

    ...форсирование, выжимание последнего, износ, риск отказа и простоя - это тупиковый путь развития техники, ...
    мотор, который достанется внукам и за сто лет сэкономит гору ресурса - вот ради чего стоит заходить на этот форум...

Как обычно - истина по середине. За "100 лет" технология и наука свернут сильно вправо (или влево, или вниз), а вы будете всё так же ездить на батарейках 3336Л. :~-( Мотор конечно не расходная эксплуатационная жидкость с ежемесячной заменой, но и пирамида Хеопса.
Вот уверенно приходят асинхронники, завтра и они изменятся до неузнаваемости.
[user]edw123[/user],  Правильно, это и стоит очень поддерживать, если есть любители экспериментов, то и есть желание помочь, потому что это только способствует развитию.
[user]Евгений Митин[/user], Евгений, здесь есть резон. Не везде можно поставить больший движок. И например брали ДА90 для передвижной робототехники. Там место ограничено. И дело в том, что асинхроннику всё равно, перегрелся он до 180 или нет (это ограничение по лаку для меди, можно и подороже медь использовать с более высокой изоляционной защитой, но смысла нет, потери не оправдаются из-за потерь на сопротивление). Контроллер его раньше отключит. И после остывания дальше так же работает. Поэтому можно спокойно эксперементировать. Потери возникают с наростанием при нагреве. И если нагрев полностью предупредить (именно не сдувать жар, а не допустить нагрев), то мы получим эффект.
И по этому у этого мотора открыта возможность для экмпериментов. Открыты отверстия, их можно закрыть или использовать, как вентиляцию. Рубашки нет, но можно поставить любую. И здесь целое поле для экспериментаторства, от радиатора до холодильника. И возможно кто то сделает свои решения и запатенирует их, как решение охлаждения.
Один и тот же режим при разных температурах имеет разные показатели эффективности. Не секрет,  что при возрастании температуры, потери растут, при изменении сопротивления.

А рынки и установленные ограничения заставляют искать решения. Ограничение ниже 3 кВт, приводит к тому, что электротранспорт в Китае ездит большинство там где ровнинные местности, и в Вейхае (хотя это не такой уж горный район, напоминает Монако) очень мало электротранспорта. А в ровнинных местах до 95% всех двух колёсных средств ездят на электротяге. Мощность ограничена и редуктором 1:12 или даже 1:16 не поднять достаточно момент, потеряешь скорость полностью. И эти идиотские ограничения для электровелосипедов на 250 ватт не позволяют электровелосипедам появиться в местах с горками. 
Так что имея это момент и не допустив нагрев (недорогими средствами) мы получим приимущество в горных районах.
Поэтому и буду положительно в будущем смотреть и помогать тем кто ищет и находит решения. Только для пользы.
Тестирование моторов со «Славянкой» https://electrotransport.ru/index.php?topic=43516.0
электро двигатели АСПП со Славянкой  https://electrotransport.ru/index.php?topic=52943.0#topmsg

P.M.

Цитата: vicar21 от 12 Янв. 2019 в 15:06
[user]P.M.[/user], это большей части вас касается.
А данные на моторы открыты для общего доступа в интернете. Здесь я не модератор.
http://www.as-pp.asia/index.php/en/electric-motors 
[user]vicar21[/user] спасибо понял.
Осталась маленькая неясность -
беличья клетка у DA90S медная или алюминиевая?

vicar21

Цитата: P.M. от 13 Янв. 2019 в 17:07smiley vicar21 спасибо понял.
Осталась маленькая неясность -
беличья клетка у DA90S медная или алюминиевая?
алюминий.
Тестирование моторов со «Славянкой» https://electrotransport.ru/index.php?topic=43516.0
электро двигатели АСПП со Славянкой  https://electrotransport.ru/index.php?topic=52943.0#topmsg

kor

Цитата: vicar21 от 12 Янв. 2019 в 15:06А данные на моторы открыты для общего доступа в интернете. Здесь я не модератор.
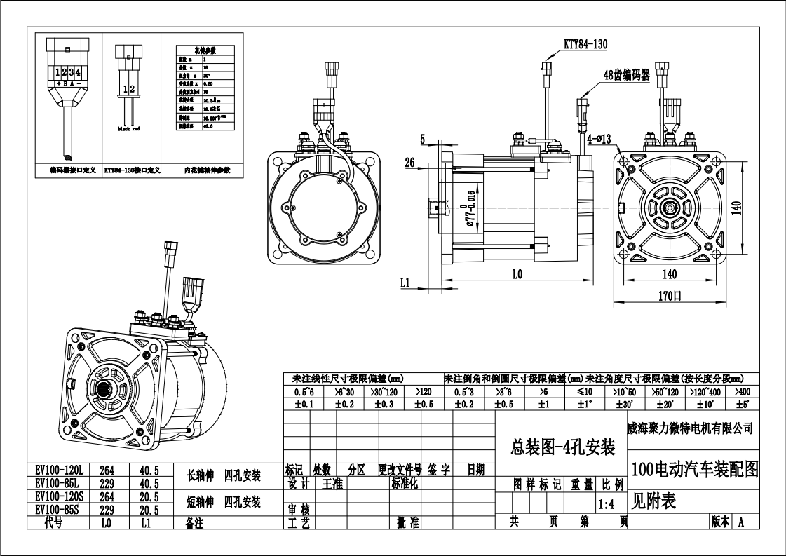
http://www.as-pp.asia/index.php/en/electric-motors Тут вы найдёте и размеры и общие данные, кроме обмоточных. На ДА100 с 120 мм длинна на 35 мм больше, а так всё одинаковое. Есть ещё другой вид фланца для ДА100 он расчитан на крепление для большего редуктора с 4мя отверстиями для крепления и фланец квадратной форчы. Если нужно то и его выставлю.
Имеется ввиду видимо "На ДА100 с 120 Нм длинна на 35 мм больше, а так всё одинаковое." или 120мм это толщина пакета статора? И какая толщина пакета статора и полюсность у этих ДА100S ? и какая толщина пластин статорных?
  Можно ли от ДА100S 7квт приобрести только статор (без обмотки) и фланцы подшипниковые (для экспериментов)?

Другой вид фланца для ДА100 -интересно посмотреть.

vicar21

Цитата: kor от 14 Янв. 2019 в 10:53Имеется ввиду видимо "На ДА100 с 120 Нм длинна на 35 мм больше, а так всё одинаковое." или 120мм это толщина пакета статора? И какая толщина пакета статора и полюсность у этих ДА100S ? и какая толщина пластин статорных?
  Можно ли от ДА100S 7квт приобрести только статор (без обмотки) и фланцы подшипниковые (для экспериментов)?

Другой вид фланца для ДА100 -интересно посмотреть.
Нет, как раз 120 это длинна пакета в мм, у мотоциклетного 85мм. У обоих внутренний диаметр 106, а внешний 155 мм.
Здесь с фланцами под 4х точечное крепление.

Длинна и общая и железа отличается на 35 мм. 229 или 264 мм, без учёта оси.
Корпуса отдельно нет возможности заказывать по отдельности.
Тестирование моторов со «Славянкой» https://electrotransport.ru/index.php?topic=43516.0
электро двигатели АСПП со Славянкой  https://electrotransport.ru/index.php?topic=52943.0#topmsg

Kostik

Цитата: vicar21 от 13 Янв. 2019 в 19:22
алюминий.

А вот если в этом моторе "DA-90S  AC Motor 3kW" заменить беличью клетку на медную, насколько изменится КПД и вес?  Сейчас он как я понимаю - Max efficiency: 91%.  Планируются ли испытания такого мотора, пусть и не серийного, а собранного в лаборатории в единичном экземпляре? Очень интересно.

vicar21

#762
Цитата: Kostik от 15 Янв. 2019 в 18:07А вот если в этом моторе "DA-90S  AC Motor 3kW" заменить беличью клетку на медную, насколько изменится КПД и вес?  Сейчас он как я понимаю - Max efficiency: 91%.  Планируются ли испытания такого мотора, пусть и не серийного, а собранного в лаборатории в единичном экземпляре? Очень интересно.
Да, мы это рассматриваем запуска в серию, специально спроэктированных моторов, но это следующий шаг. Сперва подготавливаю Китайский рынок и изучаю партнёров.
Повышение эффективности при медном роторе для промышленных моторов - на один класс эффективности выше (это я уже писал в одном из сообщений, что для этого габарита, может до 5-6% быть, с учётом того, что оригинал был 69%), для тягового,  же, так как он работает при управлении контроллером и на совсем других частотах, повышение примерно на 2-3%.
Но медный ротор и повышает эффективность не только в номинале, а и во всём диапазоне нагрузки. То есть , потребление упадёт больше чем эти 2%.
На стартовых и перегрузочных режимах, это скажется значительно. Один мотор 112 габарита с медной беличьей клеткой сейчас у меня в работе, и скоро будут тесты в автомобиле. Но это единичный образец для тестов и перспектив. Длинна  и диаметр ротора 120мм, шести полюсник.


Это интересная статья как раз на эту тему о роторах Тесла, переводчик поможет понять.
https://www.toutiao.com/a6646277761872691719/?tt_from=weixin&utm_campaign=client_share&wxshare_count=1&timestamp=1547485024&app=news_article&utm_source=weixin&iid=57605314257&utm_medium=toutiao_android&group_id=6646277761872691719

Но литьё медью имеет сложности и в Китае, только пару заводов могут это делать.
В лаборатории в Зеленограде это сейчас возможно, но в малых сериях, для тестов, можно.
Но как сказал, это будущий шаг.
А по поводу веса, то удельный вес, г/куб.см у алюминия почит 2,7, а у меди почти 9.
Учитывая, что алюминия в роторе около 600-700 гр, то вес мотора изменится всего незначительно
Тестирование моторов со «Славянкой» https://electrotransport.ru/index.php?topic=43516.0
электро двигатели АСПП со Славянкой  https://electrotransport.ru/index.php?topic=52943.0#topmsg

NextFaer

Корхов как то упомянул о серебрянных обмотках , видно опыты с ними идут интенсивно... смотреть с 10 мин 30 сек , ни вентиляторы ни нагревы ни потери с ним  ;-) https://www.youtube.com/watch?time_continue=30&v=DQ59aM14mbo  [user]vicar21[/user], а Вы что нибудь с серебрянным проводом экспериментируете ?   ;-) Посеребрянным точней.

kor

Цитата: vicar21 от 15 Янв. 2019 в 21:51Повышение эффективности при медном роторе для промышленных моторов - на один класс эффективности выше
Кажется при малом сопротивлении беличьей клетки у асинхронного мотора падает стартовый момент (при неподвижном роторе), или это актуально только при питании от сети с фиксированным напряжением и частотой?

on4ip

Цитата: kor от 16 Янв. 2019 в 08:20
  Кажется при малом сопротивлении беличьей клетки у асинхронного мотора падает стартовый момент (при неподвижном роторе), или это актуально только при питании от сети с фиксированным напряжением и частотой?
Понятие стартовый момент для ЧРП не имеет смысла, а для машин включаемых в сеть прямым пуском стартовый момент зависит от сопротивления ротора.
В жизни все не так, как на самом деле.

vicar21

Уважаемые форумчане [user]NextFaer[/user], [user]rzaviy[/user], [user]zzrr[/user],
я уже не однократно обращался к вам и просил  [user]Anton_S[/user] чистить всё что не связано с этой темой.
Но уважения к работе модератора, как я вижу нет.
Название темы и о чём она смотри страницу 1 https://electrotransport.ru/index.php?topic=52943.msg1275540#msg1275540
есть вопросы по этой теме- добро пожаловать. Просто словами пофлудить, есть другие ветки, или их закрыли из-за вас.
Здесь есть уже многие кто имеет эти моторы, кто с ними эксперементирует и делают какие либо доработки. Получают опыт и будут выкладывать свои мнения.
Или у вас есть личный опыт по работе с этими моторами?
Тестирование моторов со «Славянкой» https://electrotransport.ru/index.php?topic=43516.0
электро двигатели АСПП со Славянкой  https://electrotransport.ru/index.php?topic=52943.0#topmsg

vicar21

Цитата: NextFaer от 16 Янв. 2019 в 21:36
[user]vicar21[/user], Что "не по теме" в моих постах? Укажи если усмотрел!
я же дал ссылку, тема была открыта для конкретных моторов. обсуждение их, вопросов по ним, пожеланиям по изменению, делиться опытом.
ASPP это компания произодящая эти моторы или если полностью расшифровать, то ASPP (Weihai) Technology Co. Ltd.
Я надеюсь что всё донес. Всё остальное не в этих ветках.
Тестирование моторов со «Славянкой» https://electrotransport.ru/index.php?topic=43516.0
электро двигатели АСПП со Славянкой  https://electrotransport.ru/index.php?topic=52943.0#topmsg

NextFaer

[user]vicar21[/user], Выше был задан Вам вопрос " Вы что нибудь с серебряным проводом экспериментируете ?   ;-) По серебряным точней " нет так нет да то да , уточните пожалуйста.  ;-) Стал уже путаться тк АСиПП теперь есть несколько, Зеленоградское и Китайское в Вейхае , моторы по темам тоже поделим тк сказать котлеты отдельно мухи отдельно! :laugh: Ну то что ПРОЕКТ расширился и растёт очень хорошо! :wow:

NextFaer

[user]vicar21[/user], посеребрённый провод даёт эффект НЕ НАГРЕВАЮТСЯ ОБМОТКИ и не ради украшения из этого расход снижается ну и тд.  ;-) Ну не эксперементируете , теперь понятно , на эту тему ВОПРОСОВ БОЛЬШЕ НЕТ! B-)

vicar21

Цитата: NextFaer от 17 Янв. 2019 в 12:48vicar21, посеребрённый провод даёт эффект НЕ НАГРЕВАЮТСЯ ОБМОТКИ и не ради украшения из этого расход снижается ну и т
Знаю, и не отрицаю, но попробуйте посчитать экономическую часть и показать, что это окупается.
Медью в Китае льют ротора, только две компании, а остальной рынок их не видит. Экономика движет.
все стремятся показать, что они за сотню долларов полностью привод продают.
Перейдут дискусии такого порядка на другую ветку, буду иногда заглядывать. А здесь лучше по теме.
Тестирование моторов со «Славянкой» https://electrotransport.ru/index.php?topic=43516.0
электро двигатели АСПП со Славянкой  https://electrotransport.ru/index.php?topic=52943.0#topmsg

Anton_S

[user]vicar21[/user],
Не отвечайте ему.
Мегаспец по металообработке.
Свой цех.

vicar21

Приветствую всех,
После длительного время, очередное видео о ДА100S в мотоцикле который  предоставил мне мой китайский партнёр компания Hydrogen Power Train Co.LTD

Фильм получился длинный, но те кто знают электромотоциклы смогут его полностью посмотреть. Расходы по току видны на всех режимах поездки. Вес полный вместе со мной 225 кг. Вес чисто мотоцикла 140 кг. После увеличения батареи, которое будет в послепраздничные дни (в дороге уже батареии 10С)
вес ещё изменится, но и скоростные параметры изменятся. Токи можно будет полностью с этого контроллера подавать. Пока контроллер на 275А.
При разгоне видно, что ручку газа приходилось сбрасывать. Но после 3 попыток, решил разгон сделать до предела по бмс и затем дать больше. Ну как раз и видно, что как только ток зашёл за 160А  бмс отключилась. А мотор свободно переваривает и больше. Контроллер тоже может токи отдавать.
При поездке по городу видно, что даже на подъёмах в горку разгон идёт не плохой и после 60 км/ч . Расход равномерно увеличивается со скоростью. Но длинных прямых участков не тестировал, надо на другую дорогу выезжать. Пока была поездка чтобы увидить поведение на подъёмах, а их было 4 или 5 на всём пути в 12,5 км.  В следующем видео, на 60, 70 и 80 км/ч постараюсь зафиксировать расходы тоже.
Пока из всех моделей это моя любимая версия. Идёт как по маслу. Хороший накат. Балансировка и обработка всех деталей очень качественная.
Но это моё мнение. Тестировщикам можно будет высказываться.
Если нужны будут детальные фотки сделаю.
Настройки контроллера ещё поделаю и после установки батарей и коферов, будет красивая конфетка.
Тестирование моторов со «Славянкой» https://electrotransport.ru/index.php?topic=43516.0
электро двигатели АСПП со Славянкой  https://electrotransport.ru/index.php?topic=52943.0#topmsg

edw123

Цитата: vicar21 от 31 Янв. 2019 в 04:18
Приветствую всех,
После длительного время, очередное видео о ДА100S в мотоцикле ...
Если нужны будут детальные фотки сделаю.
Настройки контроллера ещё поделаю и после установки батарей и коферов, будет красивая конфетка.
Можете указать на видео конкретные секунды, во время которых происходил наиболее характерный, по Вашему мнению, разгон аппарата. Хочется понять реальную разгонную мощность и время.