avatar_okolov

Скутеры для инвалидов, всё про них и вокруг них

Автор okolov, 02 Нояб. 2018 в 13:10

« назад - далее »

0 Пользователи и 2 гостей просматривают эту тему.

slav

Цитата: е-байкер от 09 Май 2019 в 09:10
с праздником!Классный аппарат. :wow:Но,если подумать ещё немножко  :bw:,то поставив в него графеновые АКБ,можно сделать его ещё лучше. :exactly:

,,Всё выше,выше и выше .........,,   :exactly:   32 КМ\Ч

 

okolov

Замена предохранителя и установка гнезда для подключения дополнительных АКБ, для скутера  R1 (МТ-14).  :-)


okolov

Вот какой интересный вопрос повис? :bw:
Когда скутер был с заводскими настройками (которые я случайно потерял), он ехал 15 км/ч, и в настройках было выставлено 100% скорости.
Сейчас со стандартными настройками он едет 12 км/ч, и в настройках также стоит 100% скорости.
Значит, я ещё не дошёл до настроек увеличения скорости,  они могут оказаться выше 15 км/ч. :ку:
После завершения всех испытаний, выложу настройки программирования.

Caxap

Цитата: okolov от 29 Июнь 2019 в 13:18
Пожалуйста, https://yadi.sk/d/PLg0cnBxWISDdQ :-)
Только придётся ещё собрать проводок, там всё просто.  :exactly:
Обращайтесь, если что, подскажу. :kidding:
Спасибо огромное!!!!
Шнурок спаял,но начались танцы с бубном(((
Вообщем шнурок на PL2303,FT не нашел(((
При подключении к пк и запуске программы,на переходнике начинает мигать светодиод на TXD,т.е программа запрос отпраляет,а в ответ тишина((
К пульту подключена вся обвязка(оба мотора и акб),в выключенном состоянии в программе COMMSINNACTIV,и во включенном так же(((
Может зажать,на пульте,что то нужно,что бы он в режим программирования вошел?

Добавлено 02 Июль 2019 в 14:38

и еще вопрос к собиравшим схему,там диод правильно стоит?
как помне,то не правильно(((

Oleg_

Цитата: okolov от 29 Июнь 2019 в 13:18
Пожалуйста, https://yadi.sk/d/PLg0cnBxWISDdQ :-)
Только придётся ещё собрать проводок, там всё просто.  :exactly:
Обращайтесь, если что, подскажу. :kidding:
По вашей схеме кабель не коннектится....
В соседней ветке про инв.технику  с полгода от вас помощи жду. :bored:

Добавлено 02 Июль 2019 в 14:59

[user]Caxap[/user],
так и у меня тоже не работает., подцеплялся на коляске s-drive контр...

Caxap

Диод переврнул,ничего не изменилось((

Oleg_

[user]Caxap[/user],
А почему на  FT не стали делать ?
Я  вот так сделал по его схеме  и схеме  его  друга .
Кабель не работает .
Пока  подобытного нет чтоб проверить еще раз. Но спаял  все по феншую .
https://electrotransport.ru/index.php?topic=55169.msg1557675#msg1557675

okolov

Цитата: Oleg_ от 02 Июль 2019 в 14:57
По вашей схеме кабель не коннектится....
Лучше делать вот по этой схеме:

Цитата: Oleg_ от 02 Июль 2019 в 14:57
так и у меня тоже не работает., подцеплялся на коляске s-drive контр...
С этими контроллерами отдельная песня, тут контроллер надо подключать отдельно;


okolov


Oleg_

Цитата: okolov от 03 Июль 2019 в 13:23
Лучше делать вот по этой схеме:
С этими контроллерами отдельная песня, тут контроллер надо подключать отдельно;


Именно по этой схеме от Сергея я и сделал :exactly:
Отдельно контр нет.
Посмотрим что у других получится., потому что я сделал все феншую и не конектится.

okolov

#352
Цитата: Oleg_ от 03 Июль 2019 в 16:11
Посмотрим что у других получится., потому что я сделал все феншую и не конектится.
Ну, во-первых, должен быть Win.7. Надо запретить все обновления, иначе защитные программки британской конторы, могут убить адаптер. >:D
Вот здесь, http://kmpu.ru/other/ft232rl_rabota_s_draiverom/index.html#Chapter_4 всё хорошо описано.

Caxap

#353
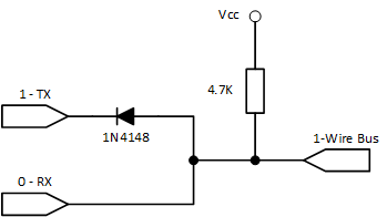
По-сути шнурок это переходник из RS232 в 1-wire,простейшая схема диод шотки и резистор,правда номинал слишком велик,там до 20к,обычно 4.7к,
Есть специальные микросхемы от Далласа,DS2480,DS2490
И еще один вариант на дискретной рассыпухе




okolov

Сделал себе наборчик для программирования скутеров и колясок. :kidding:


okolov

Самое главное забыл сказать, :eureka: первым делом, сохраните копию ваших настроек, а там уж не страшно будет. Не повторяйте моих ошибок. :fool:

Начинать надо так, загрузить данные с контроллера и сохранить их. :exactly:

Цитата: Caxap от 02 Июль 2019 в 14:33
Шнурок спаял,но начались танцы с бубном(((
При подключении к пк и запуске программы,на переходнике начинает мигать светодиод на TXD,т.е программа запрос отпраляет,а в ответ тишина((
Я то же  помумукался, :facepalm: с коляской должно быть проще, просто в разъём зарядки вставить. :ку:



okolov

Вроде, как разобрался без заводских настроек. :ку:
Скорость восстановил, скутер с подобранными мной настройками, стал лучше управляем, мощнее, с хорошим стартом, при этом может ехать очень медленно.
Всё это можно делать на одном режиме, так как, я расширил угол чувствительности газа.
Продолжу доведение до ума по максимуму, жаль только, что движок стоит слабенький, на 150W меньше, чем было обещано в начале.
Далее займусь МТ-14, а в начале следующего года, коляской «Ottobock B 400»

Sovaelectro

Какая, странная тема.
Почти 20 страниц, очень продвинутые пользователи, обсуждают программирование контроллера транспорта для инвалидов и пожилых.....
Хотя наверняка, многих, просто интересуют типы, виды и характеристики транспорта.
Я не инвалид. Пока.... Но есть много друзей, получивших увечья в разном возрасте. И имеющих разные ограничения в передвижении.
Наверно надо больше простой информации для них.
Безусловно есть элитный,   ультрадорогой транспорт, а есть простые и не дорогие модели. На нашем рынке их становится всё больше... И в основном это китайцы.

Это модель на 48вольт 500Ватт с свинцовым аккумулятором.
Специалист по металлообработке.
Начинающим ознакомиться в теме "City Coco и всё о них" - стр7, стр9, стр10,стр14, стр16,стр21, стр22,стр28, стр31
стр39, стр49, стр54, стр69, стр 133, стр319, 418 этой темы.

Sovaelectro

Людям с ограниченной подвижностью, скорее надо искать транспорт не специализированных магазинах для спец-мед техники ( там очень высокие цены..), а в магазинах тогующих электроскутерами. Да! Там будет только КИТАЙ, но как показала практика это имеет право на жизнь и очень бюджетно. Я катаю два года на китайском электросамокате. Он немного доработан. Но в целом надёжен.
Причём катаю круглогодично. Пробег уже достиг 4700км.
Специалист по металлообработке.
Начинающим ознакомиться в теме "City Coco и всё о них" - стр7, стр9, стр10,стр14, стр16,стр21, стр22,стр28, стр31
стр39, стр49, стр54, стр69, стр 133, стр319, 418 этой темы.

Sovaelectro

#359
Московская фирма  ElectroTown  предлагает несколько моделей такой техники.



Если делать  выбор, то ориентироваться надо на наличие сервисной службы в торговой точке и службы доставки.
Выглядит это так....

Китайские товары бывают нормального качества, а бывают рулеточного. Со счёта это сбрасывать нельзя.....

Особое внимание надо уделить моделям с литий-ион-полимерными батареями. Они легки, но пожароопасны. Оставлять их на зарядке без присмотра - нельзя! И следует заранее обдумать меры предосторожности.
Специалист по металлообработке.
Начинающим ознакомиться в теме "City Coco и всё о них" - стр7, стр9, стр10,стр14, стр16,стр21, стр22,стр28, стр31
стр39, стр49, стр54, стр69, стр 133, стр319, 418 этой темы.