avatar_Sonar

Контроллеры kugoo s2/s3 от Sonar'a

Автор Sonar, 14 Март 2020 в 20:38

« назад - далее »

0 Пользователи и 1 гость просматривают эту тему.

inetchik

#198
Сопротивление усиленной дорожки ECU (xc836):


ECUfS без усиления и с усилением:


А плюсовая шина: 1,12mR (хс836) VS 0,47mR (ECUfS усиленная).



Проверил спарку шунтов:




Засомневался, но сомнения развеялись:


Записал, на всякий случай, для возможных корректировок:




SF8. B1-Р600 с ЛЖФ15S-19.5АЧ.
KUGOO-S2(MS) c переклеенными магнитами+Лифт+ПУ+DCfS v2.0.KUGOO-S2(LS) c Лифтом+ПУ.
Мы на карте.BR, Dmitry.

inetchik

Спойлер
Намотал на ус интересный момент о конденсаторах: http://vprl.ru/publ/istochniki_pitanija/tekhnologii/formuem_ehlektroliticheskie_kondensatory/8-1-0-23 .

Добавлено 20 Дек 2020 в 11:15

[user]Sonar[/user].
На заметку и размышление.
У электролита 470*63В (хс836) диаметр выводов 0.8мм, а у применённого тобой 470*63В - 0.6мм.
Получается 0.5мм2 vs 0,28мм2.
SF8. B1-Р600 с ЛЖФ15S-19.5АЧ.
KUGOO-S2(MS) c переклеенными магнитами+Лифт+ПУ+DCfS v2.0.KUGOO-S2(LS) c Лифтом+ПУ.
Мы на карте.BR, Dmitry.

inetchik

#200
https://www.chipdip.ru/product0/9000565760

Этот установлен ?




С какой хитрой целью продублирован "VK+" ?


На плате находятся два пятивольтовых контакта, но один из них идёт через резистор в 10R:

Почему, для чего через резистор ?

Да и в "шапке" ничего не сказано уточняющего об резисторе:
Цитата: Sonar от 14 Март 2020 в 20:38...."TX" - отправка данных к контроллеру дисплея (зеленый провод)
"+5v" - питание вспомогательных цепей (термодатчиков, датчиков холла)
"SA" - сигнальный вход от датчика....



SF8. B1-Р600 с ЛЖФ15S-19.5АЧ.
KUGOO-S2(MS) c переклеенными магнитами+Лифт+ПУ+DCfS v2.0.KUGOO-S2(LS) c Лифтом+ПУ.
Мы на карте.BR, Dmitry.

Sonar

Цитата: inetchik от 20 Дек. 2020 в 11:22Этот установлен ?
Да, он самый.

Цитата: inetchik от 20 Дек. 2020 в 11:22С какой хитрой целью продублирован "VK+" ?
Для подключения габаритов и стоп-сигнала.

Цитата: inetchik от 20 Дек. 2020 в 11:22Почему, для чего через резистор ?
Вывод через резистор для подключения питания датчиков холла. Резистор - попытка побороть помехи, идущие на термодатчик. Результат пока неоднозначный.
Kugoo S2 blue, 36v, 20,8A/h, 2WD, 1,9kW max, Prog disp v3.8, Prog drive v1.9, odo: 34402km.
Все материалы по альтернативным контроллерам для Kugoo S2/S3: http://213.21.12.200/kugoo_project/
Тема на форуме по этим контроллерам https://electrotransport.ru/index.php?topic=61126.0

inetchik

Я ДХ напрямую подключил к +5В, термодатчика пока нет. Перепаивать в, после резистора ?

Добавлено 20 Дек 2020 в 18:58

Запустил в конфиге: дисплей в2.0 и новый Км-к. Переключился на внутренние показания Тока.
Скачут Амперы и Втч/км.
При нажатии на тормоз свистит переливами Км-к.

Добавлено 20 Дек 2020 в 18:59

Ты мне синус или трапецию прописал в км-к ?
SF8. B1-Р600 с ЛЖФ15S-19.5АЧ.
KUGOO-S2(MS) c переклеенными магнитами+Лифт+ПУ+DCfS v2.0.KUGOO-S2(LS) c Лифтом+ПУ.
Мы на карте.BR, Dmitry.

Sonar

Цитата: inetchik от 20 Дек. 2020 в 18:56Перепаивать в, после резистора ?
Не перепаивай.

Цитата: inetchik от 20 Дек. 2020 в 18:56Скачут Амперы и Втч/км.
Скачут в какой момент?

Цитата: inetchik от 20 Дек. 2020 в 18:56При нажатии на тормоз свистит переливами Км-к.
Свистит, скорее всего, конденсатор на плате контроллера мотор-колеса. Попробуй прислушаться.

Цитата: inetchik от 20 Дек. 2020 в 18:56Ты мне синус или трапецию прописал в км-к ?
Синус, на сколько помню.
Kugoo S2 blue, 36v, 20,8A/h, 2WD, 1,9kW max, Prog disp v3.8, Prog drive v1.9, odo: 34402km.
Все материалы по альтернативным контроллерам для Kugoo S2/S3: http://213.21.12.200/kugoo_project/
Тема на форуме по этим контроллерам https://electrotransport.ru/index.php?topic=61126.0

inetchik

Цитата: Sonar от 20 Дек. 2020 в 19:16Свистит, скорее всего, конденсатор на плате контроллера мотор-колеса. Попробуй прислушаться.


Этот ?
SF8. B1-Р600 с ЛЖФ15S-19.5АЧ.
KUGOO-S2(MS) c переклеенными магнитами+Лифт+ПУ+DCfS v2.0.KUGOO-S2(LS) c Лифтом+ПУ.
Мы на карте.BR, Dmitry.

Sonar

Kugoo S2 blue, 36v, 20,8A/h, 2WD, 1,9kW max, Prog disp v3.8, Prog drive v1.9, odo: 34402km.
Все материалы по альтернативным контроллерам для Kugoo S2/S3: http://213.21.12.200/kugoo_project/
Тема на форуме по этим контроллерам https://electrotransport.ru/index.php?topic=61126.0

inetchik





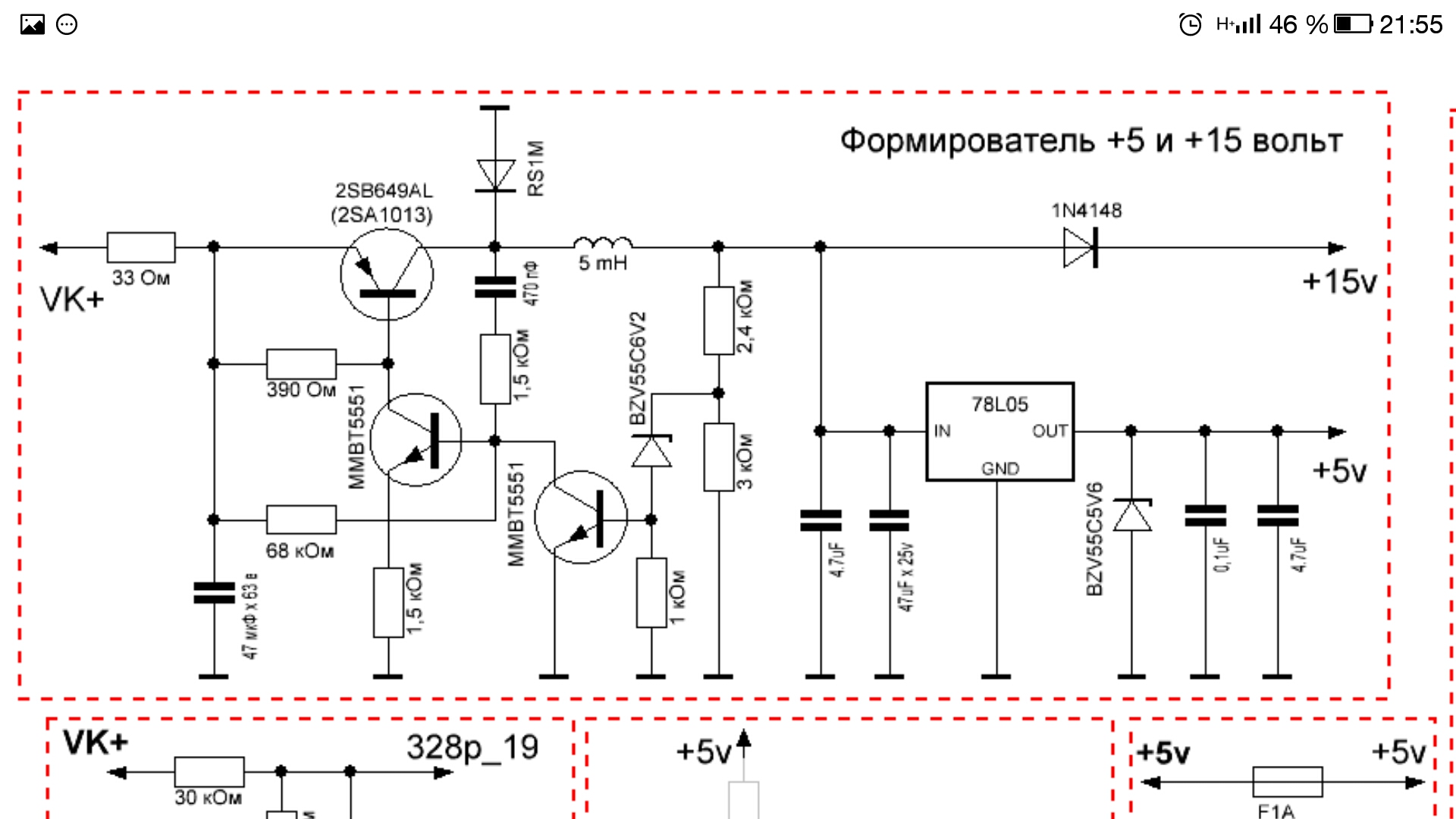
Произошла смена диода на ss210 взамен 1n4148, иль опечатка ?
Иль смотрю не туда ?
SF8. B1-Р600 с ЛЖФ15S-19.5АЧ.
KUGOO-S2(MS) c переклеенными магнитами+Лифт+ПУ+DCfS v2.0.KUGOO-S2(LS) c Лифтом+ПУ.
Мы на карте.BR, Dmitry.

Sonar

[user]inetchik[/user], ты просил поставить что-то помощнее 1N4148.
Цитата: inetchik
...Думаю, что запросто справятся твои драйвера, но диодик мне нужно пожирнее, хотя бы как в финике на 1А. Пульсации и просадки в питании затворов - эт не айс.
Kugoo S2 blue, 36v, 20,8A/h, 2WD, 1,9kW max, Prog disp v3.8, Prog drive v1.9, odo: 34402km.
Все материалы по альтернативным контроллерам для Kugoo S2/S3: http://213.21.12.200/kugoo_project/
Тема на форуме по этим контроллерам https://electrotransport.ru/index.php?topic=61126.0

inetchik

Супер !!!!
Но я уже "сломал" контроллер мотора.
Точнее, баг нашел и даже не единожды его повторил.
Рассказываю.

Сменил дроссель на пожирнее, от хс836.
Стало потише, как ни странно, и теперь надо вслушиваться и даже нагибаться к контроллеру, чтоб "свиристель" послушать.

Отвлекся чуток.

Вобщем.
Зарядил конденсатор через ЗУ, переключил на аккум.
Включил самик на первой скорости в 5км/ч. Отпустил газульку. Стал тормозульку нажимать отпускать, чтоб "свиристель" послушать, при этом надо реально нагнуться к контроллеру. Вобщем проигрался с тормозулькой и, захотелось мне, на ощупь, попробовать как тормозит контроллер.
Стал плавно нажимать и отпускать тормозульку и одновременно крутить мотор рукой и вперёд и назад. Проигрался, да решил нажать на газ и, фигушки, не едет. Вык/вкл и поехал.
SF8. B1-Р600 с ЛЖФ15S-19.5АЧ.
KUGOO-S2(MS) c переклеенными магнитами+Лифт+ПУ+DCfS v2.0.KUGOO-S2(LS) c Лифтом+ПУ.
Мы на карте.BR, Dmitry.

inetchik

Ты в него подглядывалку впаял ?
Только начинаю видос снимать, как его поломать, так он не ломается.  :laugh:

Или он по сторонам света ориентироваться умеет ?
Стоял на юг - ломался. Переставил на запад, чтоб видос снять, не ломается.  ;-D
SF8. B1-Р600 с ЛЖФ15S-19.5АЧ.
KUGOO-S2(MS) c переклеенными магнитами+Лифт+ПУ+DCfS v2.0.KUGOO-S2(LS) c Лифтом+ПУ.
Мы на карте.BR, Dmitry.

Sonar

[user]inetchik[/user], этот глюк редко, но замечал. Как правило он не проявляется, если колесо хоть немного крутить в какую-нибудь сторону.
Kugoo S2 blue, 36v, 20,8A/h, 2WD, 1,9kW max, Prog disp v3.8, Prog drive v1.9, odo: 34402km.
Все материалы по альтернативным контроллерам для Kugoo S2/S3: http://213.21.12.200/kugoo_project/
Тема на форуме по этим контроллерам https://electrotransport.ru/index.php?topic=61126.0

inwin

[user]Sonar[/user], как вам идея конструкции контроллера?
https://electrotransport.ru/index.php?msg=1975268

Sonar

[user]inwin[/user], геморройно и избыточно на мой взгляд. Больше деталей - больше возможность отказа. Или вы про корпус?
Kugoo S2 blue, 36v, 20,8A/h, 2WD, 1,9kW max, Prog disp v3.8, Prog drive v1.9, odo: 34402km.
Все материалы по альтернативным контроллерам для Kugoo S2/S3: http://213.21.12.200/kugoo_project/
Тема на форуме по этим контроллерам https://electrotransport.ru/index.php?topic=61126.0

inwin

[user]Sonar[/user], я про то, что можно совместить 2 контроллера в одном.
ЦитироватьИли вы про корпус?

inetchik

Гусёк маловат, чтоб два на одну плату.

А вот если внешний делать, то за основу можно взять расшаренные гироскутерные наработки.
SF8. B1-Р600 с ЛЖФ15S-19.5АЧ.
KUGOO-S2(MS) c переклеенными магнитами+Лифт+ПУ+DCfS v2.0.KUGOO-S2(LS) c Лифтом+ПУ.
Мы на карте.BR, Dmitry.

Sonar

[user]inwin[/user], я уже говорил о проблемах, которые не дают впихнуть два контроллера в один штатный корпус. Главная проблема - негде разместить ещё 6 транзисторов в штатном корпусе. Плюс ко всему надо ставить ещё конденсаторы. Там и для одного-то мотор-колеса места впритык. Лично я считаю, что не стоит оно того, что бы впихивать невпихуемое в это маленькое пространство.
Kugoo S2 blue, 36v, 20,8A/h, 2WD, 1,9kW max, Prog disp v3.8, Prog drive v1.9, odo: 34402km.
Все материалы по альтернативным контроллерам для Kugoo S2/S3: http://213.21.12.200/kugoo_project/
Тема на форуме по этим контроллерам https://electrotransport.ru/index.php?topic=61126.0