Li-Force Плавный пуск - Страница 32
 
avatar_FreeDom

Плавный пуск

Автор FreeDom, 08 Фев. 2011 в 00:56

« назад - далее »

0 Пользователи и 1 гость просматривают эту тему.

Faust

Цитата: Дмитрий_ЕКБ от 06 Июль 2015 в 17:57
исходных данных надо побольше блок - на 6 или 12 вольт, как включили?
попробуйте его напряму подключить к мотору и аккумулятору, чтоб удостовериться в исправности блока, сжечь его невозможно :-)
Добрый день!
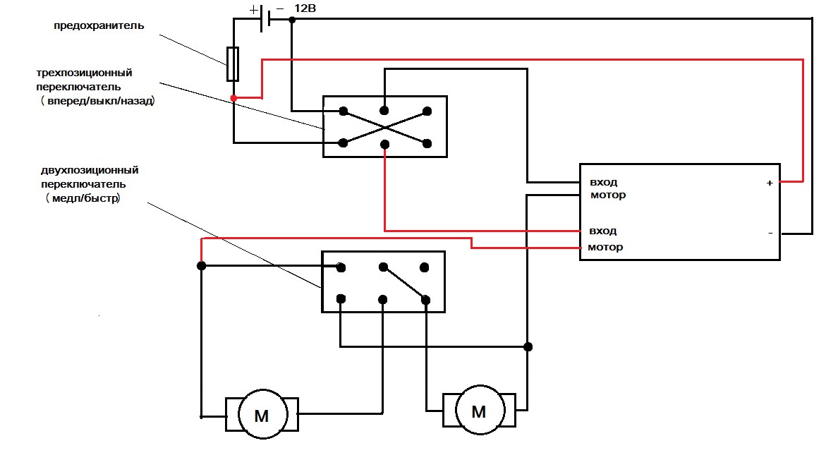
Блок на 12в. Установлен был по схеме как на рисунке.
не подскажете как его напрямую к движку подключить? И почему его сжечь не возможно?))

Дмитрий_ЕКБ

схема рабочая, надо разбираться с блоком. Сначала его проверяем его на простейщей схеме аккумулятор и один из моторов, соединяете - на вход аккумулятор на выход мотор и питание не забиваем. Если блок работает при таком подключении, то тогда ищем косяк в проводке

Добавлено 07 Июль 2015 в 16:37


посмотрел на ваш рисунок и заметил расхождение с заводскими обозначениями.
на блоке надписи идут в последовательности ВХОД-МОТОР-МОТОР-ВХОД, на вашей картинке порядок немного другой... проверьте. может в этом проблема?

Vladimir056

Сколько стоит? И где купить?

Faust

Цитата: Дмитрий_ЕКБ от 07 Июль 2015 в 16:32
схема рабочая, надо разбираться с блоком. Сначала его проверяем его на простейщей схеме аккумулятор и один из моторов, соединяете - на вход аккумулятор на выход мотор и питание не забиваем. Если блок работает при таком подключении, то тогда ищем косяк в проводке

Добавлено 07 Июль 2015 в 16:37


посмотрел на ваш рисунок и заметил расхождение с заводскими обозначениями.
на блоке надписи идут в последовательности ВХОД-МОТОР-МОТОР-ВХОД, на вашей картинке порядок немного другой... проверьте. может в этом проблема?
Спасибо за ответ.
Рисунок рисовал по памяти, поэтому в обозначениях мог ошибиться, но при установке соблюдал схему рекомендуемую производителем.
Касательно проверки...вы имели ввиду "питание не забиваем" или "питание не забываем"? :-)


Vladimir056

А есть у кого-нибудь схема этого волшебного МПС? Поделитесь, если не жалко.

Дмитрий_ЕКБ

схема элементарная, но всё дело в прошивке, а это уже тайна :kidding:

Faust

Цитата: Дмитрий_ЕКБ от 07 Июль 2015 в 16:32
схема рабочая, надо разбираться с блоком. Сначала его проверяем его на простейщей схеме аккумулятор и один из моторов, соединяете - на вход аккумулятор на выход мотор и питание не забиваем. Если блок работает при таком подключении, то тогда ищем косяк в проводке

Добавлено 07 Июль 2015 в 16:37


посмотрел на ваш рисунок и заметил расхождение с заводскими обозначениями.
на блоке надписи идут в последовательности ВХОД-МОТОР-МОТОР-ВХОД, на вашей картинке порядок немного другой... проверьте. может в этом проблема?

Оказалось что это проблема производителя. Вот их письмо:


Юрий, здравствуйте.

Такая проблема действительно появилась.
Исправить можно если припаять перемычку как на фото.
Если не сможете сделать такую доработку, будем менять модуль.

Дмитрий_ЕКБ

ок, я уже знаю. они печатку новую сделают для этого блока

nait

Сколько стоит МПС и где можно купить в Москве?

krishus

Подскажите пожалуйста мне непутевому, как этот блок подключить?
В наличии 2 аккумулятора на 6В 2 двигателя-редуктора Китайских (1 родной 1 потом докупил, как и акк.), но вот подключив батареи последовательно я получил 12В все это подключил через педаль 2 контакта и через кнопку on-off-on но работает только передний ход, а назад не едет. Может установка этого блока решит проблему? В электронике имею посредственные познания )

Дмитрий_ЕКБ

#568
этот блок не решит проблемы в электрике :-) он только позволяет плавно запускать движки

Добавлено 28 Сен 2015 в 16:23:48

надо разбираться как реверс организован
вот схема с блоком, проще не бывает и старт и реверс всё нарисовано

Crimeans

[user]nait[/user],Как раз прибыла партия МПС1,2 . В Москве можно позвонить по телефону 89651661383 Алексей.
Лужу, паяю,электротранспорт починяю..... Электросамокаты серии "СверчЁк" - это удобно и комфортно для передвижения по городу и паркам!

Denelektro

На 6 вольтовую  машинку кто нибудь ставил, напишите как работает?

Дмитрий_ЕКБ

ставил, работает без проблем

Crimeans

[user]Denelektro[/user], Бегает переделанных уже много, как 6-ти так и 12-ти вольтовые.... Есть и переделанные Пед Перего джипы, 24-ох вольтовые.
Лужу, паяю,электротранспорт починяю..... Электросамокаты серии "СверчЁк" - это удобно и комфортно для передвижения по городу и паркам!

KNIggA

#573
Доброго всем времени!
Уважаемый FreeDom, спасибо за схему и много полезных советов по ходу.
Если не затруднит ещё парочку  :-)
Поставил на ключи 4 штуки 60n03s, на управление пару кт817г-кт816г, и вот управляющие греются в некоторых режимах до нетерпимой температуры. Не пойму где собака зарыта. Все остальные номиналы как в схеме.
И ещё, скважность в "0" не уходит, даже если ноги резистора переменного замкнуть (судя по свечению светодиодов, остается 10-20 % )

Tygra

[user]KNIggA[/user], не раскачиваются полевики. Не закрываются или до конца не открываются.

KNIggA

Мерил осциллографом на эмиттерах КТ-817,816 там тоже скважность не доходит до 0. Сотня, похоже есть, ну или 99%  :kidding:.
Плюс, пробовал другой полевик, с ним та же ситуация.
И еще, конденсатор С2 медленно разряжается (680 мкФ - 12-20 сек), поэтому при кратковременном отключении питания (5-7 сек) плавного включения нет, а авто, думаю за это время уже остановится и получится дерготня. Хотя, конечно, требуются натурные испытания.