Полезная информация


контроллер в электроколяске

Автор инва, 25 Апр. 2022 в 16:56

« назад - далее »

0 Пользователи и 1 гость просматривают эту тему.

Кар-4


Цитата: okolov от 07 Май 2022 в 19:10Если у вас такая же, пришлите фото колёс, сколько они ват? И фотку контроллера хотелось бы. 
Пока не разобрался - как фото прикладывать, чтобы проходили. Сейчас попробую.
Ну вот, опять надпись красным цветом "Извините, Вам не разрешена публикация внешних ссылок." при попытке прикрепить фото.
Владим

Кар-4

#19




ss
В черновике фото были, но отправить их не было возможности. В правилах причину не нашёл сходу. В форуме увидел обсуждение о необходимости иметь активность на форуме для разрешения доступа к некоторым функциям, например - прикреплять фото.
Мощность каждого мотор-колеса всего то 100 ватт. Два аккумулятора 12 вольт 25 Ампер-часов. Вес 62 кг. Я сам садился и ездил на коляске по высотному гаражу. Тащит мой вес 90 кг по автомобильному пандусу длиной 12 м и высотой 1.5 м с трудом, но уверенно. Это около 7 градусов.
Но для меня были главное - большие колёса. Поскольку я наметил катать на коляске летом по скверу и по улице пожилого человека на большие расстояния методом толкания коляске сопровождающим человеком. А электротяга должна быть в помощь. Как на электровелосипеде.
И у меня возникла проблема, которую я не очень красиво решил. А именно:
Пульт управления из-за его конструкции и длины соединительного кабеля пришлось расположить под левой ручкой коляски, которую держит и толкает сопровождающий. При этом пришлось расположить ПУ перпендикулярно движению. Из-за такого расположения чтобы коляска тянула вперёд сопровождающему приходится нажимать на джойстик влево. А назад - вправо. Мнемоника нарушена. Я конечно привыкну, но собственно из-за этого и зашёл на форум, чтобы узнать про мой ПУ - можно ли его джойстик развернуть на 90 градусов, чтобы было так : давишь на джойстик вперёд, и при этом коляска едет тоже вперёд. А я за ней радостно быстро шагаю, держась за ручки и руля. 
Ура! Мои фото прикрепились на пятом сообщении. Корректирую сообщение. Сам контролеер , его коробка, находится под сиденьем и прикреплён к коробке с аккумуляторами. В ней силовая часть и система управления направлением и скоростью вращения колёс. Его я не вскрывал и не смотрел, т.к. всё работает исправно. А вот пульт управления (ПУ) вскрыт для проверки возможности развернуть джойстик на 90 градусов. Но побоялся сломать, т.к. не увидел шлейфа от самого джойстика, побоялся сломать и дальше разбирать не стал.
Владим

okolov

Понятно, 100 ват, как-то слабовато. Ну да ладно, меня девушка просила такую оживить. Как со своими разберусь. Возьмусь за такую, мысль есть. Сделать из неё, маленький танк...  :facepalm: :kidding:

Кар-4

Цитата: okolov от 07 Май 2022 в 23:05Ну да ладно, меня девушка просила такую оживить.
Отлично ! Значит уже три похожих коляски на форуме. Можно обменяться опытом. Вашей, думаю, тоже около 20 лет отроду (коляске). Лично меня волновали колёса при покупке. И аккумуляторы. Шины колёс могли просто порваться, т.к. старые и если не контролировать давление при накачке. Ещё грандиозная проблема - это накачать передние колёса. вентиль стоит так - что трудно подлезть. А при снятии штуцера насоса - колесо почти полностью успевает спустить. Нашёл способ накачивать, но не уверен, что он лучший. Всяко потестировал аккумуляторы AGM. Им 21 год, но спокойно катят по горизонтальной неровной поверхности на 4 км (проверил) и более и разряда (меньше двух зелёных светодиодов)  не проскакивало. Про уклон я уже писал. Хотя простояли разряженными несколько лет. Отправил коляску транспортной компанией в город, где живёт престарелый человек. Сам приеду, распакую, соберу и проверю возможность реализации своей задачи, потому что есть сомнения из-

за седьмого этажа и маленького лифта. Поделюсь.
PS: Прежние владельцы сохранили книжечку инструкции моей коляски Кар-4. Могу переслать.
Владим

okolov

Цитата: Кар-4 от 08 Май 2022 в 06:55
Отлично ! Значит уже три похожих коляски на форуме.
Нет, это коляска автора темы. :exactly:
Цитата: Кар-4 от 08 Май 2022 в 06:55
Вашей, думаю, тоже около 20 лет отроду (коляске).
Я думал, что она старая, но на столько.!? :facepalm:
Цитата: Кар-4 от 08 Май 2022 в 06:55
Прежние владельцы сохранили книжечку инструкции моей коляски Кар-4. Могу переслать.
Да, пригодиться наверное. :bw:
Мои планы, на счёт этой коляски подтверждаются, восстанавливать её бесполезно.  :kidding: Я хочу поставить на неё моторы по ват 250-300 от гироскутера, и управление на каждое колесо отдельно, как в танке.  :mus: Это проще и дешевле, я на Авито покупаю гироскутеры за 1.000 рублей, вот и колёса и проводка.  :exactly: Придётся подумать с установкой, но я думаю справлюсь. :eureka: АКБ будут на 36 вольт, такого плана:

Коляска будет легче и мощнее, должна хорошо бегать, думаю придётся ограничивать скорость.  :run: Вот такие планы на лето. :~-(

Кар-4

Успеха в интереснейшей задаче !  И результаты, и промежуточные, очень интересны.
Владим

okolov


Кар-4

А автору темы ИНВА ещё раз посоветовал бы обратить внимание на микропереключатель блокировки КОНТРОЛЛЕРА при затяжке рычага ручного тормоза. Если он ложно находится в сработанном состоянии, то именно так всё и будет: - Аккумулятор заряжен, светодиоды горят, колёса не заблокированы, но крутятся с большим трудом и медленно, управления нет никакого !!! Потому что контроллер "думает", что коляска стоит на ручном тормозе. В конце концов - попытка не пытка и проверка эта очень простая. Просто убелиться при выключенном питании, что микрик щёлкает и замыкается/размыкается при перемене положения ручника.  На моей коляске так. Но сфоткать не могу пока. Коляска едет транспортной компанией. Через 4 дня, если потребуется.
Надеюсь, что ответ на предположение будет. Это важно - завязать контакты, поскольку наши коляски с приличным стажем и просто могут как-нибудь выручить друг друга в смысле запчастей.
Владим

инва

Здравствуйте, спасибо за инфу и фотки. Увы - я совершенно не понимаю в технике и не могу предметно пообщаться. Ключика и микропереключателя в моей модели вообще не наблюдается, и колеса не накачиваемые.... Досадно, если и в моей модели КАР 4.1.М при полцентнеровом весе   такие же слабые моторы по 100вт - тогда как же она берет заявленные в инструкции 25 см бордюры? (а именно за это она и куплена....). В моей инструкции нет ни слова ни о мощности мк, ни о типе контроллера, ни иных нужных подробностей для ремонта, но попробуем оживить по Вашим советам - спасибо! А как Вы сделали хоть какую-то влагозащиту? - из-за ее отсутствия в ледяной каше с реагентами не поездить.     

инва

Цитата: okolov от 07 Май 2022 в 23:05
Сделать из неё, маленький танк...  :facepalm: :kidding:
ДАААА!!! нужен именно мини-танчик!!!

Кар-4

Цитата: инва от 10 Май 2022 в 16:21Здравствуйте, спасибо за инфу и фотки. Увы - я совершенно не понимаю в технике и не могу предметно пообщаться. Ключика и микропереключателя в моей модели вообще не наблюдается, и колеса не накачиваемые.... Д
Да, так сложно обсуждать. У вас должен быть почти такой же ПУ пульт управления. А вместо ключика там может быть маленькая ручка как у старинного радио. Выж же ей включаете питание. Фото помогли бы понять.  На счёт 25 см - Интересно бы увидеть эту строчку. Выглядит фантастично, может это мм, ошибка ? А сам рычаг ручного стояночного тормоза у вас есть ??
Владим

okolov

Цитата: инва от 10 Май 2022 в 16:21
тогда как же она берет заявленные в инструкции 25 см бордюры?
Цитата: Кар-4 от 10 Май 2022 в 18:20
На счёт 25 см - Интересно бы увидеть эту строчку. Выглядит фантастично, может это мм
Да, удивительно, наверное это милиметры.  :ку:
Цитата: инва от 10 Май 2022 в 16:31
      ДАААА!!! нужен именно мини-танчик!!!
Это выражение, больше для управления, чем для проходимости.  :exactly:

suso




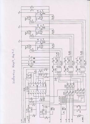
Я такую коляску покупал лет 7-9 назад, даже точно не помню когда. Что могу сказать, задумка хорошая, исполнение очень специфичное. Одно колесо было заклинено , как потом вскрытие показало, ржавчина статора забила магнитный промежуток между статора и ротора. Чинить решил не целесообразно так как под замену магниты. И кстати, в самих колесах находится силовая электроника. Поставить 24 в аккумулятор тоже не просто так как зарядное устройство даёт 12в и во время зарядки аккумуляторов они подключаются параллельно!
Где-то у меня была электрическая схема, могу поискать хотя прошло столько лет...
П.с. схемы выкладываю, для ремонта не требуется ничего дефицитного. Все детали имеются в магазинах или их аналоги. А вот механика- это извините, самое сложное...
Да прибудет с вами ЭДС!
1000вт волшебный пирог, 48в 10ач хэдвэй.
Elmoto HR-2, Mini-E, 48v31Ah

инва

Танковое управление - это как у ярославльского нашего коллеги, да?(больше оборотов на правое колесо дает разворот влево) - ну хоть так! Насчет проходимости - а нельзя взять 3-4 пары гироскутерных колес и завернуть их в транспортерную ленту, получив подобие гусеницы? 
Увы, Вы вновь правы - 25 мм, а не см.. :(   ,  а я надеялась скакать по нашим высоким бордюрам...
Вместо ключа у меня красная кнопка на джойстике, а тормоза просто механические рукоятки вроде по бокам у колес. Сам джойстик такой же как на фото - винтажный...

инва

Пожалуйста, поищите схему - вдруг по ней сможем оживить сей раритет! Коляска такая прикольная - ностальгической внешности, с амортизаторами и с действующими древними акб.

suso

Цитата: инва от 10 Май 2022 в 19:56
Пожалуйста, поищите схему - вдруг по ней сможем оживить сей раритет! Коляска такая прикольная - ностальгической внешности, с амортизаторами и с действующими древними акб.
Я вроде бы выложил схемы, или не видно?
Да прибудет с вами ЭДС!
1000вт волшебный пирог, 48в 10ач хэдвэй.
Elmoto HR-2, Mini-E, 48v31Ah

инва

да, спасибо - я поздно увидела картинки

Кар-4

#35
Цитата: suso от 10 Май 2022 в 20:04
Я вроде бы выложил схемы, или не видно?
. Спасибо за схему. А может ещё подскажете кусочек из идеологии конструирования такой коляски с МК. Например, куда может деваться энергия при толкании коляски сопровождающим. Я с электричеством знаком. Понимаю - или на нагрев обмоток или шунта, или на подзарядку аккумуляторов. А вдруг по другому. Купил очень дёшево с рук, и надеюсь катать выгуливать престарелого человека на воздухе по скверам. но удивился, что в любом случае есть сопротивление движению и толкающему придется подчиняться ВОЛЕ (программе) контроллера. Просто покатать не выйдет. Может есть опыт??? Я надеялся, что у Кар-4 привод как у велосипеда - хочешь, то крути педали. Устал ,то помогай электроприводом. Ошибся, конечно. Реальному колясочнику такой режим работы контроллера не нужен. Вот, теперь думаю, куда девается энергия даже с оторванным пультом и не во вред ли электронике такой режим толкания.
Владим