Li-Force Простой морозостойкий PowerBank с активным балансиром.
 

Простой морозостойкий PowerBank с активным балансиром.

Автор VladNSK, 06 Окт. 2022 в 12:03

« назад - далее »

0 Пользователи и 1 гость просматривают эту тему.

VladNSK

Добрый день!
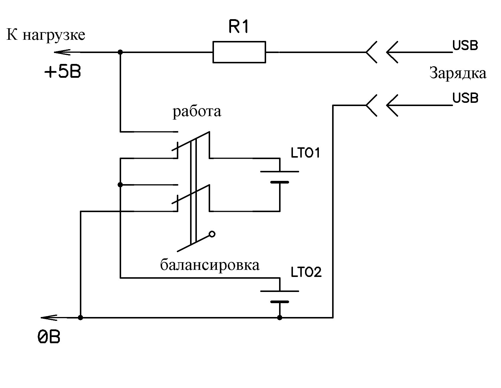
Близится зима. Поэтому возникла идея сабж.
Есть в продаже титанатные элементы 18650.


https://aliexpress.ru/item/1005004279945258.html?item_id=1005004279945258&sku_id=12000028609896151&spm=a2g2w.productlist.list.5.21f57067CFvspa

Если два таких соединить последовательно,
то получается 5-ти вольтовая батарея, которую легко заряжать от USB и к которой можно
подключить нагрузку, рассчитанную на 5В. Проблему балансировки можно решить
с помощью сдвоенного тумблера (активная балансировка) либо - поставив пассивный балансир.
Схемка получилась - проще некуда.

Балансировка возможна, когда банк - в нерабочем состоянии.
Пока не макетировал. Жду отзывов.

Gagik_Jan

Реальную емкость проверяли? Сколько там интересно? Я думаю будет не более 1500 mAh. Не будет ли проблем, если соединить аккумуляторы напрямую к дорогостоящему смартфону. Портативные хранилищя энергии обычно лежат в тепле (карман, сумочка), у меня по крайней мере. Сам живу в суровом климате, но случаев, чтобы банка села не было, смарт вырубался от холода, а вот с банками тфу тфу. Опять же насколько это целесобразно по деньгам, трудозатратам и т.д, если у человека "Зуд Творца" и хочеться творить, то сборка такой банки милое дело, сам иногда хочу что-нибудь смастерить. Также, я уверен, что есть масса людей, кому такая банка точно зайдет.
Использую батарею 1p6s 38 ah.

Surf_el

MAC 8t, 16ач Li-on, 5ач LiPo, Mark II от e4bike, 2 шт. NinebotOne E+ и S2, Ninebot ES2, Inmotion V10F

VladNSK

Цитата: Gagik_Jan от 06 Окт. 2022 в 13:48Реальную емкость проверяли? Сколько там интересно? Я думаю будет не более 1500 mAh. Не будет ли проблем, если соединить аккумуляторы напрямую к дорогостоящему смартфону. Портативные хранилищя энергии обычно лежат в тепле (карман, сумочка), у меня по крайней мере. Сам живу в суровом климате, но случаев, чтобы банка села не было, смарт вырубался от холода, а вот с банками тфу тфу. Опять же насколько это целесобразно по деньгам, трудозатратам и т.д, если у человека "Зуд Творца" и хочеться творить, то сборка такой банки милое дело, сам иногда хочу что-нибудь смастерить. Также, я уверен, что есть масса людей, кому такая банка точно зайдет.
Реальную ёмкость не проверял. Если не хватит - можно в параллель подключить банок.
Такой банк нужен там, где тепло -дефицит. Например,  в зимнем походе. Например, как основа для фонаря.

VladNSK

Цитата: sdenis2017 от 06 Окт. 2022 в 18:37а 4 с хвостиком вольта не прокатит
Должно прокатить, т.к. по спецификации USB  допускается разброс напряжений:
USB Speccification 2.0
7.3.2 Bus Timing/Electrical Characteristics
Table 7-7. DC Electrical Characteristics

Supply Voltage:
High-power Port 4.75 - 5.25 V
Low-power Port 4.40 - 5.25 V

Это - как раз границы разряжен - заряжен для 2.4В титаната.

rusmax

Что-то мне эти аккумуляторы не вызывают доверия. Помню были ионисторы на тонких ножках, оказались неспособными к высокой токоотдаче.
Я себе заказал титанатные аккумуляторы в виде обычных 18650.
Раз
Два
К ним заказал корпуса
Но собирать буду в 6s с балансиром. Это будет заводилка-прикуриватель для гибридных авто/электромобилей. Там высокий ток не требуется. Преимущество, что можно оставить в авто. Можно даже встроить в панель.
Заряд через диод и ограничительный резистор, активация прикуривания через тумблер.
Влад, придумай схему балансировки переключателями 6s. :)
Приус 20 (Tosiba SCiB 60Ah 3p5s;Бинар-5Б-Компакт) + i-miev (титатантка)

rusmax

А теперь по теме.
Существенный плюс данной затеи в простоте и соответственно безотказности. Но думаю эффективнее собрать полноценную батарею из большего числа элементов. Подключить к балансиру. На заряд/разряд поставить плату BMS. На питание USB установить плату с поддержкой протоколов быстрой зарядки. Питать 5В смарфон и ждать часами заряда это извините анахронизм.
Для фонарика и прочей приблуды норм. Как аварийная походная зарядка тоже.
Всё имхо.
Приус 20 (Tosiba SCiB 60Ah 3p5s;Бинар-5Б-Компакт) + i-miev (титатантка)

halit

По отзывам на аналогичные 23680 емкость соответствует заявленной. Вообще для зимних условий неплохой вариант, чтобы не бояться фонарик "заморозить".
KS14B -> KS16S 2.5" 840Wh (перешел к дочери) -> KS16X
KS14DS 2.5" 680Wh

rusmax

Приус 20 (Tosiba SCiB 60Ah 3p5s;Бинар-5Б-Компакт) + i-miev (титатантка)

halit

KS14B -> KS16S 2.5" 840Wh (перешел к дочери) -> KS16X
KS14DS 2.5" 680Wh

VladNSK

Проверил идею на аккумуляторах с номинальной ёмкостью 1300 мАч.
Зарядил от USB блока с напряжением 5.08 В, подключил к смартфону. В смартфон ушло 813 мАч (62% от номинала).
Зарядил от лабораторного источника до 5.25 В (верхний предел USB) - в смартфон ушло 1041 мАч (80% от номинала).  Для сверхпростой конструкции, ИМХО, неплохо.

Добавлено 13 Окт 2022 в 10:41

Цитата: sdenis2017 от 10 Окт. 2022 в 15:42есть алгоритмы быстрой зарядки
Эти приспособления, разве, не для литий-полимера?  Как они будут дружить с титанатом?

Surf_el

[user]VladNSK[/user], проверка была в холодильнике ;)
MAC 8t, 16ач Li-on, 5ач LiPo, Mark II от e4bike, 2 шт. NinebotOne E+ и S2, Ninebot ES2, Inmotion V10F

VladNSK

Цитата: Surf_el от 13 Окт. 2022 в 11:17
[user]VladNSK[/user], проверка была в холодильнике ;)
Холодильник занят заготовками. Увы :)  Но про температурную зависимость ёмкости титаната уже
где-то тут писали. До разумного минуса (по памяти - до -20С) ёмкость падает чуть.

rusmax

Ёмкость падает чуть если не учитывать изменение границ рабочего напряжения. При заморозке возможно смещение напряжений и соответственно ёмкостей в границах прежних напряжений.
Требуется проверка.

Добавлено 13 Окт. 2022 в 18:09

Цитата: VladNSK от 13 Окт. 2022 в 13:10Холодильник занят заготовками.
Скоро и без холодильника будет возможность проверки  :-D
Приус 20 (Tosiba SCiB 60Ah 3p5s;Бинар-5Б-Компакт) + i-miev (титатантка)

rusmax

Цитата: VladNSK от 13 Окт. 2022 в 10:37Эти приспособления, разве, не для литий-полимера?  Как они будут дружить с титанатом?
Конечно для Литий-иона (я их не отличаю от полимера).
Вот пример того что я имел ввиду на выходе
Приус 20 (Tosiba SCiB 60Ah 3p5s;Бинар-5Б-Компакт) + i-miev (титатантка)

rusmax

Сделал для себя проверку элементов LTO 18650. Может кому интересно будет. Показания записывал вручную.
Разряд током 1С (1,5А).
мАч   В
0   2,8
200   2,476
300   2,433
400   2,392
500   2,361
600   2,34
800   2,298
900   2,275
1000   2,258
1100   2,250
1200   2,237
1300   2,210
1400   1,985
1415   1,5

Разряд током 10С (15А)
мАч   В
0   2,8
100   2,01
200   1,97
300   1,944
400   1,924
500   1,903
600   1,883
700   1,868
800   1,848
900   1,834
1000   1,816
1100   1,808
1200   1,770
1300   1,702
1400   1,5
температура элемента поднялась до +64°С (замерял пирометром, в принципе +/-5°С совпадает с термодатчиком), несмотря на заявленный максимальный длительный разрядный ток 10С.

Остальные прогнал током 5С. Нагрев +51°С.
Ёмкости в диапазоне 1400-1425мАч. Ранее заказанная партия (в начале июля) показала ёмкости 1441-1531мАч. Видимо начали халтурить.
Внутренние сопротивления у свежей партии (начало октября) 12,3мОм, у "старых" 12,6мОм.
Зарядил, выровнял по напряжению, поставил на проверку на саморазряд.  Хотя в принципе первая партия от  заказа до замера за 4 месяца саморазрядилась до напряжения 2,467-2,468В.  Начальное неизвестно.
Приус 20 (Tosiba SCiB 60Ah 3p5s;Бинар-5Б-Компакт) + i-miev (титатантка)

rusmax

Первые брал тут за 1587Р (6шт), вторые тут 1672Р. Продавец один, лоты разные.
Приус 20 (Tosiba SCiB 60Ah 3p5s;Бинар-5Б-Компакт) + i-miev (титатантка)

rusmax

#17
Цитата: rusmax от 22 Нояб. 2022 в 06:25Зарядил, выровнял по напряжению, поставил на проверку на саморазряд.
И так начальный данные после распараллеливания и "отстоя" в пару суток:
15.11.2022   22:00

1.1   2,7030   2.1   2,7273
1.2   2,7009   2.2   2,7227
1.3   2,7097   2.3   2,7234
1.4   2,7044   2.4   2,7247
1.5   2,7015   2.5   2,7224
1.6   2,7018   2.6   2,7237

25.11.2022   23:20

1.1   2,6744   2.1   2,6865
1.2   2,6723   2.2   2,6810
1.3   2,6943   2.3   2,6807
1.4   2,6755   2.4   2,6816
1.5   2,6750   2.5   2,6696
1.6   2,6719   2.6   2,6752

15.12.2022   21:00

1.1   2,6559   2.1   2,6597
1.2   2,6534   2.2   2,6563
1.3   2,6812   2.3   2,6552
1.4   2,6554   2.4   2,6549
1.5   2,6572   2.5   2,6371
1.6   2,6527   2.6   2,6439

15.01.2022   23:10

1.1   2,6425   2.1   2,6408
1.2   2,6391   2.2   2,6401
1.3   2,6687   2.3   2,6376
1.4   2,6409   2.4   2,6364
1.5   2,6434   2.5   2,6150
1.6   2,6389   2.6   2,6227

31.01.2023   13:25

1.1   2,6394   2.1   2,6360
1.2   2,6357   2.2   2,6364
1.3   2,6656   2.3   2,6337
1.4   2,6375   2.4   2,6323
1.5   2,6401   2.5   2,6092
1.6   2,6357   2.6   2,6176

Как видно по графику несущественная утечка есть и она снижается со временем.


p.s. поправил графики (нижнюю шкалу перевёл на сутки, ранее были равномерные точки).
Приус 20 (Tosiba SCiB 60Ah 3p5s;Бинар-5Б-Компакт) + i-miev (титатантка)