Конструирование, технические советы и помощь по изготовлению конструкций

Автор Александр74, 02 Фев. 2012 в 18:06

« назад - далее »

0 Пользователи и 1 гость просматривают эту тему.

Александр74

Вставки изготовить смогу но паз пропиливать вам нужно будет у себя , там нужно 8 мм металла убрать может выручить опытный фрезеровщик.

Александр74

Реанимация кронштейна для самоката (исходник алюминий - разболталась посадка трещина на сгибе - проваривать не вариант делаем новый.)

перетачиваем оську, и втулки (выбираем зазор)


Всё плотно без зазора.

Александр74

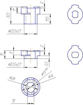
Не уверен что был материал ранее, но есть проблема перетирания провода на выходе через ось, тут чертежи втулок на МК с осями Ф 14, Пластиковая втулка заменяется на нержавеющую при чем важно зафиксировать её на оси. в первом случае без контровки, контровка стопором и шайба которая садится на ось.







Александр74

Немного новых железок.










Добавлено 22 Нояб. 2015 в 19:48

К усилкам можно привязать отверстия М5 для крепления крыла или багажника, если таковые в маятнике не предусмотрены.

m_denisov

В продолжение фото выше, вот, что получилось в итоге:


Спасибо Александру за помощь. Усилители дропаутов пока не ставил, обязательно отпишусь.
Моноколесо Kingsong KS-18XL KS-18L, KS-16S, KS-14D, Е-вел Teleport light, 5,5Квт, 72V 30 Ah li-Ion,  75 км/ч
Мои видео:
Обзоры и покатушкиПодробно об электротранспорте

Александр74

Немного хомутов разного назначения, последние  для установки на трубу рамы двух направляющих (задний ба



гажник для Акку)

Александр74

Уважаемые форумчане, коллеги - Поздравляю вас с Новым 2016 годом! Желаю всем удачных проектов, окончания начатых проектов и конечно здоровья вам и вашим семьям!

alexandrFox

[user]Александр74[/user], Спасибо!! На твоих усилках езжу и бед не знаю!! За прошлый год думаю тыщ пять накатал уже!!

С новым годом!! Вам тоже здоровья и удачи!!
мангал Версия. 2 миникрошки. Ярославль.

fox-lisovich

[user]Александр74[/user], Добрый день!
Подскажите, можете вы изготовить вот такого типа дропауты? Только желательно цельные, видел вы подобные делали уже. Если надо, могу задний треугольник рамы отправить вам. Вы,кстати, где географически находитесь?



Фото треугольника и дропаутов на моей раме. там под 150 ось дропауты, а мне надо под 135мм.



Александр74

Приветствую! Да можно попробовать, маятник нужен будет для снятия размеров. Пишите на почту или в личку.

Александр74

Коллеги предлагаю к вниманию ещё одну железку разработка и изготовление которой выпали как раз на конец года к велоэлектротранспорту эта конструкция не имеет никакого отношения, так для общего развития и ностальгии по предновогодней суете когда всё равно не успеваешь к бою курантов доделать все дела. И так поехали, на столе нужна вкусная полезная пища - приготовленная своими руками, к примеру куриный рулет. Далее будут фотки и некоторые пояснения. Делается рулет по классическому рецепту в специальной форме именуемой "Ветчинница". Цилиндр с поршнем (поршень подпружинен) всё вместе помещаем в духовку (1.5 ч при 200С) или варим в кастрюле (2 ч при 85С). Корпус скатывается из нержавейки пружина тоже навивается из нержавеющей проволоки. Запекаем - остужаем - режем - и продукт  буквально тает на тарелке. Выход 1-1.2 кг. Чертежи по запросу. Кому интересно можно продублировать.  (Внимание пакет или рукав для запекания нужно проткнуть на дне (есть отв) и сверху над поршнем).Всем приятного аппетита!











Александр74

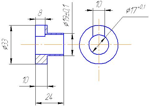
Втулка для вывода проводов теперь имеет эксцентрик для прохода пучка проводов.


:-)

Александр74

Как пример чертеж, размеры могут быть разные зависит от конкретного движка.

rzaviy

Цитата: m_denisov от 23 Нояб. 2015 в 08:03
В продолжение фото выше, вот, что получилось в итоге:


Спасибо Александру за помощь. Усилители дропаутов пока не ставил, обязательно отпишусь.
И-за этого изменяется угол атаки вилки,у меня та-же херня только наоборот была




Фото первых примерок и как сделано
Мой "ПЕПИЛАЦ"
Внешний МК 350 Ватт 36 вольт  АКБ  LiFePO4 12 S (призматики) 15 А https://electrotransport.ru/index.php/topic,18117.0/topicseen.html  Я в городе и мои работы   https://electrotransport.ru/index.php?topic=27199.0

m_denisov

[user]rzaviy[/user], верно, угол изменился, но ранее я вилку поменял, и свои 20-е колёса поставил в 26-ю вилку. Да, вел стал выше, но меня не напрягает. В будущем планируют на пространственную раму перейти сотвсеми текущими комплектующими.
Моноколесо Kingsong KS-18XL KS-18L, KS-16S, KS-14D, Е-вел Teleport light, 5,5Квт, 72V 30 Ah li-Ion,  75 км/ч
Мои видео:
Обзоры и покатушкиПодробно об электротранспорте

Silvaticus

Модератор 95% времени живущий в единственной теме флудилки это глобальный флудер с фееричным статусом модера.
Нередко красный фломастер это признак бессилия оппонента.

atred

Приветствую, Александр! Как говориться, сколько лет))
На тему втулки -  очень рекомендую добавлять в нее фиксатор, как моей версии для кристалайта. Недавно менял подшипники,  мог оценить ее достоинства.

Нужен свет на велосипед? Пожалуйста, ознакомьтесь с нашими разработками:Российские контроллеры света.
Мангал из нержавейки , Nucular24F, 20s18p li-ion, QS260 

Александр74

Фиксатор нужен обязательно так как в другом случае втулка будет подрывать изоляцию и приведёт к КЗ.

Добавлено 30 Янв. 2016 в 19:16

Или резьбовой стопор или как в последних версиях с шайбой и фиксацией на оси.