avatar_i

Реверсирование МК

Автор i, 17 Апр. 2009 в 17:27

« назад - далее »

0 Пользователи и 2 гостей просматривают эту тему.

TRO

Цитата: Privodchik от 29 Авг. 2014 в 07:51
А вот я подал питание на редукторное колесо от кроны,.....
Крона слишком слаботочная батарейка, возьмите хотябы пальчиковую, желательно алкалиновую или аккумулятор.

Wahoo 2012 29er, +собран складной двухосис на раме"Land Rover" 69er с эл. мотором, и и МОНОКОЛЕСО

Privodchik

Цитата: TRO от 29 Авг. 2014 в 08:24
Цитата: Privodchik от 29 Авг. 2014 в 07:51
А вот я подал питание на редукторное колесо от кроны,.....
Крона слишком слаботочная батарейка, возьмите хотябы пальчиковую, желательно алкалиновую или аккумулятор.
Да, подумал уже об этом. Еще подумал, что тут практически подошли к решению задачи правильного выставления холлов. Осталось переработать таблицу состояний относительно перехода двигателя через нулевые состояния. Т.е. как холлы выдают сигналы смещенные на 60\120 градусов, так и мотор запитывается все время смещенным напяжением. Чередование фаз проходит через нулевые отметки 6 раз. В каждой этой отметке можно подать на одны фазу минус, на вторую плюс, а третью оставить висеть в воздухе. Это будут углы 0?60,120,180 и т.д. У меня нет исправного колеса что бы провести опыт и рассказать как и что, но тупо будет нулевая комбинация для 60 градусного мотора, когда все холлы в нуле и от которой можно стартовать проверяя какой из холлов какой. Т.е. после этой комбинации берем следующее положение (через 60 градусов) когда уже вторая фаза в нуле, а первая кпримеру в плюсе, третья в минусе и точно знаем какой холл должен сработать. Сработавший подаем на соответствующий вход контроллера. ВСЕ! Можно назвать процессом выставления холлов.. Жаль мотора нет под рукой, но тот кто проделает на своем (снимат диаграмму срабатывания) - всем поможет...
Так же так можно увидеть в нужную сторону ли крутиться Ваш мотор относительно общепринятой, а то можно ездить и не знать)))
Даю комбинации для запитки мотора, 6 точек:
   U V W
1  0 - +
2  + - 0
3  + 0 -
4  0 + -
5  - + 0
6  - 0 +
7=повтор1
0 - на колесо ничего не подаем
- минус на колесо от батареи
+ плюс от батареи на соответствующую фазу.
Можете не благодарить >:D

Privodchik

Эх, нашел все же тут уже эту инфу:
https://electrotransport.ru/index.php?action=dlattach;topic=12775.0;attach=40401;image
2 года назад сняли уже :dance:

scezary

Здравствуйте. Подскажите пожалуйста,как ставить переднее мотор колесо magic pie 4? В какую сторону должен выходить провод,поскольку направление на колесе не обозначено. Дело в том,что у меня на веле суппорт с правой стороны. А если поставить на оборот,то можно ли в настройках контроллера поменять направление движения. В настройках вроде есть такая функция. У кого есть опыт, подскажите пожалуйста.

TRO

Если подать между фазами ток, то физически один из холлов окажется между полюсами магнитов (воочию видел). И думаю если в этом положении слегка пошатать мотор (под током), то холл должен переключатся (это вроде как раз его точка перехода получается). Думают если кто пожелает переделывать мотор из звезды в треугольник (чувствую это буду я), то точно так же можно найти новые положения для датчиков холла.

Wahoo 2012 29er, +собран складной двухосис на раме"Land Rover" 69er с эл. мотором, и и МОНОКОЛЕСО

GrishaT

попробовал подключать акб к фазам, в двух вариантах из шести дёрнелся на третем  пошло КЗ  похоже сгорел моторчик

TRO

[user]GrishaT[/user], Стесняюсь спросить, вы прямо велоаккумулятор к фазам подключили? Если да то жахнуть должно со старту.

Wahoo 2012 29er, +собран складной двухосис на раме"Land Rover" 69er с эл. мотором, и и МОНОКОЛЕСО

LEVWA

Подскажите подключил контролер крусталуте на холостом ходу показывает 35км .акумулятор стоит 48в10ам .Может дисплей неправелно выстовил Дисплей настроил на 48в 25ам.


sAha vezyanK

Ни как не получается поженить мне Magic Pie 3 и Mark I  :-(
Неоднократно перебирал все 36 комбинаций, но нормальной работы мотора так и не добился... но есть хорошая комбинация, где отлично раскручивается колесо, с адекватным откликом на ручку газа, но крутит в обратную сторону.

Будьте добры, подскажите - будет ли работать вот эта схема применительно ко мне, развернув направление вращения в нужную сторону?

Цитата: DarthGray от 18 Нояб. 2011 в 11:43
И так. выкладываю простейшую универсальную схему для реверсирования любого М-К с датчиками Холла
работающего с любым контроллером


"ЭлПегас" - "ROCKRIDER 520 S" + DD CNEBIKES + Mark I + LiFePO4 48V10Ah = 30кг. Max50км/ч. ~30км.
https://electrotransport.ru/index.php?topic=15907.msg1196309#msg1196309

av404

Вчера мучился с реверсом. Оказалось просто - на фазах меняем синий с жёлтым, на холлах - зелёный с жёлтым. Ура - крутится как надо
Green City Jet New 16''. Мотор - 24в/250вт. АКБ - литиево-ионный 48в/16ач 13s5p 18650

игорьигорь

Цитата: i от 18 Апр. 2009 в 19:18
Ну и завершая это "исследование", попробую объяснить как найти реверс тем у кого другой МК, или провода не так подключены, или они других цветов.
Ниже дана картинка которая нам поможет.
1. Возьмите лист бумаги и нарисуйте все 6 цветовых комбинаций. Если у вас цвета иные, просто поменяйте буквы. Если у мотора и датчиков использованы разные цвета, нарисуйте еще 6 комбинаций.
2. Пронумеруйте их 1-6 (для датчиков и 1-6 для обмоток, если цвета разные).
3. Нарисуйте таблицу (матрицу) 6*6 клеток. Столбцы это комбинации датчиков, строки - комбинации обмоток.
4. Если у вас мотор и датчики ещё не подключены, у вас 36 возможных комбинаций. Проверяйте их по очереди и помечайте соответствующие клетки в матрице.
5. Если у вас мотор и датчики уже подключены, (или вы нашли клетку, где мотор стартует, вращается легко, ровно и с любой скоростью, не рычит, не дергается). Отметьте эту клетку В (если вращение вперед) или Н (если вращение назад).
6. Теперь, имея одну рабочую точку, можно сократить область поиска. Вычеркните соответствующие столбец и строку (на картинке серый цвет). Теперь осталось только 24 клетки для поиска.
7. И еще маленькая хитрость. Замечено, что для реверса колеса достаточно переставить только два провода в разъёме датчиков и два провода в обмотках. Третий провод трогать не надо. Вопрос только в том какой. Имея стартовую точку в матрице, не трудно найти три комбинации для датчиков и три для обмоток, где провода отличаются от исходной только двумя парами. Для моего случая эти клетки помечены штрихованным кружочком. Всего таких клеток будет девять. В них надо искать в первую очередь.
Кстати Н я поставил в одной из них.

Вот теперь этот совет претендует на универсальность. Буду рад, если кто ни-будь сможет это проверить на своем МК. И отпишется помогло или нет.
Пытался  поженить E4bike мотор и китайский контроллер. Сначала было ужасное рычание и никакая езда. Но я узнал про алгоритм от "I". При перетыкании проводов датчиков холла, добился хорошего вращения, но в обратную сторону.  И дальше мне особенно помог пункт 7. И вел поехал!!!
Китайский фэт двухподвес, контроллер markII, МК 1500w, 51В 29АН.
Big Hit, Mini-e, Крошка, 74В 29АН.

Кулибин

Добавлю от себя. У меня не получилось реверснуть. Пришлось разобрать колесо и средний датчик перевернуть. ))

Кулибин

Мне сегодня помог реверс от Alex_Soroka.

Виктор Чен

#103
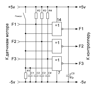
Цитата: DarthGray от 18 Нояб. 2011 в 11:43
И так. выкладываю простейшую универсальную схему для реверсирования любого М-К с датчиками Холла
работающего с любым контроллером

Номиналы всех резисторов от 2,7КОм до 4,7КОм
Ёмкости С1 - С4 от 1нФ до 3,3нФ, С5  -  22,0мкФ - 100,0мкФ х 6,3в (можно больше)

Всем успехов в повторении конструкции!

(зы: за погорание чего-либо при включении реверса на полном ходу автор ответственности не несёт)
скажите это элементы  "ИСКЛЮЧАЮЩИЕ ИЛИ".микросхема-к555лп5 ???

Виктор Чен

[user]DarthGray[/user], скажите какую микросхему использовать для вашей схемы реверса?

av404

Недавно временно, на неделю, ставил на велик новый контроллер, пока старый ремонтировал. Соединил всё по цветам, включаю - а оно во другую сторону жужжит. Схватился за паяльник подбирать фазы, но тут вдруг вспомнил, что контроллер то обучаемый. Выволок эти два белых проводка для обучения. Дальше строго по инструкции
1. Вывешиваем колесо, чтобы свободно вращалось
2. Всё подключаем, но питание на слаботочку не подаём
3. Замыкаем два этих белых провода,
4. Включаем питание слаботочки. Через пару секунд двигатель начинает вращаться. Ручку газа трогать не надо, он сам начинает. Вращается в каком то ослабленном режиме, не как обычно. Далее два варианта
5. Если вращается в правильную сторону, то разомкнуть два этих белых и выключить питание слаботочки.
6. А если вращается в противоположную сторону, то разомкнуть два этих белых и как двигатель остановится - замкнуть их снова. Мотор должен закрутится правильно. Вот теперь можно выключить питание слаботочки и разомкнуть белые.
7. Всё. Теперь как обычно включаем слаботочку и крутим ручку газа.

Вернул старый контроллер, но через два дня понадобилось снова его подработать и достал новый, обученный. Повторно обучать не пришлось - заработал сразу как надо.
Green City Jet New 16''. Мотор - 24в/250вт. АКБ - литиево-ионный 48в/16ач 13s5p 18650

BattleCruiser

Всем привет.
Решил поставить на свой велосипед второй мотор к переднему QQ100. Взял свой старый ДД, на котором на текущем 16А контроллере ездил некоторое время (т.е. мотор рабочий).
Т.к. второго такого же контроллера пока в наличии нет, то взял другой контроллер, на 22А, который вполне хорошо крутил подопытный редукторник, пока не сжег его (т.е. контроллер тоже рабочий).
Перепробовал с 10 комбинаций проводов, как обычно, при некоторых комбинациях никаких движений мотора, при некоторых - один рывок и остановка, а при третьих (например, при совпадении Ж-Ж, К-К, С-С и на фазах, и на Холлах) - уверенное вращение с очень малыми оборотами и сильным звуком при каждом полуповороте. На другом контроллере, на котором мотор хорошо работал, такого режима вроде бы не было.

Вопрос, какую комбинацию стоит попробовать?

Картинка с форума:
Вряд ли комбинация  Ж-Ж, К-К, С-С и на фазах, и на Холлах дает правильный forward.
Может ли быть несовместимость контроллера и мотора при условии, что контроллер крутит мотор?

i

#107
Есть контроллеры 60 и 120 градусов, и моторы соответственно. Если "градусность" мотора и контроллера не совпадают, перебор комбинаций ничего  не даст.
Попробуйте разобраться самостоятельно. "Что, как и почему" в этой теме.