Li-Force Электромобильчик из бегомобильчика :-)
 
avatar_zap

Электромобильчик из бегомобильчика :-)

Автор zap, 08 Янв. 2015 в 04:17

« назад - далее »

0 Пользователи и 1 гость просматривают эту тему.

zap

Можно сказать, конструкция выходного дня :-D
Правда, у меня это растянулось аж на две недели.
Короче, подарил дед внуку (моему сыну) автомобильчик. Стоил он сумасшедших денег - полторы тыщи рублей :-D
Идея в том, что ребёнок отталкивается ногами и автомобильчик катится под весёлую музычку :)
В общем, первые два месяца он ещё катался, а потом надоело и автомобильчик больше путался под ногами.


Решил я к Новому Году сделать ему подарок.

Дольше всего выбирал двигатель... из-за криворукости а также отсутствия слесарной мастерской пришлось опереться на детали "взрослого конструктора" из хозмага - ну, наверное, многие видели эти пластины разной формы с кучей дырок под болты M5... Потом пошёл в автомагазин и нашёл подходящий двигатель от дворников ВАЗ за 900 рублей. Его преимущество в том, что он сразу с червячным редуктором примерно 20:1, как раз примерно столько же мне и нужно было по расчётам - в районе 50-100 об/мин на колёсах.

Крутяший момент решил передавать на ось заднего колеса через звёздочки от непойми какого чудо-прибора, которые у меня валялись с незапамятных времён. Однако все колёса у данной машинки изначально свободно крутились на оси... поэтому даже если бы ось крутилась, колёса бы оставались на месте :). Колёса пластиковые, кривые-косые, но уж что есть то есть :pardon:.

Поэтому заднюю ось решил заменить на длинную шпильку M6 из хозмага, и дальше каким-нибудь образом прикрепить колёса к оси с использованием гаек :)
Ось получилась примерно так (прошу простить за качество снимков - по собственной большой глупости умудрился их удалить, с трудом вытащил урезанные "миниатюры" из кэша программы просмотра картинок на телефоне... :().


В качестве направляющих для оси просверлил две дырки и вмонтировал туда резьбовые заклёпки M5, после чего резьбу очень аккуратно высверлил сверлом 6мм. Получилось идеально! Через синие боковые отверстия ось проходит даже не касаясь их, вся нагрузка на пистоны.

После этого смонтировал двигатель, на вал двигателя насадил звёздочку, на ось насадил звёздочку чуть поменьше (чтобы чуть увеличить обороты, всё-таки в дворниках слишком сильный редуктор). Отношение зубцов используемых шестерёнок там что-то типа 82:33.


Потом сверху накрыл крышечкой, от греха подальше.


Проверил работу двигателя.
http://youtu.be/3u-RsTNJ1_o
Похрюкивания потом ушли совсем, после смазки-притирки редуктора и прочего.

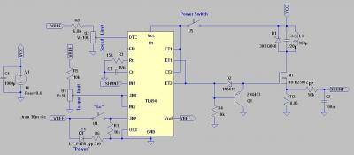
Потом за один вечер нарисовал и отладил схему контроллера. Не мудрствуя лукаво, взял TL494 благо их у меня валяется много выпаянных из компьютерных БП, а на нормальные схемы они всё равно не годятся :-)
Схема контроллера:

Подстроечник U2 устанавливает максимальное заполнение ШИМ (косвенно - максимальную скорость).
Подстроечник U3 устанавливает максимальный ток (ограничение тока сделал чтобы мощный двигатель не порвал редуктор и колёса в клочья в случае блокировки).
Кнопочка "Go" устанавливается на руле: генерация ШИМ идёт только пока она нажата, стоит ребёнку убрать палец с кнопки - сразу встаёт.
Реверс сделал "по тупому", установил мощный 6-контактный выключатель и просто перекидываю полярность подключения двигателя к контроллеру.

Установил кнопки управления (слева выключатель питания с подсветкой, справа выключатель реверса, на руле кнопочка включения двигателя):


На второй вечер спаял на макетке (весь контроллер состоит из б/у выпаянных деталей практически, включая ключ ST75NF75 из какого-то китайского велоконтроллера).
Засунул в термоусадку, термоусадку потом правда пришлось разрезать чтобы кое-что подправить :work:. Разрез заклеил чёрной изолентой, нормально.


На фотографии уже кнопки и переключатели все установил на своих местах, от них идёт 6-контактный разъём (как от датчиков Холла в велоконтроллерах).
В качестве батареи запараллелил две котлеты 4S по 5 А*ч которые купил хрен знает сколько лет назад на распродаже на ебэе (заказывал 6 а приехало только 3, потому в дело и не пошли... на остальные 3 продавец сделал refund).
В общем, получилось достаточно прочно и безопасно для рабёнка, он уже пытался ковырять электрику... надо бы придумать какой-нибудь замочек на отсек, чтоб не лазил не по делу а то пару раз уже выдёргивал контакты мотора, там я использовал ножевые разъёмы для клемм свинцовых аккумуляторов.

Подарил дитёнку на Новый Год... естественно, полезли косяки... ребёнок по привычке пытался ездить, отталкиваясь ногами - раскрутились гайки, которые держат колёса на оси... сорвало стопорный винт, которым звёздочка крепились к оси... потом сорвало шлицы на валу мотора (а я звёздочку с усилием натянул на эти шлицы, а сверху гайкой прикрутил). Спасибо [user]Kullx[/user], он изготовил на своём фрезере с ЧПУ втулку на ось мотора с точным расстоянием между дырками... сам я дрелью вряд бы справился с такой точностью, ну во всяком случае промучился бы изрядно. Прикрутил звёздочку к втулке, а уже втулку стопорным винтом закрепил на оси двигателя. Чтобы стопорный винт хорошо держался, в оси сверлится небольшое углубление (и в моторе, и в оси колёс).

И самое плохое - дитё в упор не понимало как на автомобильчике ездят! Нажимал кнопку и сразу отпускал, автомобильчик дёргался но не ехал. Показывал ему много раз, но ничего не помогало :facepalm:. Показывал как работает выключатель, как направление вперёд-назад переключается, ездил с ним нажимая кнопочку вместо него... ничего :facepalm:. Меня уж стали посещать мысли что либо я сморозил чрезмерно сложный пользовательский интерфейс который физически не осилить мелкому, либо он просто уж слишком мелкий ещё для таких вещей.

А сегодня - внезапно! - сам взял и поехал! Причём переход произошёл скачкообразно как-то, он и рулить-то толком не умел раньше (когда ногами отталкивался, я ему даже пружинку специальную на рулевую колонку повесил чтобы руль сам возвращался в среднее положение). А тут - раз! я только рот разинул! И переключатель направления освоил, и рулёжку! И даже дрифтинг!  :-D - чуть привстаёт, хватает мобильчик ногами, включает двигатель и поворачивается - просёк, что при проскальзывающих колёсах крутить машинку легче.

Вот, полюбуйтесь, его вторая поездка в жизни (первую я не успел заснять :-D):
http://youtu.be/qtk_9T2Bt5E

Надеюсь, электромобильчик доживёт до мая, тогда можно будет испытать его на улице :cycle:.

Рабочий ток мотора - не более 2-3А. Соответственно, 10 А*ч батареи хватит на 5 часов непрерывной езды B-). По факту, заряжаю батарейку раз в три дня, и то ни разу не видел на ячейках напряжения менее 4В. BMS пока нет. Есть несколько плат защиты для 6S, возможно, если летом решу проапгрейдить батарейку до 6S (скорость увеличится в полтора раза), поставлю её.
С уважением,
Андрей

Поражаю масштабностью некопмпетентность (ц) из лички

пётр 74


Merakules

Молодцы!
Вот только обои жалко.... :)

pchelomor

+ Еще один малыш, которого ждут интересные проекты "от Папы". Думаю теперь он с удовольствием сгоняет за пивком для батька:) А если посуществу, можно подумать как укрепить заднюю ось, чтобы не ломалась от усталостных напряжений (слишком большее плечо для шпильки М6 + концентратор напряжений в виде резьбы). Но думаю ему скорее надоест, чем поломается, если только для следующего поколения... Респект, плюсую.
Мой проект https://electrotransport.ru/index.php?topic=22864.0
Чертежи бесплатно. Информация в шапке.

zap

#4
Цитата: Merakules от 08 Янв. 2015 в 11:15
Вот только обои жалко.... :)
Во время съёмок фильма ни одна обоина не пострадала! :) В данном случае колесо упёрлось в плинтус и скользило вдоль него, до обоев бампер не дотянулся.

Подумываю сзади поставить опорное колёсико, а лучше два - а то уже пару раз перевернулся - иногда откидывается сильно назад, хз зачем.
Шпилька под весом ребёнка не гнётся практически, сейчас посмотрел на края пластика через который проходит шпилька - нет следов трения.
По ощущениям, прочности ей хватит до конца срока службы :)

Есть проблема в том, что пластиковые колёса имеют не очень хорошее сцепление... По песку, боюсь, будет буксовать. Надо бы придумать какие-нибудь резиновые накладки на колёса... тип отрезать кольцо от скутерной камеры и натянуть на колёса (диаметр колеса - 15см). Жаль, у меня нет скутерной камеры  :bw:.
С уважением,
Андрей

Поражаю масштабностью некопмпетентность (ц) из лички

gde700

У детей скачком происходит понимание... Мои так-же осваивали электросамокат... Правда, старшему до сих пор мотоциклетная ручка газа неудобна, курок требует. А младший просто сел и поехал. :)
Li-Ion microvast 55,5V 22Ah
DUAL-E-TWOW S2 15s1p 2x6fet nuclear! :)
Begode Tesla V2 литровая.

zap

А сколько ему было? Моему год и 9 месяцев.
С уважением,
Андрей

Поражаю масштабностью некопмпетентность (ц) из лички

gde700

Мои сильно постарше были (двойняшки)... Правда, и скорость получилась сильно больше... Когда катались на бегомобилях, увы, не пришло мне в голову такое решение... Просто купил детские квадрики, хотел их переделать, да после самоката ребята как-то к ним остыли (даже с душилкой скорости не сравнимы)...
Li-Ion microvast 55,5V 22Ah
DUAL-E-TWOW S2 15s1p 2x6fet nuclear! :)
Begode Tesla V2 литровая.

cfyz

Я на 15е колёса (150мм) натянул отрез от автомобильной камеры (13-14 дюймов). В разрезе она имеет диаметр примерно 120мм. Натягивается туго (в 4 руки), но и сидит на месте хорошо.

Из минусов - на дверных откосах появились черкаши. Когда проезжает мимо задевает их краем колеса и на белой краске остаются следы.

zap

Ага, я нечто подобное и имел в виду.

Но пока что мне даже нравятся пробуксовки. Во-первых, это работает как предохранитель механических нагрузок на трансмиссию (вместо того, чтобы гнуть железо в редукторе колёса просто срываются в букс). Во-вторых, вообще круто выглядит старт с проворотом :) даёт ощущение, что машинка едет быстрее чем на самом деле :). Возможно, резину буду надевать для улицы, а дома лучше голый пластик.

У меня нет плавного пуска и останова, наверное стоило сделать хотя это и не критично. При следующей ревизии схемы, наверное, сделаю, тем более это совсем несложно. Я думал, что ограничение тока будет работать заодно как плавный старт, но оказалось, что ток слишком сильно нельзя ограничивать, иначе двигатель вообще не может запуститься (червячная передача требует большого кратковременного тока при старте). А остановка у меня получилась в меру плавной - при опускании кнопки останавливается сантиметров за 10-20 (то ли на запасах энергии в конденсаторе, подключённом параллельно двигателю, то ли механическая инерция). Как раз то что надо, учитывая отсутствие тормозов.
С уважением,
Андрей

Поражаю масштабностью некопмпетентность (ц) из лички