Li-Force Прогулочная машинка (для детей и взрослых) - Страница 2
 
avatar_big17

Прогулочная машинка (для детей и взрослых)

Автор big17, 13 Апр. 2015 в 00:29

« назад - далее »

0 Пользователи и 1 гость просматривают эту тему.

big17

Итак, теперь у нас есть руль. От Матизика!

Плюсы:
- Полный комплект! Руль + рулевая колонка + подрулевые переключатели + пластик + замок зажигания!!!
- Решена половина проблемы с противоугонными средствами - прекрасно работает замок рулевой колонки: если ключ вытащить и повернуть руль на пол-оборота - он блокируется. Может даже и противоугонка не потребуется... хотя нужна ли она ))
- На замке зажигания два раобчих положения - в первом положении планирую включать бортовую сеть (фары, например), во втором положении - зажигание на контроллер.
- Все вместе - очень легкое... Взвешу потом на безмене, но на вскидку - пару килограмм, не больше.

Минусы:
- Эх, не регулируется по высоте и по вылету, а я так хотел сделать, чтобы можно было и под себя и под ребенка настраивать. Придется сидения искать с лифтом по высоте
- Ключик только один... если дети потеряют - придется замок выкидывать.







На стадии проектирования сборки: легкая открытая прогулочная двухместная машинка: 48V 2+2 КВт Quanshun'ы 100Ач !!!
https://electrotransport.ru/index.php?topic=26801.0 (заходите, критикуйте)

big17

Следующий шаг - сидения. Планирую передние сидения от легковушки.
Просьба не предлагать пластиковые стулья, типа тех, которыми футбольные фанаты-дебилы на стадионах кидаются  :-)
Детям нужно чтобы было круто! Поэтому просто хочу подобрать такие, которые как можно легче.
На стадии проектирования сборки: легкая открытая прогулочная двухместная машинка: 48V 2+2 КВт Quanshun'ы 100Ач !!!
https://electrotransport.ru/index.php?topic=26801.0 (заходите, критикуйте)

big17

Цитата: big17 от 16 Апр. 2015 в 15:03
- Все вместе - очень легкое... Взвешу потом на безмене, но на вскидку - пару килограмм, не больше.

Взвесил - оказалось ровно 5 кг. Видимо "своя ноша не тянет"  :pardon:
На стадии проектирования сборки: легкая открытая прогулочная двухместная машинка: 48V 2+2 КВт Quanshun'ы 100Ач !!!
https://electrotransport.ru/index.php?topic=26801.0 (заходите, критикуйте)

big17

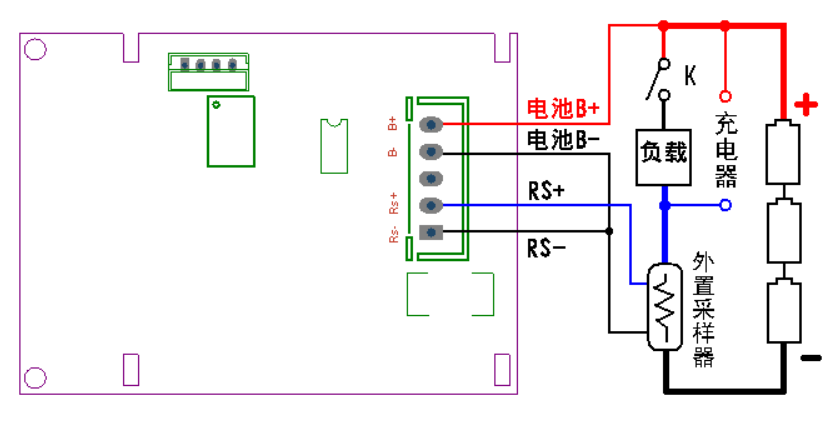
Набросал небольшую схему (больше для собственного понимания)





Добавлено 17 Апр. 2015 в 01:34

Ну вот, только опубликовал - и сразу же увидел ошибку: шунт надо ставить до автомата, ближе к АКБ, т.к. ваттметр не только "расход" показывает, но и ход зарядки. Завтра переделаю.
На стадии проектирования сборки: легкая открытая прогулочная двухместная машинка: 48V 2+2 КВт Quanshun'ы 100Ач !!!
https://electrotransport.ru/index.php?topic=26801.0 (заходите, критикуйте)

sykt

Сайт популяризации технического творчества: http://samodelkin.komi.ru/index1.html

big17

Цитата: sykt от 17 Апр. 2015 в 21:11
Аналогичный этому будет?
http://samodelkin.komi.ru/auto/myelectro.html
Не знаю ) Хочется, чтобы выглядел круто, но вот что получится - сложно сказать ))
На стадии проектирования сборки: легкая открытая прогулочная двухместная машинка: 48V 2+2 КВт Quanshun'ы 100Ач !!!
https://electrotransport.ru/index.php?topic=26801.0 (заходите, критикуйте)

big17

На стадии проектирования сборки: легкая открытая прогулочная двухместная машинка: 48V 2+2 КВт Quanshun'ы 100Ач !!!
https://electrotransport.ru/index.php?topic=26801.0 (заходите, критикуйте)

Slavemaster

Так ток зарядки всё-равно мерить не будет)

Николай Тимофеев

На схемах обычно рисуют красным +,черным -,а шунт ставиться на -. Но он у вас на красном проводе.Конечно если у вас красный -, тогда все ОК.
Донор GT force-3., Моторы Циклоп-3 450 Вт по центру и Mxus 350 Вт на переднем и заднем колесе., АКБ LiFePo4 20 Ah 48v.Пробег в среднем 60 км.Скорость максимальная 50км.ч.

Николай Тимофеев


Вроде так должен показывать.если я не ошибаюсь.
Донор GT force-3., Моторы Циклоп-3 450 Вт по центру и Mxus 350 Вт на переднем и заднем колесе., АКБ LiFePo4 20 Ah 48v.Пробег в среднем 60 км.Скорость максимальная 50км.ч.

Николай Тимофеев

Кстати при таком  Аккумуляторе (расчет на LiFePO, на 25Ач) ваш ваттметр почти без полезен. Он у вас будет показывать почти полную зарядку, а потом раз и сел АКБ.
Донор GT force-3., Моторы Циклоп-3 450 Вт по центру и Mxus 350 Вт на переднем и заднем колесе., АКБ LiFePo4 20 Ah 48v.Пробег в среднем 60 км.Скорость максимальная 50км.ч.

big17

Цитата: Николай Тимофеев от 20 Апр. 2015 в 18:11
Кстати при таком  Аккумуляторе (расчет на LiFePO, на 25Ач) ваш ваттметр почти без полезен. Он у вас будет показывать почти полную зарядку, а потом раз и сел АКБ.
Хм.... а почему? В чем особенность лиферов? Можете дать ссылку.

Кстати, мне важнее расход энергии и текущие токи. Хотя опыта электростроения еще нету (этот первый) - может быть еще сам не понимаю, что важно, что нет.
На стадии проектирования сборки: легкая открытая прогулочная двухместная машинка: 48V 2+2 КВт Quanshun'ы 100Ач !!!
https://electrotransport.ru/index.php?topic=26801.0 (заходите, критикуйте)

big17

Цитата: Slavemaster от 20 Апр. 2015 в 17:31
Так ток зарядки всё-равно мерить не будет)

В инструкции от ваттметра - более хитрая схема подключения. Это я на своей схеме совсем упрощенно накидал.


На стадии проектирования сборки: легкая открытая прогулочная двухместная машинка: 48V 2+2 КВт Quanshun'ы 100Ач !!!
https://electrotransport.ru/index.php?topic=26801.0 (заходите, критикуйте)

big17

Наконец то приехали тормозные диски. Сразу же "примерил" все вместе.
На пробу сначала один тормозной диск заказал с Али, по посадочным отверстиям подошел, а вот с диаметром я ошибся.
Эти подошли идеально.
Собственно, здесь особо инженерные навыки применять не пришлось - просто грамотно подобрать компоненты.
По сути - это передняя подвеска квадрика уровня 150-200 кубиков.
Можно было бы вообще с передними тормозами не париться, но решил собрать гидравлическую систему и опробовать ее в деле.
На заднем мосту уже есть барабанные тормоза (подвеска от Муравья) - их планирую использовать в качестве стояночного тормоза.






На стадии проектирования сборки: легкая открытая прогулочная двухместная машинка: 48V 2+2 КВт Quanshun'ы 100Ач !!!
https://electrotransport.ru/index.php?topic=26801.0 (заходите, критикуйте)

big17

Нашел сегодня на авторазборке комплект разъемов для подрулевых переключателей. Все прозвонил.
Прикинул, что выключатель габаритов будет включать ходовые огни (светодиодные полоски), ближний свет - одну пару фар, дальний свет - вторую пару фар (они полностью одинаковые). Для указателей поворотов - есть китайская релюшка, которая шла вместе с комплектом поворотов.
А вот рычажок управления стеклоочистителем пока не знаю куда применять. Пусть не подключенный будет :)
На стадии проектирования сборки: легкая открытая прогулочная двухместная машинка: 48V 2+2 КВт Quanshun'ы 100Ач !!!
https://electrotransport.ru/index.php?topic=26801.0 (заходите, критикуйте)

big17

Коллеги, возникла такая идея: совместить передние гидравлические тормоза с рекупирацией на двигателе. Например: нажимаю на педаль тормоза, замыкается контактик, активирующий рекупирацию (на задних колесах), и соответственно немного притормаживают передние тормоза от педальки. Если давить педаль дальше - тормозное воздействие на передние колеса будет сильнее, на задние, естественно, не изменится.
Или второй вариант: жмешь педальку тормоза, с глубиной нажатия передние тормоза схватывают сильнее, а при определенном положении - срабатывает и рекупирационный задний тормоз. То есть если чуть-чуть притормозить - работают чисто передние, а если поактивнее - то дополнительно и рекупиративный.

Только вот сомневаюсь - а не будет ли рывков при включении рекуперативного тормоза (нет опыта его использования).
На стадии проектирования сборки: легкая открытая прогулочная двухместная машинка: 48V 2+2 КВт Quanshun'ы 100Ач !!!
https://electrotransport.ru/index.php?topic=26801.0 (заходите, критикуйте)

big17

#34
Следующий мой шаг - это изготовление корпуса для аккумулятора.
Аккумулятор заказывал в Li-Force, на призматиках, без корпуса.



Всю электронику хочу разместить в специальном ящике. На ящике планирую вывести наружу (где-нибудь сбоку) автомат защиты, разъем для подключения зарядки (XLR3), а также сделать крышку для удобного доступа (для контроля).
Хотя аккумулятор будет размещаться в этом ящике - все равно хочу для него сделать корпус с ручкой для переноски (чтобы не оставлять на зиму в гараже, а хотя бы в сухое место убирать, где влажности поменьше). В большом ящике планирую сделать посадочные места для крепления аккумулятора (пока еще не решил какие - или крепить его на какие-нибудь барашковые гайки или вставлять в специальное место, чтобы туда-сюда не смещался).
Из материала - думаю о ПВХ-пластике (листовой вспененный): где-то на форуме была тема, где автор описывает изготовление корпуса из такого пластика.
На стадии проектирования сборки: легкая открытая прогулочная двухместная машинка: 48V 2+2 КВт Quanshun'ы 100Ач !!!
https://electrotransport.ru/index.php?topic=26801.0 (заходите, критикуйте)

big17

Вчера выточили проставки-переходники со ступицы "муравья" на колесный диск.
Получились, к сожалению тяжеловатые, (4,5 кг каждая). Но другого варианта не было: толщина обусловлена тем, что ступица до конца не влезает в диск и не хватает по глубине 55 мм. Поэтому и проставки делал под этот размер - взял 58 мм.

На фотке вторая проставка видна уже закрепленной на диске.




Прикреплять к ступице буду изнутри - на винты с потайной головкой. На фотке видно, что с одной стороны будет диск прикручиваться, а с другой - ступица.



Вот такая тяжеловатая конструкция получилась.

Есть мысль дырок посверлить, но не знаю, даст ли это особый эффект, и сколько на это сверел уйдет.


Добавлено 02 Май 2015 в 00:55:59

Кстати, один из положительных моментов в этом есть - колея увеличилась на ширину проставок - и теперь как раз подходит под запланированную ширину машинки (с учетом расположения двух сидений рядом).
На стадии проектирования сборки: легкая открытая прогулочная двухместная машинка: 48V 2+2 КВт Quanshun'ы 100Ач !!!
https://electrotransport.ru/index.php?topic=26801.0 (заходите, критикуйте)