зарядное устройство капельница с самоподхватом (с видео)

Автор Mahor64, 02 Май 2016 в 15:44

« назад - далее »

0 Пользователи и 1 гость просматривают эту тему.

Mahor64

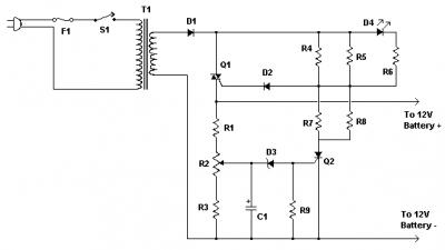
Здравствуйте уважаемые форумчане. Так как я слушаю в гараже музыку от выдранного из машины кассетника подключенного к аккумулятору, то мне понадобилось зарядное устройство. Посидел в инете и выбрал вот эту схему


Схема интересна тем, что
1) позволяет оставлять зарядное устройство подключенным в стационаре и само не только выключается, когда аккумулятор заряжен, но и включается, если есть необходимость в заряде.
2) по мере достижения заданного вольтажа (задаётся переменным сопротивлением) понижает амперы
3) понижая амперы переводит их в капельный режим зарядки и в конце просто отключается.
4) можно исключить аккумулятор из схемы совсем )). Кинутые клеммы на вход питания магнитофона позволяют использовать ЗУ в режиме блока питания. Мафон подхватывает питание и Зу запускается.
5) можно выставить разное пороговое значение максимального вольтажа, что позволяет заряжать разные типы аккумуляторов одной зарядкой. Просто нужно сделать градуировку рядом с переменным резистором.

Максимальный ток заряда ограничен 4 амперами. Я проверял - таки да, что мне оказалось более, чем достаточно.
Собрано по схеме взятой отсюда
http://www.aaroncake.net/circuits/charger2.asp?showcomments=all
с небольшими изменениями. Вместо двух параллельных сопротивлений (R7+R8 и R4+R5)на 82 Ом я поставил последовательно 5 штук цементных резисторов по 8,2 Ома 10 ватт и в сумме получил все те же 41 Ом, зато они перестали греться. Совсем. То есть всего таких резисторов нужно 10 штук. Так же, вместо BRX49 я применил mcr100-8

Комплектацию прилагаю:

R2         1      100 Ohm 1/4W Pot (лучше не искать импортный, а сразу ставить отечественный, так как малоточных импортных я не смог найти в продаже)
R4, R5, R7, R8 4 82 Ohm 2W Resistor (лучше сразу  заменить пару по 82 ома параллельно на 5 последовательно 8,2 ома 10 ватт цементных бо те, что по схеме сильно греются. Всего будет 10 штук).
R6         1      100 Ohm 1/4W Resistor
R9         1      1K 1/4W Resistor
C1         1      220uF 25V Electrolytic Capacitor
D1         1      P600 Diode Any 50V 5A or greater rectifier diode
D2         1      1N4004 Diode 1N4002, 1N4007
D3         1      5.6V Zener Diode
D4         1      LED (Red, Green or Yellow)
Q1         1      BT136 TRIAC
Q2         1      BRX49 SCR or  mcr100-8 or P0102DA (BT169 or 2N6565?)
T1         1      12V 4A Transformer See Notes (мой трансформатор даёт 16 вольт и 6 ампер. на выходе диодный мост)
F1         1      3A Fuse
S1         1      Switch, 120VAC 5A

Видео прилагаю :
https://youtu.be/wguZUZeFANo

Fin4master

#1
[user]Mahor64[/user], не хочу вас обидеть, но эта схема стара как мир. Заряжать ей можно разве что свинец на жидком электролите, да и то алгоритм заряда далек от идеала. Однополупериодный выпрямитель на диоде vd1 это очень плохо для сетевого транса, он должен быть как минимум с двойным запасом по мощности. Нет выходных емкостей. На выходе этого зарядного будут однополярные синусоидальные полуволны со сквжностью 2 со срезанными верхушками, уровень среза регулируется переменным резистором. Попробуйте нагрузить это устройство на резистивную нагрузку, например лампочку, и посмотреть осциллографом (если есть) форму напряжения. Изза такого пульсирующего напряжения ваши измерительные приборы скорее всего показывают неправильные значения.
И еще я думаю это не ''капельный режим'' а самовозбуд. На сколько мне известно 12 вольтовый свинец постоянкой заряжают до 13.8 вольт. Свои зарядки для герметичного свинца я делал именно на такое напряжение.
Ой че только у меня уже не было. и жег, и перематывал, и магниты сдохли и контроллеры выходили из строя...

Mahor64

#2
Цитата: Fin4master от 04 Май 2016 в 01:24
[user]Mahor64[/user], не хочу вас обидеть, но эта схема стара как мир. Заряжать ей можно разве что свинец на жидком электролите, да и то алгоритм заряда далек от идеала.
не обидите ))я перерыл много инфы в русскоязычном инете и для моего уровня знаний в схемотехнике эта зарядка очень даже по силам. Алгоритм достаточно хорош.  Не говоря уже о себестоимости. Копеечная, особенно если есть, как у меня,  убитое совдеповское зарядное.
Я её собрал за один вечер на двух платках (размером 2х8 см, просто то, что было в наличии) с дырочками и решил проблему.  Если есть транс на 4 и более ампер, то вообще всё решается просто и быстро.

Цитата: Fin4master от 04 Май 2016 в 01:24
[user]Mahor64[/user]Однополупериодный выпрямитель на диоде vd1 это очень плохо для сетевого транса, он должен быть как минимум с двойным запасом по мощности.
транс не греется и мне это нравится, хотя я собрал на полном диодном мосту. Просто не хотел переделывать старый сломанный зарядник.  Не греется, когда выдаёт 4 ампера и когда капает. Что в нём ещё может поломаться?

Цитата: Fin4master от 04 Май 2016 в 01:24
[user]Mahor64[/user] Попробуйте нагрузить это устройство на резистивную нагрузку, например лампочку, и посмотреть осциллографом (если есть) форму напряжения.
зачем? ))) там стоит семистор. Это его функция срезать. Так задумано.

автомагнитола Пионер с колонками это резистивная нагрузка? Играет без аккумулятора. Аккумулятор заряжает так, как я хотел бы. Могу оставить хоть на неделю. Потом прийти разрядить аккум и не суетиться с подключением. Сам подхватит и сам выключится.

Цитата: Fin4master от 04 Май 2016 в 01:24
[user]Mahor64[/user]
И еще я думаю это не ''капельный режим'' а самовозбуд.
У меня есть возможность наблюдать за зарядкой. Капает малым током. Слышу отчётливо, как включается транс когда капает. Ничего не греется. Что ещё нужно?

Цитата: Fin4master от 04 Май 2016 в 01:24
[user]Mahor64[/user]
На сколько мне известно 12 вольтовый свинец постоянкой заряжают до 13.8 вольт. Свои зарядки для герметичного свинца я делал именно на такое напряжение.
Если зарядить и отключить зарядное, то замерьте через часок-другой сколько будет на Вашем аккуме? Сохранятся ли те 13,8 вольт на нём?
Так как я не отключаю зарядное и оно ПОДДЕРЖИВАЕТ заданное напряжение, то я СЕБЕ выставил НИЖНИЙ порог 12,8. Держать его ПОСТОЯННО в напряжении 13,8 на мой взгляд не кошерно. Если требуется зарядить быстро, то есть переменный резистор и могу выставить 13,8 или любое другое значение.

Fin4master

Срезает не верхушки, а боковинки, я ошибся. Т.е. амплитуда импульсов не стабилизируется.
То что полный диодный мост это хорошо.
13.8В это и есть постоянный долговременный уровень, на котором аккумулятор можно держать долго (буферный режим), а ускоренный импульсный режим заряда это до 15 вольт.
После отключения от зарядки напряжение на любом аккумуляторе может немного опускаться.
Осциллограммы ваши или из интернета?
Магнитола не резистивная нагрузка.
Ой че только у меня уже не было. и жег, и перематывал, и магниты сдохли и контроллеры выходили из строя...

Mahor64

Цитата: Fin4master от 04 Май 2016 в 13:21
Осциллограммы ваши или из интернета?
Магнитола не резистивная нагрузка.

1)Из интернета. Как пользоваться осцилографом не знаю. Для меня те люди, которые умеют вроде шаманов )).
2) Когда включаю свет в подвале гаража, то лампочка там 12 вольтовая. Питание на неё идёт от аккумулятора. Зачем её пускать от зарядного не знаю ((... Если так интересно, то могу попробовать кинуть провода.   

Fin4master

[user]Mahor64[/user],
Цитата: Mahor64 от 04 Май 2016 в 13:32
Зачем её пускать от зарядного не знаю   
Если нет осциллографа, то в этом нет смысла
Ой че только у меня уже не было. и жег, и перематывал, и магниты сдохли и контроллеры выходили из строя...

Mahor64

#6
1) забыл добавить, что Q1 требует радиатора. Я посадил свой на штатное место в корпусе на термопасту.
2) разработчик пишет, что если вырубят свет и на долго, то зарядное будет тянуть тихонько ток с аккума, но там, откуда я слямзил схему толкаются люди интересующиеся солнечными панелями и им это сильно актуально. Можно реле поставить, которое будет разрывать или диод. Реле мне не нравится. Я ничего не ставил. Мне это не критично, потому что как выключат свет, так и включат и аккум тут же подзарядится.
3) Светодиод по описаниям разработчика должен включаться только когда капает и засыпать, когда зарядился полностью. У меня он всё время горит и только подмаргивает, когда идёт заряд. Почему такое понять не могу. Ну горит и горит. Тоже хорошо. Я наблюдаю по стрелке амперметра и по звуку трансформатора.

Mahor64

#7
Цитата: Fin4master от 04 Май 2016 в 01:24Однополупериодный выпрямитель на диоде vd1 это очень плохо для сетевого транса, он должен быть как минимум с двойным запасом по мощности. Нет выходных емкостей.
оказывается есть обсуждение на форуме этого зарядного с участием разработчика с 2007 по 2015 года. Там походу уже все шишки собраны и убраны)) . Вот что  пишет разработчик  по этому поводу :

1) The full wave rectifier will not work as the SCR needs the voltage to fall to zero in order to turn it off.
http://www.aaroncake.net/forum/topic.asp?TOPIC_ID=5954&whichpage=2
полноволновый мост не будет работать с этой схемой, так как тиристору (Silicon-Controlled Rectifier SCR) нужно чтобы вольтаж упал до нуля, для того, чтоб выключиться.

и , чуть далее по тексту : The circuit requires a pulsing DC so you can't use it directly from a DC source like a solar panel.
Схема требует пульсирующего DC поэтому вы не можете использовать для заряда источники, которые выдают сглаженный DC, такие как солнечные панели.

начинаю понимать, почему у меня светодиод не гаснет и почему у меня ВСЕГДА есть напряжение на холостом ходу. Пусть низкое, но есть. Боюсь, что магнитофон без аккума тогда не будет видеться зарядным, но надо попробовать исключить мост. Благо, что диод D1 я на всякий случай впаял ))

2) Выходное напряжение задаётся R1-R3 и можно перевести это зарядное хоть в 24 вольта.

Mahor64

#8
Сделал вместо моста полумост. Разницы не заметил. Так же заряжает и так же светодиод не гаснет. Погоняю так пока что.

две верхние платки это оно, зарядное. Нижняя это защита от переполюсовки и КЗ





RFT

Собрал это устройство, но не регулируется напряжение 14,8 В, и сильно гудит трансформатор, диод Д242 греется. А с мостом напряжение  ещё выше, и после включения сразу чихнул аккумулятор: слишком большой ток. Но трансфррматор с мостом не гудит. Может потому не регулируется, что за отсутстием оригинала я поставил Q2 КУ202Н?  :bn: