avatar_poraboloid

Yedoo City, электрификация.

Автор poraboloid, 21 Авг. 2016 в 12:36

« назад - далее »

0 Пользователи и 1 гость просматривают эту тему.

poraboloid

Моей жене очень понравился электросамокат, который я собрал нашей дочке.
В теплое время года машина сиротливо стоит под окном 4 месяца, самокату она не конкурент.
Одна проблема - несколько раз в день 18.5кг ей тяжело поднимать на руках на 4 этаж пешком.
Попросила собрать ей такой-же, но полегче.

Был заказан Yedoo Ox new.



Батарейный бокс.



Мотор-колесо Aikema QQ85.



Антипрокольные покрышки Shwalbe 12"



Литий-ионки Dlg18650 200mAh, Бмс 14S.



Контроллер синусник 19А, экран LCD-03 к нему.



Сборка батареи в корпус



Всё было собрано на самокате без сверления рамы, на пробу.



Покатавшись я понял что самокат на ходу мне не нравится...
За счет переноса веса акб на переднюю часть самоката при переезде неровностей есть ощутимый удар в руль.
Штатная подножка еле удерживает самокат в вертикальном положении и внезапный порыв ветра запросто может его опрокинуть.
А учитывая пластиковый корпус акб на руле, вес которого будет стремиться к асфальту - рано или поздно краш обеспечен.

Как известно лучшее - враг хорошего.
Было решено сменить базу и перепаковать акб в рулевую стойку, как на первом оксе.

С рамы было всё снято, возвращенный в заводской вид самокат был продан с уценкой.

Новая рама приехала, начинаем проектирование.
Передняя защитная пластина, она-же основание для каркаса сборки акб.
Алюкобонд 4мм.



Оклеил черной матовой пленкой, Oracal-641.



Ячейки аккумулятора я решил не склеивать как это делается обычно, а расположить между двух пластин вспененного пвх, от какой-то рекламной вывески.
Пластины вырезаны по форме передней защитной пластины и будут опираться на нее, равномерно распределяя нагрузку.



Защитную пластину прикрепил винтами, засверлив раму и нарезав резьбу.
Сверху на ней удобно располагается контроллер. Там он не мешается и всегда на обдуве.



Далее сделал из картона шаблон корпуса.



Друг помог, сделав модель с моего шаблона и вырезав её на фрезере из 3мм алюкобонда.



Для фар и задних огней раздобыл крутую ди-сишку на 12 вольт 7 ампер.
Нарисовал и спаял платку питания стоп-габаритов.
Также поставил уже сделанную раньше плату управления светом.



Скомпоновал дисишку, два драйвера фар, платку управления передним светом и платку питания задних огней.



Фары - самодельные, радиатор, два светика Cree XML для дальнего или MTG для ближнего, корпус из поликарбоната, линзы.



Стоп-габаритные огни из красных эммиторов, с рассеивающей оптикой.



Собираем корпус, все крепления - на винтах М3 под шестигранник, соединители и держатели вырезаны из поликарбоната.



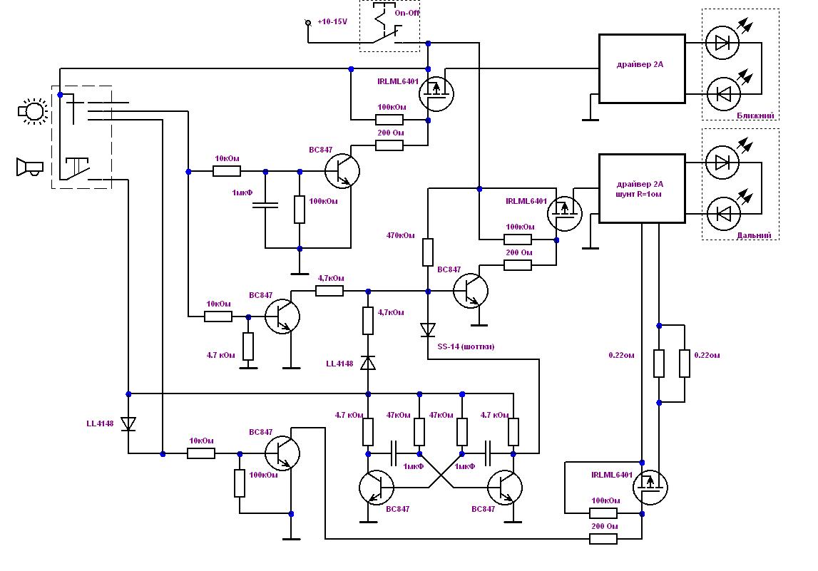
При включении питания автоматически включаются задние габаритные огни и передняя фара дальнего на яркость 10% - режим ходовых огней.



При включении света ( штатной функцией LCD-03 ) - выключается фара дальнего, включается фара ближнего и подсветка дисплея.



При включении дальнего отдельным переключателем на руле - включается фара дальнего (независимо от ближнего).



При нажатии кнопки на переключателе света - работает строб дальним в полную мощность (независимо от всех режимов).

При торможении яркость задних огней увеличивается.


Yedoo Ox, МК DD350W, 9А\ч LiFePo4  Yedoo City, МК QQ85,11A\ч LiIon
Yedoo Mezec new, MXUS 350, 9А\ч LiFePo4 Самовар на тесте.
EVO 2xDD500W в ремонте.Оxelo Dirt в доделке

poraboloid

#1
Цитата: BeegBob от 08 Сен. 2016 в 12:39
Полистал Ваши темы с самокатами - понравилось, но не нашел там одной детальки -  как вы включаете фару?
Т.е. к чему она прикручена проводами, что б, при включении подсветки на дисплее, загорались и огни. Если не секрет - поделитесь. Здесь или в Вашей ветке.


На дочкином самокате (ОХ) на руле стоит переключатель света трехпозиционный.
ДХО-Ближний-Дальний.

На самокате жены (CITY) стоит двухпозиционный переключатель, он управляет только дальним светом.
Ближний включается от LCD, внутри которой взят сигнал  дополнительно впаянного транзистора с выхода микроконтроллера, управляющего подсветкой экрана.
Сигнал подан на схему управления режимами света, которая уже и управляет освещением.



Сперва расписал было всё детально, но понял что эта простыня абсолютно нечитаема...
Поэтому что интересно - спрашивайте, расскажу подробнее.
Yedoo Ox, МК DD350W, 9А\ч LiFePo4  Yedoo City, МК QQ85,11A\ч LiIon
Yedoo Mezec new, MXUS 350, 9А\ч LiFePo4 Самовар на тесте.
EVO 2xDD500W в ремонте.Оxelo Dirt в доделке

BeegBob

Это, конечно, то же в копилочку пойдет, :wow: Но у меня блок фара+би-би  - заводской. Т.е. на него в тупую,  с обычных выключателей, подается 24в-48в напрямую с аккума. У меня 36в.  Драйвера, как я понимаю, уже стоят внутри. О дальнем-ближнем пока, вообще, не задумывался. Интерес возник (пока) включать фару и задний фонарь, не отдельным выключателем, а именно сигналом с дисплея. 
Похоже разбирать-разгерметизировать его придется таки, но дальше  :bw: :bn:  С транзисторами, я еще могу поковыряться, а вот с современными микрухами уже тяжко. Если б Вы ткнули пальцем с какого, именно, места в дисплее можно вынуть тот сигнал...  А если б, еще, и с фоткой...  :wow:  Тогда бы я фару с дисплеем, точно, подружил. 
Думаю, это пригодилось бы не только мне, но и многим, кто приобрел такую игрушку.
С детства мечтал иметь велик.
За пол года до пенсии купил   - мечты сбываются!

Slavemaster

[user]BeegBob[/user], извините, что вклиниваюсь, но отследить точку подключения обычно не составляет труда: достаточно проследить от контактов подсветки дисплея дорожку, на ней обычно стоит токоограничивающий резистор и управляющий транзистор - вот к его выходу можно подключить дополнительный транзистор требуемой мощности на питание фары.

BeegBob

Я бы с удовольствием экспериментировал и, может быть, даже ничего бы и не сжег :bn:  Однако считаю не зазорным, спросить у человека, который это уже сделал,  успешно пользуется и готов поделиться знаниями.
С детства мечтал иметь велик.
За пол года до пенсии купил   - мечты сбываются!

poraboloid

Где-то был запасной дисплей, найду - открою и сфотографирую.
Схемку нарисую, не проблема.
Yedoo Ox, МК DD350W, 9А\ч LiFePo4  Yedoo City, МК QQ85,11A\ч LiIon
Yedoo Mezec new, MXUS 350, 9А\ч LiFePo4 Самовар на тесте.
EVO 2xDD500W в ремонте.Оxelo Dirt в доделке

BeegBob

 :wow:
Уже начинаю ждать..., терпеливо
С детства мечтал иметь велик.
За пол года до пенсии купил   - мечты сбываются!

poraboloid

Нашёл дисплей, открыл, сделал фото как обещал.




Расположение нужных точек.



С точки "сигнал на транзистор" ставим резистор 1кОм, с него на базу npn транзистора.
Эммитор транзистора на "- питания", на коллекторе получаем минус, появляющийся при включении подсветки дисплея.

Его можно завести на оптопару (анод на +5 вольт через резистор 1кОм), или попробовать повесить мелкое герконовое реле.
Обычное реле на 40мА тока пробовал вешать - LM-ка дисплея не вытягивает, слабая.
Можно еще попробовать +5 вольт с контроллера взять.


Yedoo Ox, МК DD350W, 9А\ч LiFePo4  Yedoo City, МК QQ85,11A\ч LiIon
Yedoo Mezec new, MXUS 350, 9А\ч LiFePo4 Самовар на тесте.
EVO 2xDD500W в ремонте.Оxelo Dirt в доделке

BeegBob

 :bravo: :dance:
Отличные фотки и коменты к ним!
Теперь по теме  :-)
Я думаю оптопара будет надежнее, осталось подобрать подходящую, т.к. фара у меня питается напрямую с аккума (36v).
По ходу еще вопросик. Если в контроллере есть +5v, то там наверное источник по мощнее ? Хочу взять от тудова напругу для заднего фонарика  и поворотников. Как считаете - потянет или городить что то свое ?
Поворотники буду делать сам (не нашел ничего подходящего из готовых),  а фонарик магазинский Вот такой 
С детства мечтал иметь велик.
За пол года до пенсии купил   - мечты сбываются!

Spik

[user]poraboloid[/user], здравствуйте, а где можно приобрести мотор Aikema QQ85, как на вашем самокате?

ДедПихто

Поддерживаю вопрос! :hello:
Читал много тем, ваш самокат понравился законченностью и внешне аккуратно выглядит.
Купил Intrea City, теперь ищу мотор. Подскажите какой подойдет ? У Ришара-Владимира такие?

poraboloid

Мотор-колесо можно найти в продаже на китайских интернет-площадках.
Я там не закупаюсь, поэтому заказал у друзей в электронбайкс.
Можно поставить Решаровское 12", оно тяжелее, но зато будет рекуперативное торможение.
Yedoo Ox, МК DD350W, 9А\ч LiFePo4  Yedoo City, МК QQ85,11A\ч LiIon
Yedoo Mezec new, MXUS 350, 9А\ч LiFePo4 Самовар на тесте.
EVO 2xDD500W в ремонте.Оxelo Dirt в доделке

Иван Николаевич

 :wow: отличные игрушки ,больше заинтересовал самокат с большим мотором к нему  как я понял какойто переходник сделан на заднюю вилку ,не расскажете про него подробно


Vladimir Volkovich

Отличная DC-DCшка , в москве не купить , есть альтернатива на такой вольтаж интересно, китайские дешевые горят как спички 8((