Полезная информация


avatar_Howk

Пипетка (мини-мото-техника)

Автор Howk, 22 Апр. 2019 в 00:09

« назад - далее »

0 Пользователи и 1 гость просматривают эту тему.

Howk

Как охлаждается мотор?



От встречного потока воздуха охлаждается только рубашка цилиндра и цилиндр. Сильнее нагревается цилиндр, он расширяется и способствовать клину никак не может. Поршень с цилиндром имеют тепловой контакт только через кольца. Тепло от поршня через цилиндр практически не отводится, поршень охлаждается продувкой и частично отдает тепло через поршневые кольца. В НМТ струи продувки орошают днище поршня и забирают тепло. При 10кмч нагрузка большая, а продувка слабая. Смеси мало, смазки тоже.

Все предпосылки к перегреву и заклиниванию. Но только если передаточное число под одну скорость. Если стоит коробка скоростей, то на первой скорости обороты высокие, продувка нормальная, а нагрузка на мотор минимальна. Мотор охлаждается поступающей смесью, что эффективнее, чем набегающий поток воздуха. Двигатель с жиклёром 55, нагрев ребра головки цилиндра 130 градусов. Жиклёр 62 температура ребра 90, жиклёр 70 температура ребра 60 градусов.

Расход топлива 2 литра, 3 литра и 5 литров на 100км. Поэтому (для КД-50) надо выполнить три условия, чтобы мотор не перегревался. Поршень в НМТ должен быть вровень с нижней кромкой перепускных окон, либо на 1-2мм выше. Но не ниже. Не жадничать с передаточным числом. Лучше поставить ведомую звёздочку больше, вместо 37 поставить 44-48. Нагрузка на мотор меньше, а обороты больше. Охлаждение продувкой предотвращает заклинивание двигателя.

Температурный режим.



Нормальный диапазон рабочей температуры двухтактного бензинового двигателя 80-100 градусов цельсия (рекомендуют 80-100), мануалы от 28 кубиков до 684, везде от 80 до 100 градусов. Температуру двухтактного двигателя правильнее всего мерять под свечой, она в районе 180-220 градусов. Если меньше, прикрыть моторчик.

Если температура двигателя по термодатчику не зашкаливает за 150 градусов, поводов для беспокойства нет. Термодатчик должен быть расположена как можно ближе к верхней части циллиндра,  со стороны противоположной потоку вентилятора. Нормально 150-200С. Максимально допустимо (до 5 мин.) 220C. Минимально 120C.

Для контроля температуры можно прилепить автомобильный датчик включения вентиллятора жигулей (100С). Добавить мигающий светодиодик. Вот едете вы, светодиод заморгал. Предупредил о нагреве. Датчик включения вентилятора охлаждения (ТМ 108). Температура срабатывания 80-90 градусов, добавить светодиод и батарейку. Увы, о перегреве не предупредит, только о выходе на температурный режим (+/-100С)...

Howk

Доработка трансмисии.



Для компенсации отсутствия коробки скоростей ставят центробежку. Центробежка схватывает, мотор хочет заглохнуть от непомерной нагрузки, обороты падают, колодки расцепляются и мотор вновь набирает обороты. Получается "автоматическая пробуксовка", или своеобразная имитация коробки скоростей. Бонусом - управлять намного проще, особенно детям, только газ.

Жизнь проскальзывающему сцеплению облегчает большая ведомая шестерня. Если штатно 64 зуба, ставьте 72 или больше. Главное, чтобы звезда не больше колеса была. Далее латунные колодки сцепления вместо родных. Можно изготовить из шатунных вкладышей коленвала. Латунные колодки позволяют сцеплению схватить на меньших оборотах, они тяжелее, меньше проскальзывание и нагрев.

Но латунь имеет смысл ставить после установки большего передаточного числа. Иначе мотор не будет тянуть. Меняют ведомую звездочку, вместо штатных колодок ставят латунь и осматривают после бака бензина. Толщина колодочного материала 2мм. Просверлить в кулачке по два отверстия 3мм и нарезать резьбу. Винтами закрепить пластины латуни, отшлифовать.

Сцепление двухколодочное регулируемое, мяса много на колодках. Два винта м3, вкрутил и выкрутил. И только латунь, остальное горит и обугливается. Пружины мягче ставить нельзя, будет тащить на холостых оборотах. Получается регулировать только весом накладок. Латунь, хоть и не имеет сцепных свойств, зато имеет вес. А когда цепляет барабан, перестаёт греться.

Можно попробовать сделать колодки из фторопласта. Материал не боится масла, проявляет неплохие фрикционные свойства. Понятно, что фторопласт не приклеивается ничем, он прикручивается двумя винтами с широкими шляпками. Под винты соответствующие лунки. Ну а дальше все по стандартной технологии.

Howk

Воздушный фильтр.



Обслуживание. Извлекаем фильтрующий элемент и промываем в чистом бензине, даем просохнуть (не выжимая). Затем осматриваем состояние поролона. Если имеет трещины, его следует заменить на новый, вырезав из мелко ячеистого поролона с открытыми порами (при открытых порах воздух проходит свободно, а при закрытых с трудом).

Сухой и чистый фильтрующий элемент (поролон) перед установкой нужно пропитать в масле, подойдет любое чистое масло (4 тактное, менее вязкое). Возьмите чистую емкость, налейте 100-150мл масла. Погрузите поролоновый фильтр, пытаясь промокнуть масло, помните пальцами, распределив масло по поверхности (не выкручивая).

Мойка. Возьмите пищевой контейнер, налейте теплую воду с качественным стиральным порошком ("фейри"). Раствора должно быть столько, чтобы фильтр не выступал на поверхности воды. Положите поролон в воду и оставьте на час. Когда фильтр отмокнет, прополощите (не тереть и не скручивать). Промойте теплой водой. Повесьте сушиться, часов через шесть высохнет.

Или найдите целый полиэтиленовый пакет, влейте 100-150мл масла и положите туда фильтр. Разглаживающими движениями помогите маслу разойтись по поролону. Достаньте фильтр из пакета, дайте стечь излишкам масла и отожмите. После вставьте на место.

Обычные ткани, материалы из переплетенных нитей (колготки) фильтруют так себе. Так что остается бумага и нетканые материалы. Смотрим на женские колготки (100-200Дэн), легко продуваемый материал, но поролон необходимо ставить вместе с колготками. Можно делать из поролоновых малярных валиков, пропитанных маслом.

Работают хорошо, стоят копейки. Если решите использовать малярный поролоновый валик, надо найти поролон с открытыми порами (через который воздух легко проходит) и пропитать его маслом. В стоке не поролон, а специальный лабиринтный материал. Несмотря на кажущуюся малую плотность, отлично задерживает пыль.

При этом не забывайте, что с первых минут работы мотора обратный выброс обильно орошает фильтр бензином с маслом. Даже если забудете пропитать, фильтр пропитается обратным выбросом смеси. С пипеткой при использовании нештатного фильтра, может произойти такая ситуация. Разряжение на впуске уменьшится, топлива из эмульсионной трубки поступит меньше. А ещё балансировочный Г-образный канал...

Добавлено 22 Апр. 2019 в 03:43

Регулировка карбюратора



Топливная смесь - это смесь бензина и воздуха. Нормальной называют смесь в которой бензин и воздух связаны соотношением 1:15. При работе двигателя на такой смеси мощность на 5% ниже максимальной, а расход топлива выше минимально возможного. Наибольшую мощность двигатель развивает, когда работает на обогащенной смеси с соотношением 1:12-1:13. В случае, когда нужно добиться экономичности, количество воздуха увеличивается до 16:1 (обедненная смесь).

Регулируют прогретый двигатель. Игла в воздушной заслонке может перемещаться, для этого на игле есть пазы, в которые вставляется стопорное колечко. Ставим колечко в средний паз. Винт (если есть) регулировки качества смеси завинчиваем до упора и отвинчиваем на 1/2-1 оборот (стандарт скутеров 1.5-2 оборота). Заводим, не заводится, закручиваем ХХ, пока не начнет заводиться. Обороты большие - откручиваем ХХ. Добиваемся нормальных оборотов ХХ.

Откручиваем винт качества, пока не наберет максимальные обороты, закручиваем на пол-оборота. Регулируем ХХ. Если холостых оборотов нет (низкие), регулировкой винта ХХ увеличиваем их, если высокие, уменьшаем. Затем регулировкой качества добиваемся максимальных оборотов ХХ. Завинчиваем винт качества на 1/4-1/2 оборота. Пробуем ехать. Если есть провалы, на 1/4 оборота закручиваем винт качества. Подгоняем холостые обороты винтом количества.

При перерасходе топлива, опустить иглу на деление и регулировка заново. Если не едет - иглу на деление вверх и сначала. При правильной настройке, мотор должен четко реагировать на открытие заслонки, уходить на холостой ход без строчек и попыток заглохнуть. Промыть чистым бензином бак и карбюратор. После промывки чистым бензином (например калошей), продуть все каналы. Работать только со свежей смесью, при хранении смесь сливать из бака.

Howk

#21
Доработка карбюратора







Доработать штатный карбюратор КД (f50) несложно. Надо уменьшить производительность жиклёра впаиванием медной проволочки 0,3мм. Либо поставить жиклёр "70". Потом отрегулировать иглой, вычистить "Г" образный балансировочный канал между поплавковой камерой и воздушным фильтром. Дальше заняться проверкой герметичности иглы и уровнем топлива.

Многое зависит от уровня в карбюраторе. Если много, будет заливать свечи, проливаться на землю, если мало, проблемы с запуском. Внизу дренажный шланг (если его нет, просверлить отверстие и вставить штуцер), открутить винт слива горючего рядом с дренажным шлангом. Оптимален уровень, достигающий линии стыка корпусов карбюратора и поплавковой камеры.

Если уровень отличается, его нужно отрегулировать, открыть поплавковую камеру и найти поплавок, при помощи металлического язычка закрывающий запорную иглу. Чтобы повысить уровень топлива, нужно подогнуть язычок (упирающийся в иглу) вниз, чтобы понизить, отогнуть вверх с предельной осторожностью, язычок не отличается прочностью, лучше пропаять.

В нижней части поплавковой камеры просверлить отверстие, нарезать резбу и вкрутить штуцер (смазать эпоксидкой или фиксатором резьбы) надеть прозрачную трубку и посмотреть на реальный уровень в поплавковой камере. На неработающем двигателе уровень может оказаться нормальным, от вибрации он может подниматься. В итоге большой расход.

Но обеднять смесь иглой не нужно, масла на детали попадёт меньше, греться будет больше, это приведёт к задиру поршневой группы, очень много моторов "пипеток" именно так заканчивают свою карьеру. Лепестковый клапан стоит проверить на герметичность, достаточно одному из лепестков отойти, как выброс смеси обратно сведёт на нет все настройки карбюратора.

Не помешает промыть карбюратор и продуть его сжатым воздухом, очень часто рассыпается мембрана топливного краника на корпусе карбюратора и крошки резины попадают внутрь, поэтому нужно заделать отверстие краника заглушкой (например, монеткой достоинством 50 копеек). После установить между баком и карбюратором фильтр грубой очистки дизельного топлива (!)

Фильтр грубой очистки дизельный с сеточкой из "лески", от песка спасает. А вот с бумажными проблемы - двухтактную бензо-масляную смесь бумага может пропускать плохо, особенно при отрицательных температурах, бумага размокает и забивает карбюратор, да и дизельный фильтр банально меньшего размера, стяжками закрепить на нем неодимовый магнит.

Скорость наполнения поплавковой камеры. В стандарте пустая камера заполняется до перелива, при нажатом утопителе, за 30-40 секунд. При разгоне уровень в камере понижается раньше, чем поступит бензин, отсюда бедная смесь. Что мешает поступать бензину? Это игольчатый клапан и перепускной воздушный канал.

Задача канала подавать воздух в камеру при её опустошении. Канал рассверлить сверлом на 0,1-0,2мм больше чем был, но очень аккуратно. Следующий этап отверстие над игольчатым клапаном поплавка, рассверлить сверлом на 0.1-0,2мм большего диаметра. В стоке 0,8-0,9мм. После регулировки поплавка камера заполняется за 5 секунд.

Коромысло из жести может сгибаться, укрепить пайкой. Номинальное положение поплавка - под срез жиклёра нижним краем. Уровень топлива на 5-7мм выше жиклёра. Утопитель позволяет наполнить камеру при запуске холодного мотора. Заслонка обогатителя должна перемещаться туго, иначе будет закрываться, лучше законтрить пайкой или локтайтом.

Карбюратор пипетки это 9мм диффузор (или 12мм). Топливный жиклёр 90, слишком большая пропускная способность жиклёра и воздушный диффузор, в итоге неустойчивый холостой ход и строчка. Уменьшение жиклёра приводит к трудностям с запуском. В стандарте жиклёр 62 и 70 для F50. С 55 мотор не реагирует на газ, с 90 строчка на высоких оборотах.

Если катаетесь долго (навстречу ветру), ваш жиклёр 70-85, расход топлива возрастает, но мотор не греется и способен ехать долго. Где взять жиклёр нужной пропускной способности, скажем, жиклёр 90 или 120 от машины, найдите многожильный медный провод и помещайте в жиклёр по жилке, второй конец жилки припаять к внешней стороне жиклёра.

Таким образом добивайтесь максимальной тяги и оборотов. Если идёт строчка (мотор работает через такт), то смесь богатая. Значит паяем ещё проволочку. Пока изолятор свечи не станет кирпичного цвета. Если возникает необходимость тонкой подстройки именно этого карбюратора, необходимы слесарные работы. Необходимо расточить диффузор и сделать иглу.

Вместо винта слива топлива, на поплавковой камере снизу, ввинчиваем иглу, с помощью которой можно регулировать сечение главного топливного жиклера. Ее нужно изготовить на токарном станке. Самая сложная операция - изменение геометрии диффузора. Производится на сверлильном станке с помощью конической шарошки, завершается полировкой.

Равномерно сужающийся диффузор заставляет воздух быстрее проходить сужение, улучшается смесеобразование. Лепестковый клапан подвергается доработке. Меняем металлический лепесток на текстолитовый. Его можно вырезать из скутерного. Более мягкий лепесток дает лучшую тягу на низких оборотах и при поломке не испортит поршневую так, как металлический.

Поплавок и игла. Проверить можно не снимая крышку поплавковой камеры. Переверните карбюратор и наденьте носик резиновой груши на штуцер, в который подаётся топливо. Нажмите на грушу и отпустите. При исправном клапане она должна оставаться сжатой не менее 30 секунд. Если она наполняется воздухом, возможно между иглой и седлом клапана что-то попало.

Все части системы промываем, продуваем и собираем, металлические опилки собираем магнитом, ставим новый топливный фильтр и прозрачные шланги. Ставим как можно большую звезду на заднее колесо. Возможно придется удлинить цепь. Натягиваем цепь, прогиб 1-2см, натяжитель полезная штука. На очереди по доработке сцепление и глушитель.

(!) Но. Перед тем, как настраивать карбюратор, проверьте объём камеры сгорания. Должно быть 1/10 от рабочего объёма. Если у вас 45 см3 то 4,5 см3. Если у вас 66 см3, то 6,6 см3 объём камеры. И если 50см3 камерой 12 см3, то карбюратор регулировать не имеет смысла. Недожатая смесь будет образовывать сажу и копоть, как при богатой смеси.

Бесконтактное зажигание имеет среднее значение, которое от мотора к мотору меняется в предделах 2-3мм. Тяга это 0-2мм до ВМТ, тяга на средних оборотах это 3,5-4мм до ВМТ, максимальные обороты это 5-7мм до ВМТ. А у вас нечто вроде 3-4мм, ни тяги, ни оборотов. Нужна система с АУОЗ, либо ручная коррекция УОЗ, тогда из мотора выжимается все.

Howk

#22
Сага о карбюраторах (мистика и публицистика)



Карбюратор служит для приготовления оптимальной по составу смеси топлива и воздуха, для полного сгорания 1 грамма бензина требуется около 15 граммов воздуха. Задача карбюратора в том, чтобы обеспечить поступление в двигатель горючей смеси такого состава на всех режимах работы, в зависимости от оборотов и нагрузки.

Простейший карбюратор (типа к-34) это распылитель, соединенный с топливным баком и помещенный в воздушный канал карбюратора (диффузор). При прохождении воздушного потока образуется разрежение. Топливо в распылителе захватывается потоком воздуха, дробится на капельки, смешивается с воздухом и образует горючую смесь.

Качество смеси или соотношение топливо/воздух, можно изменять положением регулировочной иглы в жиклере китайского карбюратора (или винтом до него у карбюратора к34). При закручивании, конусная часть уменьшает сечение канала и обедняет смесь. Выкручивание иглы увеличивает проходное сечение канала и обогащает смесь.

К сожалению, простейший карбюратор может обеспечить оптимальный состав горючей смеси только для одного режима двигателя, но не позволяет осуществить регулировку оборотов. Устройство, позволяющие регулировать обороты в любом карбюраторе - это дроссельная заслонка, регулирующая подачу воздуха в двигатель.

С заслонкой (если это подвижный или поворотный золотник), может быть совмещена конусная регулировочная игла, частично перекрывающая отверстие распылителя и изменяющая подачу топлива в зависимости от угла поворота или степени поднятия  заслонки. Таким образом регулируется и воздух, и топливо. Впрочем, иглы может и не быть.

Регулировочные винты позволяют регулировать режимы максимальных и минимальных оборотов (если распылителей два), а промежуточные расходы топлива определяются положением иглы и золотника. Некоторые карбюраторы (к34) имеют регулировочный винт, который ограничивает положение воздушного дросселя в режиме малого газа.

Настройка карбюратора (общая методика)



Сначала настраивается режим максимального газа. Для этого прогретый двигатель, при полностью открытой дроссельной заслонке, выводится на максимальные обороты изменением положения топливного винта иглы. Обычно это соответствует выкручиванию на 2-3,5 оборота (сначала до упора закрутить). После отворачивают еще на 1/8-1/4 оборота.

После, медленно и плавно закрывая дроссель, снижают обороты до минимально устойчивых, начинают вращать винт малого газа, добиваясь максимального повышения оборотов. Затем снижают обороты, прикрывая дроссельную заслонку. Добившись минимальных, но устойчивых оборотов на малом газе, открывают дроссельную заслонку, и корректируют режим полного газа.

После настроек двигатель должен без провалов набирать обороты и сбрасывать обороты не захлебываясь. Нормально отрегулированный двигатель должен набирать обороты от минимальных до максимальных за 1-1,5 секунды. Правильно настроенный карбюратор позволяет двигателю чутко реагировать на ручку газа ("ходить за ручкой").

Нюансы распыления

Большинство простых карбюраторов страдают одним существенным недостатком: у них единственный топливный канал, по которому топливо подается в распылитель на всех режимах, и все регулировочные элементы изменяют только его сечение по топливу. Такое упрощенное регулирование не позволяет добиться устойчивой работы двигателя в широком диапазоне оборотов.

Расположение отверстия распылителя в центре диффузора эффективно только для полного и среднего газа, при максимальном открытии дроссельной заслонки, и ухудшается по мере закрытия. При закрытии заслонки внутри диффузора происходит перераспределение зон минимального давления, что влияет на эффективность распыления топлива.

При полностью открытой заслонке максимальная скорость воздушного потока и область минимального давления находится в узком месте диффузора, именно там и располагают распылитель. На малом газу эффективность захвата топлива воздушным потоком ухудшается и достаточное истекание топлива возможно только при избыточном давлении топлива.

Если бы удалось разделить единый топливный канал на несколько...

Например, разделить единую топливную систему на две, на главную топливную систему, и систему холостого хода, добавить дополнительный распылитель для режима холостого хода. Роль распылителя может играть калиброванное отверстие в стенке диффузора, если расположить его в области минимального давления, возникающей при закрывании заслонки.

В режимах полного открытия и среднего газа количество топлива в смеси будет регулироваться как обычно, с помощью иглы, связанной с воздушной заслонкой, а на малых оборотах, при закрытой заслонке, начнет работать вторая дозирующая система, регулирующая подачу топлива только в режиме холостого хода. Но есть еще нечто интересное.

Это карбюраторы с помпой - с мембранным топливным насосом.



Подача топлива под давлением меняет условия смесеобразования и настройки карбюратора. В обычном, пульверизационном карбюраторе количество топлива, вытекающего из распылителя, определяется двумя факторами: пропускной способностью жиклера (сечением) и величиной разряжения в диффузоре, которое зависит от оборотов двигателя.

При увеличении разряжения в диффузоре возрастает скорость истечения топлива через распылитель. Так как при увеличении оборотов двигателя увеличивается скорость воздушного потока через карбюратор, что приводит к увеличению скорости истекания топлива, происходит авторегулирование состава смеси: увеличение расхода воздуха вызывает увеличение расхода топлива.

Если подача топлива в карбюратор осуществляется под давлением, то зависимость объема вытекающего из распылителя топлива за единицу времени начинает зависеть от величины давления в большей мере, чем от разряжения в диффузоре. В этом случае выходят из положения при помощи мембранной помпы, смонированной в карбюраторе ("валлбро") или отдельно ("делорто").

При подаче топлива мембранной помпой, приводимой от разрежения в картере, давление на входе в жиклер практически не изменяется, так как большинство топливных помп имеют обратный клапан, поддерживающий давление на неизменном уровне. Величина этого давления практически не оказывает влияния на режим работы карбюратора.

Карбюратор двигателя "Д"




Карбюратор К-34 с наклонным воздушным каналом  и дроссельной заслонкой шиберного типа. Корректировка состава смеси осуществляется с помощью изменения разрежения в канале главного жиклера. Запорная игла поплавкового механизма на поплавке, а седло клапана в крышке камеры. Поплавок может быть пробковым, покрытым лаком, или пластмассовым.

В крышке поплавковой камеры утопитель поплавка для повышения уровня топлива в поплавковой камере при пуске двигателя. Отверстие утопителя сообщает камеру с окружающей средой. Крышка поплавковой камеры крепится к корпусу карбюратора винтами. На выходном патрубке карбюратора имеется резьба для воздухоочистителя. Дроссельная заслонка управляется тросом.

В верхней части дроссельного канала имеется винт для регулировки минимальных оборотов двигателя, посредством винта ограничивается максимальное опускание дроссельной заслонки. В нижнее положение дроссельная заслонка идет под действием пружины. Главный воздушный канал карбюратора в средней части имеет сужение, являющееся диффузором.

Распылитель в корпусе карбюратора выходит в узкую часть диффузора. В корпусе имеется воздушный канал, сообщающий приемный воздушный патрубок с эмульсионным колодцем (под распылителем). Жиклер  расположен в нижней части корпуса и закрывается пробкой. Регулировочный винт главной системы служит для регулировки сечения канала распылителя и состава горючей смеси.

Карбюратор К-34 имеет только главную дозирующую систему, обслуживающую двигатель на всех режимах работы. Топливо под действием разрежения проходит топливный жиклер и попадает в эмульсионный колодец. Под действием разрежения в эмульсионный колодец из воздушного патрубка поступает воздух, смешиваясь в эмульсионном колодце с топливом, образует эмульсию.

Эмульсия поступает через распылитель в диффузор. При различных режимах работы перепад давлений в распылителе и воздушном канале разный. Изменение разрежения в воздушном канале изменяет количество воздуха из воздушного патрубка в эмульсионную часть распылителя через канал, вследствие чего состав горючей смеси поддерживается почти постоянным.

Вращением регулировочного винта изменяют проходное сечение топлива и влияют на состав горючей смеси. Ввертывая винт, смесь обедняют, вывертывая обогащают. Карбюратор К-34Б отличается от карбюратора К-34 только регулировкой дозирующих элементов и применением наклонного винта упора дроссельной заслонки.

В теории карбюратор настраивается иглой, при достижении нормальной смеси и расхода пропадают холостые, поэтому настраивать надо уровнем топлива, а иглу оставить в середине.

Винт поднимает заслонку. Уровень топлива меняется подгибанием лепестка, на который давит поплавок. В качестве отправной точки можно выставить поплавок вровень с жиклером на перевёрнутом карбюраторе.

Настройка жиклёра это калибровка. Для родного Жиклёра на 55 диаметр отверстия 0,55мм. Контролируют калибром. Калибр можно сделать из швейной иголки, прошлифовать иглу на конус от 0,6 до 0,5 мм. Микрометром отловить точные значения. В принципе, можно заточить спичку, вставить в жиклер, с усилием прокрутить, микрометром измерить продавленное место.

Увеличить (на сотку) диаметр отверстия можно конусной трёх или четырёхгранной развёрткой, которую делают из иголки. Уменьшить диаметр отверстия можно впаиванием медной проволоки диаметром 0,05мм. Для начала убедиться, что у вас жиклёр на 55. На жиклёре маркировка 62, диаметр отверстия 0,6мм. Жиклёр 55 от нового К34Б 0,55мм. Жиклёр на 70 0,65мм.

Китайский жиклёр в комплекте соответствует жиклёру 90. Мотор не обманешь и 0,55мм ему мало, он перегревается. Настройка жиклеров лежит в диапазоне 0,6-0,65. Поймать сотки не удастся, но с помощью конусного калибра можно отловить среднее значение типа 0,625мм. Шаг 0,01мм ощутимо влияет на работу мотора.

Мотор едет с 0,6мм и перегревается. С 0,65 не перегревается, тянет лучше, но на высоких оборотах строчка. А 0,625мм не греется и не сточит на верхах. Жиклер 0,7мм это уже коптилка с максималкой 30кмч. Производительность жиклёра зависит не только от диаметра отверстия, но и от формы жиклёра. Длина отверстия, конусные подходы, уровень топлива в поплавковой камере.

Карбюратор К34 был с меньшим диаметром диффузора, поэтому жиклёр был 50. Мотор с К34 отличался отличной тягой на низах, лёгким запуском. Но карбюратор очень капризный, реагирует на малейшее загрязнение и малейшее смещение винта качества. Остальные карбюраторы К34, К34Б и К34Д это жиклёр 55. Самым лучшим из этой линейки следует признать карбюратор К34Д.

Игла служит для регулировки смеси во время движения. Изначально качество смеси регулируют жиклёром. В КД (f80) карбюраторе жиклёр 80, куда столько бензина. Причём с этим жиклёром идут все карбюраторы. И КД-80 и КД-50. Понятно что холостой ход не настраивается, свеча в копоти. Самое простое для КД впаять в жиклёр проволочку 0,2-0,3мм.

Вообще, под диаметр диффузора, просится жиклёр 62 или 70. Но никак не 80-90. А сколько в среднем кушает Ф80 на холостом ходу? Примерно 3,5 литра на сотню с ведомой звездой 41, ну и 3 литра со звездой 37, а 2 литра удавалось получить только с КД-50. Что касается холостого хода, это не показатель. Примерно 30-40 секунд работает на 200мл горючего. Убывает 20мм в секунду по трубке.

Недостаток у карбюраторов серии К34 один, если смесь обеднить на максимальные обороты, мотор перегревается и не заводится на холодную. Если обогатить смесь, то заводится легко, но едет медленно и строчит на верхах. В меньшей степени все это заметно с карбюратором К34Д. Карбюратор К34 это родной карбюратор мотора Д4. Потом был К34Б (Д5-6-8), ну а К34Д это поздние Д8.

Можно измерить резьбу под жиклёр, выбрать подходящий болтик, просверлить часовым сверлом отверстие 0,5мм, сделать сверлом 4мм подходы и пропил. И всё. Карбюраторы К35 и К35Б копия К34 и К34Б, за исключением размеров, достоинства и недостатки те же. Так же нуждается в точной регулировке, так же может быть строчка на высоких оборотах, так же засоряется жиклёр.

Из достоинств отличный запуск и тяга на низах. Но только когда карбюратор хорошо настроен, а настройки сбиваются постоянно. К60 страдает зависанием иглы, либо не герметичностью игольчатого клапана. К60В лучше. Карбюратор К34Д это норма, с К60В выше обороты, но хуже тяга на низах и запуск, К35, К35Б это головная боль.

Поскольку у К35В винт конусный, то по конструкции был одинаков с К34Д. Карбюратор К35 это 9мм диаметр диффузора, К35Б и К35В это 12мм. Топливный жиклёр у всех модификаций К35 на 90. С дешкой карбюратор К35 не дружит из-за слишком большой пропускной способности жиклёра и большого диффузора.

Неустойчивый холостой ход и строчка. Уменьшение жиклёра приводит к трудностям с запуском мотора. Настроить этот карбюратор с дешкой так и не удалось. Поэтому тут или баловаться с к34, или устанавливать китайский, или мембранный. Мембранный карбюратор это много настроек и тягя электровоза, ровно и напористо.

Есть нюанс, у карбюратора две топливных трубки! Вторая трубка это "обратка", топливо подаётся обратно в бак (для правильной работы насоса). Можно собрать рампу-тройник и завести трубки в неё, если бак сверху. Если бак ниже карбюратора, то в бак обе трубки.

(!) Но. Есть мембранные карбюраторы, у которых вторая трубка идет не в бак в виде обратки, а в картер двигателя, где она передает пульсацию давления в камеру мембранного насоса карбюратора - нужно делать штатно.

Надо делать врезку в картер, удобнее всего рядом с креплением карбюратора. Сверлите отверстие, нарезаете резьбу М6 и на локтайте вкручиваете штуцер, соединяете трубкой со штуцером карбюратора. Но тут есть нюансы.

Во впускном колодце стенки тонкие, врезаться лучше в переднюю стенку картера, гарантированно 4мм толщины. Можно вкрутить штуцер в проставку карбюратора, соединив со впускным каналом внутри проставки. Тогда не надо сверлить вообще. Чтобы карбюратор меньше нагревался от двигателя и не возникали паровые пробки делают проставку из текстолита примерно сантиметр толщиной, плюс паронитовые прокладки, т.к. в месте присоединения карбюратора примерно 80 градусов.

Карбюратор "КД" (F50) (копия Dellorto VHSH)



Если кольцо сдвигать так, что конец иглы сможет опускаться ниже, то это регулировка в сторону обеднения смеси. Винт регулирует обороты холостого хода, определяя, насколько низко опустится заслонка. Винта качества (как у к34), здесь нет.

На к34 прямо во время езды можно поворачивать его туда-сюда, подбирая положение по лучшей тяге. А здесь играть качеством можно только переставляя кольцо и делая пробные поездки. Ну и вместо утопителя поплавка шторка воздушной заслонки.

Если обедните смесь, то почувствуете это, взлетят обороты холостого хода при выжатом сцеплении, будет сильно греться, при попытке открыть газ тяга начнёт падать. Можно регулировать лепестком поплавка уровень, но  в узком диапазоне.

Карбюратор китайской "дешки" (или покета) богатит у всех, кто пользуется КД или китайской "пипеткой". Можно слегка уменьшить отверстие жиклёра, подобрав диаметр жилки медного провода, пропущенного в отверстие жиклёра и припаянного к нему.

Диаметр примерно 0.3мм, но в действительности его надо подбирать. Двигатель перестанет захлёбываться на высоких оборотах (будет слышно по звуку выхлопа, исчезнут пропуски зажигания), максимальные обороты немного подрастут.

Воздушный фильтр сильно влияет на состав топливной смеси, в любом случае выбросить штатный фильтрующий элемент с огромными ячейками, и поставить поролон для воздушных фильтров бензопил, бензокос или скутеров. Пропитать маслом.

Сдвинул иглу вниз на деление. Звук стал тише, исчезло пердение, пропуски, выхлоп стал чистым, без дыма (сильный дым при 1:30, дозу масла уменьшил до 1:50 чтобы уменьшить зольность, поскольку перелив из-за жиклера), стало интереснее.

Выхлоп не воняет маслом, не оставляет черные пятна, глушитель чистый, возросла отзывчивость на рукоятку газа (до этого было с задержкой примерно в секунду - теперь отзывается мгновенно), прибавка момента раза в 2, стал разгоняться.

(!) Проблема. Выкрутил свечу, а там легкий белый налет. Холостые супер, немного плавают вверх-вниз (100-200 оборотов). В статике состоянии холостые стоят на 2000-2500. Начал работать винт холостых! Но есть риск заклинивания...

Карбюратор "КД" (F50) (жиклеры и проволочки)



Коллектор такой забавной формы установлен не от хорошей жизни, конструкторы сражаются с обратным выбросом, не устанавливая лепестковый клапан. Попытка установить карбюратор без коллектора приводит к тому, что тяга ухудшается.

Жиклер измеряют конусным измерителем, конус намазывается краской, вставляют в жиклер. По следам на краске обнаруживают, в каком месте прихватило конус. В этом месте производят замер. Судя по таблице жиклёр 96, понятно, почему копоть.

Чтобы карбюратор приготовил смесь воздуха и бензина нужной пропорции, надо чтобы диаметру воздушного диффузора соответствовала пропускная способность топливного жиклёра. У нас диаметр диффузора 14мм. Для такого диффузора подойдут жиклёры 62-85. Путём вычислений получаем, при размещении облуженной медной проволочки 0,3мм в отверстие жиклёра, пропускная способность жиклёра 84.

Две проволочки 0,3мм это 63. Остановимся на одной проволочке, пусть будет смесь чуть богаче нормы, зато нет риска что заклинит. Для КД-50 иголку опускаем как можно ниже, для КД-80 иголку оставляем как есть.

Теперь о "Г" образном канале карбюратора. Лучше пройти его сверлом 3,5мм. Так вычистим облой. Канал создаёт разряжение в поплавковой камере, ускоряя поступление топлива, в момент разгона и уровень не упадет.

Сам карбюратор построен на простой трубе, не вентури, не перепад диаметров. Просто ровная труба в качестве воздушного диффузора. Поэтому конфигурация и сопротивление воздушного фильтра архиважны.

Диаметр жиклёра 0,75мм. Значит площадь отверстия 0,44 мм2. Насколько изменится площадь отверстия, если разместить в нём проволоку диаметром 0,3 мм? Имеем 0,44-0,07=0,37мм. Какому диаметру соответствует?

Имеем 0,37/3,14=0,118. Извлекаем квадратный корень из 0,118 и получаем радиус 0,34, умножаем на 2 и получаем диаметр 0,68мм. Смотрим в таблицу. Это соответствует пропускной способности жиклёра 84.

Лепестковый клапан (выдыхай, бобер, выдыхай)))



У двухтактников с продувкой есть особенность, при сжатии смеси в картере, часть вылетает обратно в карбюратор. Лепестковый клапан устанавливается между карбюратором и входом в цилиндр. Лепестки бывают плоские и в виде домика. Преимущество в отличной тяге с места, недостаток - ограничение максимальных оборотов из за сопротивления на впуске.

Получается мопед с тягой как у мотоцикла "минск" и штатными 30кмч. Но врезать клапан в мотор, который для этого не приспособлен, сложно. Ну и кроме торможения смеси, лепестки требуют точного прилегания, правильной жёсткости и абсолютной герметичности. Самому это обеспечить сложно. Поэтому нужен фирменный узел. Комплект лепестков для 50 кубов.

Если лепесткового клапана нет, то в момент старта, когда обороты не могут вырасти, а нагрузка на мотор запредельна, в фазе сжатия смеси в картере происходит обратный выброс части смеси в карбюратор, теряется мощность мотора. То, что не сгорело, то и не толкнуло поршень. Лепесток запирает обратный выброс, в цилиндр поступает вся смесь.

Заряд полный, мотор в момент старта имеет максимально возможную мощность. Но не только этим прославился лепестковый клапан. Мотору на малых оборотах не хватает воздуха, чтобы продуть карбюратор. Для этого конструкторы придумали фазу разрежения, это как взводится "пневмопружина", а потом происходит "выстрел" воздуха из карбюратора в картер.

Чем продолжительнее фаза предварительного разрежения, тем лучше наполняется мотор свежей смесью. Но это мешает мотору набрать обороты. Так вот, лепесток решает ещё и эту проблему, изменяя фазы в зависимости от оборотов. Поэтому мощность мотора с лепестком теоретически вырастает в два раза. А ещё изменяемый УОЗ, в зависимости от оборотов...

Howk

Как запускается мотор (проблемы со стартом)

Любой нормально настроенный мотор запускается легко с первого-второго раза. Легкость запуска двухтактника зависит от величины фазы предварительного разряжения. Чем больше фаза предварительного разряжения, тем легче карбюратору образовать нормальную смесь. Но если фаза предварительного разряжения продолжительная, мотор не будет набирать обороты.

От угла опережения зажигания тоже многое зависит, немного позднее зажигание на оборотах запуска предпочтительнее, это реализуется системами с АУОЗ (типа слх) автоматически. От мощности искры. Зарядная катушка на оборотах запуска должна зарядить конденсатор до требуемой величины. Предпочтительнее системы со множеством магнитов, там частота выше и сила тока больше.

От диаметра воздушного диффузора карбюратора. С меньшим диффузором карбюратору проще приготовить смесь на малых оборотах. Для примера возьмите аэрограф и покрасочный пистолет. Аэрограф распыляет от лёгкого дуновения, пистолету требуется мощная струя воздуха, иначе летят капли, а не аэрозоль. По умолчанию это у нас совершенно исправный двигатель...

Добавлено 22 Апр. 2019 в 04:39

Продолжим пожже)))

Howk

#24
Доработка глушителя







Звук выхлопа на максимальных оборотах оглушает, "писька" сзади ("глушитель") - это бутафория, глушителем и не пахнет, придется сделать нормальный. Тут есть варианты: поставить от вебасты (эбершпехера), от двухтактного скутера, установить лабиринт из шайб (из трубок) или сунуть "флейту" ("db-killer") в виде пробки и тубки с отверстиями "а-ля флейта".

Глушитель Webasto (part number 251864810100 / 1300735B) или Hydronic (221000400900). На выходе можно установить диффузор (диаметр отверстия для 50см3 - 12-15мм). Это обычный прямоток, только с изогнутой трубой внутри корпуса, глушит, но мало, потому можно рискнуть вставить еще и флейту ("дб-киллер"). В комплекте с глушителем вебасты идет гофра.

Вот только звук из 2Т мотора летит с двух сторон, со стороны выхлопной трубы и со стороны карбюратора! Там ведь двусторонняя продувка, открыто оба окна, так что звук летит и в карбюратор. Лепесток отсекает газы, но резонирует. Тут стоит одеть воздушный фильтр с поролоном, с корпусом из пластика.

"Лабиринт" ("набор шайб"). Просто и технологично в изготовлении: отрезок трубы объемом 1-2л, две пробки, соединенные двумя шпильками, и целая пачка шайб, нанизанных на шпильки (приваренных или прикрученных через трубки-проставки). Шайбы собираются в пакет, скручиваются болтами, с краю сверлится отверстие, равное сечению выхлопной трубы.

Далее просто: через дистанционные втулки шайбы устанавливаются на шпильках так, чтобы отверстия в шайбах были взаимно потивоположны. В результате выхлопные газы, проходя лабиринт "змейкой" и ударяясь о шайбы, теряют скорость и энергию, тем самым становится тише звук. Возможен вариант с введением металлической сетки, или шайбы-"друшлага".

"Флейта" ("db-killer"). Теоретически, ее нужно рассчитывать, в реальности просто берется труба с подходящим диаметром. Один край заваривается плоской пластиной (либо вставляется выточенная из металла пробка), что дает "акустическое зеркало". Количество дырок в трубе и их диаметр такие, чтобы их общая площадь была равна площади сечения трубы. Эффект дает.

Открутив глушитель, снять крышку и вытащить сетку. Высверлив заклепки, вытаскиваем внутренности. Штатно глушитель забит минеральной ватой, но плохо. Заднюю часть вскрыть и набить заново. В задней части глушителя установить трубку меньшего диаметра (дб-киллер). Звук на 20% тише. Можно использовать металлические губки для мытья посуды.

С креплением банки тоже не все гладко, штатное вскоре или раскручивается или отваливается. Поэтому переделываем, хомут из двух половинок стягивает глушитель через прокладку (резину/стеклоткань). Одна половинка просверлена в центре и с помощью этого отверстия крепится к раме. Болты десятка, такие не сломаешь.

Необходимо изготовить корпус глушителя можно из трубы с толщиной стенки 1,5-2мм (или свернуть из листовой стали 1-1,5мм толщиной). Диаметр корпуса глушителя 100мм, длина 200. Ввариваем дно из стали с отверстием для выходной трубки. Затем привариваем выходную трубку, чтобы выход трубки был в пределах 40-50мм от противоположного дна.

После к выходной трубке привариваем, через перемычку, трубку на расстоянии 10мм от выходной трубки. Привариваем дно. Трубку необходимо, на половину длины, иссверлить отверстиями диаметром 3-4мм. Выходную трубку иссверлить на 15мм отверстиями 3-4мм. Рулон сетки или стекловата по вкусу. Да, нет ни резонатора ни настройки но зато не бьет по ушам...

Howk

Усилия затяжки винтов.



Голова цилиндра мотора, стандартные шпильки и высокие заводские гайки (10Нм). Затягивать меньшим моментом (6Нм). Протянули гайки крест накрест, переходим на 8, потом на 10. Установка нержавейки или латуни в качестве гаек расклад не меняет (нержавейка А2, А4 выдержит и 14 и 16нм, выдернет шпильки).

В китайских цилиндрах заделка шпилек слабая. Редкий мотор выдержит 10н. Либо менять шпильки и сажать их глубже, либо ограничить момент затяжки 8Нм. Крепёж половин картера двигателя. Таблица рекомендует 7Нм для резьбы М6, для М5 меньше. Типовые ошибки при ремонте (переборке) китайских двигателей.

Прогон старой резьбы под шпильки метчиком второго номера до упора. Шпильки без нужды лучше не трогать, если тронули, то не трогать резьбу. Шпилька крутится в недорезанную резьбу, так контрится высокотемпературное соединение. Пройдя вторым номером метчика мы рискуем ослабить резьбу, лишить шпильку контровки.

Обычные гайки там, где стояли высокие. Если не сорвёт резьбу в гайке, изуродует шпильку. Вместо шпильки с накатанной резьбой применяют строительную шпильку с нарезанной резьбой, шпилька обрывается. Каждую гайку при затяжке тянут до щелчка. Тем самым перекос и не прижатие прокладки, надо тянуть крест накрест.

Howk

Система зажигания (CDI)





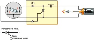
Система зажигания без батареи называется Capacitor Discharge Ignition (CDI) или зажигание, использующее разряд конденсатора. На статоре генератора две катушки. Одна, когда мимо нее пробегает магнит, вырабатывает электрический ток (около 160В), заряжающий конденсатор. Вторая управляющая, играет роль датчика, запускающего искрение.

Стоит магниту пройти мимо ее сердечника, в обмотке появляется электрический импульс. Импульс отпирает тиристор блока управления. Он сродни выключателю, только без контактов. Накопившийся в конденсаторе заряд выстреливается в первичную обмотку катушки зажигания. Та возбуждает ток во вторичной обмотке, и свеча получает свои 20-40кВ.

Мимо катушки поочередно проходят то "север", то "юг" магнита, и ток меняет полярность, по пути от заряжающей катушки к конденсатору ток выпрямляется диодом. Конденсатор накапливает заряд при подаче постоянного напряжения. Описанная система проста и надежна. Однако напряжение на конденсаторе падает при низкой скорости прохождения магнита мимо катушки.

При малых оборотах коленвала появляется нестабильность искрообразования. Отсюда недержание ХХ. В системах CDI энергия накапливается в конденсаторе, который заряжается от обмотки магнето. Управляемый диод (тиристор) не пропускает ток на «массу» до тех пор, пока на его ключ не будет подан положительный сигнал от датчика.

Магнит на корпусе ротора (вентилятора), проходит мимо обмотки датчика и возбуждает в ней электрический ток. Этот ток, поступая на ключ тиристора, открывает его, конденсатор разряжается на «массу» через тиристор. В результате через первичную обмотку катушки зажигания проходит короткий и сильный электрический импульс.

Системы CDI обеспечивают мощную, но кратковременную искру. Такая схема предпочтительнее на двухтактных двигателях. Для которых характерна работа на богатых («поджигаемых») смесях. В четырехтактных двигателях для воспламенения бедных смесей требуется «продолжительная» искра и батарейное зажигание.

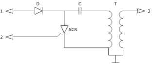
Принцип работы зажигания CDI. Система зажигания CDI не сложна, легко диагностируема, если понимать, как она работает. Зажигание CDI (Capacitor Discharge Ignition) состоит из нескольких основных компонентов: C - заряжаемый конденсатор, D - выпрямительный диод, SCR - коммутирующий тиристор, T - катушка зажигания.

Вариаций схемы много, но идея едина. Конденсатор C заряжается черед выпрямительный диод D, а потом разряжается через тиристор SCR на повышающий трансформатор T. На выходе транформатора мы получаем напряжение в несколько киловольт. Благодаря которым происходит пробой воздушного пространства между в свече зажигания.

Классической схемой зажигания CDI является двухкатушечная конструкция. Одна катушка является заряжающей (высоковольтная), вторая (низковольтная) датчик управления тиристором. Обе катушки одним проводом подключаются на массу. Выход заряжающей катушки подключаем на вход 1, датчик на вход 2, к выходу 3 подключается свеча зажигания.

Первый магнит разряжает конденсатор, открывая тиристор, затем магниты проходят через оба сердечника и заряжают конденсатор. Очевидно, что первый магнит на первый сердечник это полуволна одной полярности, а оба магнита через оба сердечника это другая полярность. Во втором случае энергии на заряд конденсатора больше, искра до ВМТ.

Howk

Доработка зажигания (СЛХ)




Обслуживание. Чтобы посмотреть, все ли в порядке, надо снять крышку стартера и померить зазор между ротором и катушкой, должно быть 0.1мм. Проложив щуп (0.1мм) между катушкой и маховиком, прижать сердечник к маховику и прикрутить, после выдернуть щуп. Зазор между ротором и катушкой это основная причина проблем, других причин нет.

Основание катушки должны быть установлено около 0.1-0.5мм над магнитами на маховике. Если у вас нет щупов (лепестков), попробуйте использовать визитную карточку в качестве проставки. Поверните маховик, чтобы магниты встали напротив катушки. С прокладкой затяните крепежные винты катушки и удалите прокладку.

На роторе два небольших магнита, они рядом. Тот, что больше, заряжающий, тот, что меньше - для датчика искры. Даже если кривой ротор, главное, чтобы между магнитами и катушкой зазор был правильный. Чем больше зазор, тем позже зажигание (зазор влияет на чувствительность датчика). Заряжающий не критичен, а вот датчик это уже проблемы.

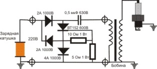
Система зажигания типа CDI с автоматическим регулированием угла опережения (копия зажигания скутеров "сузуки"). Зажигание может работать при 4 000 витках провода диаметром 0,12мм. За первую половину оборота магнита заряжается конденсатор, накапливает энергию для искры, во время смены полярности открывается симистор, разряжая конденсатор на катушку зажигания.

Так можно отказаться от датчика, чем выше обороты, тем круче фронт напряжения при смене полярности и раньше появляется искра - получается автоматическая система изменения угла опережения зажигания. На схеме выводы (1,2) - к заряжающей катушке (3, 4) - к катушке зажигания (вариант для покетбайка это катушка зажигания бензопилы).

Если зажигание дает искру в неправильный момент - поменяйте местами провода идущие к заряжающей катушке. Правильная обмотка должна содержать 2400-2500 витков провода 0,14-0,2мм. Если мотать больше витков, из-за индуктивности на высоких оборотах угол опережения начнет запаздывать.

Если намотать меньше, на малых оборотах будет проблема с искрой из-за малого напряжения. При правильно намотанной обмотке схема будет работать правильно и ее легко настроить на правильный АУОЗ, в среднем работает 2 500 витков проводом 0,2мм с конденсатором 1мкФ.

При 2-2,5мкФ потребуется резистор 100 Ом последовательно с катушкой. Иначе искра пропадает после 5 000 оборотов. Отлично работает со всеми накопительными катушками в широком диапазоне количества витков. Не чувствительна к применяемым тиристорам. Мощная искра, лёгкий запуск, ровная и чёткая работа на всех режимах.

До скорости вращения 10.000об/мин, при 2.500 витках катушки, УОЗ стоит на месте. Отсюда вывод, более 2.500-3.000 витков мотать на заряжающую катушку нерентабельно. УОЗ начнёт смещаться в сторону более позднего на высоких оборотах. Катушка 2.500 витков дает очень хороший результат.

Конденсаторы. В принципе, при подключении свечи 1 и 2 и 3 микрофарада на 400 вольт работают одинаково. В итоге 2 микрофарада лучше всего. С 1 микрофарадой искра на 5-6мм, на 2 микрофарадах искра 8-9мм, на 3 микрофарадах начинает запаздывать УОЗ на максимальных оборотах. С 1мкф запаздывание УОЗ с 3.000 витков невелико, но искра хуже, 2 микрофарады и 2.500 витков.

Тиристор 2P4M, диоды 1N4007 или 1N4006 (1000-800В, 1А). Меченый (точкой) - 1N5406 (1N5407). С1 К73-17 или 105K 630V S130 MPE. Для заливки использовать компаунд. На схеме стабилитроны, они не нужны, если конденсатор на напряжение более 400В. Заводится двигатель уверенно, к зажиганию никаких претензий нет.

Свеча зажигания.



Свечка NGK (BM6A). Или Бриск-17, все нормально работает с ней. Если не гонять - А11/А14. Гонять - А17. Зазор - 0.4мм. Теперь про ценовую категорию. Если двигатель служит 3-4 сезона, зачем ему дорогие свечи? Ему качественных однодолларовых хватит.

Проверка свечей.



Пьезоэлемент в зажигалках ("cricet"), именно им и можно проверять свечи не вставляя их и не заводя пипетку. Работает просто, нужно удлинить провод на пьезоэлементе и изолировать его. Далее устанавливаем приспособление на свечку (на "гаечку") и нажимаем на кнопку, если искра проскакивает, свеча рабочая, если нет, то нет.

Как правило, свеча, отбракованная "пьезотестером", на стенде не работает, как и на моторе. Самое показательное это искрообразование при минимальных оборотах. Убитые свечи дают пропуски вспышек. Хотя в остальных режимах ничем не уступают новой свече. Свечи умирают из- за пористой керамики изолятора. В керамику въедается нагар и остаётся там.

Все проверки зажигания (в том числе первый запуск) производить только с новыми свечами. Старые свечи прожигать (огнём) нельзя, допустима только промывка бензином (без масла). Прожигать нельзя из за ухудшения свойств керамики. Образуются микротрещины, они заполнятся проводящим нагаром. У свечей со встроенным резистором выйдет из строя этот резистор.

Если изолятор свечи в нагаре, то от нагрева нагар приклеится к керамике. Нужно оставить на ночь свечку в керосине (wd40), а утром промыть бензином. В моторе свечка нагревается и охлаждается вместе с рубашкой охлаждения, поэтому там этот процесс происходит плавно. Изолятор свечи можно рассмотреть под увеличительным стеклом, у плохой свечи поверхность матовая, пористая.

У хорошей свечи поверхность глянцевая, как стекло. У свечи, даже после поездки с плохим маслом, достаточно протереть изолятор тряпкой, смоченной в бензине. И изолятор очищается до белого состояния. Зимой можно промыть замасленную свечку ацетоном, а потом продуть сжатым воздухом. Если греть, то феном, только для того, чтобы мотор лучше завёлся в холода.

Howk

#28
Контроль зажигания.



- Неонка. Контролировать наличие высоковольтного напряжения в проводе зажигания просто, изолентой прикрутить к проводу "неонку". При исправной системе зажигания она моргает в такт с высоковольтными импульсами. Либо намотать 10 витков жилы витой пары на высоковольтный провод, к нему подсоединить неонку и на массу. Единственный недостаток, малая яркость.

На руле маленькая лампа-неонка, к ней идет провод от генератора и далее на свечу. Это позволит понять, что происходит с системой зажигания (например, не удаётся запустить двигатель). Отсутствие напряжения на выходе генератора – отсутствие вспышек неонки. Есть напряжение, но свечу не пробивает (нет искры), тусклые вспышки.

Есть искра на свече – яркие вспышки. Если мотор не запускается, в 9 из 10 случаях от отсутствия искры, а не состава смеси в цилиндре и ее способности воспламеняться от искры. Не заводится – всплохи, всплохи, всплохи, яркая вспышка – мотор схватывает и начинает тянуть. Правда, неонки быстро сгорают. Тускло и недолго, что же делать?




- Светодиод. Схема проста: к выводам первичной обмотки катушки зажигания (выводам генератора) через резистор 5-10ком и далее через диодный мостик подключается светодиод. Выпрямительный мостик на 220 вольт. Два вывода «+» и «-» к светодиоду соблюдая полярность. Подключать светодиод без выпрямителя нельзя, светодиоды рассчитаны только на прямое включение.

Каждую искру светодиод будет сопровождать вспышкой, при повышении оборотов мерцание сольётся в непрерывное свечение. Да, светодиод отберёт чуть-чуть мощности у искры, но не страшно. Практически любую неисправность в системе зажигания вы увидите. Светодиод или потухнет, или будут пропуски во вспышках, вместе с пропусками искрообразования.

У вас глохнет мотор. Или искры нет, или бензина, дергаем арм, смотрим на светодиод. А неисправность в виде дребезжащего контакта? На высоких оборотах глючит или глохнет, на холостых работает, контакт отходит только при вибрации. В катушке зажигания напряжение на обмотках пропорционально. И снова мы смотрим на светодиод.

Подключаясь к низковольтной обмотке (это проще), мы контролируем обе обмотки. Мы сможем увидеть замыкание на выходе катушки, короткозамкнутый виток в высоковольтной обмотке - на первичной обмотке пропадут выбросы напряжения, оно ограничится напряжением бортсети и светодиод будет гореть тускло, совсем без вспышек.

Howk

Стробоскоп. (схема "филина")




Светодиод (типа «Пиранья»). Питание «пальца» типоразмера АА (6в). Датчик – намотанные на свечной провод поверх изоляции 5–10 витков одножильного провода из витой пары. Одножильный провод жестче, витки самопроизвольно не разматываются.

Транзистор VT открывается положительными импульсами, светодиод вспыхивает. Для повышения светоотдачи учитывая импульсный режим, светодиод работает с превышением предельно допустимого тока (который для пираньи равен 70мА) - 180–200мА при свежей батарее. Без сигнала устройство ничего не жрет и выключатель питания не нужен. Стробоскоп сделан на кусочке макетки навесным монтажом.





Стробоскоп чувствительный, светодиод вспыхивает, даже если провод датчика положить перепендикулярно на свечной, однако лучше намотать несколько витков: вспышки ярче. При обычном освещении (лампа под потолком) яркость подсветки достаточна.

Резисторы любого типа мощностью 0,125Вт и выше, номинал R1 и R2 не критичен: R1 (6,8-22)кОм, R2 (100 кОм-1 МОм), R3 – Балласт светодиода. Номинал критичен. Он зависит от напряжения источника питания, типа, цвета и тока светодиода. Транзистор составной КТ972А (Б), а если его нет, то составной из двух по Дарлингтону.

Маломощный первый (КТ315, КТ3102, КТ3117, 2SC1815, 2SC458), средний второй (КТ815, КТ817, BC137, BC139). Нормально будут работать и два КТ315 или 2S1815, если не делать ток более 100мА. Источник питания – элементы АА(316) или ААА(286).

Светодиоды. TeLux компании Vishay ("пиранья"). У них ток выше, чем у индикаторных (50-70мА против 20-25мА). Балластное сопротивление светодиода 300 Ом - не сгорит светодиод. Даже если это индикаторный диод и  батарее 4хАА, (6,6-1,7)/0,3=16мА. Такой ток должен выдержать любой диод.

Опережение УОЗ.



Нарисовать на маховике метку, 2 метки на картере 1я это ВМТ, когда поршень в ВМТ то метка на маховике должна совпадать с этой меткой, а 2я метка должна быть в том месте, в каком должна быть искра например 3.5 мм (для примера!). Метки белой краской, тонкие, не толще спички. Светить на маховик в районе 2-й метки на картере.

Можно не мудрствовать лукаво а заказать автомобильный стробоскоп Орион СТ-01 или Орион СТ-03. Но нужен небольшой аккумулятор на 12 в. от скутера, источника бесперебойного питания или сигнализаций.

КЛЛ в роли стробоскопа.



Один человек использует в качестве стробоскопа испорченную энергосберегающую лампу. В лампе есть цоколь, в нем скрыта плата с электроникой и колба лампы. Цоколь и испортившаяся плата удалены. Из колбы торчат 4 провода: 2 провода из одного, 2 из другого конца лампы. Два провода из одной стороны лампы спаять между собой. Два конца из другой стороны тоже. И далее присоединить лампу одной стороной к массе а второй стороной к высоковольтному проводу. Можно попробовать попробовать...

Спойлер

Howk

Велокомпьютер на пипетку.



Пипетка в базе без спидометра. Пипетки выполняются в минималистическом стиле, ничего лишнего. Покупать стоит тот велокомпьютер, настройки которого позволяют задавать длину окружности колеса с точностью до 1мм. В остальном функции стандартны: текущая, минимальная, максимальная, средняя скорость, расстояние поездки, общий пробег.

Принцип прост. Магнитный датчик отсчитывает обороты колеса, которые умножаются на длину окружности за единицу времени. По размеру вело компьютер соответствует наручным часам. Режимы листаются клавишами управления. Проводка идет по тормозным тросикам до суппорта, на котором закреплен магнитный датчик. Провод приматывается к тросику изолентой, так провод не оторвет ветками. Закрепить можно с помощью пластиковых хомутов.






Магнит закрепить в любом месте на колесе. Главное, чтобы расстояние между датчиком и магнитом не превышало 1-2мм, крепление было надежным и не допускало люфта. Закрепить датчик на кронштейне из стали толщиной 1-1.5мм. Магнит устанавливать как можно ближе оси, что бы линейная скорость пролета магнита над датчиком была минимальной, будет работать стабильнее, например приклеить суперклеем на тормозной диск вне досягаемости машинки. Удлинить провод от датчика к спидометру придется в любом случае (пайкой). Имеем компактный, герметичный, функциональный спидометр.

Остается лишь соорудить подсветку спидометра из литиевой батарейки (2032,  1642, 18650) выключателя и светодиода. Кусочек провода (витой пары), термоусадки и ниппельной резинки. Изгибаем провода идущие от светодиода таким образом, чтобы свет попадал на велокомпьютер, ниппельная резинка или термоусадка ограничивают световой поток, так чтобы он попадал только на экран. Крепится все это стяжками.

Howk

Сигнализация на пипетку.







В основе пьезо сирена (типа Saturn AS-320, SA-107), подойдет и сигнализатор поклевки. В цепь питания включаем тумблер и датчики положения (ртутные либо шариковые). При изменении положения мини-байка, не санкционированном родителями, байк завизжит. Сигнализация эффективна в случае, если родитель недалеко, в пределах слышимости.

Разумеется, ключи зажигания должны отсутствовать в замке (выключен тумблер зажигания). В этом случае легко определить попытки оседлать или катить пипетку. Отверстие сирены можно залепить жвачкой (залить водой), писк превращается в мяуканье, которое не привлечет внимания. В этом случае хороший тросик или скоба с замком осложнят попытки прокатиться без разрешения, а сирена отбивает само желание. Можно сделать со шлейфом, так еще интереснее.

Схема сигнализации состоит из сирены, полевого транзистора 2SK2690 (любой от 0,5А), резистора на 47 килоом, батареи «крона» 9 вольт. Когда цепь цела, она притягивает затвор транзистора к земле и транзистор закрыт. Сигнализация ничего не ест. В дежурном режиме потребление энергии 0,192мА, в режиме сигнала 100мА. Как только нарушается цепь, затвор соединяется через резистор с положительным полюсом питания, транзистор открывается, сирена включается( срабатывает от разрыва цепи).

Датчики наклона. Лучше всего использовать ртутные датчики, чуть хуже шариковые. Они используются в системах охраны объектов - в качестве датчиков разбивания стекла, датчиков положения наружных сирен. Потребуется только капсула, внутри контакты и капелька ртути или металлический шарик, которые при наклоне замыкают или размыкают пару контактов. Датчик подходит для  мотоцикла, его на неровной поверхности не поставишь.

Понадобится два-три ртутных датчика (они дешевые) и их грамотное расположение, чтобы работали при парковке на боковом упоре, срабатывая на наклон в сторону, противоположную от подножки. Или на манипуляции рулем. В мотоциклах ртутный датчик отследит изменение положения - когда снимут с боковой подножки и начнут катить. Ложных срабатываний у него нет, что там будет глючить, капелька ртути в стеклянной колбочке? По цене доллар.

Стеклянную колбочку с капелькой ртути и парой контактов стяжкой монтировать не стоит - надо или залить колбочку эпоксидкой в трубочку типа колпачка ручки, или воспользоваться датчиком в пластмассовом корпусе. Колбочка не потребляет тока. Вместо ртутного или шарикового датчика можно использовать герконы и неодимовые магниты, отслеживая положение руля или подножки.

Один датчик поперек - он будет срабатывать, когда пипетку попытаются поставить прямо, а второй - по оси - он будет срабатывать на толчок при снятии с подножки. Пьезосирена в виде сигнализатора поклевки, под сиденьем (приклеена эпоксидной смолой и фиксирована кабельными стяжками), в разрыве питания тумблер. Провод тонкая акустическая "бескислородка" (он мягкий, не боится мороза).

Чуть лучше сирена от сигнализации, в сочетании с двумя "кронами". Эта "Пьезо баньши" гудит громко, ест правда тоже много. Можно разгрузить датчик полевым транзистором. Время непрерывной работы что-то около 30 минут. Сирену крепим к раме в скрытом месте, в глубинах пластика, под сиденьем или бензобаком. Дальше клеим датчики, прихватывая стяжками, местоположение контролируем светодиодом и литиевой батарейкой 3в (cr2032). Далее разводим проводники, заводим провод секретного малогабаритного тумблера отключения...

Howk

Доработка электрики.










Поскольку генератора на пипетке нет, а кататься в темноте хочется, выход - аккумуляторы. Скажем, литиевая банка типа 18650 с прямым (через резистор) подключением светодиода для ближнего света и более-менее серьезная велофара или фонарик для дальнего. Современный фонарик на мощном светодиоде типа XML/XML2/XPL/XHP вполне пробьет ночь на 50-100 метров.

В то время как банка 18650 на трех-пяти ваттах даст 2 часа работы, литий в саморазряд не уходит, а заряжается за 1,5-2 часа. А что касается заднего фонаря, то одноватный красный светодиод выжжет глаз, питаясь от банки 18650 около 7-10 часов или около 20 часов в режиме мигания. Если сделать маячок на тройке smd диодов, то их хватит на долгий срок.

Директ Драйв (прямое включение) - подключение светодиода к аккумулятору без драйвера, подразумевает два резистора: R1 - внутреннее сопротивление источника питания, R2 - паразитное сопротивление. Тонкие провода, контакты работают как сопротивления, плюс сопротивление в виде керамического резистора.

Если аккумулятор с малым внутренним сопротивлением, падение превышает допустимые 3,8В. Если АКБ "проваливается" до 3,8В (литий выдает 4,2В) на нагрузке (R1+R2) падает 400-550 мВ (0.8-1,1Вт). КПД 90%, работает это все на грани. Достоинство "ДиДи" - предельная простота подключения.

Защита 18650. Используется ключ на полевом транзисторе, при достижении 4,3В открывается и прерывает процесс заряда. Схема защиты от глубокого разряда разрывает цепь, если напряжение снизится до 2,5В. Защита 18650 призвана защитить от перезаряда выше 4,2В и переразряда ниже 2,75 плюс от короткого замыкания.

Если достался низковольтный экземпляр светодиода, нужно поставить балластное сопротивление. Сопротивление подобрать экспериментальным путем, ориентируясь на ток 1,4-1,5А от заряженного аккумулятора. После взять маленький радиатор и установить на него светодиод. Светодиод приклеивается подложкой к радиатору на термопасту, прикручивается винтиками, сверху линза. Радиатор, светодиод и линзу закрепить на траверсе на "ножке".

Аккумулятор Trustfire 2 400 mAh, Li-ion, с защитой. Линза с углом 60 градусов. Радиатор алюминиевая пластинка 8х20х20мм. Вырезать из текстолита квадратик, прорезать изоляционные промежутки. Напаять балластных сопротивлений формата SMD и залить каплей эпоксидки.

Светодиод Cree XML2 т6 нейтрального оттенка (4500К), акриловая линза диаметром 19мм. Радиатор чипсета способен рассеивать до 5Вт без обдува, но у нас-то обдув есть (мы едем). Эпоксидный клей имеет отличную адгезию к текстолиту. Капнуть эпоксидкой, прижать, через сутки светодиод с ограничителем тока на радиаторе. Выключатель на 220В ( простой тумблер).

Затем небольшой отрезок "акустического" провода (не боится мороза, гибкий), или "шввп" в термоусадке, на конце разъём. Для защиты от влаги залить термоклеем. Легкость фары позволяет крепить стяжками. Итого имеем ближний и дальний свет, маячок сзади изготавливаем по вкусу.

Howk

#33
Свет из двигателя. (одинокий белый провод)





От провода глушения ("киллсвич") и от массы мотора можно взять что-то типа 1Вт. Плюса в схеме нет, переменное напряжение. Поэтому от массы и от провода на глушилку, через выключатель, подключаем диодный мост. На выходе моста конденсатор 25В 4 700 мкФ и светодиод, мощностью не более 1Вт. Выключатель нужен обязательно, иначе проблемы с запуском мотора.

Собирается простейшая схема выпрямителя, из диодного моста, резистора и конденсатора. Резистор подбирается так, чтобы при максимальных оборотах мотора ток не превышал 0,3А. Конденсатор для сглаживания пульсаций, чтобы светодиод не мерцал на малых оборотах.

Диодный мост 1А 100В. Конденсатор 1 000-5 000мкФ 25В, резистор 1-2Вт 1-10 Ом. Все это светит. Можно купить простейшую велофару и установить туда светодиод, выпрямитель. Можно купить налобный фонарик и нафаршировать его, закрепив на траверсе или "горилле" вилки.

Входы диодного моста подключаются к белому проводу и массе мотора через тумблер. Светодиоды "Cree" или самсунг мощностью 1-2-3Вт, не стремитесь взять светодиод большей мощности, вполне достаточно 3Вт. Дешёвый ноунэйм 5Вт начинает перегреваться при 3,5В и 0,6А.

При этом изменение тока в диапазоне 0,3-0,5А на яркости свечения не отражается. Важнее качество светодиода, а не мощность. Ориентируйтесь на ток 0.5А. Можно добавить пару светодиодов заднего габарита и ионистор для плавного их затухания.

Если подкова с третьим (белым) проводом, то выпрямитель и конденсатор подключают к массе и к белому проводу. Если подкова только с обмоткой зажигания, то поверх неё наматывают 150 витков провода 0,3-0,4 и подключают свет к выводам этой обмотки.

Более 1Вт снимать с обмоток не стоит, потеряете искру.

Для этих же целей тумблер включения света, заводят мотор с выключенным светом и с мощной искрой. Последовательно со светодиодом защитный резистор 1-2 Ом 2Вт для защиты от скачков тока в момент зарядки конденсатора (при зарядке конденсатор практически закорочен), ток велик.

С подковой работают светодиоды мощностью 1-2-3Вт. Диодный мост, конденсатор 4700мкФ 25В, ионистор на 1 или более фарад 4,5В. Парадокс в том, с обычным выпрямителем в диапазоне оборотов 1 000-10 000обмин ток 0,25А. Светодиод работает как стабилитрон.

Подкова с двумя выводами тянет примерно 1Вт. Это около 500ма, скажем 0,3А на фару и 0,2А на габарит. Белый провод, по отношении к массе, имеет честных 6.5 вольт переменки, максимальный ток 0.5 ампера т.е. 3 ватта. Можно снять и 1 ампер, но на холостых заглохнет.

Ионистор. Это нечто среднее между конденсатором и аккумулятором. Заряжается быстро, разряжается долго. Минуту фара будет гореть ярко, минут 15 будет тлеть. Зависит от ёмкости ионистора (скажем, 3 Фарада). Минута поездки и несколько минут свечения габаритов.

Заряд накапливается за минуту работы мотора. Для маячка на светодиодах малой мощности энергии 1Ф ионистора хватает на полчаса. Мощный светодиод фары светит примерно 5 минут, при остановке ионистор поддержит свечение габарита и фары, зарядится сам, без вашего участия.

Ионистор это небольшая таблетка с выводами, нечто среднее между конденсатором и батарейкой. При 5 000обмин ток на светодиоде 0,53А. Выключаем двигатель и запускаем секундомер. Примерно минуту после отключения фара ещё светит. Ещё минут 5 маячок заметен издали.

Сзади, в маячке из полосы толстого (7-10мм) акрила, три красных светодиода. В фонарике на траверсе светодиод 1Вт и резистор номиналом 2 Ом. Плюс диодный мост и конденсатор на 4 700 мкФ. Позади диода в корпусе фонарика конденсатор и выпрямитель (диодный мостик).

Стоп-сигнал. ("маячок")







Светодиоды сами по себе слишком маленькие, чтобы их ставить в роли маячка. Очень яркие, узкие полоски из оргстекла хорошо смотрятся на раме пипетки. Их удобно привинчивать к раме винтом (или крепить стяжками). У некоторых пипеток под пластиком в верхней части есть труба рамы, очень удобно закрепить на трубе металлическую пластину или деревянную рейку, а на нее наклеить маячок и зафиксировать его винтами или кабельными стяжками. Если нет желания переделок, можно попросту взять налобный фонарик и заменить в нем светодиоды на красные ультраяркие. Налобные фонари из пластика легкие и дешевые.

Howk


Девайс должен быть максимально дешевым (не более двадцати долларов сша), максимально простым, максимально компактным. Ибо девайс, выступающий в роли инструмента, рано или поздно будет разбит, утерян или украден. В то время как дорогие девайсы светят хорошо, но не так, как себе это представляешь (за несколько сот долларов). А раз так...
Задача видеть, куда мы едем, когда во тьме дорогу перебегает ямка, а также внезапно кончается тротуар. Посему нужен достаточно сильный, дальнобойный свет, пробивающий темень на дистанции торможения с той скорости, с какой мы двигаемся. Вопросы ослепления случайных пешеходов, границы света и тени, теплого лампового света, эффективного цифрового высасывания солей лития остаются за кадром. Главное увидеть или яму, или бордюр.


Фонарики.







Дальний свет. Фонарики Convoy S3 или S9 можно использовать в роли дальнего света. Настраиваемся на условный тормозной путь (10-15м), ставим на этом расстоянии бутылку - ее должно быть четко видно в середине светового пятна. Дистанция безопасного торможения определяется экспериментально. Существуют вариации в зависимости от яркости (бин) и температуры света (тинт).

XML2 U2-1A
XML2 T6-3B
XML2 T6-4C
XML2 T5-5B
XML2 T4-7A

Здесь U2, T6, T5 и T4 это бины, они отличаются на 20-30 люмен в максимальном режиме, разница на глаз будет заметна между U2 и T4, причем она ничтожно мала. Смысл в том, что чем ярче диод, тем «холоднее» свет. U2-1A это белый свет (отдает синевой), T6-4C нейтральный, T5-5B тёплый, T4-7A практически жёлтый. Выбрать нужно T6-4C (нейтральный) либо T5-5B (тёплый).

Светить фонарь будет настолько, насколько микросхема (драйвер) будет передавать ток от аккумулятора. Чем больше, тем ярче. Чем ярче, тем сильнее греется диод и передает тепло на корпус фонаря. Для использования на пипетке можно спокойно выбрать драйвер мощнее, набегающий поток воздуха неплохо охлаждает фонарь. Есть драйвера отдающеие в светодиод ток 2.8А, 2.1А, 1.4А и 1А, с драйвером на 2.8А во время остановок нужно выключать фонарь (!)

После включения фонарь светит в режиме, который запомнил в прошлое выключение. Группы режимов: минимальный, средний, максимальный, стробоскоп и SOS, вторая группа – минимальный, средний, максимальный. Группы можно менять. Переключаются режимы во включенном состоянии полунажатием на кнопку включения. При покупке 2 группы: 10%-100% и 10%-100%-стробоскоп.

Помимо фонаря нужно самое простое зарядное устройство под два аккумулятора 18650 (скажем популярные "миллер" или "литокала") с током заряда примерно 0.5А (это 5ч заряда), хорошо, если защита от переразряда присутствует в зарядном устройстве, тогда можно использовать аккумуляторы Samsung ICR18650-26F - они незащищенные, но они дешевле и лезут в фонари с любым драйвером. Защита от перезаряда в зарядном устройстве, от глубокого разряда в фонаре. Иначе нужны защищенные батареи.

Фонари лучше с мятым ("текстурированным", "orange peel") рефлектором. Слияние двух лучей, в совокупности с их боковыми засветками, дают равномерность освещения, а от слияния двух лучей в зоне пересечения яркость вдвое выше, легче опознать преграду на скорости. Два фонаря это экономия батарей - в отличие от 1х18650 у вас 2х18650. Достаточно среднего режима (50%) там и там.

Convoy S2 (напоминает губную помаду) очень хороший фонарик для ближней "заливки", в смысле суррогатной велофары. Годится до скорости 12-15км/ч, в зависимости от дороги. Аккумулятор 1 400mA, больше глупо. Бестолковое расходование заряда батареи, S2 пробивает метров на 10 от силы, дальше мелкий рельеф не виден. Если серию "S" задрать вдаль, включить на максимум, метров на 20-30 что-то видно будет. Драйвер 1,4А фонарик стоит 13$. Аккумулятор Samsung/Panasonic 2600mAh, стоит 3-5$.

Соответственно, комплект освещения получается таков: два фонаря (2х15уе), два крепления на руль (2х5уе), четыре аккумулятора 18650 (2 рабочих, 2 запасных) или 4х10уе, зарядное устройство (15уе). Из необязательных акссесуаров автомобильные хомуты для починки креплений (4шт), силиконовая смазка резьбы типа пмс-200 (1уе), крышки типа "батлер крик", чтобы стекла не загрязнялись (2х5уе).

TIR-оптика. (Total Internal Reflection) в переводе "полное внутреннее отражение". У фонаря нет зеркального рефлектора, вместо него акриловая линза. Световой поток светодиода отражается изнутри от ее боковых стенок и направляется вперед. Преимущество TIR - меньшие потери света, TIR-оптика дает ровное широкое пятно хотспота и ровную боковую засветку.

Принцип работы TIR линзы мало отличается от рефлектора. Вместо отражения от поверхности металла используется эффект отражения на границе двух сред с разной плотностью. У светодиодов интенсивность света в разные стороны неравномерна, максимальная в нормали (перпендикулярно поверхности кристалла), спадает по мере увеличения угла, линза, типа, эффективнее. Хммм.

Линейный драйвер. От источника электрический ток следует к светодиоду через ключ. В цепи присутствуют конденсаторы, которые сглаживают скачки напряжения. Регулируя отношение времен, когда ключ открыт и закрыт можно управлять напряжением в диапазоне от нуля до хх вольт.

Ключ переключается с высокой частотой, мерцания светодиода не заметно. В качестве ключа применяются мощные полевые транзисторы, затвором которых управляет микросхема таймер, либо микроконтроллер. Достоинством является простота, небольшие размеры и стоимость.

Все линейные драйверы работают одинаково. Это "умный резистор", он переводит лишнее напряжение в тепло и поддерживает постоянный ток. Если делать фонарь на 18650, то идеально подходит линейный драйвер, он будет работать на начальном режиме разряда аккумулятора. Не больше 10 минут.

Дальше превратится в резистор, яркость начнёт падать. Но это падение будет плавным больше двух часов. Преимущество в простоте и надёжности. Если от падения яркости не спасает, то от перекала да. В 99% однобатареечных фонарей на 1*18650 стоит линейный драйвер.

С одной стороны у нас диод. Обычно XM-L/XM-L2, «трехвольтовый» диод, рабочее напряжение которого 2.7-3.5V. Чем выше ток, тем выше  напряжение (V). С другой стороны у нас батарея 18650, рабочее напряжение на которой в диапазоне от 4.2-3V, в зависимости от разряженности и нагрузки.

Чем выше ток, тем сильнее проседает батарея, чем лучше батарея, тем меньше проседает. Между батареей и диодом драйвер, понижает напряжение. Кроме того пружинки-проводки-кнопки, на них падает  напряжение. Чем выше ток – тем больше падает, что-то теряется на драйвере.

Схема работает, пока напряжение на батарее минус потери на контактах и драйвере выше, чем нужно диоду на данном токе. Как только напряжение на батарее минус потери сравняется с нужным диоду, напряжение на диоде поползет вниз. А с ним начнет снижаться ток, то есть яркость.

Драйвер перестает работать как стабилизатор тока, превращаясь в перемычку между батареей и диодом. Хороший аккумулятор с высоким разрядным графиком, хорошая кнопка и пружинки с низким сопротивлением, хороший диод способны изменить ситуацию на десятые доли вольта.

Линейный стабилизатор AMC7135. Суть микросхемы - ограничивать ток до 350мА. То есть через неё всегда проходит ток не больше 350мА, независимо от того, какое напряжение подаётся на вход и какая нагрузка подключена на выходе. Чипы получили большое распространение в самодельных драйверах.

Чип нерегулируемый, используют ШИМ-сигнал на входе питания (VDD) для передачи на нагрузку. Вход VDD потребляет до 200мкА, его можно напрямую подключать к выводу микроконтроллера, там же формировать ШИМ-сигнал или управляющие сигналы включения и выключения.

Пока питания нет, на нагрузку ток не идёт. Как только появляется питание, чип начинает работать как ограничитель. Микросхемы можно включать параллельно замыканием контактов, значение максимального тока умножается на количество чипов. Поставив 8 AMC7135 параллельно, на выходе 2,8А.

Полярность выхода обратная, нагрузку нужно одним концом (у светодиодов - анодом) соединять с положительным питанием, а другим - к выходу чипа, если проводники до нагрузки короткие обычно добавляют диод D1, который защищает от неверной полярности питания.

При минимальной цене и количестве компонентов драйвер для диодов типа XP, XR, которые продают как Q5, R2, максимальный ток 1А, драйвера 0,7А, что даёт близкую к максимальной яркость, не сильный нагрев. Чем больше напряжение на входе, тем больше мощности на чипе, тем больше он греется.

Несмотря на простоту, драйвер стабилизирует ток на выходе, что даёт постоянную силу света на протяжении разряда аккумулятора. Никаких мозгов, только один режим. Для XM-L более оптимальным был бы ток 1А, получается не быстрый нагрев, но неплохой свет.




Из готовых фар неплох Гакирон - на одной литиевой банке, 600 люмен, все в одном корпусе.

Howk

Проводка пипетки.






Скрутка (Wire Wrap). Соблазнительно взять да и скрутить медные жилы, замотать изолентой. Только вот провода под изолентой окислятся, контакт пропадет. Если изоляционная лента плохая, изоляция размотается и провода замкнет на массу. В итоге вылетит коммутатор или катушка генератора, либо вы останетесь без света в ночи (на скорости), что неприятно.

Для надежного соединения нужны клеммы, паяльник, припой, спиртоканифольный флюс или канифоль, термоусадочная трубка, изолента, кабельные стяжки. Все это можно купить в магазине "электрик". Наденьте на провод термоусадочную трубку длиной 2-3см, продвиньте ее по проводу, впрочем, можно изолировать и сам конец соединяемых проводников, захватив изоляцию.

Вставьте оголенные жилы провода в клемму (скрутите их между собой), нанесите флюс и спаяйте. Надвиньте термоусадочную трубку на место соединения и подогрейте зажигалкой, она «сядет» на провод. После разогрейте кончик термоусадки и сдавите его плоскогубцами, это защитит и от замыкания, и от влаги. После пайки можно нанести каплю лака, а после термоусадить.

Термоусадка после нагрева становится твердой, это помешает проводам гнуться, вибрировать и ломаться в месте контакта с клеммой или с проводом. Сразу после покупки пипетки стоит смазать разъемы влаговытесняющими жидкостями (смазкой), это в какой-то мере защитит их от коррозии и пропадания контакта, что касается WD-40, она гидрофильна.

Скрутка является вариантом "экспресс-ремонта" проводки, способом добраться до базы, где соединенные таким образом провода следует пропаять и надежно изолировать термоусадкой. Для пайки желательно использовать нейтральную по отношению к проводникам канифоль или ее спиртовой раствор (флюс СКФ), недопустимо при пайке проводки пользоваться активными флюсами.

Хорошо выполненная скрутка может прослужить несколько лет, поскольку жилы имеют относительно большую площадь соприкосновения. Технология соединения проводов скруткой проста, длина скрутки не менее 2см, провода очистить от окислов ножом, необходимо, чтобы провода обвивали друг друга ровно и плотно.

Скручиваемый провод следует распушить "метелкой", скрутка получится тонкой, поверхность соприкосновения проводов увеличится, улучшится контакт и стойкость на разрыв. Под изоляцией останется меньше места, в котором будет скапливаться влага, меньше вероятность окисления. Место скрутки изолируется термоусадкой или изолентой и фиксируется на раме.

Со временем из-за вибраций, смещения проводников в скрутке появляется зазор между скрученными жилами. Сквозь негерметичную изоляцию в скрутку проникает влага, а жилы проводников обладают капиллярным эффектом. Соответственно, растет переходное сопротивление точки контакта, он начинает греться, окисляться.

Пайка. Если скрученные провода пропаять, получим соединение пайкой, более надежный контакт, у которого ниже переходное сопротивление, высокая проводимость и прочность. Пайка проста, делаем обычную скрутку, затем покрываем ее канифолью (канифольным флюсом), берем паяльником каплю припоя, касаемся места скрутки проводников.

Берем нить припоя, распределяем припой по всей длине скрутки, припой должен затекать внутрь скрутки, охватывая ее со всех сторон, после остывания припоя паяльником или бокорезами убрать "сосульки", острые края припоя могут проколоть изоляцию. После изолировать полученное соединение изолентой или термоусадкой, капнуть лаком.

Смысл пайки в том, чтобы не дать скрутке ослабнуть под воздействием вибрации или окислиться под влиянием влаги. Сделав качественную пайку, необходимо сделать изоляцию проводников более жесткой рядом с точкой пайки, иначе спаяные провода переломятся, как одножильные, от вибрации, особенно в районе силовой установки или панели приборов.

Для пайки нужен мощный паяльник (мощность 60-100Вт, отличные паяльники "Goot", чуть хуже отечественная "ЭПСН" керамика), нужен хороший припой (ПОС60/40 или ASAHI), хороший спиртоканифольный флюс или канифоль. Для пайки в полевых условиях нужен газовый паяльник либо микрогорелка. Термоусадка и/или изолента изолировать соединения.

Клеммы. Основной враг электрических соединений на - вибрации. Если провода соединены скруткой, под действием вибрации они будут дрожать, тереться друг о друга, возникнут микроискры, которые будут "выгрызать" поверхность провода. Это приведет к ухудшению качества соединения. Влага и электролиз добьют соединение скруткой.

Неправильная оконцовка (кольцо из провода или провод зажимают винтом). Часть жил перебивается, оставшаяся трясется, провод теряет жесткость, под действием вибрации начинает отрываться. Клеммы нужно применять там, где есть болт.

Если массу лень тянуть, можно подключиться под любой винт в любом месте рамы. Наконечники запаивают, заливают лаком и затягивают в термоусадку. Для пайки клемм удобнее микрогорелка. Для клемм необходима шайба-гровер, иначе рано или поздно начнет искрить.

Косички. Проводку собирают в жгуты, ничего не болтается, не отрывается, проще всего собрать провода в жгут и замотать изолентой. Изолента доступна, герметична, придает жесткость. Увы, это одноразовый и не ремонтопригодный вариант, удобно крепить провод.

Не брать синий ужас, не брать тканевую. Есть уйма производителей типа "REXANT", "3M", которые производят мягкую, тянущуюся, прочную, клейкую, изоленту. Биндер (пластиковый хомут) тоже неплох, легко крепится, сжимает жгут проводов, можно пересобрать жгут, сделать отводы в любом месте. В пакетик с биндерами впрыснуть немного воды, они не станут хрупкими.