Восстановление Ni-MH аккумуляторов асимметричным током

Автор VitS, 07 Июнь 2019 в 15:30

« назад - далее »

0 Пользователи и 1 гость просматривают эту тему.

VitS

Восстановление Ni-MH аккумуляторов асимметричным током

Пересмотрел весь форум, подобной темы не нашёл.
Предлагаю обсудить этот принцип восстановления, схемы зарядок, мнение бывалых и опыты начинающих.
Для начала предлагаю пару схем и описание, материал взят отсюда http://www.irls.narod.ru/bp/zar/zar08.htm

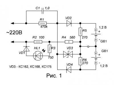
Устройство для регенерации малогабаритных элементов



Устройство позволяет "продлять жизнь" отработавших малогабаритных элементов типа CЦ-32 и аналогичных. Регенерация производится асимметричным током. Зарядный ток (8..10 мА) протекает, в основном, через C1, VD1, VD4 и G1, а разрядный (около 1 мА) через G1 и С2.

Светодиод VD4 сигнализирует о работе устройства, а VD5 является индикатором зарядки и ограничителем напряжения на элементе G1 (у светодиодов АЛ307А,Б прямое напряжение составляет около 1,5В). Диод VD3 предохраняет светодиод VD5 от пробоя обратным напряжениям при плохом контакте в зажимах для установки элемента.

При регенерации элементов надо следить за индикатором зарядки VD5. Если после установки элемента и включения устройства в сеть индикатор не светится или светится очень слабо, это свидетельствует о нормальном процессе зарядки (т.к. напряжение на разряженном элементе, как правило, не более 1В). Если индикатор сразу начинает светиться, то это значит, что элемент, скорее всего, регенерации не поддается или отсутствует контакт в зажимах устройства.

Время регенерации малогабаритных элементов обычно составляет 1,5..3 часа. Практика показывает, что значительный процент малогабаритных элементов удается регенерировать и продлить срок их службы на 6..8 месяцев. Устройство можно использовать так же для подзарядки малогабаритных дисковых аккумуляторов типа Д-0,06 и Д-0,125.

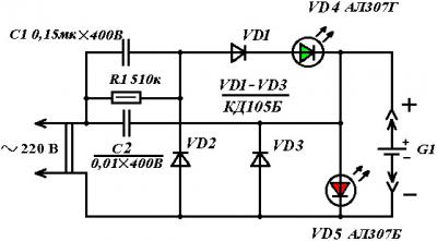
Устройство для зарядки малогабаритных дисковых аккумуляторов



Устройство используется для зарядки и регенерации аккумуляторов типа Д-0,06, Д-0,125, Д-0,25, Д-0,5 и т.п. Зарядка ведется асимметричным током, что позволяет устранить сульфатацию и уменьшает вероятность газовыделения. Ток разряда составляет 1/10 зарядного тока. Светодиод можно применить, например, типа АЛ307Г. Он служит для индикации процесса зарядки. Зарядное устройство, схема которого приведена на рисунке, можно использовать в качестве встроенного в ручном фонарике. При номиналах конденсаторов, приведенных на схеме, ток заряда составляет примерно 25 мА. Полностью разряженные аккумуляторы заряжать следует около 15 часов.

VitS

Идём дальше.

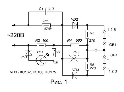
Большинство зарядных устройств предусматривает работу от бытовой сети переменного тока, напряжением 220 В, с понижением напряжения до нужного уровня. При самостоятельном изготовлении зарядного устройства, когда требуется небольшой ток заряда (до 100 мА), имеет смысл сделать бестрансформаторное зарядное устройство. Для понижения напряжения применяется высоковольтный конденсатор небольших размеров, за счет чего габариты всей конструкции удается уменьшить. Схема такого зарядного устройства, предназначенного для одновременного заряда двух аккумуляторов, приведена на рисунке 1.


Схема обеспечивается асимметричный режим заряда, что позволяет продлить срок службы элементов. Заряд аккумуляторов GB1 и GB2 проводится током около 90 мА.
Для индикации наличия сетевого напряжения используется светодиод HL1, типа АЛ307 и др. Конденсатор С1 из серий К73-17, К73-21, МБГ и другие высоковольтные, на напряжение 400 вольт.
При правильной сборке устройства настройки не потребуется.
Следует помнить, что нельзя прикасаться к аккумуляторам и другим элементам схемы во время их зарядки, подключенным в сеть переменного тока. После окончания заряда необходимо отключить устройство из сети, а только потом изъять аккумуляторы и не оставлять их подключенными в устройстве, т.к. они будут разряжаться через резисторы R5, R6.
Такое зарядное устройство можно применить для зарядки аккумуляторов емкостью 600-1000 мА, т.к. для аккумуляторов большей емкости время заряда будет значительно больше 15-и часов, что не целесообразно.
Несмотря на принимаемые меры защиты, все же лучше, если зарядное устройствобудет иметь гальваническую развязку от сети, Тем более что в продаже несложно найти подходящий по мощности трансформатор, а выбирать его надо не менее чем с двойным запасом по току.

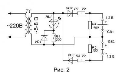
Схема зарядного устройства с трансформатором представлена на рис. 2, и позволяет одновременно заряжать 2 аккумулятора.


Заряд элементов производится поочередно, через резисторы R2 и R3, в разные полупериоды питающего напряжения. В то время когда нет заряда, происходит разряд элемента током, в 10 раз меньшим, чем зарядный ток Iзар, через резисторы R4, R5.
Аккумуляторы прослужат дольше, если их зарядку выполнять от источника стабильного тока. Простой стабилизатор тока можно выполнить на основе транзистора, рис. 3:


В схеме опорное напряжение берется со светодиода (одновременно он является и индикатором того, что идет процесс заряда), а отрицательную обратную связь по току обеспечивает резистор R2.
Величина зарядного тока в диапазоне 10... 100 мА устанавливается за счет изменения напряжения токовой обратной связи подстроечным резистором R2.
Зарядное устройство может быть собрано на микросхеме КР142ЕН12А(Б) или ее импортном аналоге LM317T. Схема зарядного устройства на микросхеме К142ЕН12 представлена на рисунке 4:


С помощью такого источника тока можно заряжать не только отдельные элементы, но и составленные из них батареи, включенные последовательно. Для нормальной работы схемы надо, чтобы напряжение после выпрямителя было на 6...7 В больше, чем номинальное напряжение заряжаемого аккумулятора.
Схема содержит минимальное количество элементов и может быть универсальной. Предлагаемая схема позволяет получать разный ток стабилизации, в зависимости от выбора резистора R2 (см. таблицу 1) :

При желании сопротивление задающего ток резистора можно изменять галетным
переключателем — в этом случае возможно заряжать разные типы аккумуляторов, а в автономных условиях в качестве источника напряжения применить подключение к автомобильному аккумулятору.
Диод VD1 в схеме на рисунке 4 предотвращает повреждение микросхемы в случае,если заряжаемый элемент будет подключен раньше, чем включено питание устройства.
микросхему лучше закрепить на теплоотводе (радиаторе), обеспечив его изоляцию от корпуса конструкции.
Зарядку аккумуляторов можно автоматизировать двумя способами. Первый способ заключается в ограничении времени зарядки с помощью таймера, отключающего зарядное устройство через заданное время.
Второй способ заключается в том, что параллельно заряжаемому аккумулятору устанавливается пороговое устройство, отключающее заряд при достижении на аккумуляторе расчетного предельного напряжения.

По материалам книги "Путеводитель, в мир электроники. Книга 2." Авторы: Семенов Б. Ю., Шелестов И. П.- М.: COЛOH-Пресс. — 2004, 352 с.

И так кто что думает про схемы?
Как увеличить ток заряда и разряда?