Конструирование, технические советы и помощь по изготовлению конструкций

Автор Александр74, 02 Фев. 2012 в 18:06

« назад - далее »

0 Пользователи и 1 гость просматривают эту тему.


Александр74

Из недавнего.












Добавлено 14 Март 2023 в 09:28

Господа, обращайтесь, починим ваши ноги, спроектируем усилки.

Аlex

Здравствуйте, какие в этой раме нужны железки, что-бы установить заднее мотор-колесо

Александр74

Цитата: Аlex от 14 Март 2023 в 20:09
Здравствуйте, какие в этой раме нужны железки, что-бы установить заднее мотор-колесо
Если у вас есть рама в живую вышлите на почту фотографии маятника с двух сторон, либо если еще не купили то ссылку на более подробные фото, укажите также двигатель какой мощности планируете ставить? почта 7298887@маил.ру

Александр74

Привет всем любителям электротранспорта. Вот еще пару коней к сезону готовы:






Добавлено 17 Март 2023 в 08:16

коллеги кому нужно что то изготовить или просто технический совет, пишите сюда или в почту.

stels

Напоминает аппарат илизарова.
Возьмите другой тип Хомутов и красьте в цвет вилки не будет такого прям бросающегося в глаза колхоза.
Великие умы обсуждают идеи, обычные — события, а мелкие — других людей.

Александр74

Вы где колхоз увидели? Колхоз это когда в алюминиевую вилку устанавливают МК с осью 12 мм и она непременно ломает пространство дропов. Усилители - одно из решений для того чтобы 1) сохранить конструкцию вилки или маятника, 2) Целостность и здоровье ездока.

Александр74

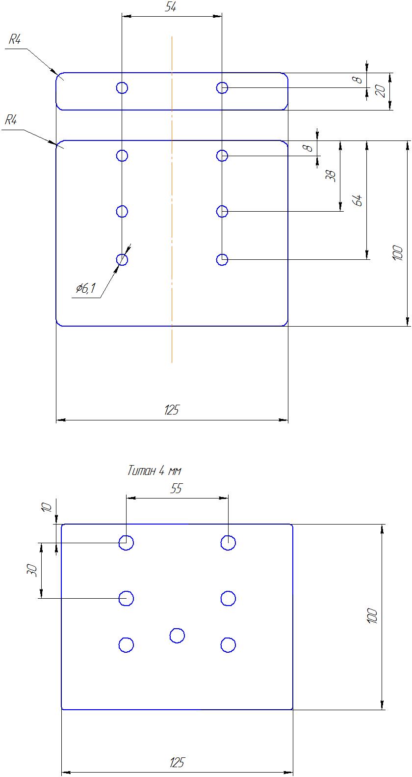
Приветствую вас любители чистого транспорта, Вот пример усиления деки самоката, набор из 2 пластин 4 мм уехал в город




герой Ленинград.

Добавлено 29 Мар 2023 в 07:39

Чертёж

Stanislavchik

Кастом нельзя закончить, только остановить. https://electrotransport.ru/index.php?topic=52641.0

v747

Цитата: Александр74 от 17 Март 2023 в 15:20Вы где колхоз увидели?
Ну как то жирно слишком, непонятно зачем усиливать до такой степени.
Здесь болт недовернут на самом мотор колесе-не очень хорошо

Задача усилителя имхо-не дать колесу провернуться, а не держать его-это задача дропов

Аналогичная конструкция на переднем мотор колесе, пройдено больше 3 тысяч км, даже не собирается разваливаться)

Serg 510

[user]v747[/user], Ну это, как повезет! У знакомого  сантор 15 тыс пробежал вообще без усилителя. По поводу гайки скажу по секрету , конструкция спроектирована так, что можно ехать вообще без гайки, держит все мертво. И да, на фотках - мои пепелацы с выбитыми зумами на рокшоксе, которые вновь в строю))

Андрей Медный

[user]Александр74[/user],
Здравствуйте. Увидел на форуме ваши фото усилителей дропаутов. Вы ещё делаете такие?

Александр74

Делаю, обращайтесь с эскизами и фото в почту 7298887@маил. ру

Александр74

Уважаемые любители чистого транспорта, пожалуйста обращайтесь с тупиковыми вопросами при конструировании и вашими железками, постараюсь вам помоч

leonidus_dok@mail.ru

Цитата: Александр74 от 19 Сен. 2023 в 07:37Уважаемые любители чистого транспорта, пожалуйста обращайтесь с тупиковыми вопросами при конструировании и вашими железками, постараюсь вам помоч



На ваш адрес письмо не отправляется. Уточните пожалуйста

Stanislavchik

Кастом нельзя закончить, только остановить. https://electrotransport.ru/index.php?topic=52641.0

romzit2009

Хочу оставить отзыв на усилители. В эксплуатации с февраля, усилителями очень доволен, есть понимание, что дропауты больше не провернет. Выражаю благодарность Александру.

Latinecz