avatar_Victorus

Обсуждаем: моноколеса IPS

Автор Victorus, 15 Авг. 2014 в 22:02

« назад - далее »

0 Пользователи и 1 гость просматривают эту тему.

Zivit

Кто нибудь знает, эти нижние отверстия, не дают-ли возможность переставить педали пониже?

ILYA2606

[user]Zivit[/user], конечно, они для этого и нужны! Об этом и в руководстве к IPS написано.
На моноколесах с 13 июля 2014. Счастливый обладатель Inmotion V8 740Wh ("Черный Намтар 2")

gonor

Цитата: Zivit от 24 Авг. 2014 в 15:02
Кто нибудь знает, эти нижние отверстия, не дают-ли возможность переставить педали пониже?

Рычаг станет больше. Может начать цеплять штангой за колесо. Но это при тяжелом райдере.

ILYA2606

[user]gonor[/user], наиболее общая проблема при низкой посадке подножек - уменьшение угла поперечного наклона колеса при котором оно не чиркает асфальт. Таким образом увеличивается минимальный радиус поворота.
На моноколесах с 13 июля 2014. Счастливый обладатель Inmotion V8 740Wh ("Черный Намтар 2")

gonor

Цитата: ILYA2606 от 15 Сен. 2014 в 17:14
[user]gonor[/user], наиболее общая проблема при низкой посадке подножек - уменьшение угла поперечного наклона колеса при котором оно не чиркает асфальт. Таким образом увеличивается минимальный радиус поворота.

у 12 рока подножки на почти 1 см ниже чем у 16. При этом радиус разворота меньше метра.

Cruiser

На моём IPS-103 нет никаких дополнительных отверстий.

Legogo

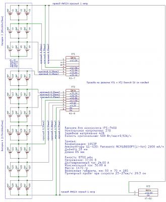
Расскажу я одну историю. Грустную и со счастливым (наверное) концом. Все началось с того, что мой IPS-T400 (самый обычный IPS как оказалось потом) перестал заряжаться (зарядка включится на 5 минут, выключится и далее бесконечно по циклу) и стал общаться со мной азбукой морзе. А при езде светила всеми цветами и режимами красная лампа. В даташитах и мануалах ну ничего про подмигивания единственного светодиода в стиле два зеленых - пауза или три красных - пауза не нашел, но предположил, что он хочет мне сказать что-то очень важное. Поиски решения проблемы у дилеров не увенчались успехом и я купил R12LE. Чем собственно решил проблему и остался очень доволен.
Так как волею случая мне было предоставлено бездыханное тело на растерзание, я почувствовал себя в роли патологоанатома исследователя, достал скальпель отвертку и начал препарировать. Отсоединил желтый разъем, ткнул тестером в аккум, вижу 38В, перевожу взгляд на зарядку: 42В. Делаю вывод что пока меня не было кто-то спер 4 Вольта. Снял маленькие разъемчики и начал замерять напряжение на красных балансировочных проводах относительно нуля в желтом разъеме. И нашел одну ячейку с нулевым напряжением. Обрадовался. Сейчас думаю раздраконю аккум, найду источник зла, сбегаю в магазин и все быстренько починю. Развинчиваю крышку батарейного отсека, а аккум - плоский как три шоколадки. Никакими проблесками габаритов 18650 и не поблестывает. Ну думаю, разверну я это сокровище китайских интегрированных нанотехнологий, а оно мне в лицо своим литием и контрольный выстрел ионом сделает. И тут я почувствовал боязнь новых ощущений. Идя на поводу у своих фобий сел за стол переговоров. Результатом недолгих переговоров с самим собой стало техническое решение: буду заказывать новую батарейку в Томске. Предварительно пришлось сделать вторую копию электрической схемы с конфигурации батареи (первую сделали китайцы когда копировали соловил). Понадеялся, что вторая ксерокопия не будет хуже оригинала. Отправил в Томск схему. Получил счет. Оплатил 9 тыр. Получил фото. Через неделю получил аккум. Так как купленные разъемы не подошли а из подручных материалов была лишь изолента да паяльник, решил перерезать все нафиг аккуратно балансировочные провода и подпаяться к ним новым аккумом, после чего с помощью молотка установить его в предназначенное природой место.









В итоге: теперь при разрядке и зарядке аккум не греется, как раньше, пробег составил 18 км на скорости 12 кмч, ну ни разу колесо не скинуло, как ни старался. Хотя раньше бывало кидало вперед. Так что буду теперь менять аккумы каждый сезон когда потребуется. Все!
Полный привод: Ninebot One E+, Rockweel GR12LE (редуктор), Фантик 3 про

Lion

На следующий сезон рекомендую LG HE-2, внутренее раза в два поменьше вставленных и токоотдача еще веселее
50сс скут > 500w скут > 70сс скут > 1Kw @ 1Kwh вел > 4Kw @ 2Kwh вел > 6Kw @ 4Kwh мопед > 12Kw @ 5Kwh мопед (Проект "Луноход")

Legogo

[user]Электро[/user], а по старой памяти у китайцев можешь спросить, как ограничение на 12 кмч снять? Если через программатор - не беда, найду JTAG какой-нить.
Полный привод: Ninebot One E+, Rockweel GR12LE (редуктор), Фантик 3 про

Электро

[user]Legogo[/user], все параметры меняются через спец кабель и спец софтиной. у меня нет ни того ни другого...
Только лучшее из мира электротранспорта! Консультации по любым вопросам! Запросы цен в личку!

shoper

Цитата: Legogo от 22 Сен. 2014 в 15:49
[user]Электро[/user], а по старой памяти у китайцев можешь спросить, как ограничение на 12 кмч снять? Если через программатор - не беда, найду JTAG какой-нить.
Jtag курит в сторонке, да и защиту он не обойдет. Там внутрисхемно нужно работать
Личка и мыло выключены!!!!!! Отдыхаю

ILYA2606

Господа, представляю прокачанный IPS 111 с подножками от AirWheel (спасибо [user]Электро[/user]).

Сразу же заметил большое удобство по сравнению с родными педалями от IPS, т.к. они по ширине больше. Теперь боковая часть стопы не висит в воздухе. Как следствие - меньше напряжение ступни и избавление быстрого затекания ног.

Но также на протяжении 3 км, что я ехал до дома, заметил и ожидаемый минус - чирканул пару раз асфальт (без последствий) при резких разворотах, которые со старыми педальками получались на ура.
Завтра переставлю педальки повыше и посмотрю, как будет.
Фото приложил ниже в спойлере.

Фото










На моноколесах с 13 июля 2014. Счастливый обладатель Inmotion V8 740Wh ("Черный Намтар 2")

Legogo

А IPS педали задирает когда батарейка села или он неспеша готовится скинуть хозяина? У меня на T400 когда горит красная лампа скорость чуть замедляется процентов на 30, но педали держат горизонт четко. Как вообще можно понять, что аккум издох? И можно ли так поступать с ним?
Полный привод: Ninebot One E+, Rockweel GR12LE (редуктор), Фантик 3 про

pal_al

#31
Всех категорически приветствую!)
Сегодня дошли таки руки до того, что раздербанили батарею от IPS111го с целью подготовить её к зиме с помощью нормального з/у (Hyperion).
Оказалось что внутри какие-то ноунэйм-пакеты  (предположительно лифер) - сборка 12s1p по 4v без опознавательных знаков.  %-)
Разве что серийный номер на борту "вытатуирован": MH034MI07828_251

Коллеги,буду благодарен если кто подскажет ёмкость и тип данных пакетов?

MSuperV3, Falcon Zero 10X, MMC PHEV

Электро

[user]pal_al[/user], это не лифер, а литий...
Только лучшее из мира электротранспорта! Консультации по любым вопросам! Запросы цен в личку!

pal_al

#33
Цитата: Электро от 25 Окт. 2014 в 11:12
[user]pal_al[/user], это не лифер, а литий...

Сергей, а по ёмкости можешь визуально определить 5 или 8 Ач ?
кЕтайские источники расходятся в характеристиках этой сборки - 400 WH или 260 WH...
За год катания, определил, что мои 100 кг данный девайс везёт на расстояния более 30 км (дальше просто не катался никогда).

p/s
За роквил ещё раз спасиб!  :wow:
MSuperV3, Falcon Zero 10X, MMC PHEV

Электро

[user]pal_al[/user], похоже на 8Ач, поскольку 5 Ач в IPS102 и пробег там гораздо меньше.
Только лучшее из мира электротранспорта! Консультации по любым вопросам! Запросы цен в личку!

pal_al

Похоже, это оно:
"soundnewenergy.manufacturer.globalsources.com/si/6008846119710/pdtl/LiFePO4-battery/1103201222/3.7V-8Ah-lithium-ion-battery.htm"

imensions:
Thickness: 7.2mm max
Width: 72mm max
Height: 162mm max
Specifications:
Rated capacity: 8000mAh
Rated voltage: average of 3.7V
Impedance: ≤10mΩ
Charging current: 4000mA
Charge voltage: 4.2V
Charging time: around 2.5 hours
Max charging current: 1CmA
Max discharge current: 40000mA
MSuperV3, Falcon Zero 10X, MMC PHEV