Полезная информация


avatar_Abos

Трехфазный синхронный двигатель с параметрами сериесного ДПТ.

Автор Abos, 17 Фев. 2015 в 14:51

« назад - далее »

0 Пользователи и 1 гость просматривают эту тему.

Abos

Цитата: NUBITO от 18 Фев. 2015 в 16:10
[user]Abos[/user], и всё таки можно набросок какой для лучшего понимания?)
Набросок можно и нужно, если интересно. Но, ведь здесь просматривается несколько вариантов. С какого начнем? Думаю, с первого (бесконтактного). Он более изучен, хотя в стенах университетов его не изучают, может быть рассматривают в качестве ознакомления с такими двигателями и то, только на электромеханических факультетах энергетических ВУЗов. Общий чертежик постараюсь выложить вечером, чтобы попонятнее было рассматривать и оценивать данную конструкцию.

Abos

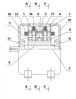
По первому варианту рисуночки. Обе обмотки на статоре.







DIVAS

[user]Abos[/user], что-то я из этих картинок ничего не понял... Можно для ясности ещё увидеть список пояснений к цифрам?
Kugoo M4 Pro 18Ah (2020)

Abos

Цитата: DIVAS от 19 Фев. 2015 в 09:45
[user]Abos[/user], что-то я из этих картинок ничего не понял... Можно для ясности ещё увидеть список пояснений к цифрам?
1; 3 - нечетные пакеты статора;
2 - четный пакет статора;
4 - магнитопровод статора (корпус);
5 - вал;
6 - магнитопровод ротора;
7; 9 - нечетные пакеты ротора;
8 - четный пакет ротора;
10 - подшипниковые щиты;
11 - подшипники;
12 - катушки сосредоточенной обмотки якоря;
13 - зубчатые полюса пакетов статора;
14 - элементарные зубцы на полюсах статора;
15 - элементарные зубцы на пакетах ротора;
16; 17 - кольцеобразные катушки обмотки возбуждения;
По третьему рисунку, думаю, все понятно.

Добавлено 19 Фев 2015 в 11:47:42


Число зубцов на полюсах статора может быть и больше (для увеличения момента). Для рисунка - не суть важно. Это была мысль сделать двигатель более технологичным - с каркасными катушками якоря.
[/quote]

DIVAS

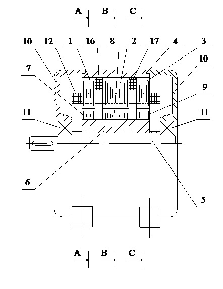
Чтобы картинка и пояснения помещались на одном экране, сгребу в кучку:
Спойлер

Цитата: Abos от 19 Фев. 2015 в 11:43
..
1; 3 - нечетные пакеты статора;
2 - четный пакет статора;
4 - магнитопровод статора (корпус);
5 - вал;
6 - магнитопровод ротора;
7; 9 - нечетные пакеты ротора;
8 - четный пакет ротора;
10 - подшипниковые щиты;
11 - подшипники;
12 - катушки сосредоточенной обмотки якоря;
13 - зубчатые полюса пакетов статора;
14 - элементарные зубцы на полюсах статора;
15 - элементарные зубцы на пакетах ротора;
16; 17 - кольцеобразные катушки обмотки возбуждения;

Теперь понял... Так это же получается шаговый двигатель... Получится ли получить одновременно хорошую скорость и момент?
Kugoo M4 Pro 18Ah (2020)

NUBITO

Уже давно думал над таким вопросом: думаете эта зубчатость зубьев %-) не сильно повлияет на момент? Рабочая площадь то уменьшается. Плюс, на сколько я знаю, у моментных двигателей меньше КПД(+ массогабаритные показатели), так может стоит не напирать на моментность? Это же всё таки не прямой привод будет, так?

Abos

Цитата: DIVAS от 19 Фев. 2015 в 12:02

Теперь понял... Так это же получается шаговый двигатель... Получится ли получить одновременно хорошую скорость и момент?

Нет, это двигатель с электромагнитной редукцией.
При соединении обмотки якоря с обмоткой возбуждения последовательно и питая двигатель от преобразователя получаем механическую характеристику сериесного ДПТ. Дополнительная редукция только увеличит пусковой момент. Это более моментный двигатель. Но, можно сделать и скоростной, с меньшей редукцией. Рисуночки постараюсь выложить, если интересно.
Можно также получить характеристики ДПТ с независимым возбуждением, если питать обмотку возбуждения отдельно от обмотки якоря.
Если выбросить кольцеобразные катушки (обмотку возбуждения) и поставить на ротор 2 кольцеобразных магнита между нечетными и четным пакетами, то можно получить характеристики ДПТ независимого возбуждения от постоянных магнитов. Кстати, такой двигатель будет очень технологичным.
А если переместить кольцеобразную обмотку возбуждения на ротор между пакетами ротора и питать ее через контактные кольца и щетки, то можно получить очень большие мощности (нет ограничений, как у двигателей с постоянными магнитами). Но, двигатель в этом случае получается контактным.
А если все модификации питать от преобразователя частоты, то получаем управляемый синхронный двигатель с электромагнитной редукцией активного типа.

Это я еще второй вариант не рассматривал. Там еще интереснее.

Abos

Цитата: NUBITO от 19 Фев. 2015 в 13:17
Уже давно думал над таким вопросом: думаете эта зубчатость зубьев %-) не сильно повлияет на момент? Рабочая площадь то уменьшается. Плюс, на сколько я знаю, у моментных двигателей меньше КПД(+ массогабаритные показатели), так может стоит не напирать на моментность? Это же всё таки не прямой привод будет, так?
Насколько мне известно, моментные двигатели выигрывают по массогабаритным показателям на малых и на больших диаметрах, но не на средних. Вопрос: а почему бы его не использовать в прямом приводе?
Мы разрабатывали электромясорубку с прямым приводом на двигателе с электромагнитной редукцией частоты вращения. Там было 8 полюсов на статоре по 3 элементарных зубца и 38 зубцов на безобмоточном роторе. Обмотка сосредоточенная совмещенная. Питался двигатель от сети 220В через 4 диода и конденсатор на 6 мкФ. Максимальный момент (момент срыва) у него был 15 Нм, частота вращения ротора - 78 об/мин. Вес около 6 кг. Мощность на валу - 105 Вт. Потребляемая мощность - 300 Вт. Диаметр ротора 116 мм, рабочая длина пакета статора - 40 мм. Прослужил верой и правдой 15 лет, нещадно эксплуатируясь в качестве мясорубки.
Я писал по нему диссертацию. Потому так хорошо помню параметры.

NUBITO

Например если взять ВРД, то чем больше их скорость, тем лучше массогабаритные показатели. В авто можно понизить частоту вращения при этом получив достаточно большую мощность.

"...габариты электромеханического преобразователя (ЭМП) уменьшаются, а конструкция упрощается с увеличением частоты вращения (например, при частоте вращения 22 000 об/мин и мощности 250 кВт ЭМП генератора с жидкостным охлаждением имеет габаритные размеры 200 х 300 мм )..."

А не пробовали сделать его с двойным магнитным зазором? Вроде такого

DIVAS

Цитата: Abos от 19 Фев. 2015 в 13:41
Нет, это двигатель с электромагнитной редукцией.
Интересный вопрос... А где эта тонкая граница между шаговым двигателем и двигателем с большой электромагнитной редукцией?

На какую частоту переключения фаз нужно загнать этот двигатель, чтобы получить 1000 об/мин? Если на роторе 48 зубов, то у меня получилось 800Гц... Немало для обычного железа, уже нужно переходить на тонкое... С такой магнитной редукцией это получается только либо прямой привод, либо повышающий редуктор...
Kugoo M4 Pro 18Ah (2020)

Abos

Цитата: NUBITO от 19 Фев. 2015 в 14:31
Например если взять ВРД, то чем больше их скорость, тем лучше массогабаритные показатели. В авто можно понизить частоту вращения при этом получив достаточно большую мощность.

"...габариты электромеханического преобразователя (ЭМП) уменьшаются, а конструкция упрощается с увеличением частоты вращения (например, при частоте вращения 22 000 об/мин и мощности 250 кВт ЭМП генератора с жидкостным охлаждением имеет габаритные размеры 200 х 300 мм )..."

Высокие обороты на больших диаметрах не есть хорошо. При этом есть необходимость применять понижающий редуктор. А это - свои заморочки. И снижение КПД всей системы, и обслуживание редуктора, и стоимость всей системы, и шум, и много еще всего прочего, о котором все знают.
А жидкостное охлаждение никто не отменял в любых двигателях. А в низкооборотных высокомоментных оно работает лучше, чем воздушное (вентилятор на валу).
Высокие обороты на больших диаметрах не есть хорошо. При этом есть необходимость применять понижающий редуктор. А это - свои заморочки. И снижение КПД всей системы, и обслуживание редуктора, и стоимость всей системы, и шум, и много еще всего прочего, о котором все знают.
А жидкостное охлаждение никто не отменял в любых двигателях. А в низкооборотных высокомоментных оно работает лучше, чем воздушное (вентилятор на валу).
Двойной зазор только усложняет технологию изготовления и никаких энергетических преимуществ не дает. Уже обсуждалось.




Abos

Цитата: DIVAS от 19 Фев. 2015 в 14:42
Интересный вопрос... А где эта тонкая граница между шаговым двигателем и двигателем с большой электромагнитной редукцией?

На какую частоту переключения фаз нужно загнать этот двигатель, чтобы получить 1000 об/мин? Если на роторе 48 зубов, то у меня получилось 800Гц... Немало для обычного железа, уже нужно переходить на тонкое... С такой магнитной редукцией это получается только либо прямой привод, либо повышающий редуктор...
Разница между шаговым и индукторным двигателем в управлении. Шаговый двигатель работает только в тот момент, когда на определенные обмотки подается импульсно питание. Он работает по определенному алгоритму (шагами или рывками). Индукторный двигатель работает непрерывно, как и все динамические электрические машины с непрерывным питанием обмоток.
Да, частота получается 800 Гц. Только для какой цели это нужно, если в приведенной разработке использовался прямой привод и на валу нужно было получить обороты от 60 до 100 об/мин.

DIVAS

Цитата: Abos от 19 Фев. 2015 в 19:28
Только для какой цели это нужно, если в приведенной разработке использовался прямой привод и на валу нужно было получить обороты от 60 до 100 об/мин.
Для 17" мотоколеса (22" по резине) 1000об/мин - это 100 км/ч.
Хорошо, умерим хотелки, допустим, нужна скорость 30км/ч при колесе 12" (по резине) - это 600 об/мин.

И для того чтобы получить большой момент, нужна большая магнитная редукция... А чтобы с большой магнитной редукцией получить большую скорость, нужно разогнать его на немалую частоту... Я пока плохо представляю, как и что можно выжать из подобной конструкции.
Kugoo M4 Pro 18Ah (2020)

TRO

Цитата: DIVAS от 19 Фев. 2015 в 21:39
....
И для того чтобы получить большой момент, нужна большая магнитная редукция...
У вас есть какой ни будь пруфлинк на то что магнитная редукция позволяет получить больший момент?

Wahoo 2012 29er, +собран складной двухосис на раме"Land Rover" 69er с эл. мотором, и и МОНОКОЛЕСО

Abos

Цитата: DIVAS от 19 Фев. 2015 в 21:39

Для 17" мотоколеса (22" по резине) 1000об/мин - это 100 км/ч.
Хорошо, умерим хотелки, допустим, нужна скорость 30км/ч при колесе 12" (по резине) - это 600 об/мин.

И для того чтобы получить большой момент, нужна большая магнитная редукция... А чтобы с большой магнитной редукцией получить большую скорость, нужно разогнать его на немалую частоту... Я пока плохо представляю, как и что можно выжать из подобной конструкции.

При питании обмотки якоря частотой 50 Гц на скорость ротора 1000 об/мин. необходимо иметь на каждом пакете ротора всего по 3 зубца (полюса), на скорость 600 об/мин. - 5. Но, запустить этот двигатель тупо от сети не получится (на 600 об/мин. можно только на холостом ходу). Мал пусковой момент. Ротор не успевает за вращающимся полем якоря (втянуться в синхронизм). Но, при питании от преобразователя частоты к примеру 400 Герцами, мы получим соответственно 8000 об/мин. и 4800 об/мин. Здесь к электромагнитной редукции нужно подходить комплексно, оптимизируя, что в конечном итоге нам нужно - большой пусковой момент и меньшая скорость максимальная при питании от преобразователя (частотой или напряжением), как у трактора, или меньший пусковой момент и более высокая скорость, как у велосипеда.
Идея как раз и состоит в том, чтобы, применив последовательное соединение обмоток и получив мягкую механическую характеристику, сделать двигатель более "гибким" к изменяющемуся моменту сопротивления (пуски, горки, скорость и т.д.). К тому же преобразователь на управление постоянным двигателем проще и дешевле преобразователя частоты.
ИМХО.
Все-таки чувствую нужно выложить рисуночки на "скоростной" двигатель.

Abos

Цитата: TRO от 20 Фев. 2015 в 03:46
Цитата: DIVAS от 19 Фев. 2015 в 21:39
....
И для того чтобы получить большой момент, нужна большая магнитная редукция...
У вас есть какой ни будь пруфлинк на то что магнитная редукция позволяет получить больший момент?
TRO, понятно, что Вы имеете ввиду. Момент двигателя почти линейно зависит от массы активных материалов. И в одном и том же объеме (при том же диаметре ротора и активной длине магнитопровода) независимо от редукции момент двигателя остается примерно постоянным. Но, если бы было все так просто, то не стремились бы там где это возможно, отказаться от механических редукторов в пользу прямых приводов. Ведь так?

TRO

[user]Abos[/user], Вы сами ответили на то что спросили.
Цитата: Abos от 20 Фев. 2015 в 14:36там где это возможно, отказаться от механических редукторов в пользу прямых приводов. Ведь так?
Мне же просто интересно, человек просто заблуждается, или имеет что то другое ввиду.

Wahoo 2012 29er, +собран складной двухосис на раме"Land Rover" 69er с эл. мотором, и и МОНОКОЛЕСО

DIVAS

Цитата: TRO от 20 Фев. 2015 в 15:37
Мне же просто интересно, человек просто заблуждается, или имеет что то другое ввиду.
Я ещё не определился. Может и заблуждаюсь... Изучаю этот вопрос.
Kugoo M4 Pro 18Ah (2020)