Точечная сварка для самостоятельной сборки батарей

Автор tmkt, 16 Апр. 2015 в 23:47

« назад - далее »

0 Пользователи и 1 гость просматривают эту тему.

Dmitry__

Во, первая попавшаяся плата в поисковике. Выделил красным. Все очень по-взрослому :)
Я таких плат выкинул - 2 ящика. Устал из них выпаивать мосфеты, набрал на всю жизнь себе...



Dmitry__

Цитата: Belogrost от 15 Фев. 2019 в 03:07Но вот вопрос, как такое работает на КЗ? Как сделать стабилизацию тока ?
Не делал, не стояло такой задачи. Если это надо для точечной сварки, то достаточно регулировать напряжение, т.к. подводящие провода и электроды имеют большое сопротивление (для таких токов) и не повредят dc/dc при кз. Да и в  самих ШИМ dc/dc есть защита от кз. Если надо регулировать именно ток, то все плохо, надо ставить бесконтактный датчик тока на принципе компенсации по датчику Холла (пример: Honeywell csnr) и заводить обратную связь в ШИМ контроллер. Тоска, одним словом :)

Dmitry__

Дык, это и есть компенсационный способ, про который я говорил :)
Только там еще катушка, в которой витков больше в N раз измерямого тока :)
http://www.efo-power.ru/BROSHURES_CATALOGS/LEM/LEM_PE_3_2014.pdf

MMS

Здравствуйте, можно ли но тороидальном трансе. сделать чочечную сварку?
Какой мщности нужно транс.?
Какой диаметр кабеля на вторичке мотать?

sergek1985

Цитата: MMS от 14 Июль 2019 в 22:03Здравствуйте, можно ли но тороидальном трансе. сделать чочечную сварку?
 Какой мщности нужно транс.?
Какой диаметр кабеля на вторичке мотать?

Я когда-то в универе делал курсач по расчету трансформатора. Заняло где-то месяц.
Ты захотел нахаляву и в трех предложениях?

Dmitry__

Цитата: MMS от 14 Июль 2019 в 22:03Здравствуйте, можно ли но тороидальном трансе. сделать чочечную сварку?

Чем не устраивает транс микроволновки? Не плодите сущности...

LEE4ER

[user]sergek1985[/user], если ответ будет да, то что порекомендуешь человеку?
а если нет, то смысл вопроса в чем?

[user]Dmitry__[/user], у человека есть тор и он не хочет искать, тратить время куда-то ехать и тратить деньги покупать что-то еще.  С учетом моего вопроса, есть что посоветовать?


ЗЫЖ У меня как бы со существу вопроса [user]MMS[/user], то же нет ничего умного, но мое глупое сообщение надеюсь станет последним в этой цепочке пустых сообщений :bn:
В общем я за порядок, но начинать с себя не вижу смысла :pardon:

sergek1985

Цитата: LEE4ER от 14 Июль 2019 в 22:32sergek1985, если ответ будет да, то что порекомендуешь человеку?






Dmitry__

Цитата: LEE4ER от 14 Июль 2019 в 22:32
Dmitry__, у человека есть тор и он не хочет искать, тратить время куда-то ехать и тратить деньги покупать что-то еще. [b-b] С учетом моего вопроса, есть что посоветовать?[/b-b]
Конечно есть :)
Узнать стоимость своего времени и умножить на 40 жопа-дней (для тора). Потом пойти на барахолку и купить транс микроволновки за 250-500р :)



Добавлено 14 Июль 2019 в 22:43

[user]sergek1985[/user] - абсолютно точно!  :laugh: :laugh: :laugh:

MMS

[user]sergek1985[/user],  Я задал всего 3 вопроса ответ на первый "да" , "нет". На второй -мощность необходимая для сварки. Если вы хотите получидь вознаграждение, скиньте номер карты , напишите сумму ... Раз уж так вопрос поставлен. Заранее спасибо большое.

Добавлено 14 Июль 2019 в 22:56

[user]Dmitry__[/user],  От свч всем устраивает. Только ... полумал что можно оптимизировать подготовку транса для сварки , не тратя время на срезание вторички... И как мне показалось наматывать на сердечник такого танса проще. Я  делитант-неофит. Поэтому вопросы с вашей колокольни выглядят глупо ))

Dmitry__

Цитата: MMS от 14 Июль 2019 в 22:52Я задал всего 3 вопроса
Цитата: MMS от 14 Июль 2019 в 22:52На второй -мощность необходимая для сварки.
Это слишком мало вопросов для ответа. Надо еще спросить:
1) срабатываемый ток ваших автонатов.
2) время работы аппарата (ну например: колич. точек в минуту и продолжительность работы в сутки)
После ответа на эти вопросы, могут появиться еще вопросы :)
А главное! Торы имеют хорошее КПД, а это враг для сварки - выбивание автоматов будет зависеть от сопротивления щупов и силы прижатия электродов.
Берите транс от микроволновки :)

Dmitry__

Цитата: MMS от 14 Июль 2019 в 22:52И как мне показалось наматывать на сердечник такого танса проще. Я  делитант-неофит. Поэтому вопросы с вашей колокольни выглядят глупо ))
Первую стр. этой темы посмотрите, намотать 5 витков провод с толщиной в палец, на транс микроволновки - плевое дело. Главное удалить магнитный шунт из транса!

Добавлено 14 Июль 2019 в 23:08


тут по 2 провода, толще медного электрода 6мм - советские жала паяльников

MMS

[user]Dmitry__[/user],  Для себя буду сваривать 18650... к примеру акб из 50шт 18650, можно с перерывом после 20 импульсов.
Слышал, что до 1 квт лучше не использовать транс. ибо можно будет варить только  самые тонкие пластины

Dmitry__

Цитата: MMS от 14 Июль 2019 в 23:09Слышал, что до 1 квт лучше не использовать транс. ибо можно будет варить только  самые тонкие пластины
Скорее не сможете удержать электроды в руках, ибо при быстрой сварке они нагреваются нипадецки -  6мм диаметра хорошей меди :). Трансу пофиг.
Для 18650 транс избыточен, ибо дырки прожигает только в путь. Варил железо от струйных принтеров :)
Посмотрите-таки первую стр. этой темы :)


MMS

[user]Dmitry__[/user], Уже начал изучать. Благодарю , Дмитрий.

MMS

Здравствуйте, на вторичке 3.1 V, сечение кабеля 50мм кв. Достаточно ли это напряжение? Или еще виток необходим?

Dmitry__

#34
 
Цитата: MMS от 21 Июль 2019 в 17:16Достаточно ли это напряжение? Или еще виток необходим?
Я подходил к этому вопросу практически. Намотал 3 витка, попробовал, показалось мало, втиснул еще 2 витка, пыхать стал нормально, даже немного с избытком :)
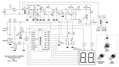
ЦитироватьКакую плату лучше брать с двумя импульсами или одним, на 40 А или на 100А?
Я использовал родную плату сварочника, но она работала неуд. Поэтому я срисовал схему, выкинул родной контроллер и поставил ардуину, написал простую прогу, которая от кнопок up/down меняет длину импульса по 2 полупериода (20ms). По 2 полупериода делал из расчета симметричного тока через трансформатор, чтоб не намагничивался сердечник. Ну или  это были мои страхи и можно было импульс менять по одному полупериоду, т.е. каждое нажатие кнопки = +10 ms.
Позже нагуглил схемы таких сварочников, они все похожи как близнецы. Сейчас бы ничего не писАл  и не реверсинженерил, просто бы погуглил, думаю в этих ваших интернетах есть все  в исходниках :)
Дааа! витки транса зависят даже от проводки дома. В моей комнате 3 послед. удлинителя и проводка люминь, варит шикарно, в коридоре: одна розетка и проводка до щитка - медь, варит плохо, пыхает и бахает очень сильно и прожигает дырки иногда. Одним словом, подбирайте витки транса под свои условия :)
Кидаю ссылки  на схемы и всякие полезные url, что лежали в папке с моим проектом:

https://www.youtube.com/watch?v=U0oUG5AJqM4
http://vrtp.ru/index.php?showtopic=19746
http://www.chipmaker.ru/topic/94008/
http://www.chipmaker.ru/index.php?autocom=downloads&showfile=4226

на pic16f628 (ks.zip)
http://chipgu.ru/viewtopic.php?t=1638





Alar2

Неделю назад собрал сварочник на базе транса от микроволновки (4 витка вторичка) и китайской платы контроллера . Методом тыка подобрал режимы в китайских попугаях ( 10 мс , 35А), толщина ленты (китай-никель,с перфорированной прорезью)  -0,2 мм , банки  LG 18650, электроды-  медный провод 5,5 мм в изоляции,изоляцию конечно удалил,сточен на конус до 2 мм (что за медь хз. :bn: ).  Побная сварка нескольких "тренировочных банок  " прошла удовлетворительно. На следующий день взялся за сварку батареи 7S3P , почти закончил 90% работы и тут раздался трах-бабах  :ireful:  . Под одним элетродом (минус банки) образовалось свозное отверстие  порядка 2 мм и вышибло автоматы, хорошо обошлось без пожара.  Повторив процесс на "тренировочных банках " получил аналогичный салют. Подумав и и рассмотрев получше электроды увидел что на поверности контакта образоваля тонки слой  никеля. Обточив электроды повторил -  20 сварок процесс нормалный , после опять пржёг. Что за хрень ? После каждых 20 сварок нужно точить электроды или марка меди неподходит для этого ? 
P.S. Батарею доварил уменьшив ток до 30А и очищая электроды . Вопрос по электродам остался окрытым...