Li-Force продаю миникрошку MXUS V2, 4t 3000W. 100% аналог e4bike.ru
 
avatar__claw

продаю миникрошку MXUS V2, 4t 3000W. 100% аналог e4bike.ru

Автор _claw, 30 Апр. 2015 в 12:42

« назад - далее »

0 Пользователи и 1 гость просматривают эту тему.

_claw

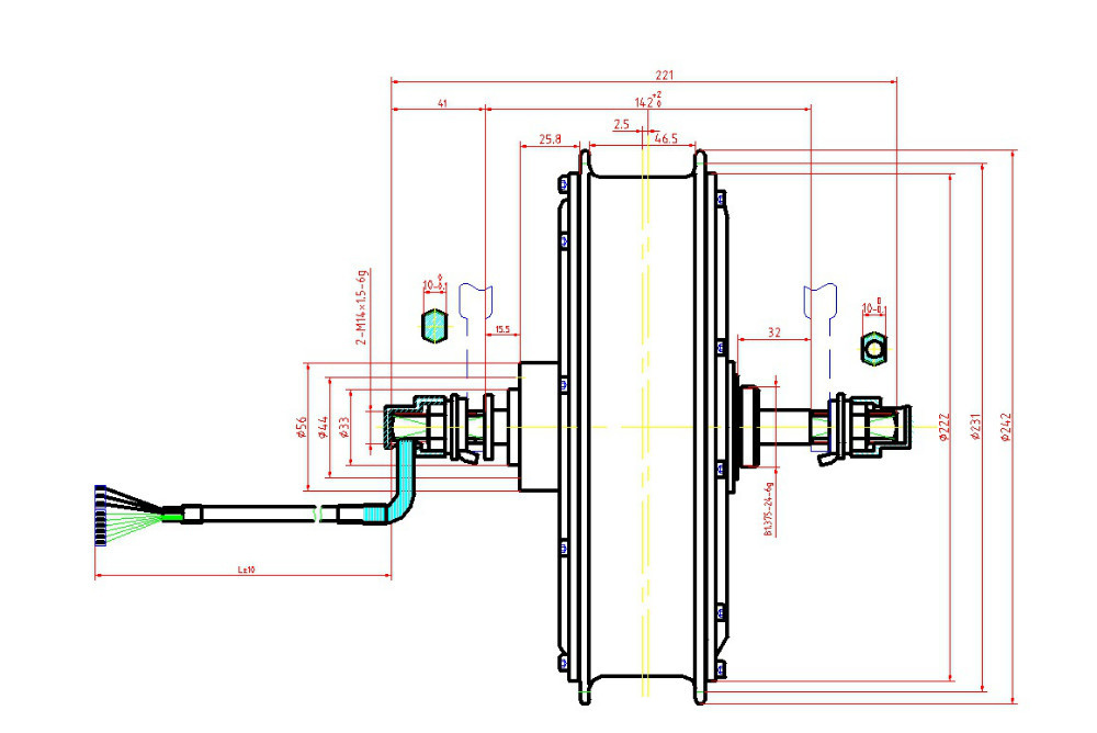
полный клон мотора от Валентина. его тема здесь

небольшой копипаст:
Цитировать
Длительная мощность - 3 кВт, пиковая 6.5 кВт, экстремальная - 12 кВт  %-)
Статор и магниты - 45 мм;
Материал статора - алюминий;
Толщина ламелей - 0.35 мм;
Обмотки - 4 витка по 16 жил;

Ширина под 135 мм дропауты (но может потребоваться 2 мм проставка для установки 6скоростного фривила);
Ось - 14 мм, ширина 10 мм;
Масса - ~9 кг без обода, ~10.2 кг с ободом;

Встроен термодатчик KTY83/110;
Крепление под диск - есть;
Фривил влезает до 6 скоростей с 1 мм проставкой;
от себя добавлю вес - 9,3 кг
единственное отличие - мой мотор не заспицован. спицевать у меня времени нет, но обода и спицы у меня дешевые. как раз компенсирует разницу. причем обода можно заказать на выбор в теме
Цена: 2250 юаней без обода

пару фоток




также в наличии синусный контроллер с управлением по току из тойже бочки. только без логотипа
цена 715 юаней

пару фото








цена кита, те мотор и контроллер с ручкой газа 27000 руб
один приятный момент. доставка кита включена! (но не пытайтесь под эту доставку заказать еще вагон и тележку запчастей. не прокатит :pardon:)

а если вы закажете вместе с китом еще что нибудь в маленьком китае (кроме этого же кита), то дам очень хорошую скидку на это чтонибудь!

_claw


Sarayan14

Здравствуйте, уважаемый _claw!
Как понимаю, подобного мотора, но в трёхвитковой версии нет?

Раз уж сказано про кит, то какие характеристики девайсов в ките? (контроллера, в частности) Наверняка совсем не программируемый, да?

p.s. я новичок и, хоть уже не первый месяц изучаю тему электровелов, но кое-чего ещё не знаю.
Например, как понимаю, чем меньше витков, тем больше ток и тем выше вращающий момент, верно?
MXUS 500W@1kW, 840Wh LiPO4, хардтейл, 2.35"

_claw

#3
да, можно приобрести кит, включая спицы и обод. можно и по отдельности.
описание контроллера здесь
насчет 3х витковый вы очень даже заблуждаетесь.
чем больше витков, тем выше момент, ток же регулируется контроллером, а не обмоткой!
чем меньше витков, тем больше скорость, вернее RPMI. или оборотов на вольт. соотвественно требуется больший фазный и батарейный для такого же момента, как на 4х витковом.

Rocksteady

Думаю будет справедливо написать что от 12кВт родные провода могут испортится и повредить контроллер

_claw

ну если кратковременно, 10-15 сек, то врядли. а вот более длительный период, там не только провода могут пострадать. я думаю 12кВт, это рекламный ход Валентина. простим его за это, он хороший  ;-)

andreym

Цитата: _claw от 05 Май 2015 в 02:46я думаю 12кВт, это рекламный ход Валентина. простим его за это, он хороший  ;-)
Да не - просто можно честно написать что пиковая мощность это такая, от которой мотор не выходит из строя в течение 15 секунд  :-D
И тогда смело писать что пиковая 12квт.
Ни один здравомыслящий человек столько вливать не станет, ибо мотор быстро перегревается в таком режиме. Даже толстая крошка и та перегревается от 12.

Allex


_claw

[user]Allex[/user], здесь продается мотор. а обсуждения себя любимых в других разделах форума. спасибо за понимание

Sarayan14

#9
Цитата: _claw от 05 Май 2015 в 02:20
да, можно приобрести кит, включая спицы и обод. можно и по отдельности.
описание контроллера здесь
насчет 3х витковый вы очень даже заблуждаетесь.
чем больше витков, тем выше момент, ток же регулируется контроллером, а не обмоткой!
чем меньше витков, тем больше скорость, вернее RPMI. или оборотов на вольт. соотвественно требуется больший фазный и батарейный для такого же момента, как на 4х витковом.
О, спасибо, я поздновато зашёл в эту ветку :) К этому времени мне Эдвард Льен :ah: уже разъяснил, что я был не прав на счёт витков. Давно время от времени веду с ним переписку и он, как ни странно, охотно отвечает :)
Но и вам спасибо за даже более толковое объяснение)

Так, на счёт покупки движка, я на такое и нацеливался, но мне хотелось бы приобрести у вас ещё и батарейки (но пока не определился, чебурашнутые или какие-то другие), поэтому (если у вас мотор ещё останется, чего очень хотелось бы) куплю всё вместе, чтобы вам по мелочи не бегать в транспортную компанию :))
Кстати да, подпись "несколько моторов едет в столицу" на что-нибудь влияет? Это хорошо, иными словами? :D (я просто не знаю, откуда вы отправляете, недавно вас здесь разглядел, вот мне и казалось, что вы где-то из Владивостока отправляете обычно  :bn:

Кстати, я один во фразе
Цитироватьединственное отличие - мой кит не заспицован.
слово кит воспринял как conversion kit, комплект? и как его стоило понимать? :) КИТайский? Я думал, другого у вас и нет (впрочем, я недолюбливаю вещи, импортированные не из Китая)
MXUS 500W@1kW, 840Wh LiPO4, хардтейл, 2.35"

_claw


Sarayan14

Цитата: _claw от 08 Май 2015 в 13:31
по поводу того, что, откуда и куда отправляется, изложено здесь
а кит он и в африке кит. значит комплект
Хорошо, но тогда я не понял, что же входит в кит, кроме двигателя. Если за контроллером отправляете в другую ветку :)
MXUS 500W@1kW, 840Wh LiPO4, хардтейл, 2.35"

alayf78

это тот же мотор, что в байкмастере продается ? (такая миникрошка там на витрине красуется неделю как минимум уже,но продаваны ни на один вопрос ответить не могут что там внутри)
меня интересует какая толщина ламелей железа и сколько жил в обмотке?
Скорость,Дальность,Дизайн,Цена. Выбери только три

_claw

[user]alayf78[/user], я без понятия чем там торгует байкмастер.
а толщина ламелей и кол-во витков...как бы это сказать..вы шапку блин читаете, писатели??

klyushkov

[user]_claw[/user], в теме Валентина написано "Вторая версия мотора продаётся только у нас, т.к. собирается по частям от разных производителей". Значит у вас не 100% аналог?
Актуальный парк: моноколесо Kingsong KS-16S, электросамокат 3(!) кВт на базе Yedoo City (14"/12" колеса) и сяокат M365.

_claw

Цитата: Sarayan14 от 08 Май 2015 в 14:18
Цитата: _claw от 08 Май 2015 в 13:31
по поводу того, что, откуда и куда отправляется, изложено здесь
а кит он и в африке кит. значит комплект
Хорошо, но тогда я не понял, что же входит в кит, кроме двигателя. Если за контроллером отправляете в другую ветку :)
я никуда вас не отправлял за контроллером, а просто ответил на ваш вопрос
Цитата: Sarayan14 от 06 Май 2015 в 20:25
Кстати да, подпись "несколько моторов едет в столицу" на что-нибудь влияет?


и да контроллер и органы управления входят в кит. все, кроме обода и спиц. которые можно купить отдельно. или не покупать



Добавлено 09 Май 2015 в 06:01:08

нет, у меня полный 100% аналог мотора и 100% аналог контроллера, потому что сделан с разрешения Валенитна! можете задать этот вопрос самому Валентину, если у когото есть сомнения

alayf78

теперь вижу  :ah:
походу по характеристикам это один и тот же мотор. по крайней мере по внешнему виду и весу.
надо дальше долбить байкмастер,чтобы выяснить,что  внутри,чтобы знать наверняка ;-D
Скорость,Дальность,Дизайн,Цена. Выбери только три

Sarayan14

#17
Я тут просил-просил одного китайского продавца (а может сборщика) моторов сфоткать приглянувшийся мне мотор. Всё-таки он сходил и сфоткал специально для меня. Внутри jpeg файлов по EXIF видны подробности (свежая дата, геометка, модель телефона ;-))
Так вот, этот мотор ну очень уж сильно напоминает миникрошко-подобные моторы "первой версии". Фазные провода 2.5mm^2, обмоток есть версия на 21провода в 3 витка, есть на 15 проводов в 4 витка.
Свежие фоточки
Спойлер


Несвежие фоточки
Спойлер



Цена с доставкой оказалась $269  :wow: Вроде нормально :)

UPD: Только сейчас я понял, что 21000 это цена действительно за кит :) до этого не верилось))
UPD2: А вот и нет. 21000 - цена за мотор v2 и доставку :)
MXUS 500W@1kW, 840Wh LiPO4, хардтейл, 2.35"