avatar_Павел Валерьевич

Моргалка от Павел Валерьевич.

Автор Павел Валерьевич, 24 Окт. 2015 в 17:38

« назад - далее »

0 Пользователи и 1 гость просматривают эту тему.

Павел Валерьевич

Переношу сюда схему своей моргалки. Описание. Пояснения.
Дабы не захламлять тему "Моргалки".
Можно задавать вопросы по теории, практике, наладке.

Павел Валерьевич

#1
 Теоретические предпосылки:
1. АКБ следует заряжать стабильным током вплоть до верхнего порога. Метод Вудбриджа и прочие вульгарные СС CV, IUIoU, IUoU, IUo- считать злом.
2. Верхним порогом следует считать 14,4 вольта.
3. Заряжать АКБ следует чередуя подачу тока и отдых, в соотношении примерно 70/30 процентов. Это назвали "Моргалкой", коллективный разум согласился.
4. По достижении верхнего порога следует прекратить подачу тока, через какое то время X опять подать, затем опять прекратить и опять подавать и прекращать не превышая верхний порог. Сила тока при этом неизменна. Это называется "Добивкой".
5. Время Х можно определить несколькими способами:
  5.1 Включать ток можно по достижению какого то нижнего порога, произвольно устанавливаемого. Например 13,2 вольта. Очевидно, что низкий порог повлечёт за собой долгую паузу, а это снизит КПД добивки. Кроме того, некоторые АКБ могут вообще не достичь нижнего порога в 13,2 вольта, например свежие, большой ёмкости или с высокой плотностью электролита, для которых характерны высокие показатели НРЦ.
  5.2 Включать ток можно через фиксированный отрезок времени, например 10 секунд, не учитывая какая нижняя планка по напряжению получается.
  5.3 Включать ток при достижении определённого значения скорости снижения напряжения в паузе. Очевидно, что скорость падения вначале паузы будет высокой, а при приближении к нижней планке данной конкретной АКБ снижается, переходя на графике в горизонтальную линию ( про производные функции в этой теме не будем  :-)).
Резюмируя можно сказать, что весь процесс заряда состоит из "моргания" и "добивания" после достижения верхнего порога.
Лучшим, однако требующим специфических знаний, считаю способ добивки 3. Способ 1 неудобен тем, что нижние планки у разных АКБ сильно разнятся.
Я выбрал способ 2 и собрал схему на таймере NE555.

Павел Валерьевич

#2
Итак начнём сначала.
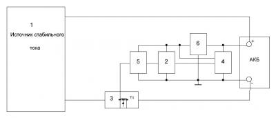
Для реализации такого алгоритма нам нужно:
1. Источник стабильного тока в 10-20 ампер, в зависимости от того какие батареи собираемся заряжать.
2. Логический блок. Таймер-генератор прямоугольных импульсов со скважностью 70%, управляющий ключом.
3. Ключ на мосфете, который будет отрезать порции тока.
4. Устройство, регистрирующее верхний порог и подающее сигнал на логический блок.

Схематично это выглядит так:



Можно добавить, что в процессе обсуждения моргалок, было предложено ввести модуляцию сигнала частотой около 35Гц. Есть мнение, что такая гребёнка полезна для заряда и даже глазом заметно движение электролита в банках, без газообразования.

Поэтому в моргалку был введён ещё один блок.

5. Модулятор. Генератор прямоугольных импульсов. Он как бы дробит нашу порцию постоянного тока на серию импульсов.




6. Дабы стабилизировать параметры схемы: частоты генерации, опорное напряжение, в схеме присутствует блок стабилизации напряжения питания. Выбор девяти вольт обусловлен падением напряжения на стабилизаторе серии 78Lxx около 2 вольт.


ivinn

[user]Павел Валерьевич[/user],  :wow:
пжс укажите в Вашей блочной схеме блок стабилизатора по питанию на 78L09.
по умолчанию не все смогут "в ехать".

Павел Валерьевич

#4
Блок 6 собран по стандартной схеме и особенностей не имеет.



Блок 4. Измерительный узел.




На компонентах D2, R4, R5, R6, R7, C1 собран делитель напряжения, которое с движка переменного резистора прикладыватся к управляющему электроду стабилитрона TL431.
При достижении на клеммах АКБ 14,4 вольт, через стабилитрон начинает идти ток, который зажигает светодиод LED1 красного цвета и светодиод оптопары, что вызывает открытие транзистора оптопары, ток с эммитора которого подаётся на Блок 2 в качестве сигнала.
Резисторы R1 и R2 токоограничительные, красный светодиод LED1 служит сигнализатором сработки блока, резистор R3 шунтирует светодиоды, предотвращая их холостое свечение, так как через стабилитрон всегда идёт небольшой ток.
Настройка узла заключается в следующем: запитать узел от 9 вольт, подключить к выходам +АКБ и -АКБ регулируемый блок питания, выставить на нём 14,4 вольта и вращением движка подстроечного резистора R5 добиться свечения светодиода LED1. При указанных номиналах делителя срабатывание будет примерно в среднем положении движка. Потом подкорректировать настройку на реальной АКБ. Нужно заметить, что отсечка в начале добивки и в конце разнится примерно на одну десятую вольта, если в начале выставить  срабатывание на 14,3 вольта, то к концу добивки будет пробивать до 14,4 вольта, особенности аналоговых схем, что не ухудшает характеристик устройства.

Павел Валерьевич

Блок 5. Модулятор.



Модулятор собран на таймере NE555. Схема стандартна и особенностей не имеет. Обвес рассчитан под генерацию прямоугольных импульсов с частотой 35Гц и скважностью 50%.
На 4 ногу микросхемы поступает сигнал с блока 2, при высоком уровне которого генерация разрешается.

Павел Валерьевич

#6
Блок 2. "Моргалка"



Блок 2 можно считать основным. Собран на таймере NE555. Генерирует прямоугольный сигнал с частотой 0.033Гц при разомкнутом переключателе SA1 и 0.016Гц при замкнутом, со скважностью около 75%. Высокий уровень на выходе длится около 22сек и 44сек соответственно. То есть присутствуют 2 режима моргания 22/7сек и 44/14сек заряд/пауза.
По сути, замыкая SA1 мы меняем ёмкость конденсатора, тем самым меняем частоту генерации и соответственно время заряда/паузы. Можно поставить многопозиционный переключатель с набором конденсаторов и оперативно изменять режимы. Или коммутировать джамперами, кому как нравится. Очевидно что для малоёмких АКБ время должно быть меньшим.
Теперь о режиме "добивки". При достижении верхнего порога в 14,4 вольта, ток с измерительного блока 4 подаётся на времязадающий конденсатор и практически мгновенно заряжает его, тем самым на выходе блока 2 появляется низкий уровень и заряд прекращается. Стабилитрон нужен для ограничения напряжения на конденсаторе С2 на уровне 6,2-6,8 вольт.
После паузы опять начинается заряд и если уровень напряжения достигает 14,4 вольта, он прекращается. Ели верхняя полка не будет достигнута, то заряд продлится 22сек или 44 сек, в зависимости от положения SA1.
Весь заряд АКБ выглядит так: сначала работает моргалка, заряд 22сек, потом пауза 7 сек и т.д. Если же в течении времени заряда достигнута верхняя планка в 14,4 вольт, заряд немедленно прерывается и начинается пауза в 7 сек. То есть в конце заряда АКБ, время заряда постепенно подрезается и моргалка плавно переходит в добивку, пауза неизменна. В конце заряда АКБ заряд идёт короткими импульсами порядка 0,2-0,5 секунды с паузой между ними в фиксированные 7 секунд.
Настройка блока заключается в подборе стабилитрона по напряжению стабилизации, при низком напряжении, меньше 6,2 вольта генерации не будет, будет постоянный заряд АКБ без моргания, а при высоком, больше 7,5 вольт будет увеличиваться пауза в режиме добивки.
В остальном обвязка стандартная. Светодиод зелёного цвета служит сигнализатором заряда, при паузе- гаснет.

Павел Валерьевич

#7
Блок 3. Ключ.



Ключом выступает n-мосфет IRF3205 или любой другой с такими же, или лучшими характеристиками. Драйвером служит оптопара 817с. Планирую использовать драйвер TLP250, но пока нет в наличии, когда будет протестирую и выложу здесь схему.


Вариант ключа на TLP250:



Павел Валерьевич

#8
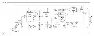
Полная схема приставки.



Печатная плата:







Сделал печатку под 3 мосфета в параллель в корпусе TO-252 с драйвером TLP250. Испытаю- выложу файлик, пока нет драйвера.








Павел Валерьевич

#9
Теперь опубликую немного графиков снятых с реальных АКБ в разные этапы заряда.

1. Практически окончание заряда АКБ. Импульс добивки около 0,2 секунды.
На пятисекундной сетке:



На стомиллисекундной сетке.





Новая АКБ Topla 75ah, прямо с магазина, график имеет вид очень недозаряженного аккумулятора.



Та же АКБ после 2х суток добивки, сетка 5 секунд и сетка 100 миллисекунд:



амплитуда импульса 0,3 вольта (14,1в-14,4в), в один импульс влазит всего полтора 35-ти герцовых. Длина импульса 30 миллисекунд.



Bosch S4 52ah, заряд можно считать оконченным.










Павел Валерьевич

Дальнейшее развитие схемы вижу в
1. Защите от переполюсовки-дурака
2. Защите от превышения верхнего порога.
Верхний порог может быть превышен во многих случаях. Пробой мосфета, тепловой или по другим причинам, вылет таймера с высоким потенциалом на 3 ноге, банальная утечка времязадающего конденсатора, неисправность измерительной части.
А так как напряжение у нас не должно быть ограничено, то за несколько часов аварии АКБ можно закипятить вхлам.

Ser

Цитата: Павел Валерьевич от 24 Окт. 2015 в 23:40
Блок 3. Ключ.


Драйвером служит оптопара 817с. Планирую использовать драйвер TLP250, но пока нет в наличии, когда будет протестирую и выложу здесь схему.
К чему здесь оптопара в качестве драйвера, если NE555  может и сама открывать и закрывать транзистор током в 10 раз выше? По моему драйвер в данной схеме без надобности.

sopkis

NE555 запитан от - аккумулятора, а у Т1 исток сидит на минусе зарядки.

Павел Валерьевич

Может, но не в данном случае. Так как NE555 запитана от АКБ, а прерываем мы именно минусовой провод, то мосфет не запирается низким уровнем с таймера.
Напряжение холостого хода ЗУ 17-19 вольт, а АКБ 13в и ниже, вот этой разницей мосфет в паузах и открывается. Какое бы сопротивление R1 мы не ставили, подтянуть к нулю все равно не получится.
Можно сказать, что у нас схема с общим плюсом. Драйвер же обеспечивает развязку и потому уместен.

Ser

Понял, был не прав, извиняюсь.

Серик

#15
Здравствуйте, уважаемые форумчане!
Павел Валерьевич, можно уточнить, в Ваших последних схемах к микросхеме "таймер" подключён стабилитрон-он  делает фиксированное время паузы , независимо от того что процесс зарядки идёт по таймеру ли или же U аккумулятора дошёл до верхнего порога и идёт заряд с ограничением по верхнему уровню?
Изменил 01.05.2016.:
Здравствуйте, уважаемые форумчане!
Павел Валерьевич, можно уточнить, в Ваших последних схемах к микросхеме "таймер" подключён стабилитрон-он ((ОН?)) делает фиксированное время паузы , независимо от того что процесс зарядки идёт по таймеру ли или же U аккумулятора дошёл до верхнего порога и идёт заряд с ограничением по верхнему уровню?

Павел Валерьевич

Я не очень понял вопрос, сформулируйте пожалуйста яснее.
Из того, что понял:
Стабилитрон не делает фиксированное время паузы, это делает микросхема NE555
Стабилитрон Д814А просто ограничивает напряжение на конденсаторе.
Стабилитрон TL431 обрывает заряд каждый раз, когда напряжение на клеммах аккумулятора достигает 14,4 вольт.

pleshkovpa

Цитата: Павел Валерьевич от 25 Окт. 2015 в 00:49
Сделал печатку под 3 мосфета в параллель в корпусе TO-252 с драйвером TLP250. Испытаю- выложу файлик, пока нет драйвера.


А можно попросить Вас выложить файлик платы? А то драйвер есть ... Хотелось бы попробовать.
И какие мосфеты использовали?