avatar_Павел Валерьевич

Моргалка от Павел Валерьевич.

Автор Павел Валерьевич, 24 Окт. 2015 в 17:38

« назад - далее »

0 Пользователи и 1 гость просматривают эту тему.

alexey20206



Приветствую всех! Павел Валерьевич наконец то отлудил, отсверлил... ПП первую в жизни! Хотелось бы услышать ваш приговор! Паять детальки или переделывать ПП новую??? Спасибо!

Павел Валерьевич

Нормально. Там возле кренки покрамсали малёха сверлом, загните ножку 78L09 в сторону повреждённой дорожки и пропаяйте.

alexey20206

Да я так и хотел сделать... Спасибо!

alexey20206

Павел Валерьевич подскажите пожалуйста у меня паяльник обычный на 25 ватт. Им можно паять микросхемы? Не нужно его заземлять? Извините если глупость спросил...

Павел Валерьевич


Павел Валерьевич


alexey20206

#276
приветствую! Павел Валерьевич скажите на плате между драйвером 250 и мосфетами стоят резисторы 6-ть шт. они все по 10к?
и еще резистор 680 и 470 это оМ?

Павел Валерьевич

Нет, по 10 Ом. Если на принципиальной схеме не указаны единицы, то это всегда Омы. Для конденсаторов в аналогичном случае- это пикофарады. Если номинал помечен звёздочкой, значит подбирается при настройке, как десятикилоомный подтягивающий резистор на схеме:



Можете ставить резистор R6 5,6-6,8кОм, не ошибётесь.

alexey20206

а переменник какого типа? вы выкладывали но там пол фото не отображается...

Павел Валерьевич


alexey20206


alexey20206

Павел Валерьевич а R6 он что нам даёт? В чем будет разница 10к или 6к?

Павел Валерьевич

Он подтягивает затвор фета к земле, не позволяет ему открываться когда это не требуется. Каким то фетам достаточно 10кОм, кам то возможно и меньше.

alexey20206

Приветствую всех! Павел Валерьевич хочу поинтересоватся на счет Ориона-325.
за напряжение как я понял отвечает вот этот красный резистор от 16-й ноги 494-го в землю?
вот он на плате R51 [url=https://electrotransport.ru/images/1/oy7ztp.jpeg]



судя по следующему фото там уже с завода все переделано и установлен синий переменник и есть возможность поднятия напряжения с его помощью. я правильно понимаю? вот он
на форуме орионов есть информация что якобы этот переменник служит для тонкой подстройки ЗУ и крутить его может быть губительно для ЗУ! что вы посоветуете поднять напряжение переменником загнав его в крайнее положение? или оставить переменник в среднем положении а изменить наминал R51? если да то каким наминалом взять добавочный резистор чтоб поднять напряжение до нам нужного?
еще вопрос по поводу конденсатора на выходе ЗУ 1000мк. 25v. вот этого


на какой его нужно заменить? вы вроде писали что нужно 1000мк. но на 50 v.

Павел Валерьевич

Конденсатор обычно стоит 16в, нужно заменить на 25в, можно и на 50в. Если есть подстроечник и его запаса хватает, что бы выставить 20 вольт, то лучше конечно воспользоваться им. В последнем орионе я ставил резистор 12 килоом паралельно тому что стоит на плате, подстроечника там не было. Вся тонкая настройка заключается в установке напряжения, выше которого падает ток, нам просто нужно эту точку переместить на 19-20 вольт.

alexey20206

Спасибо! Конденсатор у меня на 25v. Значит менять не надо! Как понять хватает запаса подстроичного резистора или нет? Включив зу и подцепив к кракодилам тестер уведя переменник в крайнее положении на тестере вижу 19,5-20v. Этого достаточно?

Павел Валерьевич

Да, только крутить помалу.

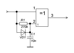
Павел Валерьевич

Дабы проверить алгоритм, используемый [user]newex[/user], собрал в виде ещё одного каскада к моей моргалке, на одном элементе "исключающее ИЛИ" К561ЛП2 и интегрирующей цепочке формирователь разрядного импульса сразу после зарядного. Длина импульса около 1мс.



Это скрин разрядного импульса:



Это зарядный и разрядный сразу после.



Нагрузка в разряде- лампа на 5 ампер.