Полезная информация


avatar_LIST

"Супербюджетик" - детский снегоходик за 4 дня и 8.500 руб

Автор LIST, 27 Янв. 2016 в 18:42

« назад - далее »

0 Пользователи и 1 гость просматривают эту тему.

LIST

Мотор - XTMR-006 - 1000 руб на разборе
Контроллер- пока такой - 350 руб с Али;
Аккумулятору б/у 10 амперные с БМС хэдвэи- 3500руб
Колесо на вал двигателя- 2500 руб
Куски и листы пластика- 500 руб
Курок- 350 руб
Болтики и провода- 300 руб
Зарядка на 24 вольта- бесплатно была
Снегокатик- бесплатно был
Итого: 8.500 руб

Видео позже.
Задняя подвеска - автоматическая- качается для углубления в более мягкий снег и поднятия для движения по льду.





С уважением,
LIST

big17

На стадии проектирования сборки: легкая открытая прогулочная двухместная машинка: 48V 2+2 КВт Quanshun'ы 100Ач !!!
https://electrotransport.ru/index.php?topic=26801.0 (заходите, критикуйте)

DisaX

Да и вообще побольше фото движущихся частей, а так круто  :wow:
Нет границ - есть лишь препятствия, на пути к цели.

За электротягой - будущее!!!

GMV


LIST

Вот все, что можно было набрать по этому мотору:
https://electrotransport.ru/index.php?topic=31244.0
Спасибо Брату Шышкину- он вкачивает в этот мотор 1,5 киловатта и ничего.
Мотор неубиваемый.
Сейчас делаю для него контроллер на 100 ампер на 3808...
FUNTIC может сделать отличный контроллер для этого мотора, но лично у меня пока 5-Ти тыщщ + детали нету... Хотя очень вкусное предложение от него!:)))

pashist

Опишите пожалуйста подробнее гусеницу, трансмиссию, какой контроллер поставили.


pashist



Merakules

[user]LIST[/user], Вы всегда, удивляли и радовали чемто неординарным и/или простым и поэтому всегда генеальным. Могу выразить только огромное спасибо за ум и руки ваши и пожелаю таким оставаться.

LIST

Спасибо дорогой:)) очень приятно.
Работа автоматической подвески мотора- в крайних положениях:
Когда едет по асфальту-льду, ребёнок больше стоит на лыжах- мотор просто катится под своим весом.
Когда едет по глубокому снегу- попой давится на сидение с регулируемым усилием ( можно всем весом на мотор сесть) и тогда он сильнее врезается колесом.
Все просто:))



LIST

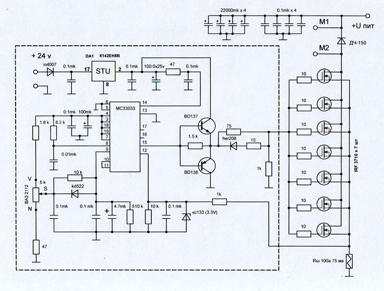
#11
Мотор  - 24 вольта 1600 ватт
Редуктор высокого качества 1:5  -да. сейчас установлен редуктор
Контроллер ШИМ на 70Ампер
Мощный пипец!
Цена мотора - 1000 руб
Редуктора - 3000 руб
http://www.youtube.com/watch?v=AceZYjLj0j4

Александр CRV

Поставьте ватметр или просто амперметр на эту технику. А то цифры мощности у вас уж очень сферические.

GMV


LIST

#14
Все честно:
Вот батарея -
"Барахолка Headway 38120S LiFePO4 10Ач БУ
элементы  4 7 шт. БУ пробег около 100 циклов, емкость и внутренне сопротивление в норме.
3 элемента заново перетянуты в термоусадку.
Цена 500 руб. за элемент. оптом скидка. 500*7=3 500
обрачаться в личку. (пожалуста указывайте тему личного сообщения)"

Вот мотор - упс. разборка Ауди сняла обьявление
Что еще вызывает подозрение - пишите в личку лучше :)))
Вот ваттметр:



Александр CRV

#15
[user]LIST[/user], так ради интереса померяйте сопротивление обмоток этого двигателя. Вообще 1600ват мне кажется нереальная мощность для такой игрушки. Не может она такую нагрузку дать. Могу ошибаться конечно просто сравниваю какое нужно усилие чтобы дите катить на снегокате и какое чтобы толкать гусеничную технику. 1600w это два лошадиные силы (больше многих бензопил). Я катался по гаражу на почти взрослом снегоходе на настоящей бурановской гусенице без лыж правда и мощность 200-350ват была. Стартовые пики в доли секунды не считаются. Вот второй такой же двигатель как на снегоходе положил возле квадрика так заценить размеры. Там 48В 21А максимум на нем написано. Получается маловато мне контролера на 30А раз можно сколько угодно вкачивать в двигатель?


LIST

Когда то я купил этот"народный" мотор от Ауди в полной уверенности что это 500 ватт 12 вольт...был молод, неопытен :))
Стал копать инфу про этот мотор. Наполнил тему "XTMR-006" подробностями - https://electrotransport.ru/index.php?topic=31244.0
Потом нашелся Брат Шышкин, который пролил мне свет на этот мотор - он на нем долго катался, вкачивая в пике 1500 ватт.
Я решил пойти дальше - поскольку у меня не китайский мотор а родной БОШ, а у него как выяснилось "железо жырнее"  - решил вкачать в него 24 вольта, а Брат Шышкин любезно сделал 70 Амперный контроллер под него.
Надеялся сжечь его нахрен побыстрее, что бы выяснить его максимум. Но не тут то было...
Сейчас мотор крутит через редуктор 1:5, копает подо мной асфальт с искрами, рвет 5 мм пластины, и как померить выходную мощность на валу - ума не приложу, посоветуйте!???
Я реально боюсь к нему подходить, когда он крутится :))
Сейчас под него буду строить гусеничный блок на гусенице Умка - http://snegohod-buran.ru/index.php?chp=showgood&num=8009
Ваш мотор - планетарный.
На что максимум годен китай - не знаю :(( Сорри


Александр CRV

[user]LIST[/user], я тоже рассматривал эту гусеницу. но у меня задумка была встроить внутрь двигатель с батареями а на такой ширине невозможно. Но если у вас другой подход то почему бы и нет. А насчет померять сопротивление обмоток забудте. Ничего так не намерять, просветился только что.