Самодельный логгер - делал ли кто?

Автор Timber, 26 Сен. 2016 в 22:21

« назад - далее »

0 Пользователи и 1 гость просматривают эту тему.

Timber

Посмотрел в разделе микроконтроллеров - не нашел.

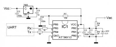
Как вариант - смещение рабочей точки на TL431(из напряжения на акб вычитается фиксированно 10 вольт), ацп встроенный в AVR. При питании от 5 вольт один честный(8 бит) отсчет АЦП получается 20 милливольт и около 4 милливольт при усреднении по 25 отсчетам. Связь с компом через оптроны и переходник USB-TTL. На компьютер передается только усредненное значение с АЦП. Привязка ко времени и масштабирование - программой на компьютере.

UPD
1 микроконтроллер, две TL431(или ИОН на 5 вольт), сдвоенный оптрон, один преобразователь USB-TTL и резисторы.

UstAlexei

написал на attiny13 подобную задачу, сделал печатку до сбора руки не доходят.
Уровень не смещал, сделал 128 выборки (сдвиг вправо на 4 разряда) итого будет 13 разрядов

, передача показаний каждые 25 мс. связь по UART.

реношник

[user]Timber[/user], а зачем передавать на комп ? Лучше писать на СДкарту, а потом обрабатывать, так расширяется область применения логгера...

Timber

[user]UstAlexei[/user], выложите плиз прошивку.
[user]реношник[/user], , это уже следующий уровень  B-)
Полноценный микроконтроллер с большой памятью, часы реального времени, внешний ацп с двумя  каналами(напряжение и ток), экран и т.д. Можно и вайфас и интернетом прикрутить :)

UstAlexei

CD карта это хорошо, но надо уже контроллер больший по объему... Уж тогда проще во внешнюю eeprom писать.

Timber

Цитата: UstAlexei от 27 Сен. 2016 в 13:31
CD карта это хорошо, но надо уже контроллер больший по объему... Уж тогда проще во внешнюю eeprom писать.
EEPROMа мало.
Спасибо за прошивку (остается только контроллер купить :) )! Скорость 9600, фьюзы на 8МГц?

Alex_Soroka

EEPROM это всего 10000 перезаписей  :hello:
надо ставить внешнюю память "с батарейкой" (CMOS?) которую не убьешь перезаписями.

UstAlexei

В attiny13 две тактовых частоты 9.6 МГц, и 4,8 МГц. ну плюс к этому делитель на 8. Фъюз деления на 8 (по умолчанию с завода) снять.
скорость передачи 9600.
Я так понимаю что 10000 - это усредненное число записей блока eeprom, сомневаюсь что в cd - карту больше раз записать удастся.

Timber

Цитата: Alex_Soroka от 27 Сен. 2016 в 13:56
EEPROM это всего 10000 перезаписей  :hello:
надо ставить внешнюю память "с батарейкой" (CMOS?) которую не убьешь перезаписями.
Atmel обещает 100к, только ее обычно меньгше 512 байт :-D
Ага, она так и называется - "CMOS EEPROM". Обещают от 100 тыс до миллиона циклов.
Если взять 15 часовой разряд и дискрет 5 сек, то это 10.8 тыс отсчетов. Если писать 12бит без разделителей - 129,6 килобит. Значит брать не менее 256 килобит.

[user]UstAlexei[/user], карта большая, поэтому вероятность попасть даже 20 мегабайтным логом в то же самое место карты на 256МБ довольно мала. Главная проблема - на младших AVR не хватит памяти для программы, которая сможет писать на SD

UstAlexei

Цитата: Timber от 27 Сен. 2016 в 14:28
...даже 20 мегабайтным логом в то же самое место карты на 256МБ довольно мала....
А если подойти к вопросу не через файловую систему CD карты, а писать в сектора, тогда и контроллера сильно большой не надо и даже 20 мегабайтный файл, всегда писаться будет с начала флэшки... ;-)

Timber

Через встроенный контроллер, которые транслирует виртуальные адреса на входе в SD в физические ячейки кристалла все равно не пробиться(и это на сомом деле хорошо - флешка быстро не загнется).

Не думаю, что программа влезет в 16 или 32 килобайта памяти.

UstAlexei


Timber

Цитата: UstAlexei от 27 Сен. 2016 в 14:44
http://cxem.net/mc/mc288.php - дата логгер 32 кБ
Отлично!
Не думал, что смогут запихнуть  :-) Можно попробовать собрать, да и исходники приложили.

UstAlexei

Если перерисуете печатку по планарный контроллер дайте пожалуйста.

Steel RAT

#14
А есть еще логгер который пишет на SD поток данных с компорта.
Его можно подключить к схеме из второго сообщения темы.
https://ru.aliexpress.com/item/Rctimer-SD-Logger-BlackBox-Flight-Data-Recorder-Freeshipping/32677010032.html?isOrigTitle=true&spm=2114.10010208.1000016.1.z3lOgi

https://ru.aliexpress.com/item/Openlog-cleanflight-naze32-SP-F3-black-box-black-box-recorder-flash/32685453869.html?spm=2114.10010208.1000014.6.7Jf6m4&scm=1007.13338.47322.0&pvid=eee0fab0-b166-4c69-9003-7320fc6f93ce&tpp=1

Сделан на планарной atmega328P 5 В 16 мГц.
Открытый код. Наверно можно что-то дописать...
Массовая культура - синоним низкого качества.
Люди... они какие-то странные. По одному и тому же поводу каждый думает что-то своё.


Timber

Цитата: Alex_Soroka от 27 Сен. 2016 в 16:13
где вы тут увидели миллион циклов ?
Имел ввиду внешние: в AVR он 512 байт - бесполезен для логгирования.
http://ww1.microchip.com/downloads/en/DeviceDoc/21191M.pdf
http://www.onsemi.com/pub_link/Collateral/CAT24C128-D.PDF

UstAlexei

Кто что думает по вопросу... Может быть сделать два щупа в схеме приведенной во втором посту темы. Дабы иметь возможность не только напряжение логгировать, но и токи...