Bms защита от кз

Автор Nikolay31, 15 Янв. 2020 в 20:53

« назад - далее »

0 Пользователи и 1 гость просматривают эту тему.

Nikolay31

Здравствуйте! У меня такая проблема с бмской 10s на выходе не срабатывает защита от короткого замыкания.что может быть? :-)

Althair

Шунт в КЗ (сопля при пайке), обрыв в цепи усилителя шунта, мертвый усилитель шунта, аккумы или устали, или изначально были не способны выдать ток, необходимый для срабатывания защиты.
Причин - море, вы хоть бы предысторию изложили.

«Дорогие учёные. У меня который год в подполе происходит подземный стук. Объясните, пожалуйста, как он происходит». (с)
Куплю удлинитель для коротких замыканий, а так же волшебный дым для заправки радиодеталей.
Ноунейм Сяоклон 250W + 36V 15Ah
Самовар Cats Threat 2х1000W (придушено до 250W) + злые 14x5.0 + 2хВектор + 16S1P MpCO 21Ah

Nikolay31

Есть батарея 10s4p на борту бмс 10 s напряжение 40 вольт.подключал на лампочку как нагрузку.разрядил до 38 вольт.далее все время срабатывает защита по току.т.е лампочка работает 60 сек и гаснет.помимо этого при проверке на кз не отключается
Т.е не дает 0. Или летят искры.вскрыл плату посмотреть вроде все цело.что  дальше как проверять не знаю.может тестеоом померить что нибудь на плате?
Е

SkeptiK

Бмска вроде обычно и не умеет с кз бороться

Althair

Цитата: Nikolay31 от 16 Янв. 2020 в 17:56может тестеоом померить что нибудь на плате
Напряжения на параллелях померять. Сильно похоже на жесткий перекос по ячейкам, что при уставших банках не удивительно.
Куплю удлинитель для коротких замыканий, а так же волшебный дым для заправки радиодеталей.
Ноунейм Сяоклон 250W + 36V 15Ah
Самовар Cats Threat 2х1000W (придушено до 250W) + злые 14x5.0 + 2хВектор + 16S1P MpCO 21Ah

Nikolay31

Странно. но напряжение на всех  банках одинаковое. а есть схема защиты от кз?на бмс. может там что то можно увидеть?

Nikolay31

Цитата: Nikolay31 от 18 Янв. 2020 в 17:45
Странно. но напряжение на всех  банках одинаковое. а есть схема защиты от кз?на бмс. может там что то можно увидеть?
я произвел отбалансировку  всех параллели.нижний порог как и написано 2.8 срабатывает. По току тоже защищает не более 15 ампер как и написано. А вот от кз почемуто нет.

SkeptiK

БМС с коротким и не умеет бороться - ни одной не видел, чтобы на кз сработало

4итатель

Цитата: SkeptiK от 22 Янв. 2020 в 10:44БМС с коротким и не умеет бороться
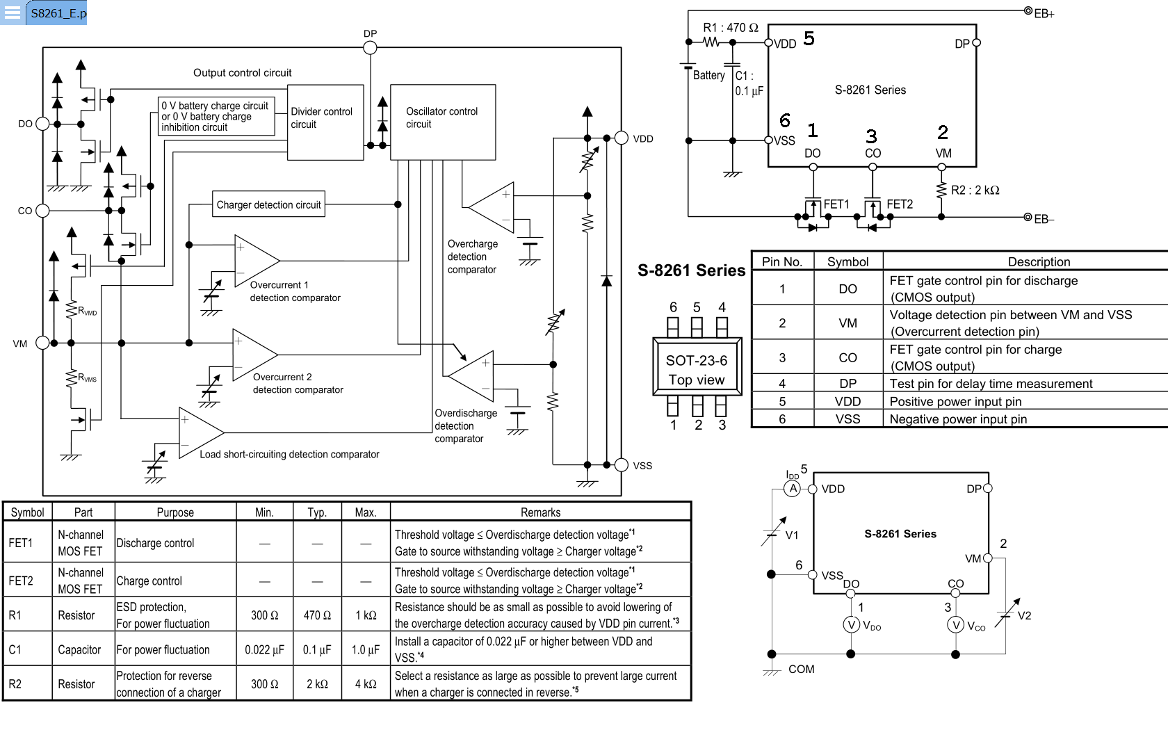
Основная масса собирается на seiko S8261, или DW1. С десяток БМС которые вертел в руках имеют на первой микросхеме вход для измерения тока по шунту, и даже по фетам (pin#2). Был схемно задействован.

Цитата: SkeptiK от 22 Янв. 2020 в 10:44чтобы на кз сработало
нужно уметь коротить, но лучше не коротить, понадеясь на авось.

SkeptiK

[user]4итатель[/user], я знаю, что ток оно мерит по шунту\полевиках. Но во всех случайностях это не сработало. На разных БМС. Я не схемотехник, но подозреваю это потому что оно интегрирует ток и к тому моменту, когда бы схема сработала, КЗ уже испарит провода\часть платы.

4итатель

Цитата: SkeptiK от 27 Янв. 2020 в 19:20подозреваю это потому что оно интегрирует ток
Штатно нет цепей с постоянным времени. И не видел чтобы китайцы добавляли конденсатор. Но даже в даташите сейко есть микросхемы у которых входное напряжение разнится от 0.1V до 0.3V



Если схема контроля включена и есть доступ ко 2 ноге микросхемы, можно подать туда от 100мВ до 300мВ продолжительностью указанной в даташите или затребовать от производителя(указано в даташите) нужные параметры быстродействия, можно самому выдать импульс той продолжительности, при которой сработает защита.
Далее рассчитать ток по шунту чтобы требуемое напряжение поступило на вход 2.
Цитата: SkeptiK от 27 Янв. 2020 в 19:20КЗ уже испарит провода\часть платы.
Подчеркну
Цитата: 4итатель от 22 Янв. 2020 в 11:33нужно уметь коротить, но лучше не коротить
А подключить БМС на стенд и там подвергнуть всесторонним испытаниям.
И ещё раз
Цитата: SkeptiK от 27 Янв. 2020 в 19:20Я не схемотехник
тогда поставить БМС и надеяться, что она работает, во всех 3х режимах
перезаряд
переразряд
превышение тока.

Molarky23


подскажите товарищи по моей бмске, вот она не знаю что за фирма. китайский нонейм вроде но служила верой и правдой 4 года и не было проблем за 4 года, но тут случайно замкнул плюс и минус когда вынимал акум. плюс и минус коснулись друг друга, конечно была искра, но наконечник выдержал, и теперь у меня такая проблема, на выходе из бмс низкое напряжение  1-2в не больше, а на входе как положенно при полном заряде 86в. у меня во время кз была полностью заряжена, байк стоит дома всю зиму.. померил по ячейкам заряд выдает у 22-х ячеек в норме. 0.05 разница, а у этих двух 3.43 и 3.68(0.25 разница). подскажите можно ли как то бмс заставить работать? или все на выброс ее? пробовал подключать зарядное, мне сказали что это иногда помогает выйти бмс из защиты, да это помогло на выходе появилось напряжение, но как только я вынимаю зарядное то все сразу 1-2в становится.
Сейчас езжу на : рама киборг батарейка lifepo4 77V 25ah 2000Wh мотор quanshun 205 3.5t контроллер kelly 7230s колеса 24" и 26" скорость 100 км/ч

SkeptiK

Выкидывай бмс, иначе выкинешь батарейку

spb-e

[user]Molarky23[/user], Попробуйте  шлейф отсоединить и все остальное от БМС, потом подключить.
Есть мизерный шанс что логика перезапустится.
А в целом совет выше верный ...Если  БМС Уг то может испортить дорогостоящую батарейку. И не дай бог и вообще к пожару привести.
Помогу со сборкой, ремонтом батарейки и прочего...
9II-I82-78-78

SkeptiK

Дело не в том, перезапустится она или нет, а в том, что очень вероятно повреждение ее элементов. Цена проверки - батарея.

Как я уже дважды говорил выше - бмс не умеют бороться с кз

SkeptiK


sergey-012345

#16
Цитата: Nikolay31nullтогда подскажите с выбором бмс для лифера на 24 ячейки? у меня контроллер на 80а 72v, вот думаю взять на аликспресс водонепроницаемую на 60а постоянно и вроде как по описанию написано 180а пик. т.е как раз для меня чтоб не отрубалась на 80А в дороге. ну и стоит всего 2500руб

для защиты от перегрузки батарейки я поставил автоматический выключатель, срабатывает при токе больше 2С батарейки

_claw

Цитата: SkeptiK от 22 Янв. 2020 в 10:44бмс не умеют бороться с кз
странное утверждение. я например видел испытал немало бмс, которые реально защищают от кз. это норма.
причем некоторые нужно полностью отключать от батареи при уходе бмс в защиту, а другие поднимаются просто после подания питания на зарядный порт или даже после исчезновения проблемы. схемотехник море