Конструирование, технические советы и помощь по изготовлению конструкций

Автор Александр74, 02 Фев. 2012 в 18:06

« назад - далее »

0 Пользователи и 1 гость просматривают эту тему.

pavel1106


Заказал и поставил усилитель на второй велосипед. Качество изготовления, дельный совет по конструкции и пр. как всегда на высоте.

Александр74

Цитата: Prometey от 05 Март 2018 в 12:10
Здравствуйте! Я начал собирать электровелосипед. Купил комплект с мотор-колесом на 2 кВт с рекуперацией. Рама алюминиевая stels navigator 630. Может быть уже делали усилитель дропаутов под такую раму. Какую конструкцию усилителей использовать лучше с точки зрения надёжности в моём случае?


Можно вполне что и в ответе №447 в самом верху, но нужна рама для замеров.

Александр74

Привет всем, сломанные дропы на вилке это ещё не конец смотрим, что можно сделать если ресурс вилки ещё далеко не исчерпан.

Добавлено 07 Март 2018 в 08:30

фотки лучше смотреть с конца, всем удачи!

Stanislavchik

Кастом нельзя закончить, только остановить. https://electrotransport.ru/index.php?topic=52641.0

Александр74

Режем, чертёж конечно приветствуется.

Добавлено 31 Март 2018 в 09:09

Немного новых. Маятник очень лёгкий, усилки закрытого типа, ось 12 мм, крепятся к перьям маятника на хомутах. Толщина 6 мм

Александр74

Передняя вилка, двух типов, тут надо сказать что каждая передняя вилка пусть даже одного производителя - разные, по этому нужен почти всегда индивидуальный подход и в идеале штаны для снятия размеров. В данном случае усилки изготавливались дистанционно, так что к изготовлению приложил руку сам заказчик, корректировал чертежи в компасе, это вообще хорошая практика - изучаем чертежные программы - мне будет легче делать вам детали!


Добавлено 31 Март 2018 в 09:17

Результат, как это выглядит совсем уже скоро! Все удачи!

Anvel

Да Александр опередили меня, можно сказать то же приложил к разработке руку )) Дистанционно конечно же сложнее, долго, кропотливо, но за то встали почти идеально, обошелся небольшой подработкой напильником по месту )) Заказывал для двух вилок Рокшокс и Сонтур под 12-ю ось со съемными скобами для снятия колеса и что бы не резать родной штекер на кабеле, вот что получилось!










Сегодня тестовые испытания прошли отлично, спасибо Александру за профессиональную работу!

dimakoff

Спасибо Александру. Зимой делал для меня дропы на Mantague Paratrooper 2015. Сейчас пришло время время всё собирать.
Качество на высоте, монтаж прошёл как по маслу. Фото процесса сборки. Чуть позже добавлю ещё фото после полной сборки.






dmitriy2803

Добрый день,скажите,возможно ли изготовить усилители?



Александр74

Цитата: dmitriy2803 от 11 Апр. 2018 в 11:29
Добрый день,скажите,возможно ли изготовить усилители?


Можно конечно, хотя штатные дропы ну очень лёгкие и не предназначены для мощного мотора, напишите какова мах мощностьМК.  Если есть возможность найдите донора с более массивными дропаутами.

dmitriy2803

Мотор 350w 14т,контроллер до 15а.Донора менять пока не вариант


Александр74





Приветствую вас коллеги!  Для вилки Blaze 26 TNL - вот такое решение:

Добавлено 10 Май 2018 в 18:15

Комплект есть случайно лишний:
, то есть если кто надумает покупать новую вилку - уже будут усилки, накладки 2 комплекта под ось Ф12 и Ф14 мм

Александр74

общая толщина в районе оси 8 мм. (плюс 2 мм накладка) крепёж и хомуты в комплекте, если нужно в регионы вышлю почтой.

Nickman78

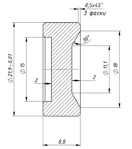
Приветствую! Необходима такая деталь (поршень от тормозной машинки), материал - латунь, алюминий; сталь под вопросом). Какая стоимость за 2-4 штуки (за шт)?


Александр74

Цитата: Nickman78 от 16 Май 2018 в 22:15
Приветствую! Необходима такая деталь (поршень от тормозной машинки), материал - латунь, алюминий; сталь под вопросом). Какая стоимость за 2-4 штуки (за шт)?

Это скорее сталь а по диаметру внешнему нужна будет шлифовка, если есть в продаже то лучше купить, для изготовления нужен будет цилиндр или образец поршня. Цена если сталь и термообработка плюс шлифовка то 600-700 руб деталь.

Max GT

Александр, доброе утро! Возможно у Вас заказать переходник - паук или ведущую звезду 42 для bafang 48v1000w BBS03 BBSHD? Или такие детали есть в наличии?

sjaovay

Кто подскажет, нужны ли какие переделки на главной оси у переднего двигателя МАС (моделей с выступами для спиц типа звёздочка, на фотке ниже) или ещё какие предстоят изменения, если на велосипеде воздушная вилка РокШокс Сильвер (с ушками под экцентрик, 100 мм между дропами) с гидравлическим тормозом?  :bw: