avatar_redimer

Народная габаритная фара (500 lm RED STOP LIGHT)

Автор redimer, 23 Июль 2012 в 18:50

« назад - далее »

0 Пользователи и 1 гость просматривают эту тему.

genamuy

Цитата: Indiсtа Саusа от 27 Дек. 2014 в 23:31
подпишусь
давно сюда не заглядывал , если это заитересовал мой вариант, то выложу все что имею.
сразу предупреждаю все испытания прошли только на столе, для меня сейчас не сезон.







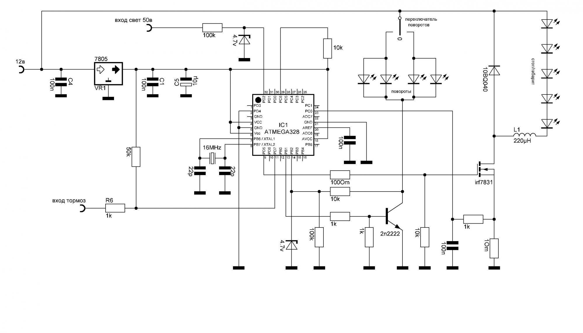
выбор деталей по принцыпу что было под руками, так что критика принимается.  Полевик любой N канальный с запасом по току , у меня стоит с ооооочень большим запасом (просто такой был в подходящем корпусе SO8), диод вобще не знаю правильно ли выбрал, поставил шотки 1А 40В , стабилизация тока настроена на примерно 300-330мА, светодиоды 5шт одноватных с макс током 350мА.
повороты нарисовано схематично, будут стоять эти http://ru.aliexpress.com/item/Free-Shipping-4-x-Motorcycle-14-LED-Turn-Signal-Indicators-Lights-Amber-yellow-TK-CB153/769722017.html?recommendVersion=1 (сейчас в дороге из китая). транзистор на повороты, естественно, тоже с запасом по току, у меня в схеме на 600мА, должно хватить, как приедут повороты проверю.

теперь по работе девайса. В обычном режиме габарит мигает с полной мощностью с частотой, примерно, два раза в секунду. При включении поворота-- поворот мигает а  габарит горит постоянным светом (думаю так будет лучше, чтоб  было заметнее мигающий поворот)  в пол накала . При включении передней фары-- габарит мигает в пол накала, чтоб в темное время не слепить водителей сзади.
При нажатии на тормоз--горит постоянным светом в полный накал в любых режимах.
Все режимы, возможно, будут коректироваться после реальных испытаний, когда открою сезон.
крошка, kelly kls7230, LiPo 80B (22s) 37Aч (монстры)

putman

genamuy, серьёзно.
Есть вопросы:
1. Что делает вход PB2 ? Контролирует открылся транзистор или нет ? чтот не пойму. И потом, как это параллельно 2 диода включаются биполярным транзистором, там же 12 вольт ...
2. Не понял зачем кварц нужен.
Обзоры велофар. Сравнение велофар. Ремонт велофар.
Инфинеон 12 фет, Кристалайт HT-3525 (1000W), 50 км/ч, LiPol 16S4P=1000Втч.

clawham

Отвечу за автора. вывод МК изначально висит около земли резистором. светодиоды это не светодиоды а готовые модули. так просто нарисовано. Когда переключатель включает любой из поворотников - напруга взлетает до 12 вольт и МК начинает драйв биполярником. пока горит - мк не может знать что уже выключили. в паузе когда погасло - проверяет..если улетает на +12 значит ещё включен поворот.

кварц нужен чтоб больше 8 мегагерц получить тактовую из которой потом получится 62 килогерца ШИМ.
иначе слишком большие индуктивности нужны.

Кстати по поводу увеличения частоты ШИМа аппаратного...аппаратно его можно задрать до 1/4 от тактовой. легко и просто. Если интересно как - расскажу.
1)8FUN SWXK 250w24V@17A48V 13S4P LGD1, China kontr
3)MXUS 3000 @90A80V LiFePo 20Ah 25S, Nucular 12F
Telegram @clawham

putman

clawham, спасибо.
Частоту ШИМа можно и мегагерц сделать, и разрешение не ухудшить  :ah:
Обзоры велофар. Сравнение велофар. Ремонт велофар.
Инфинеон 12 фет, Кристалайт HT-3525 (1000W), 50 км/ч, LiPol 16S4P=1000Втч.

genamuy

по первому вопросу [user]clawham[/user], все точно описал  :wow:
а вот по второму, все намного банальнее. Деле в том, что електронщик я "так себе",а что такое С++ и написание програм на нем узнал только этим летом. делать это умею только под ардуино, поэтому обвязка МК в моей схеме сделана так же как в ардуиновской плате, а там есть кварц, вот и не отступаю от стандарта :kidding:
да и код там, если кто с опытом посмотрит, то наверно скажет что бред ;-D, но тем не менее схема работоспособна.
крошка, kelly kls7230, LiPo 80B (22s) 37Aч (монстры)

ryazanovpavel

#149
А зачем столько сложностей для  создания простейшей габаритки? я, к примеру, спаял ножками последовательно 4 шт  12-вольтовых автомобильных безцокольных светодиодов по 5 грн за штуку такого типа
  В последовательной цепи от 55 вольт бортового напряжения до полусотки люменов визуально  на каждый светик получается в сумме - две сотни люмен как с куста - за велом приличное красное зарево ;).  Посадил их на термоклей внутрь готового корпуса от родного велогабарита, провод вывел  на аккумулятор, кнопку включения вместе с фарой переднего света на 4-х же 3-ватных светодиодах Т5, но уже с драйвером 12-80вольт в алюминиевом оребренном корпусе от "рыбьего глаза" повесил на руль. вся наборка обошлась в 1 доллар за задний габарит плюс 20 долларов передняя фара с кнопкой и проводами. уже скоро год - полёт нормальный. причем лобовая фара на удивление вполне себе работает в пол накала даже от штатной 6-вольтовой динамки на заднем колесе Теперь подумываю инсталлировать в боковины габарита еще и по 4 шт желтых светиков по той же схеме, чтобы работали от моих 55 вольт в качестве моргающих поворотников, запитать стоп-сигнал из 4-х уже 3-х ваттных светиков через релюшку на прерыватель ручки тормоза а релюшку-прерыватель поворотов туда же внутрь габарита засуну - после того как родные 6 Вольт лампы выкинул - там валом места осталось :)

genamuy

[user]ryazanovpavel[/user], ну это же не только габарит, а габарит + стоп + поворотники, и у этого всего есть несколько режимов работы, как я это описал. Большой плюс применения именно МК в устройстве, что я всегда могу изменять режимы работы банальным изменением кода в течении нескольких минут.
А по стоимости получилось так: 5 светодиодов с колиматорами обошлись около 2.5$ , а по схеме atmega328 - 1.1$ , остальное бесплатно.
.....а так, кому что нравится, люблю я создавать себе трудности  B-)
крошка, kelly kls7230, LiPo 80B (22s) 37Aч (монстры)

genamuy

не думаю что ваши автомобильные светодиоды смогут также ярко моргать (светить) ;-)
http://youtu.be/jfzXhbPRD8s
крошка, kelly kls7230, LiPo 80B (22s) 37Aч (монстры)

ss182006

Проработала у меня такая  моргалка эти пару лет отлично,на разных контроллерах.Пока не поставил контроллер Yuyang King,теперь задний габарит все время горит без моргания,как будто нажат тормоз.Тестером, тормозной разъем,при включении питания контроллера, тоже звонится как короткое,хотя при нажатии тормозных ручек и замыкании микропереключателей, включается и рекуперация и отключается мотор-колесо.Я поначалу даже подумал что накрылся фонарь,пока не отключил сигнал от тормоза,что можно сделать,или теперь так и ездить без стопов только с моргалкой ?

ss182006


Prof.Power

Готовый фонарь купить можно? Чтобы только напаять нужные коннекторы и все. Какая цена готового?
Нужен под контроллер Infineon 3 или 4 (12-FET). Батарейка планируется 72V 48A номиналы.
Bafang 750W 48V 15,6 Ah

stul

к сожалению схему по которой вопрос  процитировать не получилось

stul

чет предыдущие сообщения исчезли

Добавлено 13 Дек. 2022 в 19:42

4p12s 4 диода послед 12 параллельно ?