avatar_PavelBog

honda eve pax '85 избавление от 49кубиков

Автор PavelBog, 16 Сен. 2012 в 23:26

« назад - далее »

0 Пользователи и 1 гость просматривают эту тему.

METAL

4 таких фета работают без проблем даже без токоограничения. я на 2х пробовал- не вышибало, но иногда грелись, на трех вообще стабильно, на четыре когда перешел то даже на разряженной батрее при напряжении под нагрузкой 9-10в(пару раз и такое было) начинали только теплеть мосфеты.

Просто ток для них не показатель, а вот рассеиваемая мощность-это да! при таком низком наряжении рассеиваемой мощности не очень много деже при неблагоприятных условиях. Вобщем- лишь бы логическая часть нормально тянула феты, а то и 10 шт не справятся. ;)
Гоняю на стартере, с дымком! :D
И не только! ;)

PavelBog

ну вроде как тянет. еще интересное наблюдение - с совковым диодом грелся даже на холостом ходу, хотя по параметрам он на 1.1кгц, и по току тоже подходит. а поставил от БП компа - так и все в норму стало, с вывешенным колесом все крутится-вертится без нагрева
проект - электроскутер honda eve pax.
https://electrotransport.ru/index.php/topic,15191.0.html

PavelBog

 B-)

искал разьемы на рынке, особо толкового ничего не нашел - либо на малый ток, либо на болт крепятся. по сему такой вопрос - какой ток xt150 преживут? если через них 30-50а пихать(поствить 2 разьема в параллель). еще нашел вот такие, но тоже под вопросом, какие токи держат
вот
проект - электроскутер honda eve pax.
https://electrotransport.ru/index.php/topic,15191.0.html

xaoyag

Судя по написанному на Али 50а держат но если есть сомнения то в параллель покатят
Если нужна помощь по техническим вопросам пишите

dgon.iv

 А в чем сомнения по поводу XT 150? Но если совсем по серьезному то http://item.taobao.com/item.htm?spm=a1z10.5.w4002-661480085.23.6GwTmE&id=1901882144
48в 26ач езда по "нехорошим дорогам"

PavelBog


Цитата: dgon.iv от 28 Нояб. 2013 в 21:03
А в чем сомнения по поводу XT 150? Но если совсем по серьезному то http://item.taobao.com/item.htm?spm=a1z10.5.w4002-661480085.23.6GwTmE&id=1901882144
китайцы же очень любят "подтягивать за уши" характеристики. вот поэтому и сомнения есть, что бы 60а держали долговременно, и до 150а кратковременно
проект - электроскутер honda eve pax.
https://electrotransport.ru/index.php/topic,15191.0.html

PavelBog

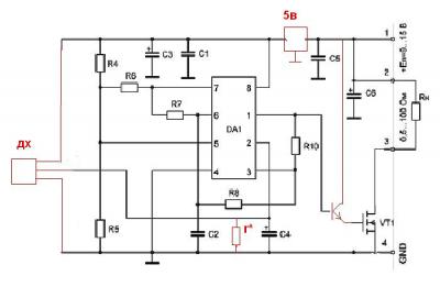
откопал из гаража чудо, вот вопрос - как лучше скрестить мастеркитовский шим и ручку газа на ДХ? пока что только одна мысль, но вот будет-ли работать?

поскольку с ручки идет постоянно 1в, для уменьшения этого напряжения стоит r*. или его не ставить?
проект - электроскутер honda eve pax.
https://electrotransport.ru/index.php/topic,15191.0.html

mr.Dream

Цитата: PavelBog от 24 Окт. 2013 в 21:15
ставлю 4 фета irf3205. еще как-то не верится, что его ножки 50а потянут.
Мой шим-контроллер сейчас настроен на 50А батарейного, и 80А моторного тока. 2 шт IRFB4110 + 5 MBR20100
Не греется. Хардвер лимит у ножек вроде как 75А в корпусе ТО220. Но нужно понимать, что это предел )
Кстати, фазный ток тоже нужно ограничивать. Иначе погорят феты :) Я реализовал на ардуино, могу поделиться, если интересно. Подключается дисплей, видно напруги/токи/режими. Планирую еще, когда будет время, дописать функции полноценного компа с ваттметром,одометром и т.д.

mr.Dream

[user]PavelBog[/user], и еще. Делайте полноценный ШИМ контроллер с датчиками тока. На заряд-разряд затворов полевиков ставьте полноценный драйвер. Вот недорогой и очень хороший - tc4420. До 6А выдает. Иначе разоритесь на полевиках)
И еще, обязательно ставьте расцепитель с кнопкой на руле - если вдруг пробьет полевики или заклинит ШИМ, остановить ТС вы не сможете. В моей теме о долгострое это все есть. Как по мне, так граммотное решение.
https://electrotransport.ru/index.php?topic=6477.msg664012#msg664012

PavelBog

[user]mr.Dream[/user], после lm-ки у меня стоит эмиттерный повторитель, да и схема вроде как не раз обкатана. мотор в пике жрет до 200А, поэтому 4 полевика по 50А вполне сойдут.
проблема возникла из-за переменного резистора, который начал глючить, в итоге все полевики подохли. один из транзюков горел как автоген, в остальных просто внутренние перемычки поплавились. поэтому задача поставить ручку на ДХ
проект - электроскутер honda eve pax.
https://electrotransport.ru/index.php/topic,15191.0.html

mr.Dream

Цитата: PavelBog от 31 Март 2016 в 20:49
[user]mr.Dream[/user], после lm-ки у меня стоит эмиттерный повторитель, да и схема вроде как не раз обкатана. мотор в пике жрет до 200А, поэтому 4 полевика по 50А вполне сойдут.
проблема возникла из-за переменного резистора, который начал глючить, в итоге все полевики подохли. один из транзюков горел как автоген, в остальных просто внутренние перемычки поплавились. поэтому задача поставить ручку на ДХ
Если схема жрет до 200А, то 4*50 - на пределе. Нужно понимать, что с ростом температуры кристалла его максимальный ток падает, а тепловыделение (оммические потери) возрастает.
И как это у вас из за глючного резистора могли феты выгореть? Ах да, вы же меня о датчике тока совсем не слушаете :) А что, если вы случайно гашетку газа до упора на стоячем байке или в горку накрутите? Опять автоген? ))) Или делать с большим аппаратным запасом, или строгое ограничение. Я остановился на втором.

PavelBog

...после определенного времени все заработало. как? шим выкинут нафиг, вместо кнопки стартера(там 2 обычных площадки при нажатии замыкаются) поставил кнопку КМ1(чтобы на кочках контакты не дребезжали), все это подключено к фетам. вместо цепи обратно вернулся к ремню, ибо цепь шумновата+сцепление. на сцеплении пружинки снял, стартует бодро
аккум - тяговый зап на 80а\ч. все это дело едет, пробег получился около 25км при скорости около 25км\ч. силовая часть не греется, мотор греется примерно до 40-45градусов(ехал непрерывно около 10км) при температуре воздуха около 26гр.
как будет время - докрасить боковины, сделать крепление аккума с кожухом силовой части и естественно дособирать. пока как-то так
проект - электроскутер honda eve pax.
https://electrotransport.ru/index.php/topic,15191.0.html

TOM

[user]PavelBog[/user], какой потребляемый ток у двигателя и как это всё управляется без ШИМ, можно подробнее?

PavelBog

заранее извиняюсь за некропостинг, давно сюда не заходил
проект никуда не делся, был отвезен в деревню, где благополучно ездит
покраска, а вернее оклейка заднего пластика мангой не совсем удалась, как впрочем и контур японии с другой стороны - возможно дойдут руки переделать как надо(а может и не дойдут). пока что выглядит вот так:

и чуть больше фото тут:
https://yadi.sk/d/H3OJ4fgd3UfBbD
по поводу управления, если все еще интересно - кнопка просто подает +12в на затворы транзисторов. и на самом блоке с транзисторами резисторы на минус, что-то около 2ком, вроде. сцепление на полной нагрузке подбуксовывает, не давая сильно превысить ток
и насчет "пшика" - сильно крутой будет велосипед за 300уе? сомневаюсь. про электровел мечтать совсем не приходится, там бюджет будет раза в 2-3 больше
проект - электроскутер honda eve pax.
https://electrotransport.ru/index.php/topic,15191.0.html

Sovaelectro

Был у меня Pax. Его самая, жгучая серия. Самодостаточный и надёжный скут. Катал до 70км/ч - меня (100кг..).
Передняя подвеска у него плохая. Там пружины, втулки и солидол. Я заменил вилку на Tact. Она рычажная. Стало значительно лучше. "Умер" он геройски. В руках идиота на встречку попал. По пьяни. Идиот остался жив... .
Специалист по металлообработке.
Начинающим ознакомиться в теме "City Coco и всё о них" - стр7, стр9, стр10,стр14, стр16,стр21, стр22,стр28, стр31
стр39, стр49, стр54, стр69, стр 133, стр319, 418 этой темы.

andruxxa

Так мотор всегда на полном газе чтоль? Зачем тогда транзисторы?
Электро-рига7. задний к-т мхус 750вт + 14s Li-po 10А*ч = 51км/ч по гпс. Расход 2кВт*ч/100км Бюджет 16000р (2012г)
Электро-восход2м. Генератор газ3307 вместо поршневой.контроллер гринтайм48-84в 45А. акб с мопеда выше. Бюджет 2000р )))

Newgamer

[user]andruxxa[/user], я так понимаю, что мосфеты работают вместо выключателя. Подал на затворы 12 В, они (мосфеты) и открылись. Снял - они и закрылись (резюк затвор - корпус). Вот оно, твердотельное реле в домашней интерпретации.
ЗАЗ-968М "Зверюга" продан. Трайк "Конёк горбунок".
Электро Ока - шустрый "Мини КАМАЗ"

PavelBog

да, именно, твердотельное реле. сопротивление резисторов на затвор - что-то около 2кОм, насколько помню. плюс на затворы идет через кнопку, нажимаешь - едет, отпускаешь - не едет
родное центробежное сцепление не дает мотору перегружаться на старте, ну а поскольку максималка 25-30км/ч, то такой режим работы (вкл-выкл) особых неудобств не доставляет
проект - электроскутер honda eve pax.
https://electrotransport.ru/index.php/topic,15191.0.html