avatar_Kapitan

Как проверить BMS

Автор Kapitan, 03 Июль 2013 в 00:09

« назад - далее »

0 Пользователи и 1 гость просматривают эту тему.

inetchik

#54
[user]ElectrON[/user], осмелюсь предположить что шестиноги с противоположной стороны, отвечающие за верхний и нижний лимит напряжения это HY2112.

SF8. B1-Р600 с ЛЖФ15S-19.5АЧ.
KUGOO-S2(MS) c переклеенными магнитами+Лифт+ПУ+DCfS v2.0.KUGOO-S2(LS) c Лифтом+ПУ.
Мы на карте.BR, Dmitry.

inetchik

[user]ElectrON[/user], пост выше отредактирован - не верно указал шестиногу !!!!!
SF8. B1-Р600 с ЛЖФ15S-19.5АЧ.
KUGOO-S2(MS) c переклеенными магнитами+Лифт+ПУ+DCfS v2.0.KUGOO-S2(LS) c Лифтом+ПУ.
Мы на карте.BR, Dmitry.

crond

Скорее всего пробило микросхему балансировки, поэтому мосфетик открыт и резисторы всегда греются.
Странно, что при перезаряде не отключается, потому что все шестиногие микросхемы, от них кстати выходят по 2 высокоомных резистора, на 2 ножках которых при переразрядке или перезарядке соответственно сигнал меняется с равного напряжению ячейки на  ноль (измерять относительно минуса конкретно измеряемой ячейки).

ДмитрийМver2.0

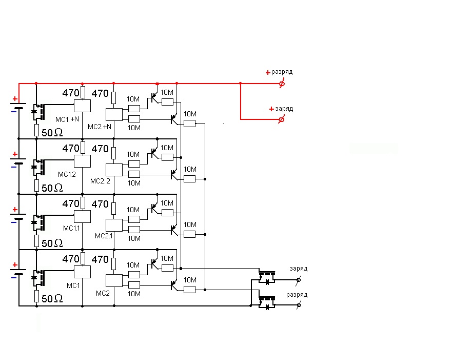
Я ему и пытался объяснить как я проверяю, подаёшь от бп напряжение через ограничительный резистор и смотришь по возрастанию тока когда сработает первая-балансирная (левая по вышеприведённой схеме ИС, обычно это 6ножка). А вот вторая (5ногая) уже работает на крайне высокоомные цепи, поэтому они обычно лаком залиты на латах, для борьбы с утечками, её только осциллографом можно проверить, с прикрученным резистором на 1..2 Мома. Я с S8241и 8261 обычно работаю, они именно так проверяются.
73! Дмитрий, RK3AOR.

Ventres707

ударила молния в соседнее здание - оба здания запитаны в одну сеть

в итоге: зарядное устройство перестало заряжать байк -
проверил зарядное устройство = показывает напряжение как и должно в 52 вольта , но заряд не идет
посмотрел коннект в байке - не сгорел
байк сам врубается и едет как обычно

есть предположение , что БМСка заблочилась ( было такое в прошлом году от аналогичной ситуации - только там еще и зарядное устройство сгорело и коннектор расплавило )
отвозил весь АКБ с Бмской в сокольники к Веломастерам - там разблочили бмс и все норм
можно ли как то БМСку разлочить самому ? что для этого нужно ? или лучше опять выкрутить и отвезти в соколя ?

akon93


игорь1

Если проверять досконально,то надо бмс отпаять.Припаять вместо банок резисторы и смотреть вольтметром напряжения на них. А на скорую руку можно смотреть напряжения на банках на всех.до и во время зарядки.Почти все вопросы это закроет.

ArtDen

Цитата: akon93 от 24 Дек. 2018 в 18:59Как узнать симметричная ли бмс?
https://pp.userapi.com/c845421/v845421556/15fd24/nEt0DguNzvM.jpg
На первой фотке же написано, что симметричная

evgeni1

здравствуйте уважаемые знатоки .произошла такая ситуация собирая свой блок аккумулятора закоротил случайно балансировочный ноливой и первый балансировочный провода (точнее этот черный ноливой на плюсовой контакт батареи)прошла искра . после этого бмс перестала выдавать напряжение есть какие то наводки в виде 7-20 вольт . отнес в ремонт -сказали рабочая но она не работает на вид все целое


pavelm-ks

Все привет . Перелопатил тему , но так  и не увидел дельных советов. Как по мне, суть задачи элементарна , у людей начинает бажить батарея , выясняется , что в ней слабая ячейка (это по-любому иначе хрена в нее лезть ) и возникает вопрос, если её поменять, то не вылетит ли она снова быстро по причине не работающего на её канале балансера. Так вот, мне видится все очень просто . Если есть дохлая ячейка , то при полном  заряде БМС отрубать будет именно по ней т.к. на ней напруга вырастет раньше всего и не зависимо от того работает балансировка или нет (ёмкость дохлой ячейки сильно отличается от остальных и никакого балансировочного тока не хватит чтобы выравнять напряжения). Т.е. доводим батарею до типа полного заряда (отсечки ), даём отлежаться , т.к. ячейка имеет напряжение выше остальных , то при повторном подключении зарядки BMS по-любому должен подрубить балластный резистор в попытке уравнять напругу, поэтому  подключаем вольтметр между минусом проблемной ячейки и нагрузочным резистором цепи балансировки данной ячейки в точке где соединяется этот резистор (или пара их часто так умощняют) с транзистором (в большинстве БМС управление баластным резистором идёт по минусу ) , далее подрубаем зарядку и смотрим напругу , если она просела от напряжения ячейки до 0..1В(зависит от типа транзистора ) значит балансировка идёт - транзистор открылся и надо просто заменить ячейку, если напруга не упала значит балансер не работает и кроме ячейки надо и BMS менять (ремонтировать). Так же плохо если при таком замере напряжения и с отключённой зарядкой напряжение в ноле , это может говорить о пробитом транзисторе балансера. Хотя тут я не уверен , не знаю делает ли балансировку BMS при отключённой зарядке. Да если балансировочная цепь управляется по плюсу ( идя по цепи от плюса - вначале идёт транзистор потом резистор и потом он подключается на массу) , то картина будет с точностью до наоборот на стыке резистора и транзистора будет ноль при неработающем балансере и почти напряжение ячейки при работающем.

pavelm-ks

У самого такая хрень , вот думаю как дебажить ее , на днях проверю свою теорию на практике. Вообще обидно , моя батарея отходила всего 6 циклов и такая хрень , при сборке главное все элементы оттестил , максимально выровнял ячейки по емкости (подбирал пары , у меня 16*2 схема лифера). Первый заряд сделал малым током запараллелив все ячейки. И на тебе, через понты циклов одна ячейка сдохла (ёмкость раза в 2 меньше остальных) , причем вполне себе нормальные показатели были при сборке. Главное остальные как звон - напряжение в пределах 80% заряда отличается на одну сокту , к эта падла все портит. Хотя конечно элементы китайские говенененькие , может такое у них качество , хорошо взял в запас, есть чем заменить. Вообще теперь я понял почему хорошо иметь BMS со светодиодами   , данная работоспособности балансировки становится проще простого, раньше думал что это почти никогда не пригодится.

pavelm-ks

Цитата: evgeni1 от 11 Дек. 2019 в 21:10
здравствуйте уважаемые знатоки .произошла такая ситуация собирая свой блок аккумулятора закоротил случайно балансировочный ноливой и первый балансировочный провода (точнее этот черный ноливой на плюсовой контакт батареи)прошла искра . после этого бмс перестала выдавать напряжение есть какие то наводки в виде 7-20 вольт . отнес в ремонт .
-сказали рабочая но она не работает на вид все целое

Ну если минус не отгорел при этом , то ничего не должно было случиться кроме оплавления контактов и всей цепи КЗ, наверно сдохла та ячейка которую коротнули (или цепь/контакт оплавилась и БМС не видит напряжения на этой ячейке) , так или иначе теперь БМС видит , что на ней напруга низкая и вырубает силовой минус. Надо проверить целостность  цепь от плюса ячейки до контакта на плате БСМ для этой ячейки

pavelm-ks

В общем в своем случае пришел к выводу что с балансером все ок просто путем промера напряжения на проблемной банке. После зарядки было превышение по отношению к другим 0.15В , после ночи отстаивания всего 0.02В , т.е. балансер таки уровнял напругу. Но блин магия в том , что после проверки емкости отдельно проблемной ячейки она особо то и не изменилась , проверил внутреннее сопротивление тоже как у остальных ,почему она живёт своей жизнью ума не приложу . Думаю может зарядку с меньшим током юзать . Сейчас 3х амперная при емкости батареи 9Ач.

velomastera.ru

Кто правильно распишет как проверить выходной каскад транзисторов в  BMS
(как там найти вышедший из строя транзистор..)
Есть любые моторы и АКБ   - Наши работы - ВИДЕО - на YouTube Магазин и Веломастерская находятся по адресу  г. Москва метро "Сокольники" торговый центр "Галерея спорта"- Павильон - Мастерская "15" в центре зала тел. 8 977 329 1428

илс

Цитата: velomastera.ru от 23 Янв. 2021 в 14:03
Кто правильно распишет как проверить выходной каскад транзисторов в  BMS
(как там найти вышедший из строя транзистор..)
Там полевые транзисторы, причем запараллелены стоками и истоками.


В моей практике, встречались 2 вида неисправности этих ключей:
1. Всегда закрыты, независимо то сигнала (напряжения) затвора.
2. Всегда открыты
3. Полуоткрыты и дико греются на заряде.

Проверять сложно, ибо расседенить их нереально, если только поштучно выпаивать.
Я меняю обычные маломощные БМС целиком, так дешевле и проще.  :exactly: Вот, из последнего долго раскручивал, расковырял герметик с большим трудом...а толку???
Спойлер


Методика проверки одиночного ключа такая: https://pro-diod.ru/article/mosfet-proverka-i-prozvonka.html
Не забывайте (только) фольгой замыкать ножки после каждого замера....


CnStuff

Всем привет.
Сдохло в BMS AB3A L603 (контролер напряжения) BMS сразу на 32S одной платой. на 3.65.
На АЛИ нет, Даташит найти не могу, не подскажите чем заменить ?