avatar_KrOeNeN

ЗУ на оcнове выпрямителя ЕАТОN АРR48-3G

Автор KrOeNeN, 21 Фев. 2014 в 19:52

« назад - далее »

0 Пользователи и 1 гость просматривают эту тему.

apizh

Здравствуйте , стал обладателем Eaton APR48-3g , но микроконтроллер управляющий оказался STM32f , что с ним теперь , как его перепрограммировать под свои нужды , ума не приложу , может кто сталкивался или может подсказать ? То есть стоит ли с ним ковыряться программно и каким вспомогательным софтом это делать ?

ra6fnq

учиться программировать  STM32, искать человека с консолью для программирования блоков, считывать дамп, анализировать... или по старинке, поставить резистор (в начале темы).
Евгений
http://fotki.yandex.ru/users/ra6fnq/
https://yadi.sk/d/8wi9CuXnvvFRh - инструкции на Bafangs

apizh

Здравствуйте , прошивку считал(она как и на атмеге32 оказалась "не залоченной") , мб кто нибудь подскажет какие значения менять ?https://cloud.mail.ru/public/5zn4/UUoKTcLCc

ra6fnq

Евгений
http://fotki.yandex.ru/users/ra6fnq/
https://yadi.sk/d/8wi9CuXnvvFRh - инструкции на Bafangs

Depp

[user]batson[/user], [user]inel[/user], Вам огромный респект за Вашу работу. Не могли бы вы помочь с прошивкой . У меня не получается загрузить ( запустить) конвертер, а блок питания нужен уже вчера  :~-(. Исходник с блока считал и отложил в сторонку. Нужны настройки 58,8В и 15А.  Еще раз спасибо!
Cссылка на файл https://drive.google.com/drive/folders/1RZ_z1fYHjWpCsta3THVcwXbEhWf31q5C?usp=sharing
ТРЕБУЮТСЯ КУРЬЕРЫ НА ПОСТОЯННОЙ ОСНОВЕ С ГИБКИМ ГРАФИКОМ https://electrotransport.ru/index.php?topic=56910.new#new

AutoLand

Точно распаяли прлграматор верно и програматор исправен?

Depp

[user]Николай29[/user], огромное спасибо за помощь. Все залил в БП. Работает отлично.

Добавлено 14 Сен. 2018 в 15:33

[user]AutoLand[/user], Конечно. Я же как то считал настройки с БП.
ТРЕБУЮТСЯ КУРЬЕРЫ НА ПОСТОЯННОЙ ОСНОВЕ С ГИБКИМ ГРАФИКОМ https://electrotransport.ru/index.php?topic=56910.new#new

Leviafan61

Подскажите, а то ветку пролистал и что-то не нашел, как опустить напряженижение до 42В? А то шьётся только до 42,5-43 вольта :-( Видимо без паяльника никак.

_LEXX_

Цитата: Leviafan61 от 28 Сен. 2018 в 12:44
Подскажите, а то ветку пролистал и что-то не нашел, как опустить напряженижение до 42В? А то шьётся только до 42,5-43 вольта :-( Видимо без паяльника никак.
там и с паяльником никак , если ток  не собираешься крутить можно последовательно резистор мощный воткнуть

Leviafan61

Ну вроде заменой резистора повышать напряжение можно

Olis

#478
У меня почему-то не управляется напряжение срабатывания этим способом. Максимум до 59 вольт можно выкрутить до ухода в защиту, через несколько секунд включается - и снова в защиту, не зависимо от того, закорочен резистор R3/R4 или нет.
Цитата: inel от 25 Сен. 2014 в 20:26
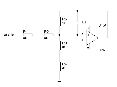
Схема защиты от превышения напряжения.
Здесь все просто и понятно.




Чтобы не резать дорожку, достаточно замкнуть резистор R4 и/или R3.
Повесив параллельно R3 и/или R4 подстроечный резистор, можно оставить защиту сдвинув ее в нужный предел.
update
Разобрался с перепрошивкой, поднял пороги по напряжению. Теперь защита срабатывает на 65.5 примерно, чуть-чуть не хватает мне, нужно на 16S. Уже оба резистора R3+R4 замкнул - никакого эффекта. Похоже, придется дорожку резать всё же.
И еще странно, R1, R2 у меня по ~32k измеряются, хотя R3, R4, R5 соответствуют.

Alexeyspb

#479
Коллеги,

Купил такой же выпрямитель, пробую читать прошивку - получаются две странности:
1.) Программатор в упор считает, что камень - Atmega328, а не Atmega32 (визуально - стоит второй, но не знаю, может затёрлась цифра в конце)
2.) Файл очень не похож на приведённые в этом треде (в аттаче)

Выпрямитель сам по себе работает нормально и настроен на 54В 15А. В комплекте была бумажка об испытаниях, датированная 2011 годом - там эти параметры и были прописаны.

Прошивку читаю ардуиной, прошитой под ArduinoISP, софт - avrdude. Можно, конечно, купить программатор или поискать ftdi-чип, но берут сомнения, что это поможет. Есть у кого-нибудь какие-нибудь идеи, что я делаю не так? С AVR глубоко не разбирался.

Заранее благодарен.

UPD
Всё, разобрался. Для тех, кто наткнётся на такую же проблему - после заливки образа ArduinoISP нужно перерезать на плате перемычку RST-EN, иначе он будет пытаться считать прошивку самой ардуины, а не зарядки.

batkin1

Доброго дня.
Купил новый еатончик APR48-3G 2019го года. На STM32F030C8. И оказался процик залоченным. И теперь вопрос - темка совсем заглохла? Очень хотелось бы управлять им по шине, но ни SC100 ни SC200 по приемлемой цене найти не могу, да и громоздки они. Никто не заморачивался вопросом разобраться с шиной, чтобы менять настройки с компа или самопального контроллера?

Alexeyspb

Цитата: batkin1 от 14 Фев. 2020 в 06:38
Никто не заморачивался вопросом разобраться с шиной, чтобы менять настройки с компа или самопального контроллера?

Там где-то в начале темы начинали разбираться, но после того, как расхакали прошивку - всем резко стало не актуально. Вроде даже дампы сообщений начинали снимать. SC100/SC200 лежали раньше на ебее. Если кто-то в питере готов дать погонять - могу попробовать снять дампы, ибо сам заинтересован в управлении по шине, как-то это колхозно - перешивать каждый раз, когда нужно ток покрутить.

batkin1

Пять минут назад ткнул на ебэе в SC200 . Остается дождаться китайской посылки и начать танцы. Надеюсь получится снять логи с управления и вот тогда понадобится помощь в создании альтернативного контроллера, поскольку сам я не программист.

Alexeyspb

О, круто, буду ждать дампов, постараюсь помочь

batkin1

Посмотрел внутренности APRки и решил выложить фотки. Как уже говорил процессор STM32F030C8 48 ног защищен от чтения. Читать пытался по протоколу SWD  на разъеме Р7 ( контакты SWDIO  SWCLK  GND  3.3V)  Рядом с процом  стоит драйвер RS485  SN65HVD72. С него идет линия на контакт рядом с минусом - верхняя площадка контакта линия "А" , нижняя - "В". Сборка-разборка беспроблемная - 7 болтиков для верхней крышки.






batson

Цитата: batkin1 от 15 Фев. 2020 в 06:00
Пять минут назад ткнул на ебэе в SC200 . Остается дождаться китайской посылки и начать танцы. Надеюсь получится снять логи с управления и вот тогда понадобится помощь в создании альтернативного контроллера, поскольку сам я не программист.

о давай, я давно жду логи
Самоходный аппарат из нержавейки: нержавеющий чоботар, инфинеон 12, MXUS 1000