avatar_Бобрик донской

выбор ваттметра

Автор Бобрик донской, 03 Окт. 2014 в 08:45

« назад - далее »

0 Пользователи и 1 гость просматривают эту тему.

riv

#54
Цитата: Steel RAT от 23 Янв. 2016 в 20:33
Я подключал второй ваттметр и мультиметр. Разница минимальная.
Сделайте фото вашего подключения с замером.
Чем вы 8А измеряете?
Подключал по схеме с сайта. 8А вижу на экране самого ваттметра, + доп индикатор  (см.на фото выше, у меня еще два измерителя ток-напряжения, 1 по входу, 1 по выходу, + ваттметр на АКБ) + цешка.
Ток и напряжение измеряются верно. Неправильно считаются Ач и % заряда.

P.S.
Вот сейчас на экране 20,6 Ач при 56% (и думаю еще до 22 покажет, судя по напряжению) хотя OAH 20Ач. Причем я АКБ IMAX'ом мерил он реально 20Ач.

(Кнопки на бегу рисовал ;-)) Реально кнопок 3, вкл вых стабилизатора, вкл индикаторов, вкл модуля измерений от ваттметра.

Steel RAT

Цитата: riv от 23 Янв. 2016 в 21:15
(Кнопки на бегу рисовал ;-))
На схему Шаттла похоже. :)
ИМХО провод от правой банки в сторону нагрузки явно лишний.
Он шунтирует шунт.

Я взял ТЭС. Поставил 30В 1А на лампочку через 2 ваттметра.
Меньше ток брать по-моему не серьезно. И так 0,5...1% от максимума.
Настроил OAH 1АЧ. И погнал считать на разряд.
Всё точно. 0,01АЧ - 1%. Щелкает как хронометр.
Разбег по измерению емкости с G.T.Power составил 10%.
Проверял целый час до 0%.
Массовая культура - синоним низкого качества.
Люди... они какие-то странные. По одному и тому же поводу каждый думает что-то своё.

riv

Делал для себя по результатам эксплуатации 12В свинцового АКБ который нужно таскать ;-)
Провод в право это для запуска машины в мороз ;-)
Попробую еще раз.
P.S.
Я для того чтобы вместить устройства в корпус открутил шунт от платы и пробросил его силовым кабелем, но не думаю что лишние 10см 4 кв. кабеля дадут такую погрешность, + у меня ток макс 10А. (Ксеноновые фары, Фонари, эхолот, зарядки телефонов, рации)

Steel RAT

Я пометил, где неправильно соединено, крестиком.


Массовая культура - синоним низкого качества.
Люди... они какие-то странные. По одному и тому же поводу каждый думает что-то своё.

riv

#58
Цитата: Steel RAT от 24 Янв. 2016 в 00:32
Я пометил, где неправильно соединено, крестиком.
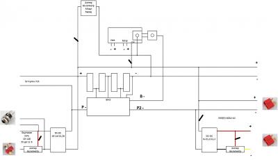
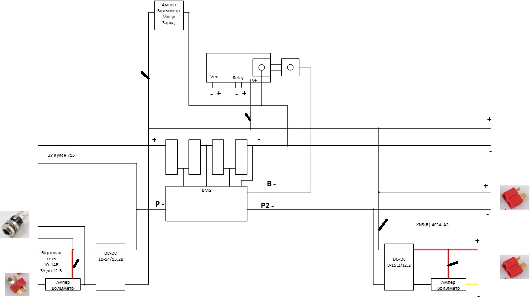
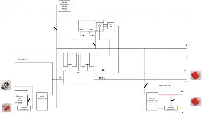
Это цепи BMS. Таким подключением я хотел контролировать весь ток протекающий на АКБ, включая служебных потребителей.

Мой косяк неправильно схему нарисовал. Так правильно. Припаяно именно так.



kag46

Цитата: alpatov от 10 Янв. 2016 в 11:13
Бери такой, не пожалеешь TF01N.



Граждане, подскажите пожалуйста, как узнать значение для подстройки шунта в данном девайсе
Варю продаю кашу из Топпера:
magic pie 3 + markII от e4bike, самопальная батарея из lipo пакетов 14-15Ah, пока 13S1P->17S1P, up to tbd км/ч. Смотри восточный базар.

Следи за собой, будь осторожен.

riv

Цитата: Steel RAT от 23 Янв. 2016 в 22:49
Я взял ТЭС. Поставил 30В 1А на лампочку через 2 ваттметра.
Меньше ток брать по-моему не серьезно. И так 0,5...1% от максимума.
Настроил OAH 1АЧ. И погнал считать на разряд.
Всё точно. 0,01АЧ - 1%. Щелкает как хронометр.
Разбег по измерению емкости с G.T.Power составил 10%.
Проверял целый час до 0%.
Проверил по второму разу. При токе 8А (2 ксеноновых фонаря) до 75% (5Ач) разряжалось нормально, а затем % скаканул до 90% и к разряду в 10Ач я имел не 50% а 87%. Не понимаю от чего глюк и от чего идет сброс показаний. Но он есть. А сами Ач считаются верно.

Kitano


Steel RAT

Цитата: riv от 24 Янв. 2016 в 16:31
Не понимаю от чего глюк и от чего идет сброс показаний. Но он есть. А сами Ач считаются верно.
Попробуйте установить настройку в режим заряда.
Т.е. считать будет от 0 до 100%.
Будет ли такой же сброс?
Массовая культура - синоним низкого качества.
Люди... они какие-то странные. По одному и тому же поводу каждый думает что-то своё.

Mikl

riv у тебя ж дисплей беспроводной, а у ксенона розжиг сильно фонит! может от этого
самокак это то что само ...
1300 w в колесо и будет оно катить как надо

riv

Цитата: Mikl от 25 Янв. 2016 в 02:20
riv у тебя ж дисплей беспроводной, а у ксенона розжиг сильно фонит! может от этого
Спасибо, проверю обязательно.
Но вроде все данные аккумулируются в измерительном модуле, на дисплей информация только выводится. Тем более, что Ач считаются верно, сброс идет только %. Если же делать сброс стрелкой вверх то и Ач сбрасываются в 0.
P.S.
В итоге получается как и говорил выше зарядил, кнопкой разорвал цепь питания измерительного модуля и начинаю разряжать отслеживая Ач, U и I. Все остальные параметры врут, включая H, %. И из-за отсутствия измерений обратного тока нет показаний заряда. Т.е если делаю дозарядку то нужно сбрасывать в 0. (Но если  дома я могу проконтролировать конец заряда Кулоном 715, то на воде это не реально и могу ошибиться с моментом когда нужно сделать калибровку на 0) :-( 

RommT

Цитата: RommT от 11 Янв. 2016 в 13:21
Получил такой ваттметр, 100в, 10а. По току расширю до 100а для велосипеда, или 1000а для машины. Кнопка переключает между двумя каналами записи, удерживание обнуляет выбранный канал. Показывает время измерения, температуру, мощность, энергию в ватт-часах, амперчасы, напряжение и ток. Шрифт очень мелкий, но белый и читается легко даже на свету. Пока пойдёт для замера ёмкости ячеек перед сборкой батареи.
Второй беспроводной ваттметр с более крутым функционалом должен скоро приехать.

Проверил этот ваттметр, ток при превышении 10а не пишет, но мощность показывает правильную до 20а!
Говей МСМ5 14" - железный сейф на колёсике
электро-Ока
Самовар с подвесным МК - 6кВт на киловаттнике

DragonTM

Цитата: илс от 24 Июнь 2015 в 12:33
[user]accent[/user], То что показания прыгают, это главный недостаток бескнопочных ваттметров, типа обсуждаемого.
Лично меня это напрягает, поэтому я пользуюсь более продвинутыми вариантами.  :kidding:

1,7Ач, это более удобный вариант оценки расхода.
Разве вам это не очевидно?
Вся батарея 11Ач, потратили 1,7Ач, осталось примерно 9.
НО!

Вам надо сделать корректные замеры. Выкатайте батарейку целиком и регистрируйте показания. Не забывайте об их сбросе. при откл. питания.
Пока я вижу, что 28Втч никак не соотв. 1,7Ач.
Почти в 3 раза занижен расход (или завышен?).

В общем, вы все поняли, надеюсь  :hello:
Купил такой же ваттметр на али, амперы, вольты, ватты, минимальный вольтаж, пиковую мощность и пиковый ток показывает адекватно.
НО!!! ватт*часы и ампер*часы показывает какую то ахинею, которая никак не может быть правдой и не соответствует между собой даже.
[user]accent[/user] удалось решить эту проблему?
Или в какую сторону действовать?
Мои байки - https://electrotransport.ru/index.php?topic=35001.0
Новый проект электромотоцикла - https://electrotransport.ru/index.php?topic=51461.0

Drift3r

Добрый день!
Имею Mhf120200.
1) проверял током 2 А зарядником B6AC - ток показал вдвое больший. Насколько я понимаю, т.к. ток считается по напряжению на шунте, можно при желании откалибровать делителем напряжения из подстроечного резистора. У кого-нибудь были такие проблемы?
2) Можно ли перехватить данные с радиоканала? Очень хочется сделать логгер на андроиде. Или хотя бы логгер, подключаемый вместо(/вместе) безпроводного модуля.
Мудрый не беспокоится ни о чем, Поскольку он устал беспокоиться, И поэтому он не страдает от Несчастий и бед. (71 чжан).
Колесо Kingsong KS16A, защита Fox Titan Sport Jacket 10050

Кутас

[user]Drift3r[/user], 1. Можно. 2. Не знаю.

Нечто

#69
Почитал темы про ваттметры, сам одним попользовался (аж два раза дома, пока не перестал подавать признаков жизни), в общем, составил мнение, что это либо девайс за 3 тыщи рублей (что жаба душит), либо они все врут и горят по любому поводу. Мне собственно на 48V 20A нужно представлять более-менее достоверно, сколько процентов осталось в моей батарейке, чтобы прикинуть оставшиеся километры.
Может, такое взять? http://ru.aliexpress.com/item/8-65v-LCD-battery-level-indicator-for-lead-acid-and-lithium-battery-coulombmeter-voltmeter-electric-scooter/32593152462.html?spm=2114.13010308.0.49.atxXRU
Писали, что для Li-Ion (Samsung 26FM) вольтаж разряда линеен, поэтому достаточно показаний вольтметра, вроде как подобные устройства идеально подпадают... По-моему, проще ваттметров и вроде бы должны меньше гореть. Как я понимаю, задается максимальный и минимальный порог напряжения и тупо высчитывается процент.
Правда, комплектный "экран", у которого три светодиодика low-mid-high, с mid до 0 опускается гораздо быстрее, нежели с high до mid... Может, у вольтметра по ссылке из-за точной настройки на вольтаж все лучше будет?
Здесь уныло. Играйтесь в модераторов-царьков недопиленного форума без меня. Если я тут — то я ненадолго :)

TRO

[user]Нечто[/user], Фокус в том что показания будут намного недостовернее чем по ваттметру. У батареи в зависимости от нагрузки будет сильно плавать напряжение вплоть до десятков процентов заряда. Напряжение сразу после снятия нагрузки и напряжение через минут 10 после снятия нагрузки тоже спокойно могут отличатся на десяток процентов по этому прибору. Если пороги реально настраиваются, то я брал бы как дополнение к ваттметру, но никак не в качестве замены.

Кстати, сейчас делаю свой ваттметр (вернее многоэкранный велокомп), и тоже думал сделать алгоритм который будет изучать поведение батареи при эксплуатации и строить её модель на пару десятков точек (напряжение, сопротивление, инерционность), ведь все для этого есть, чтобы в процессе эксплуатации не зная заранее полной емкости можно было выводить процент емкости с достаточной точностью без плавания этих показаний в процессе нагрузки. Но чтобы это замутить надо кучу времени убить на стендовые испытания с построением зависимостей (в том числе временнЫх), в общем идею пока забросил (пока сделал упрощенное определение емкости по крайним точкам показаний ватметра).

Wahoo 2012 29er, +собран складной двухосис на раме"Land Rover" 69er с эл. мотором, и и МОНОКОЛЕСО

Нечто

[user]TRO[/user], ну просто между "купил, поставил, сгорело" и "купил, поставил, показывает фиг знает что" сложно выбрать первое... Да, по low-mid-high вижу прыжки напряжения (когда едешь в горочку, мигает low, а потом чуток накатом поедешь и вот уже mid)) - но почитав темы, я не нашел дешевого надежного ваттметра... Тем более убедившись на опыте, что они на ровном месте умирают. Самому изобретать же не выйдет - не дружу с паяльником и схемотехникой.
Здесь уныло. Играйтесь в модераторов-царьков недопиленного форума без меня. Если я тут — то я ненадолго :)