Полезная информация


Джип Chien Ti -855

Автор Faust, 08 Июнь 2015 в 11:15

« назад - далее »

0 Пользователи и 1 гость просматривают эту тему.

Faust

Добрый день!
Несколько лет назад  был приобретен детский джип CT-855 и с тех пор начались наши мучения.
Схема джипа такова:
два аккумулятора по 6в, два редуктора. первая передача энергия подается от одного аккумулятора (т.е. 6В) вторая передача - от двух (12В).
был еще блок для управления с пульта, но он  с самого начала работал плохо и от него я избавился в итоге.

Конечно, хочется много усовершенствований сделать (фары, музыку простейшую и т. п.), но все упирается в основную проблему - аккумулятры. Каждый год стабильно покупали новые и все равно их хватает на 15 минут езды всего.
Прошу вас помогите советом какие аккумуляторы приобрести (тесть вообще предлагает мотоциклетные поставить) и какое зарядное устройство для них. То зарядное устройство которое шло в комплекте, мне кажется, только портит аккумы.
И второй вопрос. Как идентифицировать редукторы на машинке, может есть смысл купить новые, по мощнее?
Заранее спасибо.

Burrut

Я на свою собрался гелевый мотоциклетный ставить на 9ah, хотел по больше, но под сидушку по высоте больше 11см не воткнешь! А что за двигатели стоят?

Александр67

поставить два акб 12 вольт 7 ампер и переделать подключение на моторы, последовательно и паралейно, на быстрой передаче хватать будет на час, если есть место, можно засунуть одну 20ампер, 12 ампер не бери, это две спаренные шестерки что стоят у тебя, ну и не брать самые дешовые..

Faust

Цитата: Александр67 от 09 Июнь 2015 в 10:31
поставить два акб 12 вольт 7 ампер и переделать подключение на моторы, последовательно и паралейно, на быстрой передаче хватать будет на час, если есть место, можно засунуть одну 20ампер, 12 ампер не бери, это две спаренные шестерки что стоят у тебя, ну и не брать самые дешовые..

Цитата: Burrut от 09 Июнь 2015 в 02:29
Я на свою собрался гелевый мотоциклетный ставить на 9ah, хотел по больше, но под сидушку по высоте больше 11см не воткнешь! А что за двигатели стоят?

Сейчас порылся на сайте производителя и выяснил что двигатели стоят 6-ти вольтовые (DC 6V x 2). То есть получается что на второй скорости на них подаётся 12В? 

Burrut

Цитата: Faust от 09 Июнь 2015 в 12:24
Цитата: Александр67 от 09 Июнь 2015 в 10:31
поставить два акб 12 вольт 7 ампер и переделать подключение на моторы, последовательно и паралейно, на быстрой передаче хватать будет на час, если есть место, можно засунуть одну 20ампер, 12 ампер не бери, это две спаренные шестерки что стоят у тебя, ну и не брать самые дешовые..

Цитата: Burrut от 09 Июнь 2015 в 02:29
Я на свою собрался гелевый мотоциклетный ставить на 9ah, хотел по больше, но под сидушку по высоте больше 11см не воткнешь! А что за двигатели стоят?

Сейчас порылся на сайте производителя и выяснил что двигатели стоят 6-ти вольтовые (DC 6V x 2). То есть получается что на второй скорости на них подаётся 12В?

Да сомневаюсь, двигатели сдохнут быстро! Хотя....

Faust

#5
Цитировать
Да сомневаюсь, двигатели сдохнут быстро! Хотя....

Но других же вариантов организовать две скорости на автомобиле с 6в двигателями нет?) не 3в же на них подаётся?)

Burrut

Цитата: Faust от 09 Июнь 2015 в 13:27
Цитировать
Да сомневаюсь, двигатели сдохнут быстро! Хотя....

Но других же вариантов организовать две скорости на автомобиле с 6в двигателями нет?) не 3в же на них подаётся?)

Зря вы так думаете, китайцы и так мыслить могут! вот у меня машинка у нее опционально тоже коробка идет с двумя скоростями, а вся начинка та же и причем 1 аккум (благо мне это опция не досталась). Вполне могли и так к этому вопросу подойти, на первой дава например 4 вольта, а на второй 6 или 7!

Faust

Цитата: Burrut от 09 Июнь 2015 в 16:03
Зря вы так думаете, китайцы и так мыслить могут! вот у меня машинка у нее опционально тоже коробка идет с двумя скоростями, а вся начинка та же и причем 1 аккум (благо мне это опция не досталась). Вполне могли и так к этому вопросу подойти, на первой дава например 4 вольта, а на второй 6 или 7!

У китайцев может быть все что угодно, согласен.
Попробую на выходных посмотреть что там да как (машинка на даче). Одно знаю точно, на первой скорости питание идет от одного аккумулятора, на второй от двух, скорее всего последовательно (т.е. 2*6в=12в).
штатная недозарядка заряжает последовательносединенные аккумы и скорее всего гробит их.
Вот и возник вопрос купить мотоциклетный, как вы говорите, гелевый аккум на 12 вольт и переключать двигатели из параллельного в последовательное соединение ("минусы" переделывать схему, "плюсы" один аккум и заряжается он вроде как зарядкой, который и автомобильный заряжается), либо купить два по 6 вольт от UPS ("плюс" не надо вообще ничего делать, просто заменить, "минус" не знаю как заряжать сразу два).

Burrut

Цитата: Faust от 09 Июнь 2015 в 18:03
Цитата: Burrut от 09 Июнь 2015 в 16:03
Зря вы так думаете, китайцы и так мыслить могут! вот у меня машинка у нее опционально тоже коробка идет с двумя скоростями, а вся начинка та же и причем 1 аккум (благо мне это опция не досталась). Вполне могли и так к этому вопросу подойти, на первой дава например 4 вольта, а на второй 6 или 7!

У китайцев может быть все что угодно, согласен.
Попробую на выходных посмотреть что там да как (машинка на даче). Одно знаю точно, на первой скорости питание идет от одного аккумулятора, на второй от двух, скорее всего последовательно (т.е. 2*6в=12в).
штатная недозарядка заряжает последовательносединенные аккумы и скорее всего гробит их.
Вот и возник вопрос купить мотоциклетный, как вы говорите, гелевый аккум на 12 вольт и переключать двигатели из параллельного в последовательное соединение ("минусы" переделывать схему, "плюсы" один аккум и заряжается он вроде как зарядкой, который и автомобильный заряжается), либо купить два по 6 вольт от UPS ("плюс" не надо вообще ничего делать, просто заменить, "минус" не знаю как заряжать сразу два).

Ну если речь идет о гелевом, то родной зарядкой от машинки даже не пытайтесь, угробите. Как раз в моей теме пару дней назад обсуждали это дело. У меня по характеристикам на зарядке 6 вольт 700 милиампер, а по факту замеры показали 10,7 вольт и 2 ампера. Для гелевых специальные зарядки есть, я вот нашел за 600 рублей, считаю это не дорого.

Faust

На выходных выяснил схему машинки.


Как я понимаю неравномерная разрядка аккумуляторов вещь не очень правильна?

Двигатели судя по всему всё-таки 12-ти вольтовые. Сейчас буду ваять схему с одним аккумулятором на 12В и с переключением работы двигателей с последовательного на параллельное. (вроде видел такую в одной из соседних тем). Все что красным нарисовано (управление по радио) буду выкидывать за ненадобностью

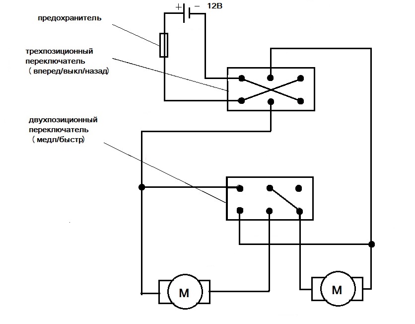
Faust

Вот схема получилась

Один минус: в предыдущем варианте мишинка ехала назад исключительно на малых оборотах, но как я голову не ломал, ничего другого придумать не могу.
В идеале хорошо б поставить педаль с плавным увеличением скорости. Плавный пуск, спасибо добрым людям, я уже нашел.
Может кто-то посоветовать:
- педальку
- адекватный аккумулятор на 12в?

Burrut

Цитата: Faust от 16 Июнь 2015 в 15:58
Вот схема получилась

Один минус: в предыдущем варианте мишинка ехала назад исключительно на малых оборотах, но как я голову не ломал, ничего другого придумать не могу.
В идеале хорошо б поставить педаль с плавным увеличением скорости. Плавный пуск, спасибо добрым людям, я уже нашел.
Может кто-то посоветовать:
- педальку
- адекватный аккумулятор на 12в?

Я как-то к гелевому мотоциклетному склоняюсь, конечно лиферы это супер, но уж больно цена у них высокая! Я вот пока по плавному пуску не парюсь, посмотрим на сколько редукторов хватит! Машинка с места рвет не плохо, но учитывая как она потом скорость набирает, то не на всю мощность с места рвет, провода не греются (поменял на толстые), немножко подогревается переключатель вперед-назад, но не сильно, будет подпаиваться поменяю, на нем написано 16 ампер, так что думаю выдержит!

Faust

#12
А может кто-то объяснить почему производитель пошёл по первой схеме (первая передача - задействован один акб, вторая - два, последовательно) а не по второй (акб на 12в, двигатели последовательно/параллельно)? есть ли тут какой-то глубинный смысл?

Меня смущает, что по второй схеме вроде же ток должен в 2 раза увеличиться?

Ток, если двигатели по 50 ватт, почти 10А будет. Не погорят ли провода сечением 1кв мм?

Stalker

Не должно там быть 10а , если только в момент трогания .
А так ампер 5 в движении .

ДмитрийМver2.0

Я проверял с амперметром, детский джип с 2Х6 вольт последовательно, 12 вольт аккум авто и второй аккум как имитатор веса ребёнка.. по горизонтали 8..10 ампер, в трогании и на среднюю горку до 20..25 ампер. Стрелочным СССРовским амперметром. Первый преобразователь самодельный 48/12 вольт на ИС 10 ампер не потянул даже горизонталь (уходил в защиту) вот и проводил практические замеры.
73! Дмитрий, RK3AOR.

Stalker

Ну и апетит у этих мыльниц !
А две автомобильных батарейки не многовато по весу ?

Faust

#16
Цитата: Stalker от 17 Июнь 2015 в 18:26
Не должно там быть 10а , если только в момент трогания .
А так ампер 5 в движении .
Вот по этому поводу вопрос.
За выходные перебрал всю электрику в автомобиле, сделал переключение двигателей с последовательного на параллельное, поставил один АКБ на 12В.
ребенок покатался в понедельник минут 30, машина встала. Я отпросился с работы, слетал на дачу, оказалось сгорел предохранитель 30А. Поменял. Думал что может старый какой. Еще через 15 минут сгорел второй.
Подскажите, что делать? поставить предохранители на больший ток? На какой? Или можно обойтись плавным пуском?

Stalker

Я полагаю , что нужен плавный пуск .
Скорее всего предохранитель летит в момент трогания , особенно если перед колесом препятствие какое .